Мы поставляем катушки ТКП-400,ТКП-500,ТКП-600,ТКП-700 и ТКП-800 данная серия катушек предназначена для использования только в колодочных тормозах серии ТКП и ТКМП.
ОПИСАНИЕ КАТУШЕК ТКП
Цифры в обозначении катушки соответствуют диаметру шкива тормоза, например катушка ТКП-400 устанавливается в колодочный тормоза ТКП или ТКМП для шкивов 400мм.
Катушки могут быть изготовлена как с параллельным так и последовательным возбуждением.
Катушка ТКП с параллельным возбуждением может быть изготовлена на 110 и 220в постоянного тока и иметь период включения ПВ 25,40 или 100%.Данные катушки поставляются с гибкими выводами и изготавливаются из медного провода.
Катушка ТКП с последовательным возбуждением , её часто ещё называют токовая катушка ТКП, может быть изготовлена на работу с силой тока от 70 до 1400А при ПВ от 15 до 40%..Такие катушки имеют жесткие выводы и изготавливаются из медной шины.
Для замены катушки ТКП необходимо ослабить главную пружину и систему рычагов тормоза при помощи вращения регулировочных гаек, замена занимает не более 15 минут.
Что бы исключить вибрационное вращение катушки ТКП во время работы и защитить проводку от обрыва тормоз и катушка снабжены специальными креплениями в виде углублений в тормозе и цилиндрических навершений на катушке которые надо совместить при установке.
Катушка плотно крепится к тормозу на два или три болта к металлическому сердечнику который располагается внутри электромагнита тормоза.
Магнит тормоза ТКП-400,ТКП-500,ТКП-600,ТКП-700 и ТКП-800 не съемный и изготовлен в виде единого литья с рамкой тормоза.
В последнее время рынок наводнили подделки катушек серии ТКП они ни чем не отличаются ни визуально ни по весу от обычных. Внутри их для придания веса и формы залит бетон и установлен резистор для правильного показания сопротивления. Будьте внимательны!
ТЕХНИЧЕСКИЕ ХАРАКТЕРИСТИКИ
КАТУШКА ТКП ПАРАЛЛЕЛЬНОГО ВОЗБУЖДЕНИЯ
|
Типоразмер катушки |
Напряжение, В |
Режим работы ПВ, % |
Сопротивление, Ом |
Кол-во меди в катушке, кг |
Потребляемая мощность, Вт |
|
Катушка ТКП-400 |
110 |
25 |
15,2 |
13 |
850 |
|
110 |
40 |
630 |
|||
|
110 |
100 |
370 |
|||
|
220 |
25 |
1460 |
|||
|
220 |
40 |
1150 |
|||
|
220 |
100 |
630 |
|||
|
440 |
25 |
2600 |
|||
|
440 |
40 |
2140 |
|||
|
440 |
100 |
1300 |
|||
|
Катушка ТКП-500 |
110 |
25 |
12,9 |
22,6 |
960 |
|
110 |
40 |
700 |
|||
|
110 |
100 |
400 |
|||
|
220 |
25 |
1600 |
|||
|
220 |
40 |
1210 |
|||
|
220 |
100 |
725 |
|||
|
440 |
25 |
2820 |
|||
|
440 |
40 |
2180 |
|||
|
440 |
100 |
1330 |
|||
|
Катушка ТКП-600 |
110 |
25 |
10,3 |
30 |
1260 |
|
110 |
40 |
920 |
|||
|
110 |
100 |
520 |
|||
|
220 |
25 |
2000 |
|||
|
220 |
40 |
1650 |
|||
|
220 |
100 |
960 |
|||
|
440 |
25 |
4280 |
|||
|
440 |
40 |
2960 |
|||
|
440 |
100 |
1640 |
|||
|
Катушка ТКП-700 |
110 |
25 |
6,9 |
45,5 |
1770 |
|
110 |
40 |
1340 |
|||
|
110 |
100 |
770 |
|||
|
220 |
25 |
3100 |
|||
|
220 |
40 |
2340 |
|||
|
220 |
100 |
1440 |
|||
|
440 |
25 |
5160 |
|||
|
440 |
40 |
4600 |
|||
|
440 |
100 |
2550 |
|||
|
Катушка ТКП-800 |
110 |
25 |
5,75 |
67 |
2320 |
|
110 |
40 |
1660 |
|||
|
110 |
100 |
1020 |
|||
|
220 |
25 |
3500 |
|||
|
220 |
40 |
2830 |
|||
|
220 |
100 |
1790 |
|||
|
440 |
25 |
6700 |
|||
|
440 |
40 |
5400 |
|||
|
440 |
100 |
3200 |
|||
|
220 |
25 |
3500 |
|||
|
220 |
40 |
2830 |
|||
|
220 |
100 |
1790 |
КАТУШКА ТКП ПОСЛЕДОВАТЕЛЬНОГО ВОЗБУЖДЕНИЯ
|
Типоразмер катушки |
Ток, А |
Сопротивление, Ом |
Кол-во меди в катушке, кг |
Потребляемая мощность, Вт |
|||
|
Период включения ПВ % |
|||||||
|
15 |
25 |
40 |
|||||
|
Катушка ТКП-400 |
96,5 |
75 |
59 |
0,086 |
18,5 |
770 |
|
|
139 |
108 |
85,5 |
0,042 |
16,5 |
|||
|
192 |
149 |
118 |
0,0247 |
13 |
|||
|
231 |
179 |
141 |
0,0168 |
14 |
|||
|
268 |
208 |
164 |
0,0123 |
15 |
880 |
||
|
346 |
268 |
212 |
0,0073 |
16 |
|||
|
Катушка ТКП-500 |
201 |
156 |
123 |
0,029 |
27 |
1000 |
|
|
316 |
245 |
193 |
0,0118 |
29,8 |
|||
|
495 |
383 |
302 |
0,0049 |
29,6 |
|||
|
Катушка ТКП-600 |
209 |
162 |
128 |
0,0386 |
38,5 |
1500 |
|
|
300 |
233 |
184 |
0,0188 |
41,5 |
|||
|
510 |
395 |
312 |
0,0065 |
43,3 |
|||
|
630 |
490 |
387 |
0,0043 |
45 |
|||
|
770 |
600 |
475 |
0,0029 |
46 |
|||
|
Катушка ТКП-700 |
312 |
234 |
185 |
0,022 |
56,4 |
1860 |
|
|
715 |
555 |
438 |
0,004 |
60 |
|||
|
1175 |
910 |
720 |
0,0014 |
25+36,6 |
|||
|
910 |
705 |
555 |
0,0026 |
61 |
|||
|
Катушка ТКП-800 |
595 |
480 |
363 |
0,0074 |
72 |
2300 |
|
|
1355 |
1050 |
830 |
0,0014 |
32+39,5 |
|||
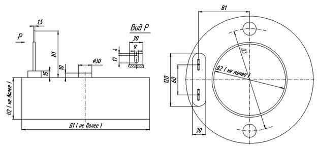
ГАБАРИТНЫЕ РАЗМЕРЫ КАТУШУК ТКП

КАТУШКА ТКП ПАРАЛЛЕЛЬНОГО ВОЗБУЖДЕНИЯ
|
Типоразмер |
A |
B |
D1 |
D2 |
D3 |
h |
H |
L |
|
Катушка ТКП-400 |
105 |
9 |
161 |
230 |
287 |
17 |
94 |
90 |
|
Катушка ТКП-500 |
125 |
186 |
300 |
366 |
86 |
95 |
||
|
Катушка ТКП-600 |
158 |
221 |
360 |
428 |
88 |
100 |
||
|
Катушка ТКП-700 |
188 |
256 |
435 |
502 |
88 |
110 |
||
|
Катушка ТКП-800 |
220 |
311 |
500 |
572 |
88 |
125 |
КАТУШКА ТКП ПОСЛЕДОВАТЕЛЬНОГО ВОЗБУЖДЕНИЯ
|
Типоразмер |
Номинал тока, А |
b |
h |
L |
|
Катушка ТКП-400 |
75 |
9 |
17 |
90 |
|
108 |
||||
|
149 |
||||
|
179 |
||||
|
208 |
||||
|
268 |
||||
|
Катушка ТКП-500 |
156 |
9 |
17 |
95 |
|
245 |
9 |
|||
|
383 |
13 |
|||
|
Катушка ТКП-600 |
162 |
9 |
17 |
100 |
|
233 |
9 |
|||
|
395 |
13 |
|||
|
490 |
13 |
|||
|
600 |
13 |
|||
|
Катушка ТКП-700 |
234 |
9 |
17 |
110 |
|
555 |
13 |
17 |
110 |
|
|
910 |
13 |
42 |
140 |
|
|
705 |
13 |
42 |
140 |
|
|
Катушка ТКП-800 |
450 |
13 |
17 |
125 |