Одноступенчатые (Червячный мотор-редуктор UD-RV (аналог NMRV))

Условное обозначение:

UD-RV025 условное обозначение.png

1. Модель редуктора.
2. Габарит редуктора.
3. Передаточное число (5;7,5;10;15;20;25;30;40;50;60;80;100)
4. Число оборотов выходного вала, об/мин.
5. Мощность электродвигателя, кВт.                                         
6. Наличие электромагнитного тормоза у электродвигателя,
    (Е- одинарный тормоз, ЕЕ- двойной тормоз, 
    Е(МШ)- одинарный малошумный тормоз, 
    ЕЕ(МШ)- двойной малошумный тормоз).
7. Тип фланца электродвигателя (В5;В14).
8. Фланец на выходном валу редуктора (FA;FB;FC;FD;FE).
9. Исполнение с выходным валом (SS1;SS2;DS).
10. Исполнение с реактивной штангой (А1;А2).
11. Монтажное положение (В3;В6;В7;В8;V5;V6).
12. Дополнительные опции.

 

 

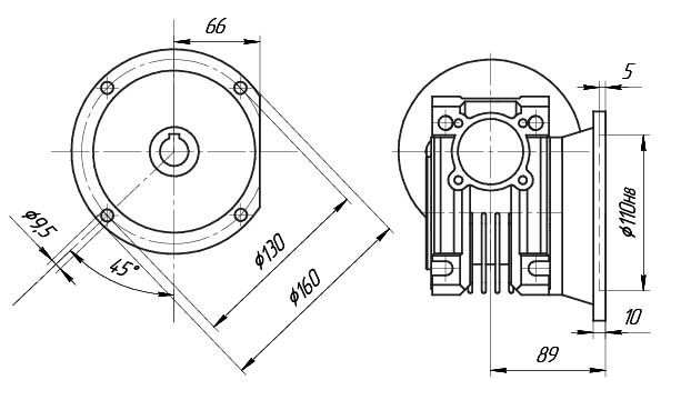
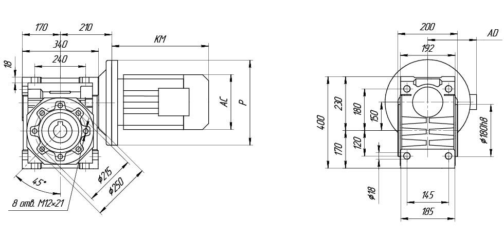
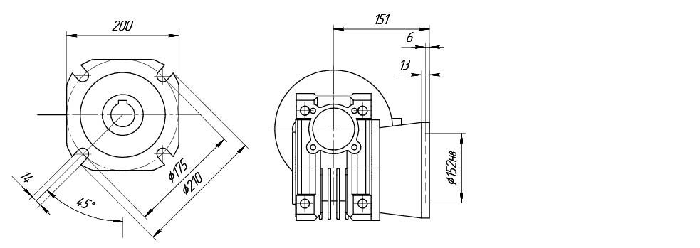
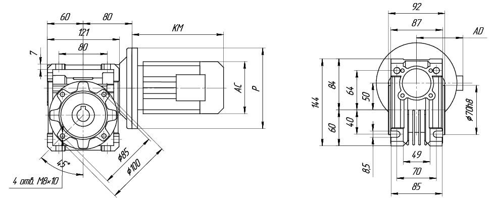
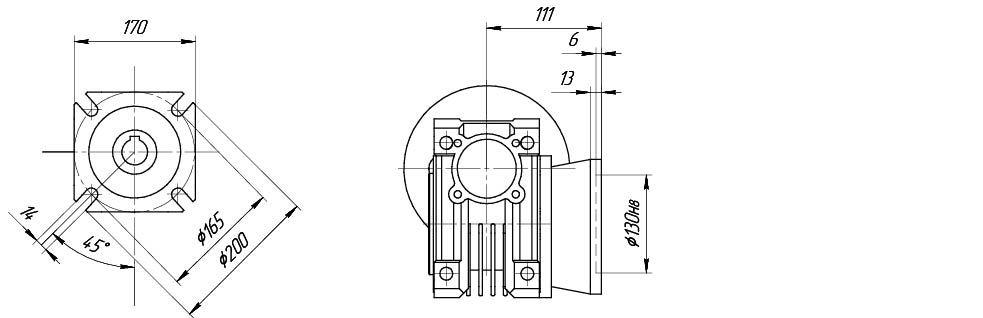
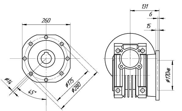
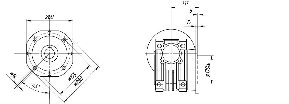
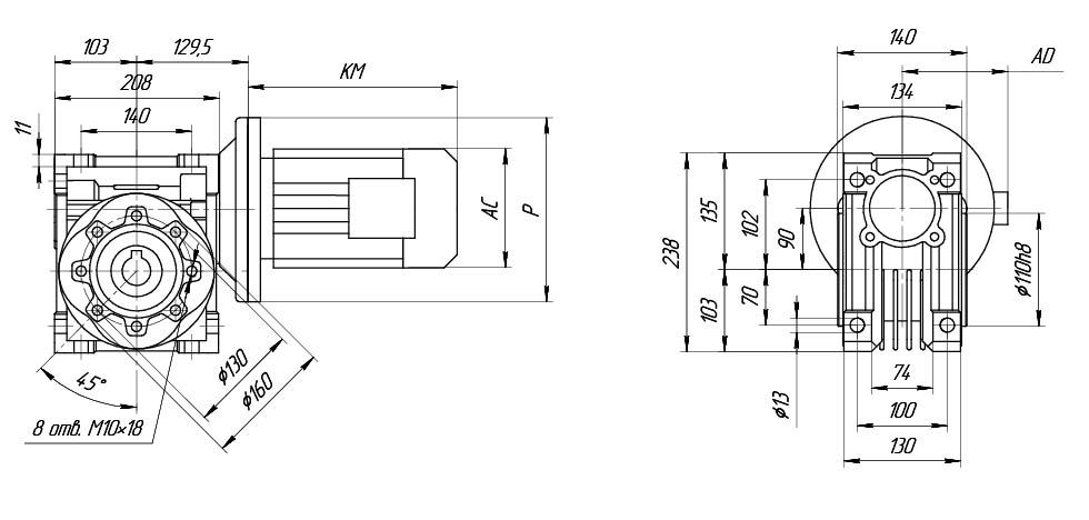
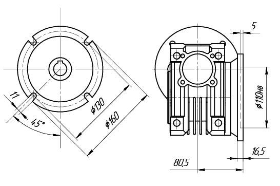
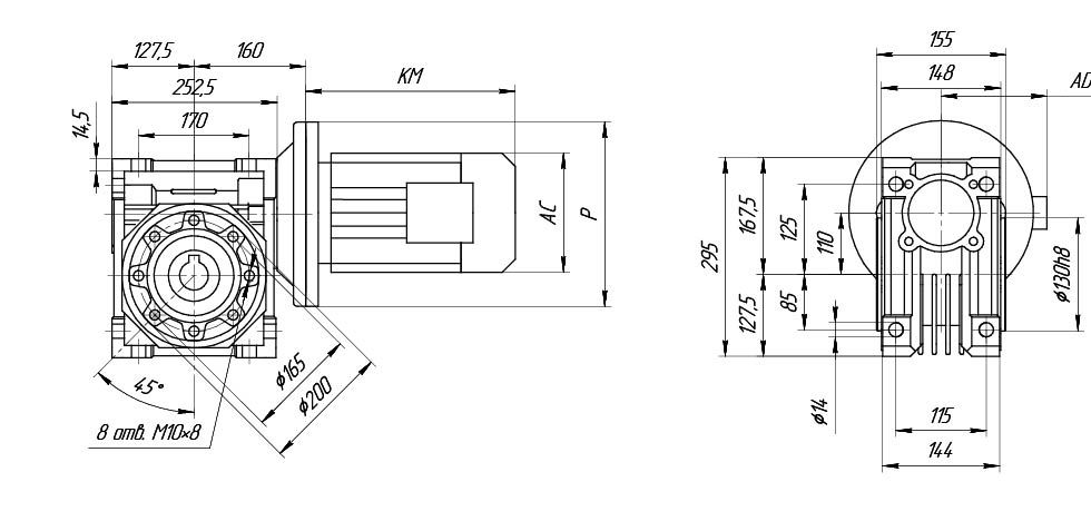
Габаритные и присоединительные размеры 


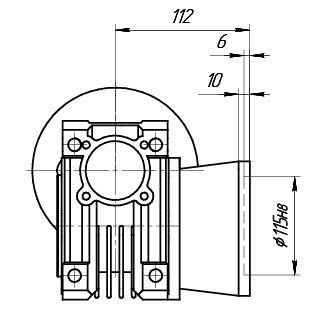
UD-RV025 (NMRV 25)

 


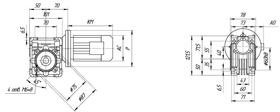
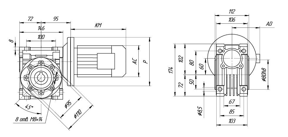
Мотор-редуктор RV_025-01.jpg

KM, мм      В зависимости от смонтированного электродвигателя   
АС, мм      В зависимости от смонтированного электродвигателя 
AD, мм      В зависимости от смонтированного электродвигателя 
P, мм      В зависимости от смонтированного электродвигателя 

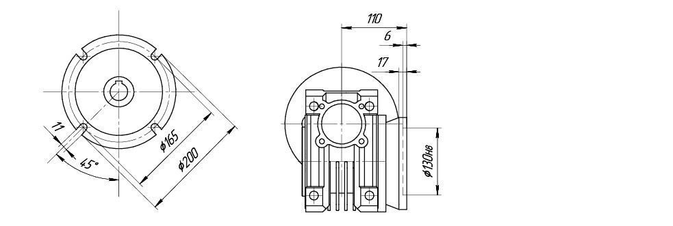
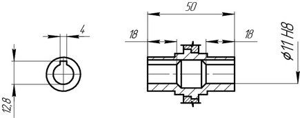
Исполнение выходного вала

Полый

UD-RV-025 VAL.jpg

 

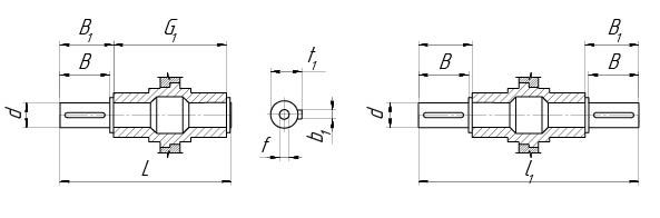
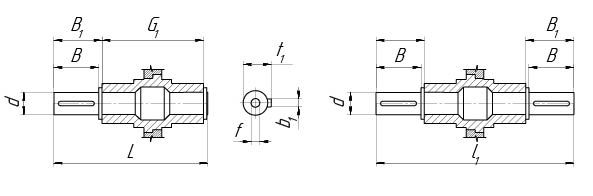
Односторонний и двухсторонний


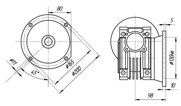
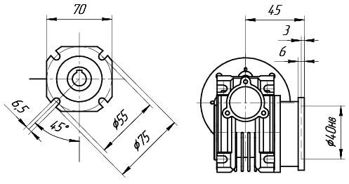
RV_025-09.jpg

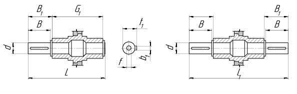
d h6 B B1 G1 L L1 f b1 t1
11 23 25,5 50 81 101   4 12,5

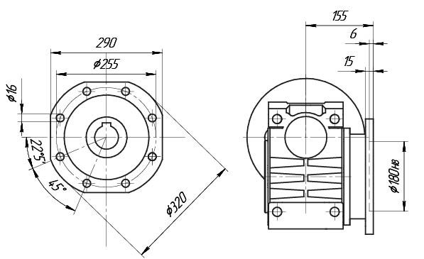
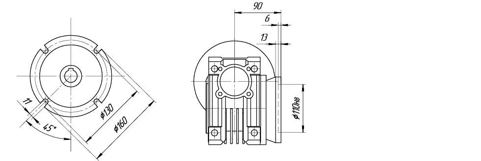
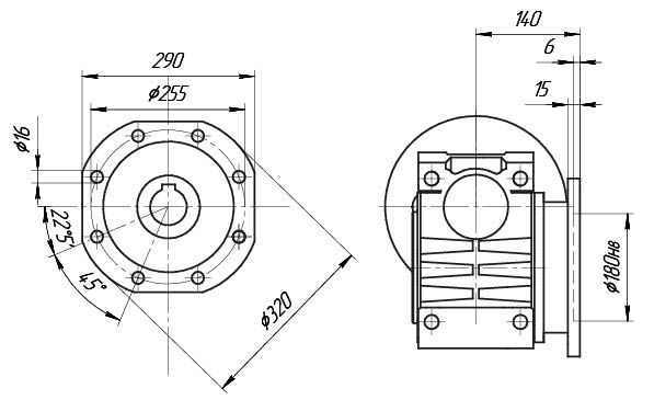
Исполнение выходного фланца FA


RV_025-03.jpg



 

Монтажные исполнения

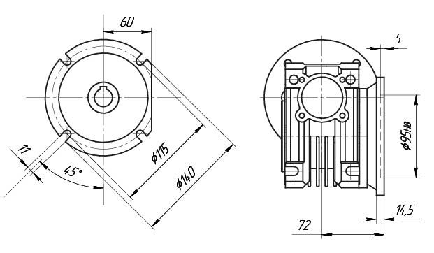
Реактивная штанга

RV_025-04.jpg

K1 G KG KH R
70 14 17,5 8 15

Варианты сборки (монтажные положения) UD-RV

 

Мотор-редукторы монтажные положения RV.jpg

С реактивной штангой


RV_025-06.jpg


 

С выходным фланцем


RV_025-07.jpg

С выходным валом


Монтажные положения с выходным валом

 

 

 

 

Технические характеристики

 

Мощ­ность двигателя, кВт Час­то­та вра­ще­ния вых. вала, об/мин, n2, 1/мин Кру­тя­щий мо­ме­нт, Нм Сер­вис-­фактор fs Пе­ре­да­точ­ное чис­ло i Тип мотор-­ре­дук­то­ра Дви­га­тель IEC Ра­диаль­ная наг­руз­ка, Fr2
0.06

UDM 50A4
AIS 56A4
AИР 50А4
186.7 2.6 4.2 7.5 UD-RV025 UDM 50A4
AIS 56A4
АИР 50А4
503
140.0 3.4 3.5 10 553
93.3 4.9 2.5 15 633
70.0 6.2 2.0 20 697
56 7.5 1.8 25 751
46.7 8.3 1.6 30 798
35.0 10 1.3 40 878
28.0 12 0.9 50 946
23.3 14 0.7 60 1006
180.0 2.7 4.8 5 UD-RV025 63А6 509
120.0 4.0 3.2 7.5 583
90.0 5.2 2.7 10 641
60.0 7.4 1.9 15 734
45.0 9.3 1.4 20 808
30.0 12 1.2 30 925
22.5 15 0.9 40 1018
18.0 18 0.7 50 1096
0.09

UDM 50A2
AIS 56A2
АИР 50А2

UDM 50B4
AIS 56B4
АИР 50В4  
373.3 2.0 3.9 7.5 UD-RV025 UDM 50A2
AIS 56A2
АИР 50А2
399
280 2.6 3.4 10 439
186.7 3.8 2.4 15 503
140 4.9 1.9 20 553
112 5.9 1.5 25 590
93.3 6.7 1.3 30 633
70 8.5 1.1 40 697
56 10.0 09 50 751
186.7 3.9 2.8 7.5 UD-RV025 UDM 50B4
AIS 56B4
АИР 50В4
503
140.0 5.1 2.4 10 553
93.3 7.3 1.6 15 633
70.0 9.3 1.3 20 697
56 11 1.2 25 751
46.7 13 1.1 30 798
35.0 16 0.9 40 878
0.12

UDM 50B2
AIS 56B2
АИР 50В2

UDM 50A4
AIS 63A4
АИР 56А4  
373.3 2.7 3 7.5 UD-RV025 UDM 50B2
AIS 56B2
АИР 50В2
 
280 3.5 2.6 10  
186.7 5.1 1.8 15  
140 6.5 1.4 20  
112 7.9 1.1 25  
93.3 9.0 1 30  
70 11 0.8 40  

 

 

 

Комплектующие

 

1. Защитный кожух

Защитный кожух для NMRV.jpg

 

 

2. Боковой фланец

FA    Фланец FA.jpg                      

3. Цельный выходной вал



выходной цельный вал двусторонний.jpg       выходной цельный вал односторонний.jpg

 

 

4. Реактивная штанга 

 

Реактивная штанга.jpg

 

 

 

5. Другие комплектующие

 

  • Термостойкие сальники
  • Три вида смазок: для работы при низких температурах, для работы при высоких температурах и подходящая для пищевой промышленности.

Условное обозначение:

UD-RV030 условное обозначение.png

1. Модель редуктора.
2. Габарит редуктора.
3. Передаточное число (5;7,5;10;15;20;25;30;40;50;60;80;100)
4. Число оборотов выходного вала, об/мин.
5. Мощность электродвигателя, кВт.                                         
6. Наличие электромагнитного тормоза у электродвигателя,
    (Е- одинарный тормоз, ЕЕ- двойной тормоз, 
    Е(МШ)- одинарный малошумный тормоз, 
    ЕЕ(МШ)- двойной малошумный тормоз).
7. Тип фланца электродвигателя (В5;В14).
8. Фланец на выходном валу редуктора (FA;FB;FC;FD;FE).
9. Исполнение с выходным валом (SS1;SS2;DS).
10. Исполнение с реактивной штангой (А1;А2).
11. Монтажное положение (В3;В6;В7;В8;V5;V6).
12. Дополнительные опции.

 

 

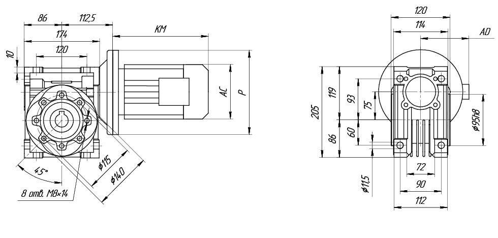
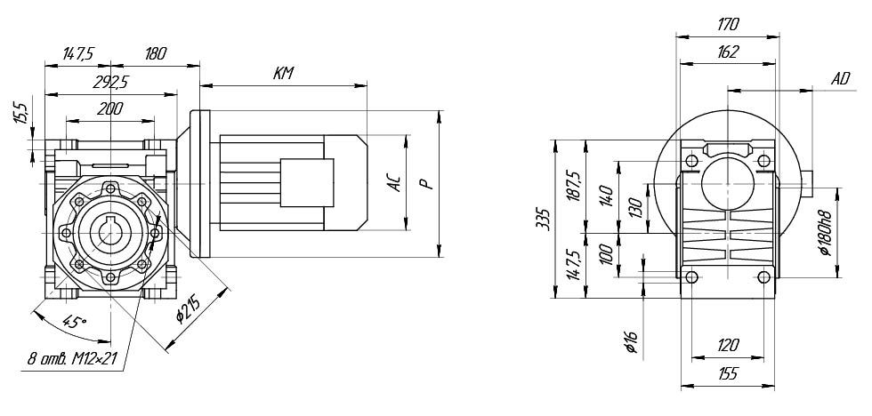
Габаритные и присоединительные размеры

UD-RV030

 

 

Мотор-редуктор RV_030-01.jpg

 

P d   u t
140 11 4 12.8
120 9 3 10.4
90 11 4 12.8
80 9 3 10.4

 

KM, мм  В зависимости от смонтированного электродвигателя   
АС, мм      В зависимости от смонтированного электродвигателя 
AD, мм      В зависимости от смонтированного электродвигателя 
P, мм      В зависимости от смонтированного электродвигателя

 

UD-RV - E- 030 (NMRV 30)                                                                                                                                                     


Мотор-редуктор RV_030-02.jpg

 

Исполнение выходного вала

Полый вал


UD-RV-030 VAL.jpg

Односторонний и двухсторонний

RV_030-04.jpg

d h6 B B1 G1 L L1 f b1 t1
14 30 32,5 63 102 128 м5 5 16

 

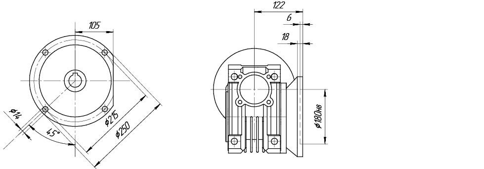
Выходной фланец

RV_030-05.jpg


Реактивная штанга

RV_025-04.jpg

K1 G KG KH R
85 14 24 8 15



Варианты сборки (монтажные положения) UD-RV030 (NMRV 30)

 

Мотор-редукторы монтажные положения RV.jpg

С реактивной штангой


Мотор-редуктор RV_025-06.jpg


 

С выходным фланцем


Мотор-редуктор RV_025-07.jpg

 

С выходным валом


Монтажные положения с выходным валом

Замена редуктора 6МЧ, 6-ES, NMRV аналогом - приводом UD-RV.

Чтобы оценить целесообразность и выгоду замены 6МЧ, 6-ES, NMRV на редукторы UD-RV, Вам необходимо сравнить для себя следующие параметры:

  • цена,
  • качество,
  • производитель,
  • технические характеристики,
  • сроки поставки,
  • гарантийное обслуживание

Компания ООО Привод поможет Вам в анализе этих двух аналогов. Звоните нашим менеджерам по телефону: 8-800-2000-220.

 

 

Технические характеристики

Мощ­ность двигателя, кВт Час­то­та вра­ще­ния вых. вала, об/мин, n2, 1/мин Кру­тя­щий мо­ме­нт, Нм Сер­вис-­фактор fs Пе­ре­да­точ­ное чис­ло i Тип мотор-­ре­дук­то­ра Дви­га­тель IEC Ра­диаль­ная наг­руз­ка, Fr2
0.06

UDM 50A4
AIS 56A4
AИР 50А4
186.7 2.6 6.9 7.5 UD-RV030 UDM 50A4
AIS 56A4
АИР 50А4
683
140.0 3.3 5.4 10 752
93.3 4.7 3.8 15 861
70.0 5.9 3.0 20 948
56.0 6.8 3.0 25 1021
46.7 7.9 2.5 30 1085
35.0 9.7 1.9 40 1194
28.0 11 1.5 50 1286
23.3 12 1.3 60 1367
17.5 14 0.9 80 1504
15.0 18 0.9 60 UD-RV030 63А6 1583
0.09

UDM 50A2
AIS 56A2
АИР 50А2

UDM 50B4
AIS 56B4
АИР 50В4  
373.3 2.0 6.5 7.5 UD-RV030 UDM 50F2
AIS 56A2
АИР 50А2
542
280 2.6 5 10 597
18.7 3.7 3.5 15 683
140 4.7 2.5 20 752
112 5.5 2.8 25 810
93.3 6.4 2.3 30 861
70 8.0 1.7 40 948
56 9.4 1.4 50 1021
46.7 10 1.1 60 1085
35 13 0.9 80 1194
186.7 3.9 4.6 7.5 UD-RV030 UDM 56B4
AIS 56B4
АИР 50В4
683
140.0 5.0 3.6 10 752
93.3 7.0 2.5 15 861
70.0 8.8 2.0 20 948
56.0 10 1.9 25 1021
46.7 12 1.7 30 1085
35.0 14 1.2 40 1194
0.12

UDM 50B2
AIS 56B2
АИР 50В2

UDM 50A4
AIS 63A4
АИР 56А4  
186.7 5.2 3.4 7.5 UD-RV030 UDM 56A4
AIS 63A4
АИР 56А4
683
140.0 6.6 2.7 10 752
93.3 9.3 1.9 15 861
70.0 12 1.5 20 948
56.0 14 1.5 25 1021
46.7 16 1.3 30 1085
35.0 19 0.9 40 1194
28.0 22 0.8 50 1286
180.0 5.4 3.7 5 UD-RV030 63C6 692
120.0 7.9 2.5 7.5 792
90.0 10 2.0 10 871
60.0 14 1.4 15 997
45.0 18 1.1 20 1098
36.0 20 1.1 25 1183
30.0 23 0.9 30 1257
0.18

UDM 56A2
AIS 63A2
АИР 56А2

UDM 56B4
AIS 63B4
АИР 56В4

UDM 63A6
AIS 71A6
АИР 63А6
373.3 4.0 3.2 7.5 UD-RV030 UDM 56A2
AIS 63A4
АИР 56А6
542
280 5.2 2.5 10 597
186.7 7.4 1.7 15 683
140 9.5 1.3 20 752
112 11 1.4 25 810
93.3 13 1.1 30 861
70 16 0.9 40 948
186.7 7.7 2.3 7.5 UD-RV030   UDM 56B4
AIS 63B4
АИР 56В6  
683
140.0 10 1.8 10 752
93.3 14 1.3 15 861
70.0 18 1.0 20 948
56.0 20 0.9 25 1021
46.7 24 0.8 30 1085
0.25

UDM 56B4
AIS 63B2
АИР 56В2

UDM 63A4
AIS 71A4
АИР 63А4

UDM 63B6
AIS 71B6
АИР 63В6
373.3 5.6 2.3 7.5 UD-RV030 UDM 56B2
AIS 63B2
АИР 56В2
542
280 7.2 1.8 10 597
186.7 10 1.3 15 683
140 13 0.9 20 752
112 15 1 25 810
93.3 18 0.8 30 861

 

 

Комплектующие

 

1. Защитный кожух

Защитный кожух для NMRV.jpg

 

 

2. Боковой фланец

FA    Фланец FA.jpg           

 

3. Цельный выходной вал



выходной цельный вал двусторонний.jpg       выходной цельный вал односторонний.jpg

 

 

4. Реактивная штанга 

 

Реактивная штанга.jpg

 

 

 

5. Другие комплектующие

 

  • Термостойкие сальники
  • Три вида смазок: для работы при низких температурах, для работы при высоких температурах и подходящая для пищевой промышленности.

Условное обозначение:

UD-RV040 условное обозначение.png
1. Модель редуктора.
2. Габарит редуктора.
3. Передаточное число (5;7,5;10;15;20;25;30;40;50;60;80;100)
4. Число оборотов выходного вала, об/мин.
5. Мощность электродвигателя, кВт.                                         
6. Наличие электромагнитного тормоза у электродвигателя,
    (Е- одинарный тормоз, ЕЕ- двойной тормоз, 
    Е(МШ)- одинарный малошумный тормоз, 
    ЕЕ(МШ)- двойной малошумный тормоз).
7. Тип фланца электродвигателя (В5;В14).
8. Фланец на выходном валу редуктора (FA;FB;FC;FD;FE).
9. Исполнение с выходным валом (SS1;SS2;DS).
10. Исполнение с реактивной штангой (А1;А2).
11. Монтажное положение (В3;В6;В7;В8;V5;V6).
12. Дополнительные опции.

 

Габаритные и присоединительные размеры


UD-RV040 (NMRV 40)

Мотор-редуктор RV_040-01.jpg

PM DME8 BM tM
160 14 5 16.3
140 11 4 12.8
120 14 5 16.3
105 14 5 16.3
90 11 4 12.8

 

KM, мм      В зависимости от смонтированного электродвигателя   
АС, мм      В зависимости от смонтированного электродвигателя 
AD, мм      В зависимости от смонтированного электродвигателя 
P, мм      В зависимости от смонтированного электродвигателя 

 

UD-RV-E-040

                                                                     Мотор-редуктор RV_040-02.jpg

 

Исполнение выходного вала

Полый

UD-RV-040 VAL.jpg

Dh8 b t
18 6 20.8
19* 6* 21.8*

* - Специальное исполнение

 



Односторонний и двухсторонний

RV_030-04.jpg

d h6 B B1 G1 L L1 f b1 t1
18 40 43 78 128 164 м6 6 20,5

 

Исполнение выходного фланца FA

RV_040-05.jpg

 

Исполнение выходного фланца FB


RV_040-06.jpg


Исполнение выходного фланца FC


RV_040-07.jpg

Исполнение выходного фланца FD


RV_040-08.jpg

 

 

 Pm  Dm E8  bm  tm 
     160      14      5      16.3
     140      11      4      12.8
     120      14      5      16.3
     105      14      5      16.3
     90      11      4      12.8

 




Реактивная штанга

RV_025-04.jpg

K1 G KG KH R
100 14 31.5 10 18



Варианты сборки (монтажные положения) UD-RV040 (NMRV 40)

 

Мотор-редукторы монтажные положения RV.jpg

С реактивной штангой

RV_025-06.jpg


С выходным фланцем

RV_025-07.jpg

С выходным валом

Монтажные положения с выходным валом



 

Замена редуктора 6МЧ, 6-ES, NMRV аналогом - приводом UD-RV.

Чтобы оценить целесообразность и выгоду замены 6МЧ, 6-ES, NMRV на редукторы UD-RV, Вам необходимо сравнить для себя следующие параметры:

  • цена,
  • качество,
  • производитель,
  • технические характеристики,
  • сроки поставки,
  • гарантийное обслуживание

Компания ООО Привод поможет Вам в анализе этих двух аналогов. Звоните нашим менеджерам по телефону: 8-800-2000-220.

Технические характеристики

Мощ­ность двигателя, кВт Час­то­та вра­ще­ния вых. вала, об/мин, n2, 1/мин Кру­тя­щий мо­ме­нт, Нм Сер­вис-­фактор fs Пе­ре­да­точ­ное чис­ло i Тип мотор-­ре­дук­то­ра Дви­га­тель IEC Ра­диаль­ная наг­руз­ка, Fr2
0.06

UDM 50A4
AIS 56A4
AИР 50А4
18.0 18 2.3 50 UD-RV040 63А6 2868
15.0 21 1.9 60 3047
11.3 24 1.4 80 3354
9.0 27 1.2 100 3490
0.09

UDM 50A2
AIS 56A2
АИР 50А2

UDM 50B4
AIS 56B4
АИР 50В4  
28.0 19 2.0 50 UD-RV040 UDM 50B4
AIS 56B4
АИР 50В4
2475
23.3 21 1.7 60 2630
17.5 25 1.3 80 2895
14.0 29 1.0 100 3118
30.0 19 2.6 30 UD-RV040 63B6 2419
22.5 24 1.9 40 2662
18.0 27 1.5 50 2868
15.0 31 1.3 60 3047
11.3 37 1.0 80 3354
9.0 41 0.8 100 3490
0.12

UDM 50B2
AIS 56B2
АИР 50В2

UDM 50A4
AIS 63A4
АИР 56А4  
46.7 17 2.6 30 UD-RV040 UDM 56A4
AIS 63A4
АИР 56А4
2087
35.0 21 1.9 40 2298
28.0 25 1.5 50 2475
23.3 28 1.3 60 2630
17.5 33 1.0 80 2895
14.0 38 0.8 100 3118
30.0 25 1.9 30 UD-RV040 63C6 2419
22.5 32 1.4 40 2662
0.18

UDM 56A2
AIS 63A2
АИР 56А2

UDM 56B4
AIS 63B4
АИР 56В4

UDM 63A6
AIS 71A6
АИР 63А6
93.3 14 2.4 30 UD-RV040 UDM 56A2
AIS 63A2
АИР 56А2
1657
70 17 1.8 40 1824
56 21 1.4 50 1964
70.0 19 2.0 20 UD-RV040 UDM 56A4
AIS 63B4
АИР 56В4
1824
56.0 23 1.7 25 1964
46.7 25 1.7 30 2087
35.0 32 1.3 40 2298
28.0 37 1.0 50 2475
23.3 42 0.8 60 2630
45.0 28 1.5 20 UD-RV040 71A6 2113
36.0 34 1.3 25 2276
30.0 38 1.3 30 2419
22.5 47 1.0 40 2662
0.25

UDM 56B4
AIS 63B2
АИР 56В2

UDM 63A4
AIS 71A4
АИР 63А4

UDM 63B6
AIS 71B6
АИР 63В6
186.7 11 3.6 7.5 UD-RV040 UDM 63A2
AIS 71A4
АИР 63А4
1315
140.0 14 2.8 10 1447
93.3 20 1.9 15 1657
70.0 26 1.5 20 1824
56.0 32 1.2 25 1964
46.7 35 1.3 30 2087
35.0 44 0.9 40 2298
120.0 17 2.6 7.5 UD-RV040 UDM 63B6
AIS 71B6
АИР 63В6
1524
90.0 22 2.0 10 1677
60.0 31 1.4 15 1920
45.0 39 1.1 20 2113
36.0 48 0.9 25 2276
30.0 53 0.9 30 2419
0.37

UDM 63A2
AIS 71A2
АИР 63А2

UDM 63B4
AIS 71B4
АИР 63В4

UDM 63A6
AIS 80A6
АИР 63А6  
373.3 8.3 3.3 7.5 UD-RV040 UDM 63A2
AIS 71A2
АИР 63А2
1044
280 11 2.6 10 1149
186.7 16 1.9 15 1315
140 20 1.4 20 1447
112 25 1.1 25 1559
186.7 16 2.4 7.5 UD-RV040 UDM 63B4
AIS 71B4
АИР 63В4
1315
140.0 21 1.9 10 1447
93.3 30 1.3 15 1657
70.0 39 1.0 20 1824
56.0 47 0.8 25 1964
46.7 52 0.8 30 2087
0.55

UDM 63B2
AIS 71B2
АИР 63В2

UDM71A4
AIS 80A4
АИР 71А4

UDM 71B6
AIS 80B6
АИР 71В6  
373.3 12 2.2 7.5 UD-RV040 UDM 63B2
AIS 71B2
АИР 63В2
1044
280 16 1.8 10 1149
186.7 24 1.3 15 1315
140.0 30 0.9 20 1447
112 37 0.8 25 1657

 

Комплектующие

1. Защитный кожух

Защитный кожух для NMRV.jpg

2. Боковой фланец

FA    Фланец FA.jpg                      FB    Фланец FB.jpg               

FС    Фланец FC.jpg                        FD     Фланец FD.jpg                 

 

3. Цельный выходной вал

выходной цельный вал двусторонний.jpg   выходной цельный вал односторонний.jpg

4. Реактивная штанга

Реактивная штанга.jpg

5. Другие комплектующие

  • Термостойкие сальники
  • Три вида смазок: для работы при низких температурах, для работы при высоких температурах и подходящая для пищевой промышленности.

Условное обозначение:

UD-RV050 условное обозначение.png

1. Модель редуктора.
2. Габарит редуктора.
3. Передаточное число (5;7,5;10;15;20;25;30;40;50;60;80;100)
4. Число оборотов выходного вала, об/мин.
5. Мощность электродвигателя, кВт.                                         
6. Наличие электромагнитного тормоза у электродвигателя,
    (Е- одинарный тормоз, ЕЕ- двойной тормоз, 
    Е(МШ)- одинарный малошумный тормоз, 
    ЕЕ(МШ)- двойной малошумный тормоз).
7. Тип фланца электродвигателя (В5;В14).
8. Фланец на выходном валу редуктора (FA;FB;FC;FD;FE).
9. Исполнение с выходным валом (SS1;SS2;DS).
10. Исполнение с реактивной штангой (А1;А2).
11. Монтажное положение (В3;В6;В7;В8;V5;V6).
12. Дополнительные опции.

 

Габаритные и присоединительные размеры

UD-RV050 (NMRV 50)

 

Мотор-редуктор RV_050-01.jpg

 PM     DME8      BM      tM
     200      19      6      21,8
     160      14      5      16,3
     140      11      4      12,8
     120      19      6      21,8
     105      14      5      16,3
     90      11      4      12,8



KM, мм      В зависимости от смонтированного электродвигателя   
АС, мм      В зависимости от смонтированного электродвигателя 
AD, мм      В зависимости от смонтированного электродвигателя 
P, мм      В зависимости от смонтированного электродвигателя 

UD-RV-E-050           

                         Мотор-редуктор RV_050-02.jpg

 

 

Исполнение выходного вала

Полый

UD-RV-050 VAL.jpg

Dh8 b t
25 8 28.3
24* 8* 27.3*

* - Специальное исполнение

Односторонний и двухсторонний

RV_050-04.jpg

d h6 B B1 G1 L L1 f b1 t1
25 50 53,5 92 153 199 м10 8 28

 

Исполнение выходного фланца FA

RV_050-05.jpg

 

Исполнение выходного фланца FB


RV_050-06.jpg


Исполнение выходного фланца FC


RV_050-07.jpg

Исполнение выходного фланца FD


RV_050-08.jpg

 

 

 

Реактивная штанга

RV_025-04.jpg

K1 G KG KH R
100 14 38.5 10 18

 

Варианты сборки (монтажные положения) UD-RV050 (NMRV 50)

 

Мотор-редукторы монтажные положения RV.jpg

С реактивной штангой

Мотор-редуктор RV_025-06.jpg


С выходным фланцем

Мотор-редуктор RV_025-07.jpg

С выходным валом

Мотор-редукторы монтажные положения RV.jpg





Замена редуктора 6МЧ, 6-ES, NMRV аналогом - приводом UD-RV.

Чтобы оценить целесообразность и выгоду замены 6МЧ, 6-ES, NMRV на редукторы UD-RV, Вам необходимо сравнить для себя следующие параметры:

  • цена,
  • качество,
  • производитель,
  • технические характеристики,
  • сроки поставки,
  • гарантийное обслуживание

Компания ООО Привод поможет Вам в анализе этих двух аналогов. Звоните нашим менеджерам по телефону: 8-800-2000-220.

 

Технические характеристики

Мощ­ность двигателя, кВт Час­то­та вра­ще­ния вых. вала, об/мин, n2, 1/мин Кру­тя­щий мо­ме­нт, Нм Сер­вис-­фактор fs Пе­ре­да­точ­ное чис­ло i Тип мотор-­ре­дук­то­ра Дви­га­тель IEC Ра­диаль­ная наг­руз­ка, Fr2
0.09

UDM 50A2
AIS 56A2
АИР 50А2

UDM 50B4
AIS 56B4
АИР 50В4  
15.0 32 2.3 60 UD-RV050 63B6 4183
11.3 37 1.8 80 4604
9.0 42 1.3 100 4840
0.12

UDM 50B2
AIS 56B2
АИР 50В2

UDM 50A4
AIS 63A4
АИР 56А4  
23.3 29 2.3 60 UD-RV050 63A4 3610
17.5 35 1.9 80 3973
14.0 39 1.4 100 4280
22.5 32 2.6 40 UD-RV050 63C6 3654
18.0 38 2.0 50 3936
15.0 42 1.7 60 4183
11.3 50 1.4 80 4604
9.0 56 1.0 100 4840
0.18

UDM 56A2
AIS 63A2
АИР 56А2

UDM 56B4
AIS 63B4
АИР 56В4

UDM 63A6
AIS 71A6
АИР 63А6
46.7 24 2.1 60 UD-RV050 UDM 56A2
AIS 63A2
АИР 56А2
2865
35 30 1.5 80 3153
28 34 1.2 110 3397
35.0 33 2.3 40 UD-RV050 UDM 56B4
AIS 63B4
АИР 56В4
 
3153
28.0 39 1.9 50 3397
23.3 44 1.6 60 3610
17.5 52 1.2 80 3973
14.0 59 0.9 100 4280
18.0 56 1.4 50 UD-RV050 UDM 63A6
AIS 71A6
АИР 63А6
3936
15.0 63 1.1 60 4183
11.3 75 0.9 80 4604
0.25

UDM 56B4
AIS 63B2
АИР 56В2

UDM 63A4
AIS 71A4
АИР 63А4

UDM 63B6
AIS 71B6
АИР 63В6
35 42 1.1 80 UD-RV050 AIS 63B2
АИР 56В2
3153
28 48 0.8 100 3397
70.0 27 2.7 20 UD-RV050 UDM 63A4
AIS 71A4
АИР 63А4
2503
56.0 32 2.2 25 2696
46.7 36 2.3 30 2865
35.0 46 1.7 40 3153
28.0 54 1.4 50 3397
23.3 60 1.1 60 3610
17.5 72 0.9 80 3973
45.0 40 1.9 20 UD-RV050 UDM 63B6
AIS 71B6
АИР 63В6
2900
36.0 48 1.5 25 3124
30.0 54 1.7 30 3320
22.5 67 1.2 40 3654
18.0 78 1.0 50 3936
15.0 88 0.8 60 4183
0.37

UDM 63A2
AIS 71A2
АИР 63А2

UDM 63B4
AIS 71B4
АИР 63В4

UDM 71A6
AIS 80A6
АИР 71А6  
112 25 2 25 UD-RV050 UDM 63A2
AIS 71A2
АИР 63А2
2140
93.3 29 2.2 30 2274
70 37 1.6 40 2503
56 44 1.2 50 2696
46.7 50 1 60 2865
35 62 0.7 80 3153
140.0 21 3.3 10 UD-RV050   UDM 63B4
AIS 71B4
АИР 63В4  
1987
93.3 31 2.4 15 2274
70.0 39 1.8 20 2503
56.0 47 1.5 25 2696
46.7 54 1.5 30 2865
35.0 68 1.1 40 3153
28.0 80 0.9 50 3397
23.3 89 0.8 60 3610
120.0 25 3.3 7.5 UD-RV050   UDM 71A6
AIS 80A6
АИР 71А6  
2091
90.0 33 2.5 10 2302
60.0 47 1.8 15 2635
45.0 59 1.3 20 2900
36.0 72 1.0 25 3124
30.0 80 1.1 30 3320
0.55

UDM 63B2
AIS 71B2
АИР 63В2

UDM71A4
AIS 80A4
АИР 71А4

UDM 71B6
AIS 80B6
АИР 71В6  
140 31 1.7 20 UD-RV050 UDM 63B2
AIS 71B2
АИР 63В2
1987
112 38 1.4 25 2140
93.3 43 1.5 30 2274
70 55 1.1 40 2503
56 65 0.8 50 2696
46.7 74 0.7 60 2865
186.7 24 2.9 7.5 UD-RV050 UDM 71A4
AIS 80A4
АИР 71A4
1805
140.0 32 2.2 10 1987
93.3 46 1.6 15 2274
70.0 59 1.2 20 2503
56.0 70 1.0 25 2696
46.7 80 1.0 30 2865
120.0 38 2.2 7.5 UD-RV050 UDM 71B6
AIS 80B6
АИР 71В6
2091
90.0 49 1.7 10 2302
60.0 69 1.2 15 2635
45.0 88 0.9 20 2900
0.75

UDM 71A2
AIS 80A2
АИР 71А2

UDM 71B4
AIS 80B4
АИР 71В4

UDM 80A6
AIS 90S6
АИР 80А6
373.3 17 3 7.5 UD-RV050 UDM 71A2
AIS 80A2
АИР 71А2
1433
280 22 2.4 10 1577
186.7 31 1.7 15 1805
140 41 1.3 20 1987
112 49 1 25 2140
93.3 56 1.1 30 2274
186.7 33 2.1 7.5 UD-RV050 UDM 71B4
AIS 80B4
АИР 71В4
1805
140.0 43 1.6 10 1987
93.3 62 1.2 15 2274
70.0 80 0.9 20 2503
1.1

UDM 71B2
AIS 80B2
АИР 71В2

UDM 80B6
AIS 90L6
АИР 80В6

UDM 80A4
AIS 90S4
АИР 80А4  
373.3 25 2.1 7.5 UD-RV050 UDM 71B2
AIS 80B2
АИР 71В2
1433
280 33 1.6 10 1577
186.7 48 1.2 15 1805
140 62 0.9 20 1987
1.5

UDM 80A2
AIS 90S2
АИР 80А2

UDM 80B4
AIS 90L4
АИР 80В4

UDM 90L6
AIS 100L6
АИР 90L6
373.3 34 1.5 7.5 UD-RV050 UDM 80A2
AIS 90S2
АИР 80А2
1433
280 45 1.2 10 1577
186.7 65 0.9 15 1805

 

 

Комплектующие

1. Защитный кожух

Защитный кожух для NMRV.jpg

2. Боковой фланец

FA    Фланец FA.jpg                      FB    Фланец FB.jpg               

FС    Фланец FC.jpg                        FD     Фланец FD.jpg                 

 

3. Цельный выходной вал

выходной цельный вал двусторонний.jpg   выходной цельный вал односторонний.jpg

4. Реактивная штанга

Реактивная штанга.jpg

5. Другие комплектующие

  • Термостойкие сальники
  • Три вида смазок: для работы при низких температурах, для работы при высоких температурах и подходящая для пищевой промышленности.

Условное обозначение:

UD-RV063 условное обозначение.png
1. Модель редуктора.
2. Габарит редуктора.
3. Передаточное число (5;7,5;10;15;20;25;30;40;50;60;80;100)
4. Число оборотов выходного вала, об/мин.
5. Мощность электродвигателя, кВт.                                         
6. Наличие электромагнитного тормоза у электродвигателя,
    (Е- одинарный тормоз, ЕЕ- двойной тормоз, 
    Е(МШ)- одинарный малошумный тормоз, 
    ЕЕ(МШ)- двойной малошумный тормоз).
7. Тип фланца электродвигателя (В5;В14).
8. Фланец на выходном валу редуктора (FA;FB;FC;FD;FE).
9. Исполнение с выходным валом (SS1;SS2;DS).
10. Исполнение с реактивной штангой (А1;А2).
11. Монтажное положение (В3;В6;В7;В8;V5;V6).
12. Дополнительные опции.

Габаритные и присоединительные размеры


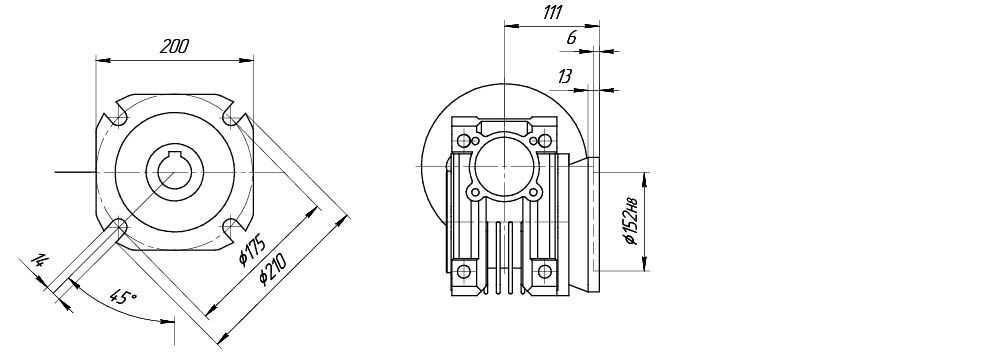
UD-RV063 (NMRV 63)

Мотор-редуктор RV_063-01.jpg

 PM     DME8      BM       tM
     200      24      8      27,3
     200      22      6      21,8
     200      19      6      21,8
     160      14      5      16,3
     140      11      4      12,8
     120      19      6      12,8
     105      14      5      16,3



KM, мм  В зависимости от смонтированного электродвигателя   
АС, мм      В зависимости от смонтированного электродвигателя 
AD, мм      В зависимости от смонтированного электродвигателя 
P, мм      В зависимости от смонтированного электродвигателя 



UD-RV-E-063                                                                                                

Мотор-редуктор RV_063-02.jpg

 

Исполнение выходного вала

Полый

UD-RV-063 VAL.jpg


Dh8 b t
25 8 28.3
24* 8* 31.3*

* - Специальное исполнение

 

Односторонний и двухсторонний

RV_030-04.jpg

d h6 B B1 G1 L L1 f b1 t1
25 50 53,5 112 173 219 м10 8 28

Исполнение выходного фланца FA

Мотор-редуктор RV_063-04.jpg

 

Исполнение выходного фланца FB


RV_063-06.jpg


Исполнение выходного фланца FC


RV_063-07.jpg


Исполнение выходного фланца FD


RV_063-08.jpg

Исполнение выходного фланца FE


RV_063-09.jpg

 

 

 

 

Реактивная штанга

RV_025-04.jpg

K1 G KG KH R
150 14 49 10 18

 

 

Варианты сборки (монтажные положения) UD-RV063 (NMRV 63)

 

Мотор-редукторы монтажные положения RV.jpg

С реактивной штангой

RV_025-06.jpg


С выходным фланцем

RV_025-07.jpg

С выходным валом

Монтажные положения с выходным валом





Замена редуктора 6МЧ, 6-ES, NMRV аналогом - приводом UD-RV.

Чтобы оценить целесообразность и выгоду замены 6МЧ, 6-ES, NMRV на редукторы UD-RV, Вам необходимо сравнить для себя следующие параметры:

  • цена,
  • качество,
  • производитель,
  • технические характеристики,
  • сроки поставки,
  • гарантийное обслуживание

Компания ООО Привод поможет Вам в анализе этих двух аналогов. Звоните нашим менеджерам по телефону: 8-800-2000-220.

 

Технические характеристики

 

Мощ­ность двигателя, кВт Час­то­та вра­ще­ния вых. вала, об/мин, n2, 1/мин Кру­тя­щий мо­ме­нт, Нм Сер­вис-­фактор fs Пе­ре­да­точ­ное чис­ло i Тип мотор-­ре­дук­то­ра Дви­га­тель IEC Ра­диаль­ная наг­руз­ка, Fr2
0.18

UDM 56A2
AIS 63A2
АИР 56А2

UDM 56B4
AIS 63B4
АИР 56В4

UDM 63A6
AIS 71A6
АИР 63А6
15.0 66 2.1 60 UD-RV063 UDM 63A6
AIS 71A6
АИР 63А6
5467
11.3 79 1.6 80 6018
9.0 90 1.4 100 6270
0.25

UDM 56B4
AIS 63B2
АИР 56В2

UDM 63A4
AIS 71A4
АИР 63А4

UDM 63B6
AIS 71B6
АИР 63В6
28.0 55 2.4 50 UD-RV063 UDM 63A4
AIS 71A4
АИР 63А4
4440
23.3 634 2.0 60 4719
17.5 76 1.6 80 5193
14.0 87 1.4 100 5595
18.0 81 1.8 50 UD-RV063 UDM 63B6
AIS 71B6
АИР 63В6
5145
15.0 92 1.5 60 5467
11.3 110 1.2 80 6018
9.0 125 1.0 100 6270
0.37

UDM 63A2
AIS 71A2
АИР 63А2

UDM 63B4
AIS 71B4
АИР 63В4

UDM 71A6
AIS 80A6
АИР 71А6  
35.0 70 2.1 40 UD-RV063 UDM 63B4
AIS 71B4
АИР 63B4
4122
28.0 82 1.6 50 4440
23.3 94 1.4 60 4719
17.5 113 1.1 80 5193
14.0 129 0.9 100 5595
45.0 60 2.4 20 UD-RV063 UDM 71A6
AIS 80A6
АИР 71А6  
3791
36.0 73 1.9 25 4084
30.0 82 2.1 30 4339
22.5 102 1.6 40 4776
18.0 120 1.2 50 5145
15.0 137 1.0 60 5467
0.55

UDM 63B2
AIS 71B2
АИР 63В2

UDM71A4
AIS 80A4
АИР 71А4

UDM 71B6
AIS 80B6
АИР 71В6  
70 56 1.9 40 UD-RV063 UDM 63B2
AIS 71B2
АИР 63В2
3272
56 68 1.5 50 3524
46.7 78 1.2 60 3745
35 96 0.9 80 4122
28 111 0.7 100 4440
70.0 60 2.2 20 UD-RV063 UDM 71A4
AIS 80A4
АИР 71А4
3272
56.0 72 1.8 25 3524
46.7 82 1.9 30 3745
35.0 104 1.4 40 4122
28.0 122 1.1 50 4440
23.3 140 0.9 60 4719
60.0 70 2.2 15 UD-RV063   UDM 71B6
AIS 80B6
АИР 71В6  
3444
45.0 90 1.6 20 3791
36.0 108 1.3 25 4084
30.0 123 1.4 30 4339
22.5 152 1.1 40 4776
0.75

UDM 71A2
AIS 80A2
АИР 71А2

UDM 71B4
AIS 80B4
АИР 71В4

UDM 80A6
AIS 90S6
АИР 80А6
140 43 2.3 20 UD-RV063 UDM 71A2
AIS 80A2
АИР 71А2
2597
112 52 1.8 25 2797
93.3 60 2 30 2973
70 77 1.4 40 3272
56 92 1.1 50 3524
46.7 106 0.9 60 3745
93.3 63 2.2 15 UD-RV063 UDM 71B4
AIS 80B4
АИР 71В4
2973
70.0 82 1.6 20 3272
56.0 98 1.3 25 3524
46.7 112 1.4 30 3745
35.0 141 1.0 40 4122
120.0 51 2.9 7.5 UD-RV063   90S6   2734
90.0 67 2.3 10 3009
60.0 96 1.6 15 3444
45.0 123 1.2 20 3791
36.0 147 0.9 25 4084
30.0 167 1.0 30 4339
1.1

UDM 71B2
AIS 80B2
АИР 71В2

UDM 80B6
AIS 90L6
АИР 80В6

UDM 80A4
AIS 90S4
АИР 80А4  
186.7 46 2.1 15 UD-RV063 UDM 71B2
AIS 80B2
АИР 71В2
2359
140 60 1.6 20 2597
112 72 1.2 25 2797
93.3 82 1.4 30 2973
70 104 1 40 3272
120.0 75 2.0 7.5 UD-RV063 UDM 80B6
AIS 90L6
АИР 80В6
2734
90.0 98 1.5 10 3009
60.0 140 1.1 15 3444
45.0 180 0.8 20 3791
186.7 50 2.6 7.5 UD-RV063 UDM 80A4
AIS 90S4
АИР 80А4
2359
140.0 65 2.0 10 2597
93.3 92 1.5 15 2973
70.0 120 1.1 20 3272
56.0 144 0.9 25 3524
46.7 164 1.0 30 3745
1.5

UDM 80A2
AIS 90S2
АИР 80А2

UDM 80B4
AIS 90L4
АИР 80В4

UDM 90L6
AIS 100L6
АИР 90L6
186.7 68 1.9 7.5 UD-RV063 UDM 80B4
AIS 90L4
АИР 80В4
2359
140.0 88 1.5 10 2597
93.3 126 1.1 15 2973
70.0 164 0.8 20 3272
373.3 35 2.7 7.5 UD-RV063 UDM 80A2
AIS 90S2
АИР 80А2
1873
280 45 2.1 10 2061
186.7 66 1.6 15 2359
140 86 1.2 20 2597
112 105 0.9 25 2797
93.3 120 1 30 2973
2.2

UDM 80B2
AIS 90L2
АИР 80B2

UDM 90L4
AIS 100LA4
АИР 90L4

UDM 100L6
AIS 112M6
АИР 100L6  
373.3 51 1.8 7.5 UD-RV063 UDM 80B2
AIS 90L2
АИР 80В2
1873
280 66 1.5 10 2061
186.7 97 1.1 15 2359
186.7 83 1.5 7.5 UD-RV063 90L4 2359
140.0 109 1.2 10 2597
93.3 156 0.9 15 2973

 

Комплектующие

1. Защитный кожух

Защитный кожух для NMRV.jpg

  • 2. Боковой фланец

    FAФланец FA.jpgFBФланец FB.jpgФланец FC.jpg

    FDФланец FD.jpgFEФланец FE.jpg

              

    3. Цельный выходной вал

    выходной цельный вал двусторонний.jpg   выходной цельный вал односторонний.jpg

    4. Реактивная штанга

    Реактивная штанга.jpg

    5. Другие комплектующие

    • Термостойкие сальники
    • Три вида смазок: для работы при низких температурах, для работы при высоких температурах и подходящая для пищевой промышленности.

Условное обозначение:

UD-RV075 условное обозначение.png
1. Модель редуктора.
2. Габарит редуктора.
3. Передаточное число (5;7,5;10;15;20;25;30;40;50;60;80;100)
4. Число оборотов выходного вала, об/мин.
5. Мощность электродвигателя, кВт.                                         
6. Наличие электромагнитного тормоза у электродвигателя,
    (Е- одинарный тормоз, ЕЕ- двойной тормоз, 
    Е(МШ)- одинарный малошумный тормоз, 
    ЕЕ(МШ)- двойной малошумный тормоз).
7. Тип фланца электродвигателя (В5;В14).
8. Фланец на выходном валу редуктора (FA;FB;FC;FD;FE).
9. Исполнение с выходным валом (SS1;SS2;DS).
10. Исполнение с реактивной штангой (А1;А2).
11. Монтажное положение (В3;В6;В7;В8;V5;V6).
12. Дополнительные опции.

Габаритные и присоединительные размеры


UD-RV075 (NMRV 75)

 

Мотор-редуктор RV_075-01.jpg


 PM     DME8      BM      tM
     250      28      8      31,3
     250      24      8      27,3
     200      22      6      21,8
     200      19      6      21,8
     160      14      5      16,3
     160      28      8      31,3
     140      24      8      27,3
     120      22      6      21,8
     120      19      6      21,8




KM, мм  В зависимости от смонтированного электродвигателя   
АС, мм      В зависимости от смонтированного электродвигателя 
AD, мм      В зависимости от смонтированного электродвигателя 
P, мм      В зависимости от смонтированного электродвигателя 

 

UD-RV-E-075                                                                                         


Мотор-редуктор RV_075-02.jpg

 

Исполнение выходного вала

Полый

UD-RV-075 VAL.jpg



Dh8 b t
28 8 31.3
35* 10* 38.3*

* - Специальное исполнение

 

Односторонний и двухсторонний

RV_030-04.jpg

d h6 B B1 G1 L L1 f b1 t1
28 60 63,5 120 192 247 м10 8 31

 

Исполнение выходного фланца FA

Мотор-редуктор RV_075-04.jpg

 

Исполнение выходного фланца FB


Мотор-редуктор RV_075-05.jpg

 

 

 

 

 

Реактивная штанга

Мотор-редуктор RV_025-04.jpg

K1 G KG KH R
200 25 47.5 20 30



Варианты сборки (монтажные положения) UD-RV075 (NMRV 75)

 

Мотор-редукторы монтажные положения RV.jpg

С реактивной штангой

Мотор-редуктор RV_025-06.jpg


С выходным фланцем

Мотор-редуктор RV_025-07.jpg

С выходным валом

Монтажные положения с выходным валом



 

 

Замена редуктора 6МЧ, 6-ES, NMRV аналогом - приводом UD-RV.

Чтобы оценить целесообразность и выгоду замены 6МЧ, 6-ES, NMRV на редукторы UD-RV, Вам необходимо сравнить для себя следующие параметры:

  • цена,
  • качество,
  • производитель,
  • технические характеристики,
  • сроки поставки,
  • гарантийное обслуживание

Компания ООО Привод поможет Вам в анализе этих двух аналогов. Звоните нашим менеджерам по телефону: 8-800-2000-220.

 

Технические характеристики

Мощ­ность двигателя, кВт Час­то­та вра­ще­ния вых. вала, об/мин, n2, 1/мин Кру­тя­щий мо­ме­нт, Нм Сер­вис-­фактор fs Пе­ре­да­точ­ное чис­ло i Тип мотор-­ре­дук­то­ра Дви­га­тель IEC Ра­диаль­ная наг­руз­ка, Fr2
0.25

UDM 56B4
AIS 63B2
АИР 56В2

UDM 63A4
AIS 71A4
АИР 63А4

UDM 63B6
AIS 71B6
АИР 63В6
17.5 80 2.3 80 UD-RV075 AIS 71A4
АИР 63А4
6130
14.0 94 1.9 100 6603
11.3 116 1.7 80 UD-RV075 UDM 63B6
AIS 71B6
АИР 63В6
7103
9.0 133 1.4 100 7380
0.37

UDM 63A2
AIS 71A2
АИР 63А2

UDM 63B4
AIS 71B4
АИР 63В4

UDM 63A6
AIS 80A6
АИР 63А6  
23.3 97 2.0 60 UD-RV075 UDM 63B4
AIS 71B4
АИР 63В4
5569
17.5 119 1.6 80 6130
14.0 139 1.3 100 6603
18.0 124 1.8 50 UD-RV075 UDM 63A6
AIS 80A6
АИР 63А6
6073
15.0 141 1.5 60 6453
11.3 172 1.2 80 7103
9.0 196 1.0 100 7380
0.55

UDM 63B2
AIS 71B2
АИР 63В2

UDM71A4
AIS 80A4
АИР 71А4

UDM 71B6
AIS 80B6
АИР 71В6  
35.0 99 1.3 80 UD-RV075 AIS 71B2
АИР 63B2
4865
35.0 108 2.0 40 UD-RV075 UDM 71A4
AIS 80A4
АИР 71А4
4865
28.0 128 1.6 50 5241
23.3 144 1.4 60 5569
17.5 177 1.1 80 6130
14.0 206 0.9 100 6603
30.0 124 2.0 30 UD-RV075 UDM 71B6
AIS 80B6
АИР 71В6
5122
22.5 156 1.5 40 5637
18.0 184 1.2 50 6073
15.0 210 1.0 60 6453
0.75

UDM 71A2
AIS 80A2
АИР 71А2

UDM 71B4
AIS 80B4
АИР 71В4

UDM 80A6
AIS 90S6
АИР 80А6
46.7 107 1.3 60 UD-RV075 AIS 80A2
АИР 71А4
4421
28 159 0.8 100 5241
56.0 101 2.0 25 UD-RV075 UDM 71B4
AIS 80B4
АИР 71В4
4160
46.7 117 2.0 30 4421
35.0 147 1.5 40 4865
28.0 174 1.2 50 5241
23.3 197 1.0 60 5569
60.0 97 5.4 15 UD-RV075 UDM 80A6
AIS 90S6
АИР 80А6
4065
45.0 124 1.9 20 4474
36.0 149 1.4 25 4820
30.0 170 1.5 30 5122
22.5 213 1.1 40 5637
1.1

UDM 71B2
AIS 80B2
АИР 71В2

UDM 80B6
AIS 90L6
АИР 80В6

UDM 80A4
AIS 90S4
АИР 80А4  
112 77 1.9 25 UD-RV075 UDM 71B2
AIS 80B2
АИР 71В2
3302
93.3 89 1.9 30 3509
70 114 1.4 40 3862
56 137 1.1 50 4160
46.7 157 0.9 60 4421
90.0 98 2.3 10 UD-RV075 UDM 80B6
AIS 90L8
АИР 80В6
3551
60.0 142 1.6 15 4065
45.0 182 1.3 20 4474
36.0 219 1.0 25 4820
30.0 249 1.0 30 5122
93.3 96 2.1 15 UD-RV075 UDM 80A4
AIS 90S4
АИР 80А4
3509
70.0 122 1.7 20 3862
56.0 148 1.3 25 4160
46.7 171 1.3 30 4421
35.0 216 1.0 40 4865
1.5

UDM 80A2
AIS 90S2
АИР 80А2

UDM 80B4
AIS 90L4
АИР 80В4

UDM 90L6
AIS 100L6
АИР 90L6
120.0 103 2.0 7.5 UD-RV075 UDM 90L6
AIS 100L6
АИР 90L6
3227
90.0 134 1.7 10 3551
60.0 193 1.2 15 4065
140.0 89 2.2 10 UD-RV075   UDM 80B4
AIS 90L4
АИР 80В4
3065
93.3 129 1.5 15 3509
70.0 166 1.3 20 3862
56.0 202 1.0 25 4160
46.7 233 1.0 30 4421
280 45 3.1 10 UD-RV075 UDM 80A2
AIS 90S2
АИР 80А2
2433
186.7 66 2.2 15 2785
140 86 1.8 20 3065
112 105 1.4 25 3302
93.3 121 1.4 30 3509
70 156 1 40 3862
56 187 0.8 50 4160
46.7 215 0.7 60 4421
2.2

UDM 80B2
AIS 90L2
АИР 80B2

UDM 90L4
AIS 100LA4
АИР 90L4

UDM 100L6
AIS 112M6
АИР 100L6  
186.7 99 1.8 7.5 UD-RV075 UDM 90L4
AIS 100LA4
АИР 90L4
2785
140.0 131 1.5 10 3065
93.3 189 1.0 15 3509
373.3 50 2.5 7.5 UD-RV075 UDM 80B2
AIS 90L2
АИР 80В2
2210
280 66 2.1 10 2433
186.7 97 1.5 15 2785
140 126 1.3 20 3065
112 154 1 25 3302
93.3 178 0.9 30 3509
3.0

UDM 90L2
AIS 100L2
АИР 90L2

UDM 100S4
AIS 100LB4
АИР 100S4

UDM 112MA6
AIS 132S6
АИР 112MA6
373.3 68 1.9 7.5 UD-RV075 AIS 100L2
АИР 90L2
2210
280 90 1.6 10 2433
186.7 135 1.4 7.5 UD-RV075 UDM 100S4
AIS 100LB4
АИР 100S4
2785
140.0 178 1.1 10 3065
93.3 258 0.8 15 3509
4.0

UDM 100S2
AIS 112M2
АИР 100S2

UDM 100L4
AIS 112M4
АИР 100L4

UDM 112MB6
AIS 132MA6
АИР 112MB6
373.3 91 1.4 10 UD-RV075 AIS 112M2
АИР 100S2
2210
280 120 1.2 7.5 2433
186.7 180 1.0 10 UD-RV075 AIS 112M4
АИР 100L4
2785
140.0 237 0.8 7.5 3065

 

 

Комплектующие

1. Защитный кожух

Защитный кожух для NMRV.jpg

2. Боковой фланец

FA    Фланец FA.jpg                      FB    Фланец FB.jpg               

 

3. Цельный выходной вал

выходной цельный вал двусторонний.jpg   выходной цельный вал односторонний.jpg

4. Реактивная штанга

Реактивная штанга.jpg

5. Другие комплектующие

  • Термостойкие сальники
  • Три вида смазок: для работы при низких температурах, для работы при высоких температурах и подходящая для пищевой промышленности.

Условное обозначение:

UD-RV090 условное обозначение.png

1. Модель редуктора.
2. Габарит редуктора.
3. Передаточное число (5;7,5;10;15;20;25;30;40;50;60;80;100)
4. Число оборотов выходного вала, об/мин.
5. Мощность электродвигателя, кВт.                                         
6. Наличие электромагнитного тормоза у электродвигателя,
    (Е- одинарный тормоз, ЕЕ- двойной тормоз, 
    Е(МШ)- одинарный малошумный тормоз, 
    ЕЕ(МШ)- двойной малошумный тормоз).
7. Тип фланца электродвигателя (В5;В14).
8. Фланец на выходном валу редуктора (FA;FB;FC;FD;FE).
9. Исполнение с выходным валом (SS1;SS2;DS).
10. Исполнение с реактивной штангой (А1;А2).
11. Монтажное положение (В3;В6;В7;В8;V5;V6).
12. Дополнительные опции.

Габаритные и присоединительные размеры


UD-RV090 (NMRV 90)

Мотор-редуктор RV_090-01.jpg



 PM     DME8      BM       tM
     250      28      8      31,3
     250      24      8      27,3
     200      22      6      21,8
     200      19      6      21,8
     160      28      8      31,3
     140      24      8      27,3
     120      22      6      21,8
     120      19      6      21,8

 

KM, мм  В зависимости от смонтированного электродвигателя   
АС, мм      В зависимости от смонтированного электродвигателя 
AD, мм      В зависимости от смонтированного электродвигателя 
P, мм      В зависимости от смонтированного электродвигателя 



UD-RV-E-090                     

                                                            Мотор-редуктор RV_090-02.jpg

 

 

Исполнение выходного вала

Полый

 

UD-RV-090 VAL.jpg

Dh8 b t
35 10 38.3
38* 10* 41.3*

* - Специальное исполнение

 

Односторонний и двухсторонний

RV_030-04.jpg

d h6 B B1 G1 L L1 f b1 t1
35 80 84,5 140 234 309 м12 10 38

Исполнение выходного фланца FA

Мотор-редуктор RV_090-04.jpg

 

 

Исполнение выходного фланца FB


Мотор-редуктор RV_090-05.jpg


Исполнение выходного фланца FC


Мотор-редуктор RV_090-06.jpg

Исполнение выходного фланца FD


Мотор-редуктор RV_090-07.jpg

 

 

 

 

Реактивная штанга

RV_025-04.jpg

K1 G KG KH R
200 25 57.5 20 30

 

Варианты сборки (монтажные положения) UD-RV090 (NMRV 90)

 

RV_025-05.jpg

С реактивной штангой

Мотор-редуктор RV_025-06.jpg


 

С выходным фланцем

Мотор-редуктор RV_025-07.jpg

С выходным валом

Монтажные положения с выходным валом



 

Замена редуктора 6МЧ, 6-ES, NMRV аналогом - приводом UD-RV.

Чтобы оценить целесообразность и выгоду замены 6МЧ, 6-ES, NMRV на редукторы UD-RV, Вам необходимо сравнить для себя следующие параметры:

  • цена,
  • качество,
  • производитель,
  • технические характеристики,
  • сроки поставки,
  • гарантийное обслуживание

Компания ООО Привод поможет Вам в анализе этих двух аналогов. Звоните нашим менеджерам по телефону: 8-800-2000-220.

 

Технические характеристики

Мощ­ность двигателя, кВт Час­то­та вра­ще­ния вых. вала, об/мин, n2, 1/мин Кру­тя­щий мо­ме­нт, Нм Сер­вис-­фактор fs Пе­ре­да­точ­ное чис­ло i Тип мотор-­ре­дук­то­ра Дви­га­тель IEC Ра­диаль­ная наг­руз­ка, Fr2
0.37

UDM 63A2
AIS 71A2
АИР 63А2

UDM 63B4
AIS 71B4
АИР 63В4

UDM 63A6
AIS 80A6
АИР 63А6  
11.3 184 1.7 80 UD-RV090 AIS 80A6
АИР 63А6
7859
9.0 212 1.3 100 8180
0.55

UDM 63B2
AIS 71B2
АИР 63В2

UDM71A4
AIS 80A4
АИР 71А4

UDM 71B6
AIS 80B6
АИР 71В6  
17.5 189 1.5 80 UD-RV090 AIS 80A4
АИР 71А4
6783
14.0 221 1.2 100 7306
18.0 196 2.0 50 UD-RV090 UDM 71B6
AIS 80B6
АИР 71В6
6719
15.0 224 1.6 60 7140
11.3 274 1.1 80 7859
9.0 315 0.9 100 8180
0.75

UDM 71A2
AIS 80A2
АИР 71А2

UDM 71B4
AIS 80B4
АИР 71В4

UDM 80A6
AIS 90S6
АИР 80А6
35 143 1.6 80 UD-RV090 AIS 80A2
АИР 71А2
5383
28 169 1.2 100 5799
28.0 182 1.8 50 UD-RV090 UDM 71B4
AIS 80B4
АИР 71В4
5799
23.3 209 1.5 60 6163
17.5 258 1.1 80 6783
14.0 302 0.9 100 7306
30.0 179 2.6 30 UD-RV090 UDM 80A6
AIS 90S6
АИР 80А6
5667
22.5 226 1.8 40 6238
18.0 267 1.4 50 6719
15.0 306 1.1 60 7140
1.1

UDM 71B2
AIS 80B2
АИР 71В2

UDM 80B6
AIS 90L6
АИР 80В6

UDM 80A4
AIS 90S4
АИР 80А4  
35 210 1.1 80 UD-RV090 AIS 80B2
АИР 71В2
5383
28 248 0.8 100 5799
36.0 228 1.6 25 UD-RV090 UDM 71A4
AIS 90L6
АИР 80В6
5333
30.0 263 1.8 30 5667
22.5 331 1.2 40 6238
18.0 391 1.0 50 6719
15.0 448 0.8 60 7140
35.0 222 1.6 40 UD-RV090 UDM 80A4
AIS 90S4
АИР 80А4
5383
28.0 266 1.3 50 5799
23.3 307 1.0 60 6163
1.5

UDM 80A2
AIS 90S2
АИР 80А2

UDM 80B4
AIS 90L4
АИР 80В4

UDM 90L6
AIS 100L6
АИР 90L6
90.0 137 2.7 10 UD-RV090 UDM 90L6
AIS 100L6
АИР 90L6
3929
60.0 198 2.1 15 4498
45.0 258 1.5 20 4951
36.0 310 1.2 25 5333
30.0 358 1.3 30 5667
70.0 170 2.1 20 UD-RV090 UDM 80B4
AIS 90L4
АИР 80В4
4273
56.0 207 1.6 25 4603
46.7 239 1.7 30 4891
35.0 303 1.2 40 5383
28.0 363 0.9 50 5799
23.3 418 0.8 60 6163
56 197 1.4 50 UD-RV090 AIS 90S2
АИР 80А2
4603
46.7 227 1.1 60 4891
2.2

UDM 80B2
AIS 90L2
АИР 80B2

UDM 90L4
AIS 100LA4
АИР 90L4

UDM 100L6
AIS 112M6
АИР 100L6  
186.7 100 2.9 7.5 UD-RV090 UDM 90L4
AIS 100LA4
АИР 90L4
3081
140.0 132 2.3 10 3391
93.3 191 1.9 15 3882
70.0 249 1.4 20 4273
56.0 304 1.1 25 4603
46.7 351 1.2 30 4891
120.0 154 2.2 7.5 UD-RV090 UDM 100L6
AIS 112M6
АИР 100L6
3570
90.0 201 1.8 10 3929
60.0 291 1.4 15 4498
45.0 378 1.0 20 4951
140 129 2 20 UD-RV090 UDM 80B2
AIS 90L2
АИР 80В2
3391
112 159 1.6 25 3653
93.3 185 1.7 30 3882
70 237 1.2 40 4273
56 289 0.9 50 4603
3.0

UDM 90L2
AIS 100L2
АИР 90L2

UDM 100S4
AIS 100LB4
АИР 100S4

UDM 112MA6
AIS 132S6
АИР 112MA6
373.3 70 3 7.5 UD-RV090 AIS 100L2
АИР 90L2
2446
280 92 2.6 10 2692
186.7 137 2.1 7.5 UD-RV090 UDM 100S4
AIS 100LB4
АИР 100S4
3081
140.0 180 1.7 10 3391
93.3 261 1.4 15 3882
70.0 340 1.0 20 4273
56.0 414 0.8 25 4603
46.7 479 0.9 30 4891
4.0

UDM 100S2
AIS 112M2
АИР 100S2

UDM 100L4
AIS 112M4
АИР 100L4

UDM 112MB6
AIS 132MA6
АИР 112MB6
373.3 93 2.2 10 UD-RV090 AIS 112M2
АИР 100S2
2446
280 123 1.9 7.5 2692
186.7 182 1.6 7.5 UD-RV090 UDM 100L4
AIS 112M4
АИР 100L4
3081
140.0 240 1.3 10 3391
93.3 348 1.0 15 3882
70.0 453 0.8 20 4273

 

 

Комплектующие

1. Защитный кожух

Защитный кожух для NMRV.jpg

2. Боковой фланец

FA    Фланец FA.jpg                      FB    Фланец FB.jpg               

FС    Фланец FC.jpg                        FD     Фланец FD.jpg                 

 

3. Цельный выходной вал

выходной цельный вал двусторонний.jpg   выходной цельный вал односторонний.jpg

4. Реактивная штанга

Реактивная штанга.jpg

5. Другие комплектующие

  • Термостойкие сальники
  • Три вида смазок: для работы при низких температурах, для работы при высоких температурах и подходящая для пищевой промышленности.

Условное обозначение:

UD-RV110 условное обозначение.png

1. Модель редуктора.
2. Габарит редуктора.
3. Передаточное число (5;7,5;10;15;20;25;30;40;50;60;80;100)
4. Число оборотов выходного вала, об/мин.
5. Мощность электродвигателя, кВт.                                         
6. Наличие электромагнитного тормоза у электродвигателя,
    (Е- одинарный тормоз, ЕЕ- двойной тормоз, 
    Е(МШ)- одинарный малошумный тормоз, 
    ЕЕ(МШ)- двойной малошумный тормоз).
7. Тип фланца электродвигателя (В5;В14).
8. Фланец на выходном валу редуктора (FA;FB;FC;FD;FE).
9. Исполнение с выходным валом (SS1;SS2;DS).
10. Исполнение с реактивной штангой (А1;А2).
11. Монтажное положение (В3;В6;В7;В8;V5;V6).
12. Дополнительные опции.

Габаритные и присоединительные размеры


UD-RV110 (NMRV 110) 

Мотор-редуктор RV_110-01.jpg


 PM     DME8      BM       tM
     350      38      10      41,3
     300      32      10      35,3
     250      28      8      31,3
     250      24      8      27,3
     200      22      6      21,8
     160      28      8      31,3
     140      24      8      27,3
     140      22      6      21,8

 

KM, мм      В зависимости от смонтированного электродвигателя   
АС, мм      В зависимости от смонтированного электродвигателя 
AD, мм      В зависимости от смонтированного электродвигателя 
P, мм      В зависимости от смонтированного электродвигателя 

 

UD-RV-E-110    


Мотор-редуктор RV_110-02.jpg

 

Исполнение выходного вала

Полый

UD-RV-110 VAL.jpg

 

Односторонний и двухсторонний

RV_030-04.jpg

d h6 B B1 G1 L L1 f b1 t1
42 80 84,5 155 249 324 м16 12 45

Исполнение выходного фланца FA

Мотор-редуктор RV_110-04.jpg

 

Исполнение выходного фланца FB


RV_110-05.jpg

Реактивная штанга

RV_025-04.jpg

K1 G KG KH R
250 30 62 25 35

 

Варианты сборки (монтажные положения) UD-RV110 (NMRV 110)

 

Мотор-редукторы монтажные положения RV.jpg

С реактивной штангой

Мотор-редуктор RV_025-06.jpg


С выходным фланцем

Мотор-редуктор RV_025-07.jpg

С выходным валом

Монтажные положения с выходным валом

 


Замена редуктора 6МЧ, 6-ES, NMRV аналогом - приводом UD-RV.

Чтобы оценить целесообразность и выгоду замены 6МЧ, 6-ES, NMRV на редукторы UD-RV, Вам необходимо сравнить для себя следующие параметры:

  • цена,
  • качество,
  • производитель,
  • технические характеристики,
  • сроки поставки,
  • гарантийное обслуживание

Компания ООО Привод поможет Вам в анализе этих двух аналогов. Звоните нашим менеджерам по телефону: 8-800-2000-220.

 

Технические характеристики

Мощ­ность двигателя, кВт Час­то­та вра­ще­ния вых. вала, об/мин, n2, 1/мин Кру­тя­щий мо­ме­нт, Нм Сер­вис-­фактор fs Пе­ре­да­точ­ное чис­ло i Тип мотор-­ре­дук­то­ра Дви­га­тель IEC Ра­диаль­ная наг­руз­ка, Fr2
0.55

UDM 63B2
AIS 71B2
АИР 63В2

UDM71A4
AIS 80A4
АИР 71А4

UDM 71B6
AIS 80B6
АИР 71В6  
17.5 201 2.6 80 UD-RV110 AIS 80A4
АИР 71А4
8571
14.0 236 2.0 100 9232
11.3 293 1.9 80 UD-RV110 AIS 80B6
АИР 71В6
9931
9.0 344 1.5 100 10320
0.75

UDM 71A2
AIS 80A2
АИР 71А2

UDM 71B4
AIS 80B4
АИР 71В4

UDM 80A6
AIS 90S6
АИР 80А6
17.5 274 1.9 80 UD-RV110 AIS 80B4
АИР 71В4
8571
14.0 322 1.5 100 9232
15.0 325 2.1 60 UD-RV110 UDM 80A6
AIS 90S6
АИР 80А6
9023
11.3 399 1.4 80 9931
9.0 470 1.1 100 10320
1.1

UDM 71B2
AIS 80B2
АИР 71В2

UDM 80B6
AIS 90L6
АИР 80В6

UDM 80A4
AIS 90S4
АИР 80А4  
22.5 345 2.3 40 UD-RV110 UDM 80B6
AIS 90L6
АИР 80В6
7882
18.0 414 1.8 50 8491
15.0 476 1.4 60 9023
11.3 586 1.0 80 9931
28.0 278 2.3 50 UD-RV110 UDM 80A4
AIS 90S4
АИР 80А4
7328
23.3 325 1.9 60 7787
17.5 402 1.3 80 8571
14.0 473 1.0 100 9232
1.5

UDM 80A2
AIS 90S2
АИР 80А2

UDM 80B4
AIS 90L4
АИР 80В4

UDM 90L6
AIS 100L6
АИР 90L6
45.0 264 2.7 20 UD-RV110 UDM 90L6
AIS 100L6
АИР 90L6
6256
36.0 322 2.4 25 6739
30.0 363 2.3 30 7161
22.5 471 1.7 40 7882
18.0 565 1.3 50 8491
15.0 649 1.1 60 9023
35.0 315 2.2 40 UD-RV110 UDM 80B4
AIS 90L4
АИР 80В4
6803
28.0 379 1.7 50 7328
23.3 443 1.4 60 7787
17.5 548 0.9 80 8571
46.7 236 2 60 UD-RV110 UDM 80A2
AIS 90S2
АИР 80А2
6181
35 299 1.3 80 6803
28 358 1 100 7328
2.2

UDM 80B2
AIS 90L2
АИР 80B2

UDM 90L4
AIS 100LA4
АИР 90L4

UDM 100L6
AIS 112M6
АИР 100L6  
70.0 255 2.5 20 UD-RV110 UDM 90L4
AIS 100LA4
АИР 90L4
5399
56.0 311 2.2 25 5816
46.7 355 2.0 30 6181
35.0 462 1.5 40 6803
28.0 555 1.2 50 7328
23.3 649 1.0 60 7787
90.0 203 3.5 10 UD-RV110 UDM 100L6
AIS 112M6
АИР 100L6
4965
60.0 294 2.6 15 5684
45.0 388 1.9 20 6256
36.0 473 1.6 25 6739
30.0 532 1.6 30 7161
112 161 3.1 25 UD-RV110 UDM 80B2
AIS 90L2
АИР 80В2
4616
93.3 187 3 30 4905
70 243 2.1 40 5399
56 296 1.7 50 5816
46.7 346 1.4 60 6181
3.0

UDM 90L2
AIS 100L2
АИР 90L2

UDM 100S4
AIS 100LB4
АИР 100S4

UDM 112MA6
AIS 132S6
АИР 112MA6
93.3 264 2.5 15 UD-RV110 UDM 100S4
AIS 100LB4
АИР 100S4
4905
70.0 348 1.9 20 5399
56.0 425 1.6 25 5816
46.7 485 1.5 30 6181
35.0 630 1.1 40 6803
28.0 757 0.9 50 7328
120.0 210 3.1 7.5 UD-RV110 UDM 112MA6
AIS 132S6
АИР 112МА6
4511
90.0 277 2.5 10 4965
60.0 401 1.9 15 5684
45.0 528 1.4 20 6256
4.0

UDM 100S2
AIS 112M2
АИР 100S2

UDM 100L4
AIS 112M4
АИР 100L4

UDM 112MB6
AIS 132MA6
АИР 112MB6
140.0 240 2.5 10 UD-RV110 UDM 100L4
AIS 112M4
АИР 100L4
4285
93.3 352 1.9 15 4905
70.0 464 1.4 20 5399
56.0 566 1.2 25 5816
46.7 646 1.1 30 6181
120.0 280 2.3 7.5 UD-RV110 UDM 112MB6
AIS 132MA6
АИР 112МВ6
4511
90.0 369 1.9 10 4965
60.0 535 1.4 15 5684
5.5

UDM 112M4
AIS 132S4
АИР 112М4
186.7 250 2.2 7.5 UD-RV110 UDM 112M4
AIS 132S4
АИР 112М4
3893
140.0 330 1.8 10 4285
93.3 484 1.4 15 4905
70.0 638 1.0 20 5399
7.5

UDM 132S4
AIS 132M4
АИР 132S4
186.7 341 1.6 7.5 UD-RV110 UDM 132S4
AIS 132M4
АИР 132S4
3893
140.0 450 1.3 10 4285
93.3 660 1.0 15 4905

 

 

Комплектующие

1. Защитный кожух

Защитный кожух для NMRV.jpg

2. Боковой фланец

FA    Фланец FA.jpg                      FB    Фланец FB.jpg               

 

3. Цельный выходной вал

выходной цельный вал двусторонний.jpg   выходной цельный вал односторонний.jpg

4. Реактивная штанга

Реактивная штанга.jpg

5. Другие комплектующие

  • Термостойкие сальники
  • Три вида смазок: для работы при низких температурах, для работы при высоких температурах и подходящая для пищевой промышленности.

Условное обозначение:

UD-RV130 условное обозначение.png

1. Модель редуктора.
2. Габарит редуктора.
3. Передаточное число (5;7,5;10;15;20;25;30;40;50;60;80;100)
4. Число оборотов выходного вала, об/мин.
5. Мощность электродвигателя, кВт.                                         
6. Наличие электромагнитного тормоза у электродвигателя,
    (Е- одинарный тормоз, ЕЕ- двойной тормоз, 
    Е(МШ)- одинарный малошумный тормоз, 
    ЕЕ(МШ)- двойной малошумный тормоз).
7. Тип фланца электродвигателя (В5;В14).
8. Фланец на выходном валу редуктора (FA;FB;FC;FD;FE).
9. Исполнение с выходным валом (SS1;SS2;DS).
10. Исполнение с реактивной штангой (А1;А2).
11. Монтажное положение (В3;В6;В7;В8;V5;V6).
12. Дополнительные опции.

Габаритные и присоединительные размеры


UD-RV130 (NMRV 130)


Мотор-редуктор RV_130-01.jpg


 PM     DME8      BM       tM
     350      38      10      41,3
     300      32      10      35,3
     250      28      8      31,3
     250      24      8      27,3
     200      22      6      21,8
     160      28      8      31,3
     140      24      8      27,3



KM, мм  В зависимости от смонтированного электродвигателя   
АС, мм      В зависимости от смонтированного электродвигателя 
AD, мм      В зависимости от смонтированного электродвигателя 
P, мм      В зависимости от смонтированного электродвигателя 

 

UD-RV-E-130    


Мотор-редуктор RV_130-02.jpg

 

Выходные валы

Цельный и полый вал

UD-RV-130 VAL.jpg

 

 

Односторонний и двухсторонний

RV_130-04.jpg

d h6 B B1 G1 L L1 f b1 t1
45 80 85 170 265 340 м16 14 48,5

Исполнение выходного фланца FA

RV_130-05.jpg

 

 

 

Реактивная штанга

K1 G KG KH R
250 30 69 25 35

 

Варианты сборки (монтажные положения) UD-RV130 (NMRV 130)

 

Мотор-редукторы монтажные положения RV.jpg

С реактивной штангой

Мотор-редуктор RV_025-06.jpg


С выходным фланцем

Мотор-редуктор RV_025-07.jpg

С выходным валом

Монтажные положения с выходным валом


 

Замена редуктора 6МЧ, 6-ES, NMRV аналогом - приводом UD-RV.

Чтобы оценить целесообразность и выгоду замены 6МЧ, 6-ES, NMRV на редукторы UD-RV, Вам необходимо сравнить для себя следующие параметры:

  • цена,
  • качество,
  • производитель,
  • технические характеристики,
  • сроки поставки,
  • гарантийное обслуживание

Компания ООО Привод поможет Вам в анализе этих двух аналогов. Звоните нашим менеджерам по телефону: 8-800-2000-220.

 

Технические характеристики

Мощ­ность двигателя, кВт Час­то­та вра­ще­ния вых. вала, об/мин, n2, 1/мин Кру­тя­щий мо­ме­нт, Нм Сер­вис-­фактор fs Пе­ре­да­точ­ное чис­ло i Тип мотор-­ре­дук­то­ра Дви­га­тель IEC Ра­диаль­ная наг­руз­ка, Fr2
0.75

UDM 71A2
AIS 80A2
АИР 71А2

UDM 71B4
AIS 80B4
АИР 71В4

UDM 80A6
AIS 90S6
АИР 80А6
11.3 399 2.1 80 UD-RV130 90S6 12989
9.0 470 1.7 100 13500
1.1

UDM 71B2
AIS 80B2
АИР 71В2

UDM 80B6
AIS 90L6
АИР 80В6

UDM 80A4
AIS 90S4
АИР 80А4  
11.3 586 1.4 80 UD-RV130 AIS 90L6
АИР 80В6
12989
9.0 689 1.1 100 13500
17.5 408 2.1 80 UD-RV130 AIS 90L4
АИР 80В4
11210
14.0 480 1.5 100 12076
1.5

UDM 80A2
AIS 90S2
АИР 80А2

UDM 80B4
AIS 90L4
АИР 80В4

UDM 90L6
AIS 100L6
АИР 90L6
22.5 471 2.3 40 UD-RV130 UDM 90L6
AIS 100L6
АИР 90L6
10309
18.0 565 1.8 50 11105
15.0 659 1.4 60 11801
11.3 799 1.1 80 12989
17.5 557 1.5 80 UD-RV130 AIS 90L4
АИР 80В4
11210
14.0 655 1.1 100 12076
2.2

UDM 80B2
AIS 90L2
АИР 80B2

UDM 90L4
AIS 100LA4
АИР 90L4

UDM 100L6
AIS 112M6
АИР 100L6  
35.0 468 2.2 40 UD-RV130   UDM 90L4
AIS 100LA4
АИР 90L4
8897
28.0 563 1.7 50 9584
23.3 648 1.4 60 10185
17.5 816 1.0 80 11210
36.0 473 2.2 25 UD-RV130 UDM 100L6
AIS 112M6
АИР 100L6
8814
30.0 539 2.1 30 9366
22.5 691 1.6 40 10309
18.0 829 1.2 50 11105
15.0 966 1.0 60 11801
35 444 1.3 80 UD-RV130 UDM 80B2
AIS 90L2
АИР 80В2
8897
28 525 1 100 9584
3.0

UDM 90L2
AIS 100L2
АИР 90L2

UDM 100S4
AIS 100LB4
АИР 100S4

UDM 112MA6
AIS 132S6
АИР 112MA6
56.0 430 2.2 25 UD-RV130 UDM 100S4
AIS 100LB4
АИР 100S4
7607
46.7 491 2.1 30 8084
35.0 638 1.6 40 8897
28.0 767 1.3 50 9584
23.3 898 1.0 60 10185
17.5 1113 0.8 80 11210
60.0 406 3.4 15 UD-RV130   UDM 112MA6
AIS 132S6
АИР 112МА6
6494
45.0 528 2.6 20 7434
36.0 645 1.9 25 8182
30.0 735 1.6 30 8814
22.5 942 1.6 40 9366
18 1193 1.2 50 10309
4.0

UDM 100S2
AIS 112M2
АИР 100S2

UDM 100L4
AIS 112M4
АИР 100L4

UDM 112MB6
AIS 132MA6
АИР 112MB6
56.0 573 1.6 25 UD-RV130 UDM 100L4
AIS 112M4
АИР 100L4
7607
46.7 654 1.6 30 8084
35.0 851 1.2 40 8897
28.0 1023 1.0 50 9584
23.3 1197 0.8 60 10185
120.0 283 3.1 7.5 UD-RV130 UDM 112MB6
AIS 132MA6
АИР 112МВ6
5901
90.0 369 2.6 10 6494
60.0 541 2.0 15 7434
45.0 705 1.5 20 8182
36.0 860 1.2 25 8814
5.5

UDM 112M4
AIS 132S4
АИР 112М4
140.0 334 2.5 10 UD-RV130 UDM 112M4
AIS 132S4
АИР 112М4
5605
93.3 490 1.9 15 6416
70.0 638 1.4 20 7062
56.0 788 1.2 25 7607
46.7 900 1.2 30 8084
35.0 1171 0.9 40 8897
7.5

UDM 132S4
AIS 132M4
АИР 132S4
186.7 345 2.1 7.5 UD-RV130 UDM 132S4
AIS 132M4
АИР 132S4
5092
140.0 455 1.8 10 5605
93.3 668 1.4 15 6416
70.0 880 1.0 20 7062
56.0 1074 0.9 25 7607
46.7 1227 0.8 30 8084
35.0 1596 0.7 40 8897

 

 

Комплектующие

1. Защитный кожух

Защитный кожух для NMRV.jpg

2. Боковой фланец

FA                                         

Фланец FA.jpg     

FB

Фланец FB.jpg

3. Цельный выходной вал    

выходной цельный вал односторонний.jpg

4. Реактивная штанга

Реактивная штанга.jpg

5. Другие комплектующие

  • Термостойкие сальники
  • Три вида смазок: для работы при низких температурах, для работы при высоких температурах и подходящая для пищевой промышленности.

Условное обозначение:

UD-RV150 условное обозначение.png

1. Модель редуктора.
2. Габарит редуктора.
3. Передаточное число (5;7,5;10;15;20;25;30;40;50;60;80;100)
4. Число оборотов выходного вала, об/мин.
5. Мощность электродвигателя, кВт.                                         
6. Наличие электромагнитного тормоза у электродвигателя,
    (Е- одинарный тормоз, ЕЕ- двойной тормоз, 
    Е(МШ)- одинарный малошумный тормоз, 
    ЕЕ(МШ)- двойной малошумный тормоз).
7. Тип фланца электродвигателя (В5;В14).
8. Фланец на выходном валу редуктора (FA;FB;FC;FD;FE).
9. Исполнение с выходным валом (SS1;SS2;DS).
10. Исполнение с реактивной штангой (А1;А2).
11. Монтажное положение (В3;В6;В7;В8;V5;V6).
12. Дополнительные опции.

 

Габаритные и присоединительные размеры

UD-RV150 (NMRV 150)

 

Мотор-редуктор RV_150-01.jpg


 PM     DME8      BM       tM
     250      38      10      41,3
     300      32      8      35,3
     250      38      8      31,3



KM, мм  В зависимости от смонтированного электродвигателя   
АС, мм      В зависимости от смонтированного электродвигателя 
AD, мм      В зависимости от смонтированного электродвигателя 
P, мм      В зависимости от смонтированного электродвигателя 

 

UD-RV-E-150    


Мотор-редуктор RV_150-02.jpg

 

Выходные валы

Цельный и полый вал

UD-RV-150 VAL.jpg

 

 

Односторонний и двухсторонний

RV_150-04.jpg

d h6 B B1 G1 L L1 f b1 t1
50 82 87 200 297 374 м16 14 53,5

Исполнение выходного фланца FA

RV_150-05.jpg

 

 

Реактивная штанга

RV_025-04.jpg

K1 G KG KH R
250 30 84 25 35

 

Варианты сборки (монтажные положения) UD-RV150 (NMRV 150)

 

Мотор-редукторы монтажные положения RV.jpg

С реактивной штангой

Мотор-редуктор RV_025-06.jpg


С выходным фланцем

Мотор-редуктор RV_025-07.jpg

С выходным валом

Монтажные положения с выходным валом

 

Замена редуктора 6МЧ, 6-ES, NMRV аналогом - приводом UD-RV.

Чтобы оценить целесообразность и выгоду замены 6МЧ, 6-ES, NMRV на редукторы UD-RV, Вам необходимо сравнить для себя следующие параметры:

  • цена,
  • качество,
  • производитель,
  • технические характеристики,
  • сроки поставки,
  • гарантийное обслуживание

Компания ООО Привод поможет Вам в анализе этих двух аналогов. Звоните нашим менеджерам по телефону: 8-800-2000-220.

 

Технические характеристики

Мощ­ность двигателя, кВт Час­то­та вра­ще­ния вых. вала, об/мин, n2, 1/мин Кру­тя­щий мо­ме­нт, Нм Сер­вис-­фактор fs Пе­ре­да­точ­ное чис­ло i Тип мотор-­ре­дук­то­ра Дви­га­тель IEC Ра­диаль­ная наг­руз­ка, Fr2
2.2

UDM 80B2
AIS 90L2
АИР 80B2

UDM 90L4
AIS 100LA4
АИР 90L4

UDM 100L6
AIS 112M6
АИР 100L6  
28.0 570 2.5 50 UD-RV150 UDM 90L4
AIS 100LA4
АИР 90L4
13103
23.3 657 1.9 60 13924
17.5 816 1.4 80 15325
14.0 960 1.0 100 16508
3.0

UDM 90L2
AIS 100L2
АИР 90L2

UDM 100S4
AIS 100LB4
АИР 100S4

UDM 112MA6
AIS 132S6
АИР 112MA6
28.0 778 1.8 50 UD-RV150 UDM 100S4
AIS 100LB4
АИР 100S4
13103
23.3 896 1.4 60 13924
17.5 1113 1.0 80 15325
14.0 1310 0.8 100 16508
4.0

UDM 100S2
AIS 112M2
АИР 100S2

UDM 100L4
AIS 112M4
АИР 100L4

UDM 112MB6
AIS 132MA6
АИР 112MB6
28.0 1037 1.4 50 UD-RV150 UDM 100L4
AIS 112M4
АИР 100L4
13103
23.3 1195 1.1 60 13924
17.5 1484 0.8 80 15325
5.5

UDM 112M4
AIS 132S4
АИР 112М4
70.0 645 2.0 20 UD-RV150 UDM 112M4
AIS 132S4
АИР 112М4
9654
56.0 788 1.5 25 10400
46.7 934 1.3 30 11051
35.0 1171 1.3 40 12163
28.0 1426 1.0 50 13103
23.3 1643 0.8 60 13924
7.5

UDM 132S4
AIS 132M4
АИР 132S4
70.0 880 1.5 20 UD-RV150 UDM 132S4
AIS 132M4
АИР 132S4
9654
56.0 1074 1.1 25 10400
46.7 1274 0.9 30 11051
35.0 1596 1.0 40 12163
11

UDM 132M4
AIS160M4
АИР 132M4
186.7 512 2.3 8 UD-RV150 UDM 132M4
AIS 160M4
АИР 132M4
6962
140.0 675 1.8 10 7663
93.3 990 1.3 15 8771
70.0 1291 1.0 20 9654
56.0 1576 0.8 25 10400
15

UDM 160S4
AIS 160L4K
АИР 160S4
186.7 698 1.7 8 UD-RV150 UDM 160M4
AIS 160L4K
АИР 160M4
6962
140.0 921 1.3 10 7663
93.3 1351 0.9 15 8771
70.0 1760 0.7 20 9654

 

 

Комплектующие

1. Защитный кожух

Защитный кожух для NMRV.jpg

2. Боковой фланец

FA    Фланец FA.jpg                

3. Цельный выходной вал

выходной цельный вал двусторонний.jpg   выходной цельный вал односторонний.jpg

4. Реактивная штанга

Реактивная штанга.jpg

5. Другие комплектующие

  • Термостойкие сальники
  • Три вида смазок: для работы при низких температурах, для работы при высоких температурах и подходящая для пищевой промышленности.