Назначение: Мотор-редукторы цилиндрические двух-,трехступенчатые с эвольвентными шлифованными зубчатыми передачами серии 7МЦ2(3)вк предназначены для изменения крутящих моментов и уменьшения чисел оборотов в приводах различных машин и механизмов, работающих в повторно-кратковременном режиме. Мотор-редукторы серии 7МЦ2(3)вк изготавливаются с твердыми цементованными шлифованными зубчатыми парами. Это обеспечивает повышенную нагрузочную способность и снижение шумовых характеристик.
Мотор-редукторы изготавливаются с резиновыми уплотнениями фирмы Simrit, по отдельному заказу могут комплектоваться импортными подшипниками качения фирм SKF, FAG.
Номинальный крутящий момент на тихоходном валу приведен в таблицах с учетом выбора типоразмера редуктора с использованием эксплуатационного коэффициента Kf (сервис-фактора) (см. раздел “Методика выбора редуктора с учетом эксплуатационного коэффициента”).
Допускаемое отклонение частоты вращения выходного вала от номинального значения составляет не более 4 %.
Условия эксплуатации:
- работа в повторно-кратковременных режимах, т. е. при переменных нагрузках с
периодическими остановками, нагрузка одного направления и реверсивная;
- вращение валов в любую сторону;
- неагрессивная среда, атмосфера типов I и II по ГОСТ 15150 при запыленности воздуха не более 10 мг/м3;
- климатические исполнения - У1, У2, УЗ, УХЛ-4, Т1, Т2, ТЗ и О4 по ГОСТ 15150.
Пример условного обозначения при заказе:
7МЦ2-301-53-7,5-У1, 380В, где: мотор-редуктор (М) этапа модернизации (7), цилиндрический (Ц); двухступенчатый (2); с межосевым расстоянием 301 мм; с номинальной частотой вращения выходного вала 53 об/мин; мощностью электродвигателя 7,5 кВт; климатическим исполнением У и категорией размещения 1 по ГОСТ 15150; номинальным напряжением сети переменного тока 380В.
Пример условного обозначения при заказе:
7МЦ3-412-15-11,0-У2, 380В, где: мотор-редуктор (М) этапа модернизации (7), цилиндрический (Ц); трехступенчатый (3); с межосевым расстоянием 412 мм; с номинальной частотой вращения выходного вала 15 об/мин; мощностью электродвигателя 11 кВт; климатическим исполнением У и категорией размещения 2 по ГОСТ 15150; номинальным напряжением сети переменного тока 380В.
Технические характеристики
Типоразмер |
Номинальный крутящий момент на тихоходном Тf |
Мощность электродвигателя, кВт |
Номинальная частота вращения выходного вала, об/мин |
Масса, кг |
|
7МЦ2вк-301 |
4300 |
5,5 |
26 |
260 |
|
7,5 |
26; 29; 53 |
260 |
|||
9,2 |
26; 29; 36 |
260 |
|||
11,0 |
29; 36; 42 |
270 |
|||
15,0 |
29; 36; 42; 59 |
280 |
|||
18,0 |
36; 42; 59; 82; 96; 126; 251 |
340 |
|||
22,0 |
36; 42; 59; 82; 96; 126; 251 |
350 |
|||
30,0 |
42; 59; 82; 96; 126; 251; 387 |
400 |
|||
7МЦ3вк-301 |
5,5 |
7,7; 9,2; 11,1; 16,3; |
240 |
||
7,5 |
11,1; 16,3; 22,0; 27,0 |
260 |
|||
9,2 |
16,3; 22,0; 27,0 |
260 |
|||
11,0 |
16,3; 22,0; 27,0 |
270 |
|||
15,0 |
22,0; 27,0 |
280 |
|||
18,0 |
28 |
340 |
|||
22,0 |
28 |
350 |
|||
7МЦ2вк-351 |
9000 |
7,5 |
23 |
340 |
|
9,2 |
23; 27 |
340 |
|||
11,0 |
23; 27 |
360 |
|||
15,0 |
23; 27; 32 |
370 |
|||
18,5 |
27; 32 |
430 |
|||
22,0 |
27; 32; 61; 72 |
440 |
|||
30,0 |
32; 61; 72; 92; 141; 177; 273 |
490 |
|||
7МЦ3вк-351 |
5,5 |
4,7; 5,5; 6,5; 7,7; 11,1 |
340 |
||
7,5 |
6,5; 7,7; 11,1; 15,1; 17,9 |
350 |
|||
9,2 |
11,1; 15,1; 17,9; 23,0 |
350 |
|||
11,2 |
11,2; 15,1; 18,0; 23,0 |
370 |
|||
15,0 |
15,1; 18,0; 23,0 |
380 |
|||
22,0 |
23 |
450 |
|||
7МЦ2вк-412 |
12000 |
18,0 |
38 |
600 |
|
30,0 |
38; 55 |
650 |
|||
7МЦ3вк-412 |
5,5 |
3,0; 3,5; 3,9; 4,7; 5,3; 6,4; 7,6 |
500 |
||
7,5 |
4,7; 5,3; 6,4; 7,6; 10,6 |
500 |
|||
9,2 |
5,3; 6,4; 7,6; 10,6 |
500 |
|||
11,0 |
6,4; 7,6; 10,7; 14,7; 17,2 |
530 |
|||
15,0 |
13,1; 15,5 |
540 |
|||
18,5 |
10,7; 14,7; 17,2; 23 |
600 |
|||
22,0 |
14,7; 17,2; 23; 35 |
600 |
|||
30,0 |
17,2; 23; 35 |
660 |
|||
7МЦ2вк-440 |
15000…18000 |
30,0 |
35 |
820 |
|
7МЦ3вк-440 |
5,5 |
2,4; 2,8; 3,2; 3,6; 4,3; 4,9; |
700 |
||
7,5 |
3,2; 3,6; 4,3; 4,9; 5,8; 6,9 |
700 |
|||
9,2 |
3,6; 4,3; 4,9; 5,8; 6,9 |
700 |
|||
11,0 |
4,9; 5,8; 6,9 |
700 |
|||
15,0 |
5,8; 6,9; 13,1; 15,5 |
720 |
|||
18,5 |
13,1; 15,5; 19,7 |
780 |
|||
22,0 |
13,1; 15,5; 19,7 |
800 |
|||
30,0 |
13,1; 15,5; 19,7; 30,0 |
840 |
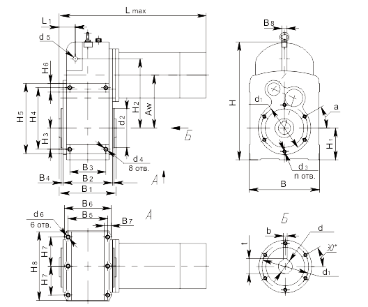
Типоразмер |
Aw |
Lmax |
L1 |
B |
B1 |
B2 |
B3 |
B4 |
B5 |
B6 |
B7 |
B8 |
7МЦ2вк-301 7МЦ3вк-301 |
301 |
1048 |
70 |
400 |
300 |
282 |
205 |
4 |
225 |
265 |
39.5 |
30 |
7МЦ2вк-351 7МЦ3вк-351 |
351 |
1082 |
88 |
450 |
350 |
328 |
220 |
5 |
262 |
302 |
40 |
36 |
7МЦ2вк-412 7МЦ3вк-412 |
412 |
1114 |
110 |
500 |
410 |
330 |
270 |
5 |
315 |
367 |
51 |
50 |
7МЦ2вк-440 7МЦ3вк-440 |
440 |
1179 |
110 |
560 |
500 |
472 |
310 |
5 |
340 |
400 |
62,5 |
50 |
Типоразмер |
Ød |
b |
t |
H |
H1 |
H2 |
H3 |
H4 |
H5 |
H6 |
H7 |
H8 |
7МЦ2вк-301 7МЦ3вк-301 |
80H7 |
22 JS9 |
85,4 |
670 |
180 |
395 |
120 |
350 |
400 |
50 |
165 |
390 |
7МЦ2вк-351 7МЦ3вк-351 |
90H7 |
25 JS9 |
95,4 |
780 |
212 |
485 |
125 |
400 |
460 |
60 |
190 |
439 |
7МЦ2вк-412 7МЦ3вк-412 |
110H7 |
28 JS9 |
116,4 |
910 |
250 |
550 |
142 |
450 |
520 |
70 |
205 |
492 |
7МЦ2вк-440 7МЦ3вк-440 |
120H7 |
32 JS9 |
127,4 |
978 |
265 |
620 |
170 |
540 |
620 |
80 |
235 |
540 |
Типоразмер |
Ød1 |
Ød2 |
Ød3 |
n отв. |
Ød4 |
Ød5 |
Ød6 |
а |
7МЦ2вк-301 7МЦ3вк-301 |
265 |
230h6 |
М16×28 |
6 |
М20×27 |
26 |
М20×27 |
300 |
7МЦ2вк-351 7МЦ3вк-351 |
300 |
250h6 |
М20×34 |
8 |
М24×32 |
26 |
М24×32 |
450 |
7МЦ2вк-412 7МЦ3вк-412 |
350 |
300h6 |
М20×34 |
8 |
М30×40 |
33 |
М30×40 |
450 |
7МЦ2вк-440 7МЦ3вк-440 |
350 |
300h6 |
М24×32 |
8 |
М36×50 |
33 |
М36×50 |
450 |