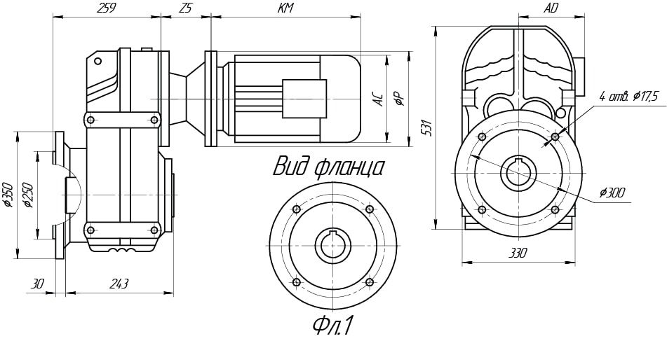
Категория: Цилиндрические соосные мотор-редукторы












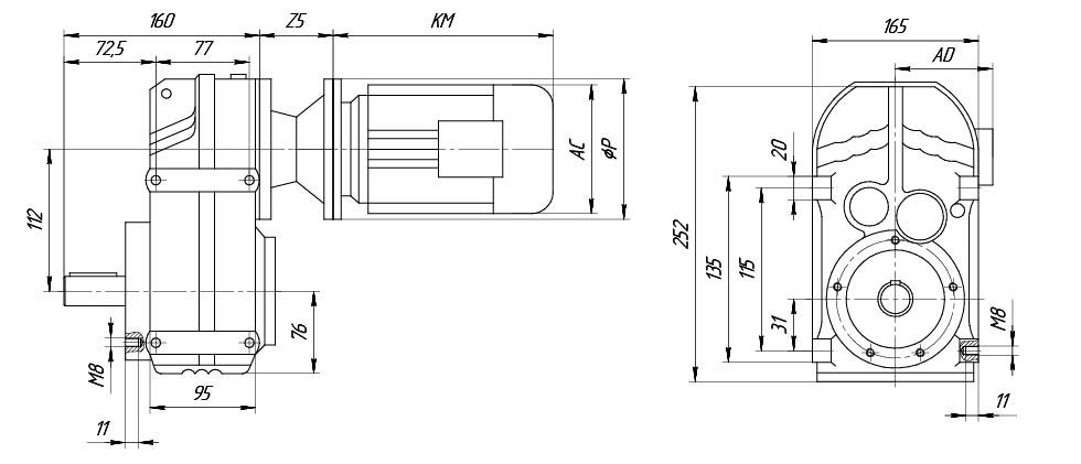
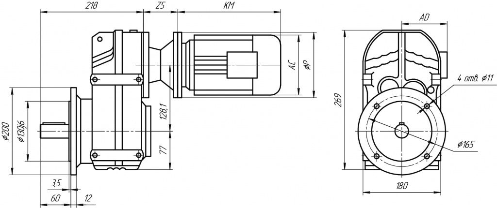
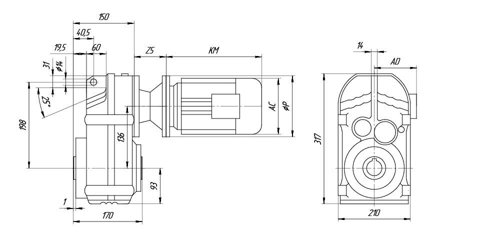
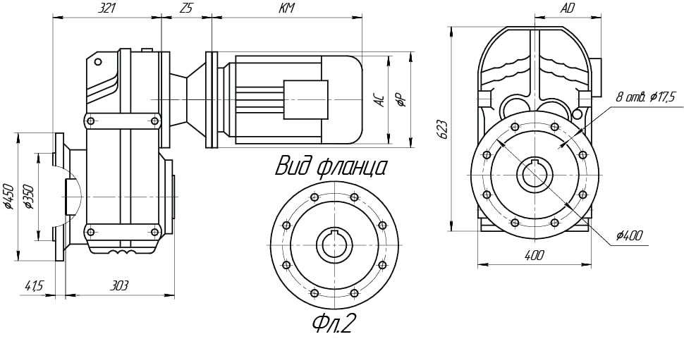
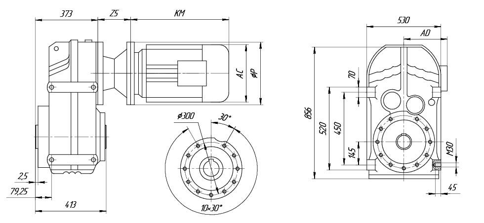
| Исполнение 1 | Исполнение 2 | Исполнение 3 | Исполнение 4 | Исполнение 5 | |
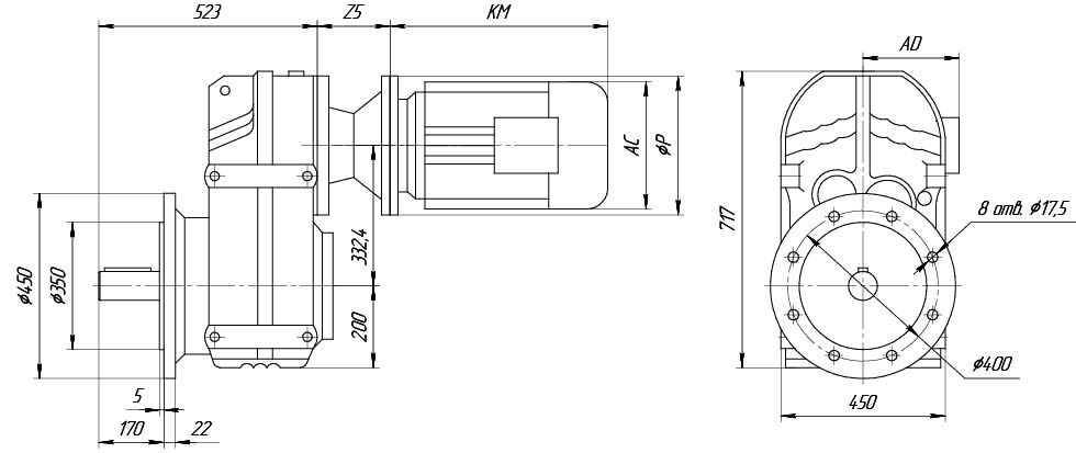
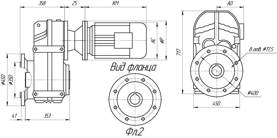
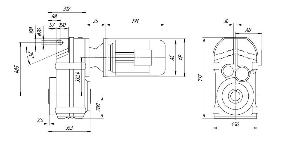
| Р, мм | 140 | 160 | 200 | 250 | - |
| Z5*, мм | 50 | 55 | 60 | 80 | - |
| KM, мм | в зависимости от смонтированного двигателя | ||||
| АС, мм | в зависимости от смонтированного двигателя | ||||
| AD, мм | в зависимости от смонтированного двигателя | ||||
Z5* Указанный размер ориентировочный и может отличаться от действительного.
| Мощность, кВт | Частотавращения выходного вала, об/мин | Передаточное число | Крутящий момент, Нм | Допустимая радиальная нагрузка, Н | Сервис- фактор | Частота вращения эл.двигателя |
| 0,12 | 7 | 128,51 | 164 | 4740 | 1,2 | 900 |
| 7,6 | 117,88 | 150 | 4880 | 1,35 | ||
| 9 | 100,36 | 128 | 5070 | 1,55 | ||
| 10 | 86,53 | 110 | 5190 | 1,8 | ||
| 11 | 80,65 | 103 | 5240 | 1,95 | ||
| 11 | 128,51 | 107 | 5220 | 1,85 | 1400 | |
| 12 | 117,88 | 98 | 5270 | 2 | ||
| 14 | 100,36 | 83 | 5340 | 2,4 | ||
| 16 | 86,53 | 172 | 5400 | 2,8 | ||
| 17 | 80,65 | 67 | 5410 | 3 | ||
| 20 | 70,5 | 59 | 5440 | 3,4 | ||
| 21 | 66,09 | 55 | 5460 | 3,6 | ||
| 24 | 58,32 | 48 | 5470 | 4,1 | ||
| 25 | 54,54 | 45 | 5480 | 4,4 | ||
| 27 | 51,7 | 43 | 5490 | 4,7 | ||
| 29 | 47,02 | 39 | 5500 | 5,1 | ||
| 31 | 43,83 | 36 | 5500 | 5,5 | ||
| 36 | 38,31 | 32 | 5510 | 6,3 | ||
| 38 | 35,91 | 30 | 5520 | 6,7 | ||
| 44 | 31,69 | 26 | 5520 | 7,6 | ||
| 49 | 28,09 | 23 | 5520 | 8,6 | ||
| 58 | 23,88 | 20 | 5270 | 10 | ||
| 58 | 23,63 | 20 | 5250 | 10 | ||
| 67 | 20,57 | 17 | 5030 | 12 | ||
| 72 | 19,27 | 16 | 4930 | 13 | ||
| 81 | 17,03 | 14 | 4740 | 14 | ||
| 87 | 15,81 | 13 | 4630 | 15 | ||
| 96 | 14,33 | 12 | 4490 | 17 | ||
| 107 | 12,87 | 11 | 4330 | 19 | ||
| 125 | 11,08 | 9,2 | 4130 | 21 | ||
| 132 | 10,42 | 8,7 | 4050 | 21 | ||
| 154 | 8,97 | 7,4 | 3860 | 24 | ||
| 186 | 7,44 | 6,2 | 3630 | 23 | ||
| 205 | 6,74 | 5,6 | 3510 | 25 | ||
| 228 | 6,05 | 5 | 3390 | 27 | ||
| 265 | 5,21 | 4,3 | 3230 | 29 | ||
| 282 | 4,9 | 4,1 | 3170 | 29 | ||
| 327 | 4,22 | 3,5 | 3020 | 31 | ||
| 0,18 | 7,4 | 117,88 | 235 | 3750 | 0,85 | 900 |
| 8,7 | 100,36 | 198 | 4320 | 1 | ||
| 10 | 86,53 | 171 | 4660 | 1,15 | ||
| 11 | 80,65 | 159 | 4790 | 1,25 | ||
| 12 | 70,5 | 139 | 4970 | 1,45 | ||
| 10 | 128,51 | 167 | 4700 | 1,2 | 1400 | |
| 11 | 117,88 | 154 | 4850 | 1,3 | ||
| 13 | 100,36 | 131 | 5050 | 1,55 | ||
| 15 | 86,53 | 113 | 5180 | 1,75 | ||
| 16 | 80,65 | 105 | 5230 | 1,9 | ||
| 19 | 70,5 | 92 | 5300 | 2,2 | ||
| 20 | 66,09 | 86 | 5330 | 2,3 | ||
| 23 | 58,32 | 76 | 5380 | 2,6 | ||
| 24 | 54,54 | 71 | 5400 | 2,8 | ||
| 26 | 51,7 | 67 | 5410 | 3 | ||
| 28 | 47,02 | 61 | 5440 | 3,3 | ||
| 30 | 43,83 | 57 | 5450 | 3,5 | ||
| 34 | 38,31 | 50 | 5470 | 4 | ||
| 37 | 35,91 | 47 | 5480 | 4,3 | ||
| 42 | 31,69 | 41 | 5490 | 4,8 | ||
| 47 | 28,09 | 37 | 5500 | 5,5 | ||
| 55 | 23,88 | 31 | 5260 | 6,4 | ||
| 56 | 23,63 | 31 | 5240 | 6,5 | ||
| 64 | 2,57 | 27 | 5030 | 7,5 | ||
| 69 | 19,27 | 25 | 4930 | 8 | ||
| 78 | 17,03 | 22 | 4740 | 9 | ||
| 83 | 15,81 | 21 | 4640 | 9,7 | ||
| 92 | 14,33 | 19 | 4500 | 11 | ||
| 103 | 12,87 | 17 | 4350 | 12 | ||
| 119 | 11,08 | 14 | 4150 | 13 | ||
| 127 | 10,42 | 14 | 4070 | 14 | ||
| 147 | 8,97 | 12 | 3880 | 15 | ||
| 178 | 7,44 | 9,7 | 3650 | 15 | ||
| 196 | 6,74 | 8,8 | 3540 | 16 | ||
| 218 | 6,05 | 7,9 | 3420 | 17 | ||
| 253 | 5,21 | 6,8 | 3260 | 18 | ||
| 269 | 4,9 | 6,4 | 3190 | 19 | ||
| 313 | 4,22 | 5,5 | 3040 | 20 | ||
| 0,25 | 10 | 128,51 | 235 | 3690 | 0,85 | 1400 |
| 11 | 117,88 | 215 | 4040 | 0,9 | ||
| 13 | 100,36 | 184 | 4500 | 1,1 | ||
| 15 | 86,53 | 153 | 4790 | 1,25 | ||
| 16 | 80,65 | 148 | 4900 | 1,35 | ||
| 18 | 70,5 | 130 | 5060 | 1,55 | ||
| 20 | 66,09 | 121 | 5120 | 1,65 | ||
| 22 | 58,32 | 107 | 5210 | 1,85 | ||
| 24 | 54,54 | 100 | 5260 | 2 | ||
| 25 | 51,7 | 95 | 5280 | 2,1 | ||
| 28 | 47,02 | 86 | 5330 | 2,3 | ||
| 30 | 43,83 | 81 | 5360 | 2,5 | ||
| 34 | 38,31 | 70 | 5400 | 2,8 | ||
| 36 | 35,91 | 66 | 5420 | 3 | ||
| 41 | 31,69 | 58 | 5450 | 3,4 | ||
| 46 | 28,09 | 52 | 5430 | 3,9 | ||
| 54 | 23,88 | 44 | 5180 | 4,6 | ||
| 55 | 23,63 | 43 | 5170 | 4,6 | ||
| 63 | 20,57 | 38 | 4960 | 5,3 | ||
| 67 | 19,27 | 35 | 4870 | 5,7 | ||
| 76 | 17,03 | 31 | 4690 | 6,4 | ||
| 82 | 15,81 | 29 | 4590 | 6,9 | ||
| 91 | 14,33 | 26 | 4460 | 7,6 | ||
| 101 | 12,87 | 24 | 4320 | 8,5 | ||
| 117 | 11,08 | 20 | 4120 | 9,3 | ||
| 125 | 10,42 | 19 | 4050 | 9,7 | ||
| 145 | 8,97 | 17 | 3860 | 11 | ||
| 175 | 7,44 | 14 | 3630 | 11 | ||
| 193 | 6,74 | 12 | 3520 | 11 | ||
| 215 | 6,05 | 11 | 3410 | 12 | ||
| 249 | 5,21 | 9,6 | 3250 | 13 | ||
| 265 | 4,9 | 9 | 3190 | 13 | ||
| 308 | 4,22 | 7,7 | 3040 | 14 | ||
| 0,37 | 16 | 86,53 | 220 | 3960 | 0,9 | 1400 |
| 17 | 80,65 | 205 | 4200 | 0,95 | ||
| 20 | 70,5 | 181 | 4550 | 1,1 | ||
| 21 | 66,09 | 169 | 4680 | 1,2 | ||
| 24 | 58,32 | 149 | 4890 | 1,35 | ||
| 25 | 54,54 | 140 | 4970 | 1,45 | ||
| 27 | 51,7 | 132 | 5030 | 1,5 | ||
| 29 | 47,02 | 120 | 5120 | 1,65 | ||
| 31 | 43,83 | 112 | 5180 | 1,8 | ||
| 36 | 38,31 | 98 | 5270 | 2 | ||
| 38 | 35,91 | 92 | 5300 | 2,2 | ||
| 44 | 31,69 | 81 | 5300 | 2,5 | ||
| 49 | 28,09 | 72 | 5140 | 2,8 | ||
| 58 | 23,88 | 61 | 4930 | 3,3 | ||
| 58 | 23,63 | 61 | 4920 | 3,3 | ||
| 67 | 20,57 | 53 | 4740 | 3,8 | ||
| 72 | 19,27 | 49 | 4650 | 4,1 | ||
| 81 | 17,03 | 44 | 4500 | 4,6 | ||
| 87 | 15,81 | 41 | 4400 | 4,9 | ||
| 96 | 14,33 | 37 | 4280 | 5,4 | ||
| 107 | 12,87 | 33 | 4150 | 6,1 | ||
| 125 | 11,08 | 28 | 3970 | 6,7 | ||
| 132 | 10,42 | 27 | 3900 | 6,9 | ||
| 154 | 8,97 | 23 | 3730 | 7,6 | ||
| 186 | 7,44 | 19 | 3510 | 7,6 | ||
| 205 | 6,74 | 17 | 3410 | 8,1 | ||
| 228 | 6,05 | 16 | 3300 | 8,7 | ||
| 265 | 5,21 | 13 | 3150 | 9,4 | ||
| 282 | 4,9 | 13 | 3090 | 9,6 | ||
| 327 | 4,22 | 11 | 2950 | 10 | ||
| 0,55 | 23 | 58,32 | 225 | 3890 | 0,9 | 1400 |
| 25 | 54,54 | 210 | 4140 | 0,95 | ||
| 26 | 51,7 | 200 | 4300 | 1 | ||
| 29 | 47,02 | 182 | 4540 | 1,1 | ||
| 31 | 43,83 | 169 | 4680 | 1,2 | ||
| 36 | 38,31 | 148 | 4900 | 1,35 | ||
| 38 | 35,91 | 139 | 4980 | 1,45 | ||
| 43 | 31,69 | 122 | 4990 | 1,65 | ||
| 48 | 28,09 | 109 | 4870 | 1,85 | ||
| 57 | 23,88 | 92 | 4700 | 2,2 | ||
| 58 | 23,63 | 91 | 4690 | 2,2 | ||
| 66 | 20,57 | 79 | 4540 | 2,5 | ||
| 71 | 19,27 | 74 | 4470 | 2,7 | ||
| 80 | 17,03 | 66 | 4340 | 3 | ||
| 95 | 14,33 | 55 | 4150 | 3,6 | ||
| 105 | 12,87 | 50 | 4030 | 4 | ||
| 123 | 11,08 | 43 | 3870 | 4,4 | ||
| 130 | 10,42 | 40 | 3810 | 4,6 | ||
| 152 | 8,97 | 35 | 3650 | 5,1 | ||
| 170 | 8,01 | 31 | 3540 | 5,5 | ||
| 183 | 7,44 | 29 | 3440 | 5,1 | ||
| 202 | 6,74 | 26 | 3340 | 5,4 | ||
| 225 | 6,05 | 23 | 3240 | 5,8 | ||
| 261 | 5,21 | 20 | 3100 | 6,2 | ||
| 277 | 4,9 | 19 | 3050 | 6,3 | ||
| 322 | 4,22 | 16 | 2920 | 6,8 | ||
| 361 | 3,77 | 15 | 2820 | 7,2 | ||
| 0,75 | 29 | 47,02 | 245 | 3530 | 0,8 | 1400 |
| 31 | 43,83 | 230 | 3850 | 0,9 | ||
| 36 | 38,31 | 199 | 4310 | 1 | ||
| 38 | 35,91 | 186 | 4480 | 1,05 | ||
| 44 | 31,69 | 165 | 4620 | 1,2 | ||
| 49 | 28,09 | 146 | 4540 | 1,35 | ||
| 58 | 23,88 | 124 | 4410 | 1,6 | ||
| 58 | 23,63 | 123 | 4400 | 1,65 | ||
| 67 | 20,57 | 107 | 4290 | 1,85 | ||
| 72 | 19,27 | 100 | 4240 | 2 | ||
| 81 | 17,03 | 88 | 4130 | 2,3 | ||
| 96 | 14,33 | 74 | 3970 | 2,8 | ||
| 107 | 12,87 | 67 | 3870 | 3 | ||
| 125 | 11,08 | 58 | 3730 | 3,3 | ||
| 132 | 10,42 | 54 | 3680 | 3,4 | ||
| 154 | 8,97 | 47 | 3540 | 3,8 | ||
| 205 | 6,74 | 35 | 3250 | 4 | ||
| 228 | 6,05 | 31 | 3150 | 4,2 | ||
| 265 | 5,21 | 27 | 3030 | 4,6 | ||
| 282 | 4,9 | 25 | 2970 | 4,7 | ||
| 327 | 4,22 | 22 | 2850 | 5 | ||
| 366 | 3,77 | 20 | 2760 | 5,4 | ||
| 1,1 | 44 | 31,69 | 240 | 3660 | 0,85 | 1400 |
| 50 | 28,09 | 210 | 3970 | 0,95 | ||
| 59 | 23,88 | 179 | 3930 | 1,1 | ||
| 68 | 20,57 | 154 | 3870 | 1,4 | ||
| 73 | 19,27 | 145 | 3740 | 1,4 | ||
| 82 | 17,03 | 128 | 3780 | 1,55 | ||
| 98 | 14,33 | 108 | 3680 | 1,85 | ||
| 109 | 12,87 | 97 | 3610 | 2,1 | ||
| 126 | 11,08 | 83 | 3500 | 2,3 | ||
| 134 | 10,42 | 78 | 3460 | 2,4 | ||
| 156 | 8,97 | 67 | 3350 | 2,6 | ||
| 175 | 8,01 | 60 | 3260 | 2,8 | ||
| 208 | 6,74 | 51 | 3090 | 2,8 | ||
| 231 | 6,05 | 45 | 3010 | 3 | ||
| 269 | 5,21 | 39 | 2900 | 3,2 | ||
| 286 | 4,9 | 37 | 3860 | 3,3 | ||
| 332 | 4,22 | 32 | 2750 | 3,5 | ||
| 372 | 3,77 | 28 | 2670 | 3,7 | ||
| 1,5 | 69 | 20,57 | 210 | 3410 | 0,95 | 1400 |
| 73 | 19,27 | 196 | 3410 | 1 | ||
| 83 | 17,03 | 173 | 3400 | 1,15 | ||
| 98 | 1433 | 146 | 3350 | 1,35 | ||
| 110 | 12,87 | 131 | 3310 | 1,55 | ||
| 127 | 11,08 | 113 | 3250 | 1,7 | ||
| 135 | 10,42 | 106 | 3220 | 1,75 | ||
| 157 | 8,97 | 91 | 3140 | 1,9 | ||
| 176 | 8,01 | 81 | 3080 | 2,1 | ||
| 209 | 6,74 | 69 | 2920 | 2 | ||
| 233 | 6,05 | 62 | 2850 | 2,2 | ||
| 271 | 5,21 | 53 | 2770 | 2,4 | ||
| 288 | 4,9 | 50 | 2730 | 2,4 | ||
| 334 | 4,22 | 43 | 2640 | 2,6 | ||
| 374 | 3,77 | 38 | 2570 | 2,7 | ||
| 2,2 | 98 | 14,33 | 215 | 2790 | 0,95 | 1400 |
| 110 | 12,87 | 192 | 2810 | 1,05 | ||
| 127 | 11,08 | 165 | 2820 | 1,15 | ||
| 135 | 10,42 | 155 | 2810 | 1,2 | ||
| 157 | 8,97 | 134 | 2790 | 1,3 | ||
| 176 | 8,01 | 119 | 2770 | 1,4 | ||
| 209 | 6,74 | 100 | 2630 | 1,4 | ||
| 233 | 6,05 | 90 | 2590 | 1,5 | ||
| 271 | 5,21 | 78 | 2540 | 1,6 | ||
| 288 | 4,9 | 73 | 2520 | 1,65 | ||
| 334 | 4,22 | 63 | 2460 | 1,75 | ||
| 374 | 3,77 | 56 | 2400 | 1,85 | ||
| 3 | 126 | 11,08 | 225 | 2320 | 0,85 | 1400 |
| 134 | 10,42 | 215 | 2350 | 0,85 | ||
| 156 | 8,97 | 184 | 2390 | 0,95 | ||
| 175 | 8,01 | 164 | 2410 | 1,05 | ||
| 208 | 6,74 | 138 | 2290 | 1 | ||
| 231 | 6,05 | 124 | 2300 | 1,1 | ||
| 269 | 5,21 | 107 | 2290 | 1,15 | ||
| 286 | 4,9 | 100 | 2280 | 1,2 | ||
| 332 | 4,22 | 86 | 2250 | 1,25 | ||
| 372 | 3,77 | 77 | 2220 | 1,35 |


1. Модель редуктора
(F-исполнение на лапах с цельным валом,
FA - исполнение на лапах с полым валом,
FH - исполнение с полым валом и стяжной муфтой,
FF - исполнение на фланце с цельным валом,
FAF - исполнение на фланце с полым валом,
FHF - исполнение с полым валом на фланце со стяжной муфтой,
FZ - исполнение с малым фланцем).
2. Габарит редуктора (37,47,57,67,77, 87, 97,107,127,157).
3. Исполнение с резиновым амортизатором.
4. Передаточное число.
5. Число оборотов выходного вала, об/мин.
6. Мощность электродвигателя, кВт.
7. Наличие электромагнитного тормоза у электродвигателя,
(Е- одинарный тормоз, ЕЕ- двойной тормоз,
Е(МШ)- одинарный малошумный тормоз,
ЕЕ(МШ)- двойной малошумный тормоз).
8. Тип фланца электродвигателя (В5;В14).
9. Монтажная позиция редуктора (M1, M2, M3, M4, M5, M6).
10. Дополнительные опции.











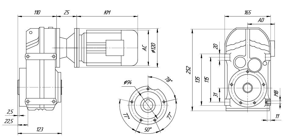
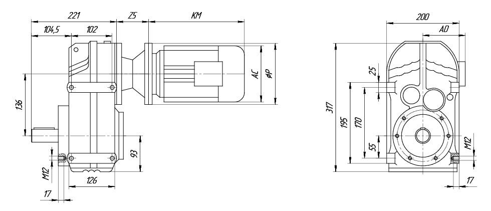
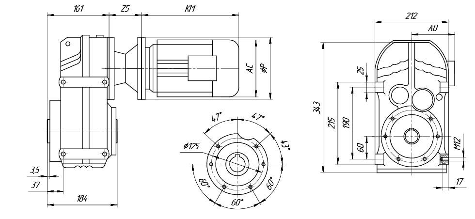
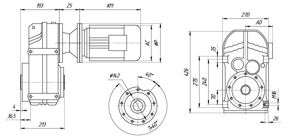
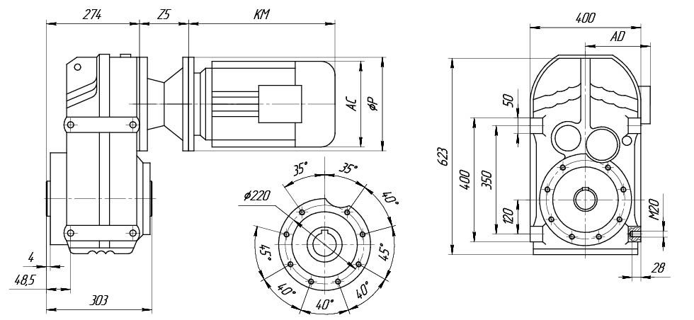
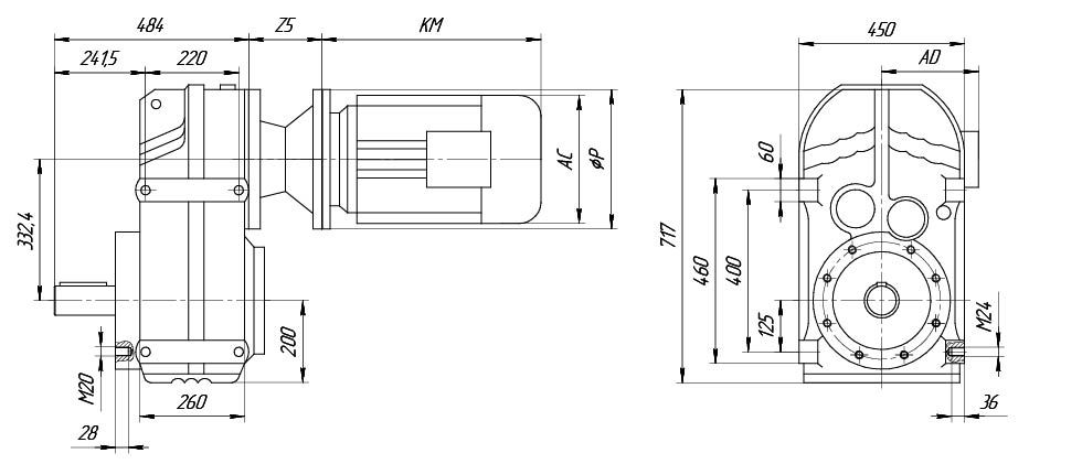
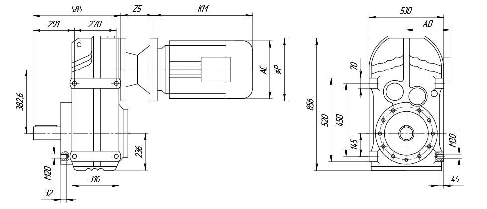
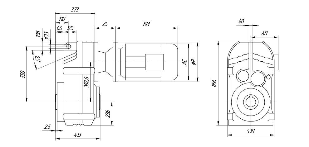
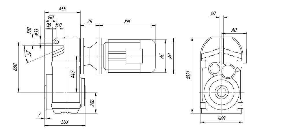
| Исполнение 1 | Исполнение 2 | Исполнение 3 | Исполнение 4 | Исполнение 5 | |
| Р, мм | 140 | 160 | 200 | 250 | - |
| Z5*, мм | 50 | 55 | 60 | 80 | - |
| KM, мм | в зависимости от смонтированного двигателя | ||||
| АС, мм | в зависимости от смонтированного двигателя | ||||
| AD, мм | в зависимости от смонтированного двигателя | ||||
Z5* Указанный размер ориентировочный и может отличаться от действительного.
| Мощность, кВт | Частота вращения выходного вала, об/мин | Передаточное число | Крутящий момент, Нм | Допустимая радиальная нагрузка, Н | Сервис- фактор | Частота вращения эл.двигателя |
| 0,12 | 4,7 | 190,76 | 245 | 7510 | 1,65 | 900 |
| 5,1 | 175,38 | 225 | 7640 | 1,8 | ||
| 6 | 150,06 | 191 | 7820 | 2,1 | ||
| 6,9 | 130,07 | 166 | 7940 | 2,4 | ||
| 7,4 | 121,57 | 155 | 7990 | 2,6 | ||
| 8,6 | 105,09 | 134 | 8070 | 3 | ||
| 10 | 89,29 | 144 | 8130 | 3,5 | ||
| 11 | 79,72 | 102 | 8160 | 3,9 | ||
| 7,3 | 190,76 | 158 | 7970 | 2,5 | 1400 | |
| 7,9 | 175,38 | 146 | 8020 | 2,8 | ||
| 9,3 | 150,06 | 125 | 8100 | 3,2 | ||
| 11 | 130,07 | 108 | 8150 | 3,7 | ||
| 0,18 | 4,7 | 190,76 | 375 | 6240 | 1,05 | 900 |
| 5,1 | 175,38 | 345 | 6600 | 1,15 | ||
| 6 | 150,06 | 295 | 7090 | 1,35 | ||
| 6,9 | 130,07 | 255 | 7410 | 1,55 | ||
| 7,4 | 121,57 | 240 | 7530 | 1,65 | ||
| 7,3 | 190,76 | 250 | 7470 | 1,6 | 1400 | |
| 7,9 | 175,38 | 230 | 7610 | 1,75 | ||
| 9,3 | 150,06 | 195 | 7800 | 2 | ||
| 10,7 | 130,07 | 169 | 7920 | 2,4 | ||
| 11,5 | 121,57 | 158 | 7970 | 2,5 | ||
| 0,25 | 6 | 150,06 | 405 | 5750 | 1 | 900 |
| 6,9 | 130,07 | 355 | 6530 | 1,15 | ||
| 7,4 | 121,57 | 330 | 6770 | 1,2 | ||
| 8,6 | 105,09 | 285 | 7190 | 1,4 | ||
| 7,3 | 190,76 | 350 | 6550 | 1,15 | 1400 | |
| 7,9 | 175,38 | 320 | 6850 | 1,25 | ||
| 9,3 | 150,06 | 275 | 7270 | 1,45 | ||
| 10,7 | 130,07 | 240 | 7540 | 1,65 | ||
| 11,5 | 121,57 | 225 | 7640 | 1,8 | ||
| 13,3 | 105,09 | 193 | 7810 | 2,1 | ||
| 15,7 | 89,29 | 164 | 7950 | 2,4 | ||
| 0,37 | 9,3 | 150,06 | 385 | 6140 | 1,05 | 1400 |
| 10,7 | 130,07 | 335 | 6740 | 1,2 | ||
| 13,3 | 105,09 | 270 | 7320 | 1,5 | ||
| 15,7 | 89,29 | 230 | 7600 | 1,75 | ||
| 17,7 | 79,72 | 205 | 7750 | 1,95 | ||
| 20,5 | 68,09 | 174 | 7900 | 2,3 | ||
| 21,4 | 65,36 | 167 | 7930 | 2,4 | ||
| 0,55 | 13,3 | 105,09 | 405 | 5840 | 1 | 1400 |
| 15,7 | 89,29 | 345 | 6620 | 1,15 | ||
| 17,7 | 79,72 | 310 | 6990 | |||
| 20,5 | 68,09 | 265 | 7370 | 1,5 | ||
| 21,4 | 65,36 | 250 | 7440 | 1,6 | ||
| 24,8 | 56,49 | 220 | 7670 | 1,85 | ||
| 29 | 48 | 185 | 7850 | 2,2 | ||
| 32,6 | 42,86 | 166 | 7940 | 2,4 | ||
| 0,75 | 17,7 | 79,72 | 415 | 5060 | 0,95 | 1400 |
| 20,5 | 68,09 | 355 | 6520 | 1,15 | ||
| 21,4 | 65,36 | 340 |
|
1,2 | ||
| 24,8 | 56,49 | 295 | 7120 | 1,35 | ||
| 29 | 48 | 250 | 7470 | 1,6 | ||
| 32,6 | 42,86 | 220 | 7640 | 1,8 | ||
| 38 | 36,61 | 190 | 7820 | 2,1 | ||
| 40,2 | 34,29 | 178 | 7850 | 2,2 | ||
| 48,5 | 28,88 | 150 | 7540 | 2,7 | ||
| 1,1 | 24,8 | 56,49 | 425 | 3730 | 0,95 | 1400 |
| 29 | 48 | 360 | 6440 | 1,1 | ||
| 32,6 | 42,86 | 320 | 6860 | 1,25 | ||
| 38 | 36,61 | 275 | 7280 | 1,45 | ||
| 40,2 | 34,29 | 255 | 7260 | 1,55 | ||
| 48,5 | 28,88 | 215 | 7040 | 1,85 | ||
| 45,4 | 30,86 | 230 | 7130 | 1,75 | ||
| 47,7 | 29,32 | 220 | 7060 | 1,8 | ||
| 54,4 | 25,72 | 193 | 6880 | 2,1 | ||
| 64 | 21,82 | 164 | 6640 | 2,4 | ||
| 71 | 19,7 | 148 | 6490 | 2,7 | ||
| 1,5 | 32,6 | 42,86 | 435 | 5750 | 0,9 | 1400 |
| 38 | 36,61 | 370 | 6300 | 1,1 | ||
| 40,2 | 34,29 | 350 | 6580 | 1,15 | ||
| 48,5 | 28,88 | 295 | 6500 | 1,35 | ||
| 45,4 | 30,86 | 315 | 6550 | 1,3 | ||
| 47,7 | 29,32 | 300 | 6510 | 1,35 | ||
| 54,4 | 25,72 | 260 | 6390 | 1,55 | ||
| 64 | 21,82 | 220 | 6230 | 1,8 | ||
| 71 | 19,7 | 200 | 6110 | 2 | ||
| 80,8 | 17,33 | 176 | 5970 | 2,3 | ||
| 85,6 | 16,36 | 166 | 5900 | 2,4 | ||
| 100,5 | 13,93 | 142 | 5700 | 2,8 | ||
| 2,2 | 54,4 | 25,72 | 385 | 5560 | 1,05 | 1400 |
| 64 | 21,82 | 325 | 5520 | 1,25 | ||
| 71 | 19,7 | 295 | 5480 | 1,35 | ||
| 80,8 | 17,33 | 260 | 5410 | 1,55 | ||
| 85,6 | 16,36 | 245 | 5370 | 1,65 | ||
| 100,5 | 13,93 | 210 | 5250 | 1,95 | ||
| 110,6 | 12,66 | 189 | 5170 | 2,1 | ||
| 127,6 | 10,97 | 163 | 5040 | 2,5 | ||
| 156,3 | 8,96 | 133 | 4740 | 2,5 | ||
| 3 | 71 | 19,7 | 405 | 4750 | 1 | 1400 |
| 80,8 | 17,33 | 355 | 4760 | 1,15 | ||
| 85,6 | 16,36 | 335 | 4760 | 1,2 | ||
| 100,5 | 13,93 | 285 | 4740 | 1,4 | ||
| 110,6 | 12,66 | 260 | 4700 | 1,55 | ||
| 127,6 | 10,97 | 225 | 4640 | 1,8 | ||
| 156,3 | 8,96 | 183 | 4370 | 1,8 |













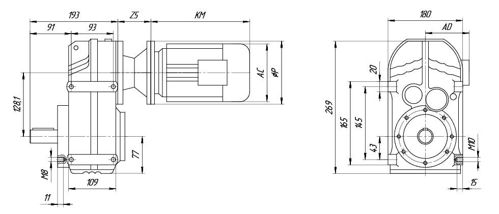
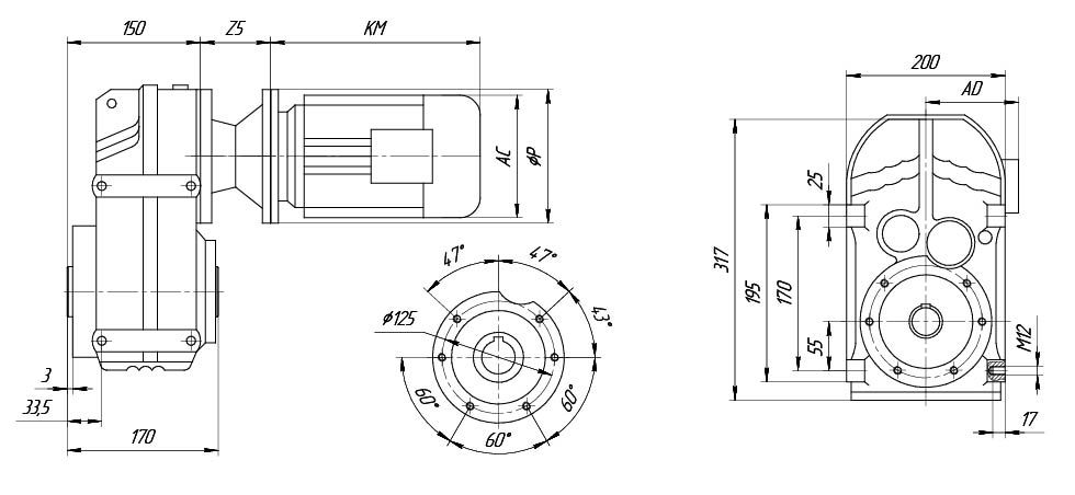
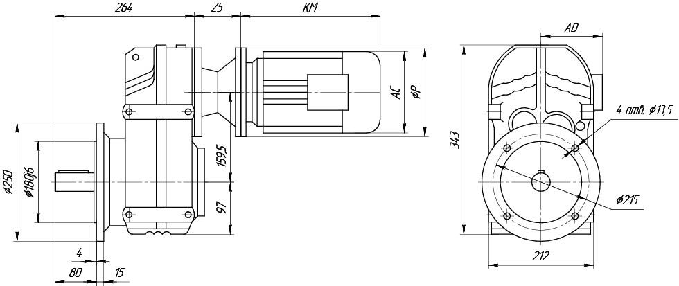
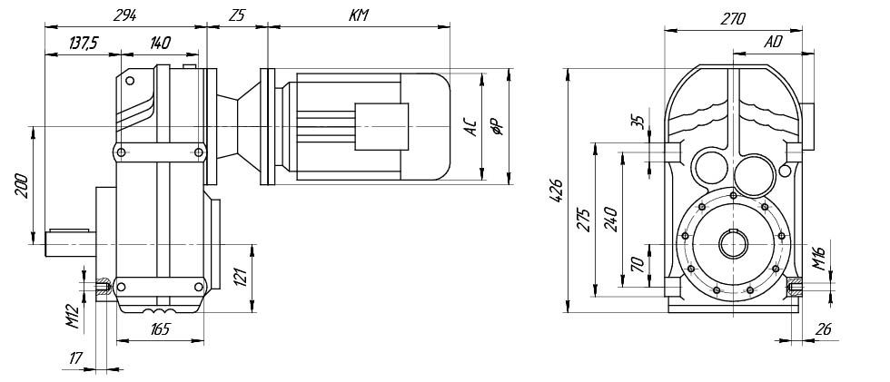
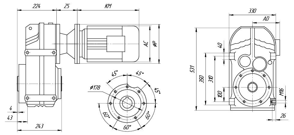
| Исполнение 1 | Исполнение 2 | Исполнение 3 | Исполнение 4 | Исполнение 5 | |
| Р, мм | 140 | 160 | 200 | 250 | 300 |
| Z5*, мм | 50 | 55 | 60 | 80 | 90 |
| KM, мм | в зависимости от смонтированного двигателя | ||||
| АС, мм | в зависимости от смонтированного двигателя | ||||
| AD, мм | в зависимости от смонтированного двигателя | ||||
Z5* Указанный размер ориентировочный и может отличаться от действительного.
| Мощность, кВт | Частота вращения выходного вала, об/мин | Передаточное число | Крутящий момент, Нм | Допустимая радиальная нагрузка, Н | Сервис- фактор | Частота вращения эл.двигателя |
| 0,12 | 4,5 | 199,7 | 255 | 11400 | 2,4 | 900 |
| 4,9 | 1836 | 235 | 11500 | 2,6 | ||
| 5,7 | 157,09 | 200 | 11500 | 3 | ||
| 6,6 | 136,16 | 173 | 11500 | 3,5 | ||
| 7,1 | 127,27 | 162 | 11500 | 3,7 | ||
| 7 | 199,7 | 166 | 11500 | 3,6 | 1400 | |
| 7,6 | 183,6 | 153 | 11500 | 3,9 | ||
| 8,9 | 157,09 | 130 | 11500 | 4,6 | ||
| 10 | 136,16 | 113 | 11500 | 5,3 | ||
| 0,18 | 4,5 | 199,7 | 395 | 10600 | 1,5 | 900 |
| 4,9 | 183,6 | 365 | 10800 | 1,65 | ||
| 5,7 | 157,09 | 310 | 11100 | 1,95 | ||
| 6,6 | 136,16 | 270 | 11300 | 2,2 | ||
| 7,1 | 127,27 | 250 | 11400 | 2,4 | ||
| 8,2 | 110,01 | 215 | 11500 | 2,8 | ||
| 7 | 199,7 | 260 | 11300 | 2,3 | 1400 | |
| 7,6 | 183,6 | 240 | 11500 | 2,5 | ||
| 8,9 | 157,09 | 205 | 11500 | 2,9 | ||
| 10 | 136,16 | 177 | 11500 | 3,4 | ||
| 11 | 127,27 | 166 | 11500 | 3,6 | ||
| 0,25 | 4,5 | 199,7 | 540 | 9630 | 1,1 | 900 |
| 4,9 | 183,6 | 500 | 9940 | 1,2 | ||
| 5,7 | 157,09 | 425 | 10400 | 1,4 | ||
| 6,6 | 136,16 | 370 | 10800 | 1,6 | ||
| 7,1 | 127,27 | 345 | 10900 | 1,75 | ||
| 8,2 | 110,01 | 300 | 11100 | 2 | ||
| 7 | 199,7 | 365 | 10800 | 1,65 | 1400 | |
| 7,6 | 183,6 | 335 | 10900 | 1,8 | ||
| 8,9 | 157,09 | 290 | 11200 | 2,1 | ||
| 10 | 135,16 | 250 | 11400 | 2,4 | ||
| 11 | 127,27 | 235 | 11500 | 2,6 | ||
| 13 | 110,01 | 200 | 11500 | 3 | ||
| 0,37 | 5,7 | 157,09 | 615 | 9070 | 0,95 | 900 |
| 6,6 | 136,16 | 535 | 9680 | 1,1 | ||
| 7,1 | 127,27 | 500 | 9930 | 1,2 | ||
| 8,2 | 110,01 | 430 | 10400 | 1,4 | ||
| 7 | 199,7 | 510 | 9850 | 1,15 |
|
|
| 7,6 | 183,6 | 470 | 10100 | 1,3 | ||
| 8,9 | 157,09 | 400 | 10600 | 1,5 | ||
| 10 | 136,16 | 350 | 10900 | 1,7 | ||
| 11 | 127,27 | 325 | 11000 | 1,85 | ||
| 13 | 110,01 | 280 | 11200 | 2,1 | ||
| 15 | 93,47 | 240 | 11500 | 2,5 | ||
| 17 | 83,46 | 215 | 11500 | 2,8 | ||
| 0,55 | 8,9 | 157,09 | 605 | 9150 | 1 | |
| 10 | 136,16 | 525 | 9750 | 1,15 | ||
| 11 | 127,27 | 490 | 9980 | 1,2 | ||
| 13 | 110,01 | 425 | 10400 | 1,4 | ||
| 15 | 93,47 | 360 | 10800 | 1,65 | ||
| 17 | 83,46 | 320 | 11000 | 1,85 | ||
| 19 | 72,98 | 280 | 11200 | 2,1 | ||
| 21 | 68,22 | 265 | 11300 | 2,3 | ||
| 24 | 58,97 | 230 | 11500 | 2,6 | ||
| 0,75 | 11 | 127,27 | 660 | 5290 | 0,9 | 1400 |
| 13 | 110,01 | 570 | 9420 | 1,05 | ||
| 15 | 93,47 | 485 | 10000 | 1,25 | ||
| 17 | 83,46 | 435 | 10400 | 1,4 | ||
| 19 | 72,98 | 380 | 10700 | 1,6 | ||
| 21 | 68,22 | 355 | 10800 | 1,7 | ||
| 24 | 58,97 | 305 | 11100 | 1,95 | ||
| 28 | 50,1 | 260 | 11300 | 2,3 | ||
| 31 | 44,73 | 230 | 11400 | 2,6 | ||
| 1,1 | 17 | 83,46 | 625 | 8470 | 0,95 | 1400 |
| 19 | 72,98 | 550 | 9590 | 1,1 | ||
| 21 | 68,22 | 510 | 9840 | 1,15 | ||
| 24 | 58,97 | 440 | 10300 | 1,35 | ||
| 28 | 50,1 | 375 | 10700 | 1,6 | ||
| 31 | 44,73 | 335 | 10700 | 1,8 | ||
| 37 | 38,21 | 285 | 10400 | 2,1 | ||
| 39 | 35,79 | 270 | 10200 | 2,2 | ||
| 46 | 30,15 | 225 | 9810 | 2,6 | ||
| 1,5 | 24 | 58,97 | 600 | 9210 | 1 | 1400 |
| 28 | 50,1 | 510 | 9860 | 1,2 | ||
| 31 | 44,73 | 455 | 9990 | 1,3 | ||
| 37 | 38,21 | 390 | 9740 | 1,55 | ||
| 39 | 35,79 | 365 | 9620 | 1,65 | ||
| 46 | 30,15 | 305 | 9310 | 1,95 | ||
| 2,2 | 31 | 44,73 | 665 | 4480 | 0,9 | 1400 |
| 37 | 38,21 | 570 | 8660 | 1,05 | ||
| 39 | 35,79 | 535 | 8620 | 1,15 | ||
| 46 | 30,15 | 450 | 8460 | 1,3 | ||
| 56 | 24,96 | 370 | 8240 | 1,55 | ||
| 66 | 21,17 | 315 | 8020 | 1,9 | ||
| 73 | 19,11 | 285 | 7870 | 2,1 | ||
| 83 | 16,81 | 250 | 7670 | 2,4 | ||
| 88 | 15,88 | 235 | 7580 | 2,5 | ||
| 3 | 56 | 24,96 | 510 | 7440 | 1,15 | 1400 |
| 66 | 21,17 | 435 | 7340 | 1,4 | ||
| 73 | 19,11 | 390 | 7260 | 1,55 | ||
| 83 | 16,81 | 345 | 7140 | 1,75 | ||
| 88 | 15,88 | 325 | 7080 | 1,85 | ||
| 104 | 13,52 | 275 | 6890 | 2,2 | ||
| 114 | 12,29 | 250 | 6780 | 2,4 | ||
| 132 | 10,64 | 220 | 6590 | 2,8 | ||
| 4 | 66 | 21,17 | 570 | 6490 | 1,05 | 1400 |
| 73 | 19,11 | 515 | 6490 | 1,15 | ||
| 83 | 16,81 | 450 | 6450 | 1,35 | ||
| 88 | 15,88 | 425 | 6430 | 1,4 | ||
| 104 | 13,52 | 365 | 6340 | 1,65 | ||
| 114 | 12,29 | 330 | 6270 | 1,8 | ||
| 132 | 10,64 | 285 | 6150 | 2,1 | ||
| 150 | 9,31 | 250 | 5850 | 1,7 | ||
| 171 | 8,19 | 220 | 5730 | 1,9 | ||
| 181 | 7,73 | 210 | 5680 | 2 | ||
| 213 | 6,58 | 177 | 5510 | 2,4 | ||
| 234 | 5,98 | 161 | 5410 | 2,6 | ||
| 270 | 5,18 | 139 | 5250 | 3 | ||
| 5,5 | 83 | 16,81 | 620 | 5450 | 0,95 | 1400 |
| 88 | 15,88 | 585 | 5480 | 1,05 | ||
| 104 | 13,52 | 495 | 5530 | 1,2 | ||
| 114 | 12,29 | 450 | 5530 | 1,35 | ||
| 132 | 10,64 | 390 | 5510 | 1,55 | ||
| 171 | 8,19 | 300 | 5190 | 1,4 | ||
| 181 | 7,73 | 285 | 5160 | 1,5 | ||
| 213 | 6,58 | 240 | 5070 | 1,75 | ||
| 234 | 5,98 | 220 | 5010 | 1,9 | ||
| 270 | 5,18 | 190 | 4900 | 2,2 |


1. Модель редуктора
(F-исполнение на лапах с цельным валом,
FA - исполнение на лапах с полым валом,
FH - исполнение с полым валом и стяжной муфтой,
FF - исполнение на фланце с цельным валом,
FAF - исполнение на фланце с полым валом,
FHF - исполнение с полым валом на фланце со стяжной муфтой,
FZ - исполнение с малым фланцем).
2. Габарит редуктора (37,47,57,67,77, 87, 97,107,127,157).
3. Исполнение с резиновым амортизатором.
4. Передаточное число.
5. Число оборотов выходного вала, об/мин.
6. Мощность электродвигателя, кВт.
7. Наличие электромагнитного тормоза у электродвигателя,
(Е- одинарный тормоз, ЕЕ- двойной тормоз,
Е(МШ)- одинарный малошумный тормоз,
ЕЕ(МШ)- двойной малошумный тормоз).
8. Тип фланца электродвигателя (В5;В14).
9. Монтажная позиция редуктора (M1, M2, M3, M4, M5, M6).
10. Дополнительные опции.











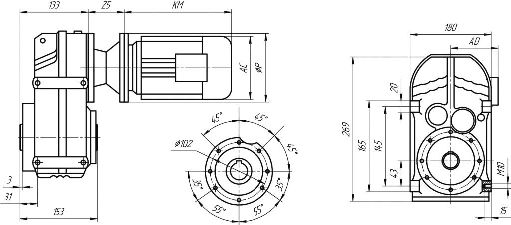
| Исполнение 1 | Исполнение 2 | Исполнение 3 | Исполнение 4 | Исполнение 5 | |
| Р, мм | 140 | 160 | 200 | 250 | 300 |
| Z5*, мм | 50 | 55 | 60 | 80 | 90 |
| KM, мм | в зависимости от смонтированного двигателя | ||||
| АС, мм | в зависимости от смонтированного двигателя | ||||
| AD, мм | в зависимости от смонтированного двигателя | ||||
Z5* Указанный размер ориентировочный и может отличаться от действительного.
| Мощность, кВт | Частота вращения выходного вала, об/мин | Передаточное число | Крутящий момент, Нм | Допустимая радиальная нагрузка, Н | Сервис- фактор | Частота вращения эл.двигателя |
| 0,12 | 3,9 | 228,99 | 290 | 13000 | 2,8 | 900 |
| 4,6 | 195,39 | 250 | 13000 | 3,3 | ||
| 5,3 | 170,85 | 220 | 13000 | 3,8 | ||
| 5,6 | 162,31 | 205 | 13000 | 4 | ||
| 6,3 | 142,4 | 181 | 13000 | 4,5 | ||
| 0,18 | 3,9 | 228,99 | 450 | 12600 | 1,8 | |
| 4,6 | 195,39 | 385 | 12900 | 2,1 | ||
| 5,3 | 170,85 | 340 | 13000 | 2,4 | ||
| 6,1 | 228,99 | 300 | 13000 | 2,8 | 1400 | |
| 7,2 | 195,39 | 255 | 13000 | 3,2 | ||
| 8,2 | 170,85 | 225 | 13000 | 3,7 | ||
| 0,25 | 3,9 | 228,99 | 620 | 11800 | 1,3 | 900 |
| 4,6 | 195,39 | 530 | 12300 | 1,55 | ||
| 5,3 | 170,85 | 465 | 12600 | 1,75 | ||
| 5,6 | 162,31 | 440 | 12700 | 1,85 | ||
| 6,3 | 142,4 | 385 | 12900 | 2,1 | ||
| 6,1 | 228,99 | 420 | 12700 | 1,95 | 1400 | |
| 7,2 | 195,39 | 360 | 13000 | 2,3 | ||
| 8,2 | 170,85 | 315 | 13000 | 2,6 | ||
| 8,6 | 162,31 | 300 | 13000 | 2,8 | ||
| 9,8 | 142,4 | 260 | 13000 | 3,1 | ||
| 0,37 | 4,6 | 195,39 | 765 | 10800 | 1,05 | 900 |
| 5,3 | 170,85 | 670 | 11500 | 1,2 | ||
| 5,6 | 162,31 | 635 | 11700 | 1,3 | ||
| 6,3 | 142,4 | 560 | 12100 | 1,45 | ||
| 7,4 | 120,79 | 475 | 12500 | 1,75 | ||
| 6,1 | 228,99 | 585 | 12000 | 1,4 | 1400 | |
| 7,2 | 195,39 | 500 | 12400 | 1,65 | ||
| 8,2 | 170,85 | 435 | 12700 | 1,85 | ||
| 8,6 | 162,31 | 415 | 12800 | 1,95 | ||
| 9,8 | 142,4 | 365 | 12900 | 2,2 | ||
| 11,6 | 120,79 | 310 | 13000 | 2,7 | ||
| 0,55 | 7,2 | 195,39 | 755 | 10900 | 1,1 | 1400 |
| 8,2 | 170,85 | 660 | 11500 | 1,25 | ||
| 8,6 | 162,31 | 625 | 11700 | 1,3 | ||
| 9,8 | 142,4 | 550 | 12200 | 1,5 | ||
| 11,6 | 120,79 | 465 | 12600 | 1,75 | ||
| 12,8 | 109,04 | 420 | 12700 | 1,95 | ||
| 14,6 | 95,94 | 370 | 12900 | 2,2 | ||
| 15,5 | 90,59 | 350 | 13000 | 2,3 | ||
| 17,6 | 79,76 | 310 | 13000 | 2,7 | ||
| 0,75 | 8,2 | 170,85 | 890 | 9670 | 0,9 | 1400 |
| 8,6 | 162,31 | 840 | 10100 | 0,95 | ||
| 9,8 | 142,4 | 740 | 11000 | 1,1 | ||
| 11,6 | 120,79 | 625 | 11700 | 1,3 | ||
| 12,8 | 109,04 | 565 | 12100 | 1,45 | ||
| 14,6 | 95,94 | 500 | 12400 | 1,65 | ||
| 15,5 | 90,59 | 470 | 12500 | 1,75 | ||
| 17,6 | 79,76 | 1415 | 12800 | 2 | ||
| 20,7 | 67,65 | 350 | 13000 | 2,3 | ||
| 23 | 61,07 | 315 | 13000 | 2,6 | ||
| 1,1 | 11,6 | 120,79 | 910 | 9460 | 0,9 | 1400 |
| 12,8 | 109,04 | 820 | 10300 | 1 | ||
| 14,6 | 95,94 | 720 | 11100 | 1,15 | ||
| 15,5 | 90,59 | 680 | 11400 | 1,2 | ||
| 17,6 | 79,76 | 600 | 11900 | 1,35 | ||
| 20,7 | 67,65 | 510 | 12400 | 1,6 | ||
| 23 | 61,07 | 460 | 12600 | 1,8 | ||
| 26 | 53,73 | 405 | 12800 | 2 | ||
| 28 | 50,74 | 380 | 12900 | 2,2 | ||
| 32 | 43,2 | 325 | 13000 | 2,5 | ||
| 36 | 39,26 | 295 | 13000 | 2,7 | ||
| 41 | 34,01 | 255 | 13000 | 2,9 | ||
| 1,5 | 15,5 | 90,59 | 920 | 9300 | 0,9 | 1400 |
| 17,6 | 79,76 | 810 | 10400 | 1 | ||
| 20,7 | 67,65 | 685 | 11400 | 1,2 | ||
| 23 | 61,07 | 620 | 11800 | 1,3 | ||
| 26 | 53,73 | 545 | 12200 | 1,5 | ||
| 28 | 50,74 | 515 | 12300 | 1,6 | ||
| 32 | 43,2 | 440 | 12700 | 1,85 | ||
| 36 | 39,26 | 400 | 12800 | 1,95 | ||
| 39 | 36,3 | 370 | 12900 | 2,2 | ||
| 44 | 32,08 | 325 | 13000 | 2,5 | ||
| 51 | 27,41 | 280 | 13000 | 2,9 | ||
| 56 | 25,13 | 255 | 13000 | 3,2 | ||
| 2,2 | 23 | 61,07 | 910 | 9420 | 0,9 | 1400 |
| 26 | 53,73 | 800 | 10500 | 1 | ||
| 28 | 50,74 | 755 | 10800 | 1,1 | ||
| 32 | 43,2 | 645 | 11600 | 1,25 | ||
| 36 | 39,26 | 585 | 12000 | 1,35 | ||
| 41 | 34,1 | 505 | 12400 | 1,45 | ||
| 44 | 32,08 | 480 | 12500 | 1,7 | ||
| 51 | 27,41 | 410 | 12800 | 2 | ||
| 56 | 25,13 | 375 | 12900 | 2,2 | ||
| 63 | 22,05 | 330 | 13000 | 2,5 | ||
| 67 | 20,9 | 310 | 13000 | 2,6 | ||
| 76,5 | 18,29 | 275 | 13000 | 3 | ||
| 3 | 32 | 43,2 | 880 | 9690 | 0,95 | 1400 |
| 36 | 39,26 | 800 | 10500 | 0,95 | ||
| 41 | 34,01 | 695 | 11300 | 1,05 | ||
| 44 | 32,08 | 655 | 11600 | 1,25 | ||
| 51 | 27,41 | 560 | 12100 | 1,45 | ||
| 56 | 25,13 | 515 | 12300 | 1,6 | ||
| 63 | 22,05 | 450 | 12600 | 1,8 | ||
| 67 | 20,9 | 430 | 12700 | 1,9 | ||
| 76,5 | 18,29 | 375 | 12900 | 2,2 | ||
| 85 | 16,48 | 335 | 13000 | 2,4 | ||
| 97 | 14,46 | 295 | 13000 | 2,8 | ||
| 4 | 51 | 27,41 | 735 | 11000 | 1,1 | 1400 |
| 56 | 25,13 | 675 | 11400 | 1,2 | ||
| 63 | 22,05 | 595 | 11900 | 1,4 | ||
| 67 | 20,9 | 560 | 12100 | 1,45 | ||
| 76,5 | 18,29 | 490 | 12400 | 1,65 | ||
| 85 | 16,48 | 445 | 12700 | 1,85 | ||
| 97 | 14,46 | 390 | 12900 | 2,1 | ||
| 110 | 12,76 | 345 | 13000 | 2,4 | ||
| 124 | 11,31 | 305 | 13000 | 2,7 | ||
| 145 | 9,66 | 260 | 13000 | 3,2 | ||
| 154 | 9,08 | 245 | 13000 | 2,2 | ||
| 163 | 8,6 | 230 | 12800 | 2,5 | ||
| 186 | 7,53 | 205 | 12400 | 3 | ||
| 206 | 6,78 | 183 | 12100 | 3,4 | ||
| 235 | 5,95 | 160 | 11700 | 3,8 | ||
| 267 | 5,25 | 141 | 11400 | 4,2 | ||
| 300 | 4,66 | 125 | 11000 | 4,5 | ||
| 353 | 3,97 | 107 | 10600 | 4,7 | ||
| 5,5 | 63 | 22,05 | 810 | 10400 | 1 | 1400 |
| 67 | 20,9 | 770 | 10800 | 1,05 | ||
| 76,5 | 18,29 | 670 | 11500 | 1,2 | ||
| 85 | 16,48 | 605 | 11900 | 1,35 | ||
| 97 | 14,46 | 530 | 12300 | 1,55 | ||
| 110 | 12,76 | 470 | 12500 | 1,75 | ||
| 124 | 11,31 | 415 | 12800 | 1,95 | ||
| 145 | 9,66 | 355 | 12900 | 2,3 | ||
| 154 | 9,08 | 335 | 12400 | 1,6 | ||
| 163 | 8,6 | 315 | 12300 | 1,8 | ||
| 186 | 7,53 | 275 | 12000 | 2,2 | ||
| 206 | 6,78 | 250 | 11700 | 2,5 | ||
| 235 | 5,95 | 220 | 11400 | 2,8 | ||
| 267 | 5,25 | 193 | 11100 | 3,1 | ||
| 300 | 4,66 | 171 | 10700 | 3,3 | ||
| 353 | 3,97 | 146 | 10300 | 3,4 |


1. Модель редуктора
(F-исполнение на лапах с цельным валом,
FA - исполнение на лапах с полым валом,
FH - исполнение с полым валом и стяжной муфтой,
FF - исполнение на фланце с цельным валом,
FAF - исполнение на фланце с полым валом,
FHF - исполнение с полым валом на фланце со стяжной муфтой,
FZ - исполнение с малым фланцем).
2. Габарит редуктора (37,47,57,67,77, 87, 97,107,127,157).
3. Исполнение с резиновым амортизатором.
4. Передаточное число.
5. Число оборотов выходного вала, об/мин.
6. Мощность электродвигателя, кВт.
7. Наличие электромагнитного тормоза у электродвигателя,
(Е- одинарный тормоз, ЕЕ- двойной тормоз,
Е(МШ)- одинарный малошумный тормоз,
ЕЕ(МШ)- двойной малошумный тормоз).
8. Тип фланца электродвигателя (В5;В14).
9. Монтажная позиция редуктора (M1, M2, M3, M4, M5, M6).
10. Дополнительные опции.











| Исполнение 1 | Исполнение 2 | Исполнение 3 | Исполнение 4 | Исполнение 5 | Исполнение 6 | |
| Р, мм | 140 | 160 | 200 | 250 | 300 | 350 |
| Z5*, мм | 50 | 55 | 60 | 80 | 90 | 90 |
| KM, мм | в зависимости от смонтированного двигателя | |||||
| АС, мм | в зависимости от смонтированного двигателя | |||||
| AD, мм | в зависимости от смонтированного двигателя | |||||
Z5* Указанный размер ориентировочный и может отличаться от действительного.
| Мощность, кВт | Частота вращения выходного вала, об/мин |
Передаточное число | Крутящий момент, Нм | Допустимая радиальная нагрузка, Н | Сервис- фактор | Частота вращения эл.двигателя |
| 0,18 | 3,1 | 281,77 | 555 | 19600 | 2,7 | 900 |
| 3,3 | 262,93 | 520 | 19700 | 2,9 | ||
| 3,8 | 225,79 | 445 | 19800 | 3,4 | ||
| 0,25 | 3,1 | 281,77 | 765 | 19100 | 1,95 | |
| 3,3 | 262,93 | 715 | 19200 | 2,1 | ||
| 3,8 | 225,79 | 615 | 19500 | 2,5 | ||
| 4,4 | 198,31 | 540 | 19600 | 2,8 | ||
| 4,7 | 188,4 | 510 | 19700 | 2,9 | ||
| 0,37 | 3,8 | 225,79 | 890 | 18700 | 1,7 | |
| 4,4 | 198,31 | 780 | 19100 | 1,95 | ||
| 4,7 | 188,4 | 740 | 19200 | 2 | ||
| 5,4 | 166,47 | 1655 | 19400 | 2,3 | ||
| 6,3 | 142,27 | 560 | 19600 | 2,7 | ||
| 5 | 281,77 | 720 | 19200 | 2,1 | 1400 | |
| 5,3 | 262,93 | 675 | 19300 | 2,2 | ||
| 6,2 | 225,79 | 580 | 19500 | 2,6 | ||
| 7,1 | 198,31 | 510 | 19700 | 3 | ||
| 0,55 | 3,8 | 225,79 | 1320 | 16800 | 1,15 | 900 |
| 4,4 | 198,31 | 1160 | 17600 | 1,3 | ||
| 4,7 | 188,4 | 1100 | 17900 | 1,35 | ||
| 5,4 | 166,47 | 970 | 18400 | 1,55 | ||
| 6,3 | 142,27 | 830 | 18900 | 1,8 | ||
| 6,9 | 130,42 | 760 | 19100 | 1,95 | ||
| 6,2 | 225,79 | 870 | 18800 | 1,7 | ||
| 7,1 | 198,31 | 765 | 19100 | 1,95 | ||
| 7,4 | 188,4 | 730 | 19200 | 2,1 | 1400 | |
| 8,4 | 166,47 | 645 | 19400 | 2,3 | ||
| 9,8 | 142,27 | 550 | 19600 | 2,7 | ||
| 10,7 | 130,42 | 505 | 19700 | 3 | ||
| 12,2 | 114,45 | 440 | 19800 | 3,4 | ||
| 12,9 | 108,46 | 420 | 19800 | 3,6 | ||
| 14,7 | 94,93 | 365 | 19900 | 4,1 | ||
| 0,75 | 4,4 | 198,31 | 1580 | 15200 | 0,95 | 900 |
| 4,7 | 188,4 | 1500 | 15700 | 1 | ||
| 5,4 | 166,47 | 1320 | 16800 | 1,15 | ||
| 6,3 | 142,27 | 1130 | 17800 | 1,3 | ||
| 6,9 | 130,42 | 1040 | 18200 | 1,45 | ||
| 6,2 | 225,79 | 1170 | 17600 | 1,3 | 1400 | |
| 7,1 | 198,31 | 1030 | 18200 | 1,45 | ||
| 7,4 | 188,4 | 980 | 18400 | 1,55 | ||
| 8,4 | 166,47 | 860 | 18800 | 1,75 | ||
| 9,8 | 142,27 | 740 | 19200 | 2 | ||
| 10,7 | 130,42 | 675 | 19300 | 2,2 | ||
| 12,2 | 114,45 | 595 | 19500 | 2,5 | ||
| 12,9 | 108,46 | 565 | 19600 | 2,7 | 1400 | |
| 1,1 | 7,1 | 198,31 | 1490 | 15800 | 1 | |
| 7,4 | 188,4 | 1410 | 16300 | 1,05 | ||
| 8,4 | 166,47 | 1250 | 17200 | 1,2 | ||
| 9,8 | 142,27 | 1070 | 18000 | 1,4 | ||
| 10,7 | 130,42 | 980 | 18400 | 1,55 | ||
| 12,2 | 114,45 | 860 | 18800 | 1,75 | ||
| 12,9 | 108,46 | 810 | 18900 | 1,85 | ||
| 14,7 | 94,93 | 710 | 19200 | 2,1 | ||
| 16,4 | 85,52 | 640 | 19400 | 2,3 | ||
| 18,7 | 75,02 | 565 | 19600 | 2,7 | ||
| 1,5 | 8,4 | 166,47 | 1690 | 14300 | 0,9 | 1400 |
| 9,8 | 142,27 | 1450 | 16100 | 1,05 | ||
| 10,7 | 130,42 | 1320 | 16800 | 1,15 | ||
| 12,2 | 114,45 | 1160 | 17600 | 1,3 | ||
| 12,9 | 108,46 | 1100 | 17900 | 1,35 | ||
| 14,7 | 94,93 | 960 | 18400 | 1,55 | ||
| 16,4 | 85,52 | 870 | 18800 | 1,75 | ||
| 18,7 | 75,02 | 760 | 19100 | 1,95 | ||
| 19,3 | 72,5 | 735 | 19200 | 2 | ||
| 21 | 66,46 | 675 | 19300 | 2,2 | ||
| 24 | 58,32 | 595 | 19500 | 2,5 | ||
| 25 | 55,27 | 560 | 19600 | 2,7 | ||
| 29 | 48,37 | 490 | 19700 | 3 | ||
| 32 | 43,58 | 445 | 19800 | 3,4 | ||
| 37 | 38,23 | 390 | 19900 | 3,9 | ||
| 38 | 36,58 | 370 | 19900 | 3 | ||
| 44 | 31,51 | 320 | 20000 | 4,3 | ||
| 2,2 | 12,2 | 114,45 | 1710 | 14200 | 0,9 | 1400 |
| 12,9 | 108,46 | 1620 | 14900 | 0,95 | ||
| 14,7 | 94,93 | 1410 | 16300 | 1,05 | ||
| 16,4 | 85,52 | 1270 | 17100 | 1,2 | ||
| 18,7 | 75,02 | 1120 | 17800 | 1,35 | ||
| 21 | 66,46 | 990 | 18300 | 1,5 | ||
| 24 | 58,32 | 870 | 18800 | 1,75 | ||
| 25 | 55,27 | 820 | 18900 | 1,8 | ||
| 29 | 48,37 | 720 | 19200 | 2,1 | ||
| 32 | 43,58 | 650 | 19400 | 2,3 | ||
| 38 | 36,58 | 545 | 19600 | 2 | ||
| 44 | 31,51 | 470 | 19700 | 2,9 | ||
| 49 | 28,75 | 430 | 19800 | 3,3 | ||
| 55 | 25,5 | 380 | 19900 | 4 | ||
| 3 | 16,4 | 85,52 | 1750 | 13800 | 0,85 | 1400 |
| 18,7 | 75,02 | 1540 | 15500 | 1 | ||
| 21 | 66,46 | 1360 | 16600 | 1,1 | ||
| 24 | 58,32 | 1190 | 17500 | 1,25 | ||
| 25 | 55,27 | 1130 | 17800 | 1,35 | ||
| 29 | 48,37 | 990 | 18300 | 1,5 | ||
| 32 | 43,58 | 890 | 18700 | 1,7 | ||
| 37 | 38,23 | 780 | 19000 | 1,9 | ||
| 38 | 36,58 | 750 | 19100 | 1,5 | ||
| 44 | 31,51 | 645 | 19400 | 2,1 | ||
| 49 | 28,75 | 590 | 19500 | 2,4 | ||
| 55 | 25,5 | 520 | 19700 | 2,9 | ||
| 65 | 21,43 | 440 | 19800 | 3,4 | ||
| 4 | 21 | 66,46 | 1790 | 13400 | 0,85 | 1400 |
| 24 | 58,32 | 1570 | 15200 | 0,95 | ||
| 25 | 55,27 | 1490 | 15800 | 1 | ||
| 29 | 48,37 | 1300 | 16900 | 1,15 | ||
| 32 | 43,58 | 1170 | 17600 | 1,3 | ||
| 37 | 38,23 | 1030 | 18200 | 1,45 | ||
| 41 | 33,74 | 910 | 18600 | 1,65 | ||
| 47 | 29,91 | 800 | 19000 | 1,85 | ||
| 55 | 25,54 | 685 | 19300 | 2,1 | ||
| 44 | 31,51 | 850 | 18800 | 1,65 | ||
| 49 | 28,75 | 775 | 19100 | 1,85 | ||
| 55 | 25,5 | 685 | 19300 | 2,2 | ||
| 65 | 21,43 | 575 | 19500 | 2,6 | ||
| 71 | 19,7 | 530 | 19600 | 2,8 | ||
| 5,5 | 29 | 48,37 | 1780 | 13500 | 0,85 | 1400 |
| 32 | 43,58 | 1600 | 15000 | 0,95 | ||
| 37 | 38,23 | 1400 | 16300 | 1,05 | ||
| 41 | 33,74 | 1240 | 17300 | 1,2 | ||
| 47 | 29,91 | 1100 | 17900 | 1,35 | ||
| 55 | 25,54 | 940 | 18500 | 1,55 | ||
| 55 | 25,5 | 940 | 18500 | 1,6 | ||
| 65 | 21,43 | 785 | 19000 | 1,9 | ||
| 71 | 19,7 | 725 | 19200 | 2,1 | ||
| 80 | 17,49 | 645 | 19400 | 2,3 | ||
| 90 | 15,64 | 575 | 19600 | 2,6 | ||
| 100 | 14,06 | 515 | 19300 | 2,9 | ||
| 115 | 12,2 | 450 | 18600 | 3,3 | ||
| 7,5 | 41 | 33,74 | 1690 | 14300 | 0,9 | 1400 |
| 47 | 29,91 | 1500 | 15700 | 1 | ||
| 55 | 25,54 | 1280 | 17000 | 1,15 | ||
| 55 | 25,5 | 1280 | 17100 | 1,15 | ||
| 65 | 21,43 | 1070 | 18000 | 1,4 | ||
| 71 | 19,7 | 990 | 18400 | 1,5 | ||
| 80 | 17,49 | 880 | 18800 | 1,7 | ||
| 90 | 15,64 | 785 | 19000 | 1,9 | ||
| 100 | 14,06 | 705 | 18600 | 2,1 | ||
| 115 | 12,2 | 610 | 18000 | 2,5 | ||
| 128 | 10,93 | 545 | 17600 | 2,7 | ||
| 151 | 9,3 | 465 | 16500 | 2,3 | ||
| 170 | 8,26 | 415 | 16100 | 2,6 | ||
| 189 | 7,39 | 370 | 15700 | 2,9 | ||
| 211 | 6,64 | 335 | 15300 | 3,2 | ||
| 243 | 5,76 | 290 | 14800 | 3,7 | ||
| 271 | 5,16 | 260 | 14500 | 4,2 | ||
| 327 | 4,28 | 215 | 13800 | 4,7 | ||
| 11 | 71 | 19,7 | 1440 | 16100 | 1,05 | 1400 |
| 80 | 17,49 | 1280 | 17100 | 1,2 | ||
| 90 | 15,64 | 1140 | 17600 | 1,3 | ||
| 100 | 14,06 | 1030 | 17400 | 1,45 | ||
| 115 | 12,2 | 890 | 17000 | 1,7 | ||
| 128 | 10,93 | 795 | 16700 | 1,9 | ||
| 151 | 9,3 | 680 | 15500 | 1,6 | ||
| 170 | 8,26 | 605 | 15200 | 1,8 | ||
| 189 | 7,39 | 540 | 14900 | 2 | ||
| 211 | 6,64 | 485 | 14600 | 2,2 | ||
| 243 | 5,76 | 420 | 14200 | 2,6 | ||
| 271 | 5,16 | 375 | 13900 | 2,9 | ||
| 327 | 4,28 | 310 | 13300 | 3,2 |


1. Модель редуктора
(F-исполнение на лапах с цельным валом,
FA - исполнение на лапах с полым валом,
FH - исполнение с полым валом и стяжной муфтой,
FF - исполнение на фланце с цельным валом,
FAF - исполнение на фланце с полым валом,
FHF - исполнение с полым валом на фланце со стяжной муфтой,
FZ - исполнение с малым фланцем).
2. Габарит редуктора (37,47,57,67,77, 87, 97,107,127,157).
3. Исполнение с резиновым амортизатором.
4. Передаточное число.
5. Число оборотов выходного вала, об/мин.
6. Мощность электродвигателя, кВт.
7. Наличие электромагнитного тормоза у электродвигателя,
(Е- одинарный тормоз, ЕЕ- двойной тормоз,
Е(МШ)- одинарный малошумный тормоз,
ЕЕ(МШ)- двойной малошумный тормоз).
8. Тип фланца электродвигателя (В5;В14).
9. Монтажная позиция редуктора (M1, M2, M3, M4, M5, M6).
10. Дополнительные опции.











| Исполнение 1 | Исполнение 2 | Исполнение 3 | Исполнение 4 | Исполнение 5 | |
| Р, мм | 160 | 200 | 250 | 300 | 350 |
| Z5*, мм | 55 | 60 | 80 | 90 | 125 |
| KM, мм | в зависимости от смонтированного двигателя | ||||
| АС, мм | в зависимости от смонтированного двигателя | ||||
| AD, мм | в зависимости от смонтированного двигателя | ||||
Z5* Указанный размер ориентировочный и может отличаться от действительного.
| Мощность, кВт | Частота вращения выходного вала, об/мин | Передаточное число | Крутящий момент, Нм | Допустимая радиальная нагрузка, Н | Сервис- фактор | Частота вращения эл.двигателя |
| 0,37 | 2,5 | 270,68 | 1410 | 28100 | 2,1 | 700 |
| 2,7 | 255,37 | 1330 | 28200 | 2,3 | ||
| 3 | 228,93 | 1190 | 28600 | 2,5 | ||
| 3,5 | 197,2 | 1020 | 28900 | 2,9 | ||
| 3,3 | 270,68 | 1060 | 28800 | 2,8 | 900 | |
| 3,5 | 255,37 | 1000 | 29000 | 3 | ||
| 3,9 | 228,93 | 900 | 29200 | 3,3 | ||
| 0,55 | 2,5 | 270,68 | 2090 | 26200 | 1,45 | 700 |
| 2,7 | 255,37 | 1970 | 26500 | 1,5 | ||
| 3 | 228,93 | 1770 | 27100 | 1,7 | ||
| 3,5 | 197,2 | 1520 | 27800 | 1,95 | ||
| 3,3 | 270,68 | 1580 | 27600 | 1,9 | 900 | |
| 3,5 | 255,37 | 1490 | 27800 | 2 | ||
| 3,9 | 228,93 | 1340 | 28200 | 2,2 | ||
| 4,6 | 197,2 | 1150 | 28700 | 2,6 | ||
| 5 | 179,97 | 1050 | 28900 | 2,9 | ||
| 0,75 | 3,3 | 270,68 | 2150 | 26000 | 1,4 | |
| 3,5 | 255,37 | 2030 | 26300 | 1,5 | ||
| 3,9 | 228,93 | 1820 | 27000 | 1,65 | ||
| 4,6 | 197,2 | 1570 | 27600 | 1,9 | ||
| 5 | 179,97 | 1430 | 28000 | 2,1 | ||
| 5,6 | 159,61 | 1270 | 28400 | 2,4 | ||
| 5,2 | 270,68 | 1400 | 28100 | 2,1 | 1400 | |
| 5,5 | 255,37 | 1330 | 28200 | 2,3 | ||
| 6,1 | 228,93 | 1190 | 28600 | 2,5 | ||
| 1,1 | 3,3 | 270,68 | 3090 | 16000 | 0,95 | 900 |
| 3,5 | 255,37 | 2920 | 22700 | 1,05 | ||
| 3,9 | 228,93 | 2610 | 24400 | 1,15 | ||
| 4,6 | 197,2 | 2250 | 25700 | 1,35 | ||
| 5 | 179,97 | 2050 | 26300 | 1,45 | ||
| 5,6 | 159,61 | 1820 | 27000 | 1,65 | ||
| 5,2 | 270,68 | 2030 | 26300 | 1,5 | 1400 | |
| 5,5 | 255,37 | 1920 | 26700 | 1,55 | ||
| 6,1 | 228,93 | 1720 | 27200 | 1,75 | ||
| 7,1 | 197,2 | 1480 | 27900 | 2 | ||
| 7,8 | 179,97 | 1350 | 28200 | 2,2 | ||
| 8,8 | 159,61 | 1200 | 28500 | 2,5 | ||
| 10,4 | 134,16 | 1010 | 29000 | 3 | ||
| 11,4 | 123,29 | 930 | 29100 | 3,2 | ||
| 1,5 | 5,2 | 270,68 | 2750 | 23900 | 1,1 | 1400 |
| 5,5 | 255,37 | 2590 | 24500 | 1,15 | ||
| 6,1 | 228,93 | 2330 | 24600 | 1,3 | ||
| 7,1 | 197,2 | 2000 | 24600 | 1,5 | ||
| 7,8 | 179,97 | 1830 | 26900 | 1,65 | ||
| 8,8 | 159,61 | 1620 | 27500 | 1,85 | ||
| 10,4 | 134,16 | 1360 | 28200 | 2,2 | ||
| 12,8 | 109,49 | 1110 | 28700 | 2,7 | ||
| 14,3 | 97,89 | 990 | 29000 | 3 | ||
| 2,2 | 7,1 | 197,2 | 2940 | 22000 | 1 | 1400 |
| 7,8 | 179,97 | 2680 | 24200 | 1,1 | ||
| 8,8 | 159,61 | 2380 | 25200 | 1,25 | ||
| 10,4 | 134,16 | 2000 | 26400 | 1,5 | ||
| 11,4 | 123,29 | 1840 | 26900 | 1,65 | ||
| 12,8 | 109,49 | 1630 | 27500 | 1,85 | ||
| 14,3 | 97,89 | 1460 | 27900 | 2,1 | ||
| 16 | 88,01 | 1310 | 28300 | 2,3 | ||
| 18,3 | 76,39 | 1140 | 27800 | 2,6 | ||
| 21 | 68,4 | 1020 | 27100 | 2,9 | ||
| 25 | 56,75 | 850 | 25900 | 3,5 | ||
| 28 | 50,36 | 750 | 25200 | 3,9 | ||
| 31 | 45,28 | 675 | 24500 | 4,2 | ||
| 3 | 10,4 | 134,16 | 2750 | 23900 | 1,1 | 1400 |
| 11,4 | 123,29 | 2520 | 24700 | 1,2 | ||
| 12,8 | 109,49 | 2240 | 25700 | 1,35 | ||
| 14,3 | 97,89 | 2000 | 26400 | 1,5 | ||
| 16 | 88,01 | 1800 | 26900 | 1,65 | ||
| 18,3 | 76,39 | 1560 | 26300 | 1,9 | ||
| 21 | 68,4 | 1400 | 25700 | 2,1 | ||
| 25 | 56,75 | 1160 | 24800 | 2,6 | ||
| 28 | 50,36 | 1030 | 24100 | 2,8 | ||
| 4 | 12,8 | 109,49 | 2950 | 21700 | 1 | 1400 |
| 14,3 | 97,89 | 2630 | 24300 | 1,15 | ||
| 16 | 88,01 | 2370 | 24600 | 1,25 | ||
| 18,3 | 76,39 | 2050 | 24200 | 1,45 | ||
| 21 | 68,4 | 1840 | 23900 | 1,65 | ||
| 25 | 56,75 | 1530 | 23200 | 1,95 | ||
| 28 | 50,36 | 1350 | 22800 | 2,2 | ||
| 31 | 45,28 | 1220 | 22300 | 2,3 | ||
| 5,5 | 16 | 88,01 | 3230 | 25760 | 0,95 | 1400 |
| 18,3 | 76,39 | 2810 | 21200 | 1,05 | ||
| 21 | 68,4 | 2510 | 21200 | 1,2 | ||
| 25 | 56,75 | 2080 | 21000 | 1,45 | ||
| 28 | 50,36 | 1850 | 20800 | 1,6 | ||
| 31 | 45,28 | 1660 | 20500 | 1,7 | ||
| 36 | 39,3 | 1440 | 20100 | 1,9 | ||
| 40 | 35,19 | 1290 | 19800 | 2 | ||
| 48 | 29,2 | 1070 | 19100 | 2,3 | ||
| 41 | 33,92 | 1250 | 19700 | 2,1 | ||
| 49 | 28,78 | 1060 | 19100 | 2,3 | ||
| 53 | 26,5 | 970 | 18800 | 3,1 | ||
| 59 | 23,68 | 870 | 18400 | 3,5 | ||
| 7,5 | 25 | 56,75 | 2840 | 18100 | 1,05 | 1400 |
| 28 | 50,36 | 2520 | 18200 | 1,15 | ||
| 31 | 45,28 | 2270 | 18200 | 1,25 | ||
| 36 | 39,3 | 1970 | 18100 | 1,4 | ||
| 40 | 35,19 | 1760 | 18000 | 1,5 | ||
| 48 | 29,2 | 1460 | 17600 | 1,7 | ||
| 49 | 28,78 | 1440 | 17600 | 1,7 | ||
| 53 | 26,5 | 1330 | 17400 | 2,3 | ||
| 59 | 23,68 | 1190 | 17100 | 2,5 | ||
| 66 | 21,32 | 1070 | 16800 | 2,8 | ||
| 73 | 19,31 | 970 | 16500 | 3,1 | ||
| 82 | 17,12 | 860 | 16200 | 3,5 | ||
| 90 | 15,48 | 775 | 15900 | 3,9 | ||
| 11 | 36 | 39,3 | 2870 | 14600 | 0,95 | 1400 |
| 40 | 35,19 | 2570 | 14800 | 1 | ||
| 48 | 29,2 | 2130 | 15000 | 1,2 | ||
| 53 | 26,5 | 1930 | 15000 | 1,55 | ||
| 59 | 23,68 | 1730 | 15000 | 1,75 | ||
| 66 | 21,32 | 1560 | 14900 | 1,95 | ||
| 73 | 19,31 | 1410 | 14800 | 2,1 | ||
| 82 | 17,12 | 1250 | 14600 | 2,4 | ||
| 90 | 15,48 | 1130 | 14400 | 2,7 | ||
| 107 | 13,12 | 960 | 14100 | 3,1 | ||
| 15 | 53 | 26,5 | 2600 | 12300 | 1,15 | 1400 |
| 59 | 23,68 | 23200 | 12600 | 1,3 | ||
| 66 | 21,32 | 2090 | 12700 | 1,45 | ||
| 73 | 19,31 | 1890 | 12800 | 1,6 | ||
| 82 | 17,12 | 1680 | 12900 | 1,8 | ||
| 90 | 15,48 | 1520 | 12800 | 2 | ||
| 107 | 13,12 | 1290 | 12700 | 2,3 | ||
| 122 | 11,46 | 1120 | 12600 | 2,7 | ||
| 146 | 9,58 | 940 | 12300 | 3,1 | ||
| 169 | 8,29 | 810 | 11700 | 1,9 | ||
| 190 | 7,35 | 720 | 11500 | 2,1 | ||
| 211 | 6,65 | 650 | 11300 | 2,3 | ||
| 249 | 5,63 | 555 | 11000 | 2,8 | ||
| 285 | 4,92 | 485 | 10700 | 3,2 | ||
| 340 | 4,12 | 405 | 10300 | 3,6 | ||
| 18,5 | 66 | 21,32 | 2570 | 10900 | 1,15 | 1400 |
| 73 | 19,31 | 2330 | 11100 | 1,3 | ||
| 82 | 17,12 | 2060 | 11400 | 1,45 | ||
| 90 | 15,48 | 1870 | 11500 | 1,6 | ||
| 107 | 13,12 | 1580 | 11600 | 1,9 | ||
| 122 | 11,46 | 1380 | 11600 | 2,2 | ||
| 146 | 9,58 | 1160 | 11500 | 2,5 | ||
| 169 | 8,29 | 1000 | 10900 | 1,55 | ||
| 190 | 7,35 | 890 | 10800 | 1,75 | ||
| 211 | 6,65 | 800 | 10700 | 1,9 | ||
| 249 | 5,63 | 680 | 10400 | 2,2 | ||
| 285 | 4,92 | 595 | 10200 | 2,6 | ||
| 340 | 4,12 | 495 | 9900 | 2,9 | ||
| 66 | 21,32 | 3060 | 8990 | 1 | ||
| 73 | 19,31 | 2770 | 9430 | 1,1 | ||
| 82 | 17,12 | 2460 | 9850 | 1,2 | ||
| 90 | 15,48 | 2220 | 10100 | 1,35 | ||
| 107 | 13,12 | 1880 | 10400 | 1,6 | ||
| 122 | 11,46 | 1640 | 10600 | 1,85 | ||
| 146 | 9,58 | 1370 | 10600 | 2,1 | ||
| 169 | 8,29 | 1190 | 10100 | 1,3 | ||
| 190 | 7,35 | 1050 | 10100 | 1,45 | ||
| 211 | 6,65 | 950 | 10000 | 1,6 | ||
| 249 | 5,63 | 810 | 9900 | 1,9 | ||
| 285 | 4,92 | 705 | 9750 | 2,2 | ||
| 340 | 4,12 | 590 | 9500 | 2,5 |


1. Модель редуктора
(F-исполнение на лапах с цельным валом,
FA - исполнение на лапах с полым валом,
FH - исполнение с полым валом и стяжной муфтой,
FF - исполнение на фланце с цельным валом,
FAF - исполнение на фланце с полым валом,
FHF - исполнение с полым валом на фланце со стяжной муфтой,
FZ - исполнение с малым фланцем).
2. Габарит редуктора (37,47,57,67,77, 87, 97,107,127,157).
3. Исполнение с резиновым амортизатором.
4. Передаточное число.
5. Число оборотов выходного вала, об/мин.
6. Мощность электродвигателя, кВт.
7. Наличие электромагнитного тормоза у электродвигателя,
(Е- одинарный тормоз, ЕЕ- двойной тормоз,
Е(МШ)- одинарный малошумный тормоз,
ЕЕ(МШ)- двойной малошумный тормоз).
8. Тип фланца электродвигателя (В5;В14).
9. Монтажная позиция редуктора (M1, M2, M3, M4, M5, M6).
10. Дополнительные опции.











| Исполнение 1 | Исполнение 2 | Исполнение 3 | Исполнение 4 | Исполнение 5 | |
| Р, мм | 200 | 250 | 300 | 350 | 400 |
| Z5*, мм | 60 | 80 | 90 | 125 | 145 |
| KM, мм | в зависимости от смонтированного двигателя | ||||
| АС, мм | в зависимости от смонтированного двигателя | ||||
| AD, мм | в зависимости от смонтированного двигателя | ||||
Z5* Указанный размер ориентировочный и может отличаться от действительного.
| Мощность, кВт | Частота вращения выходного вала, об/мин |
Передаточное число | Крутящий момент, Нм | Допустимая радиальная нагрузка, Н | Сервис- фактор | Частота вращения эл.двигателя |
| 0,55 | 2,5 | 276,77 | 2140 | 35100 | 2 | 700 |
| 2,7 | 253,41 | 1960 | 35500 | 2,2 | ||
| 3 | 223,88 | 1730 | 35900 | 2,5 | ||
| 0,75 | 2,5 | 276,77 | 2870 | 33600 | 1,5 | |
| 2,7 | 253,41 | 2630 | 34100 | 1,65 | ||
| 3 | 223,88 | 2320 | 34800 | 1,85 | ||
| 3,3 | 276,77 | 2200 | 35000 | 1,95 | 900 | |
| 3,6 | 253,41 | 2020 | 35400 | 2,1 | ||
| 4,1 | 223,88 | 1780 | 35800 | 2,4 | ||
| 1,1 | 3,3 | 276,77 | 3160 | 32900 | 1,35 | |
| 3,6 | 253,41 | 2890 | 33600 | 1,5 | ||
| 4,1 | 223,88 | 2560 | 34300 | 1,7 | ||
| 4,8 | 189,92 | 2170 | 35100 | 2 | ||
| 5,3 | 174,87 | 2000 | 35400 | 2,2 | ||
| 5 | 276,77 | 2080 | 35200 | 2,1 | 1400 | |
| 5,5 | 253,41 | 1900 | 35600 | 2,3 | ||
| 6,3 | 223,88 | 1680 | 36000 | 2,6 | ||
| 1,5 | 3,3 | 276,77 | 4310 | 29900 | 1,0 DR | 900 |
| 3,6 | 253,41 | 3950 | 30900 | 1,1 | ||
| 4,1 | 223,88 | 3490 | 32100 | 1,25 | ||
| 4,8 | 189,92 | 2960 | 33400 | 1,45 | ||
| 5,3 | 174,87 | 2720 | 33900 | 1,6 | ||
| 5 | 276,77 | 2810 | 33700 | 1,55 | 1400 | |
| 5,5 | 253,41 | 2570 | 34300 | 1,65 | ||
| 6,3 | 223,88 | 2270 | 34900 | 1,9 | ||
| 7,4 | 189,92 | 1930 | 35500 | 2,2 | ||
| 8 | 174,87 | 1780 | 35800 | 2,4 | ||
| 2,2 | 4,1 | 223,88 | 5000 | 12400 | 0,85 | 900 |
| 4,8 | 189,92 | 4240 | 30100 | 1 | ||
| 5,3 | 174,87 | 3910 | 31000 | 1,1 | ||
| 6 | 156,3 | 3490 | 32100 | 1,25 | ||
| 5 | 276,77 | 4120 | 30400 | 1,05 | 1400 | |
| 5,5 | 253,41 | 3780 | 31400 | 1,15 | ||
| 6,3 | 223,88 | 3340 | 32500 | 1,3 | ||
| 7,4 | 189,92 | 2830 | 33700 | 1,5 | ||
| 8 | 174,87 | 2610 | 34200 | 1,65 | ||
| 9 | 156,3 | 2330 | 34800 | 1,85 | ||
| 10 | 140,71 | 2100 | 35200 | 2 | ||
| 11 | 127,42 | 1900 | 35600 | 2,3 | ||
| 3 | 6,3 | 223,88 | 4580 | 29000 | 0,95 | 1400 |
| 7,4 | 189,92 | 3890 | 31100 | 1,1 | ||
| 8 | 174,87 | 3580 | 31900 | 1,25 | ||
| 9 | 156,3 | 3200 | 32800 | 1,35 | ||
| 10 | 140,71 | 2880 | 33600 | |||
| 11 | 127,42 | 2610 | 34200 | 1,65 | ||
| 12,4 | 112,99 | 2310 | 34800 | 1,85 | ||
| 13,7 | 102,16 | 2090 | 35200 | 2,1 | ||
| 15,6 | 89,85 | 1840 | 3570 | 2,3 | ||
| 4 | 8 | 174,87 | 4700 | 26600 | 0,9 | 1400 |
| 9 | 156,3 | 4200 | 30200 | 1 | ||
| 10 | 140,71 | 3780 | 31400 | 1,15 | ||
| 11 | 127,42 | 3430 | 32300 | 1,25 | ||
| 12,4 | 112,99 | 3040 | 33200 | 1,4 | ||
| 13,7 | 102,16 | 2750 | 33900 | 1,55 | ||
| 14,3 | 97,58 | 2620 | 34100 | 1,65 | ||
| 15,6 | 89,85 | 2420 | 34600 | 1,8 | ||
| 17,4 | 80,31 | 2160 | 35100 | 2 | ||
| 19,4 | 7229 | 1940 | 35500 | 2,2 | ||
| 21 | 65,47 | 1760 | 35800 | 2,4 | ||
| 5,5 | 11 | 127,42 | 4680 | 27400 | 0,9 | 1400 |
| 12,4 | 112,99 | 4150 | 3030 | 1,05 | ||
| 13,7 | 102,16 | 3750 | 31400 | 1,15 | ||
| 14,3 | 97,58 | 3580 | 31900 | 1,2 | ||
| 15,6 | 89,85 | 3300 | 32600 | 1,3 | ||
| 16,2 | 86,59 | 3180 | 32900 | 1,35 | ||
| 17,4 | 80,31 | 2950 | 33400 | 1,45 | ||
| 18,5 | 75,63 | 2780 | 33800 | 1,55 | ||
| 19,4 | 72,29 | 2660 | 34100 | 1,6 | ||
| 21 | 65,47 | 2400 | 34600 | 1,8 | ||
| 24 | 58,06 | 2130 | 34500 | 2 | ||
| 27 | 52,49 | 1930 | 33900 | 2,2 | ||
| 7,5 | 14,3 | 97,58 | 4890 | 19300 | 0,9 | 1400 |
| 15,6 | 89,85 | 4500 | 29300 | 0,95 | ||
| 16,2 | 86,59 | 4340 | 29800 | 1 | ||
| 17,4 | 80,31 | 4020 | 30700 | 1,05 | ||
| 18,5 | 75,63 | 3790 | 31300 | 1,15 | ||
| 19,4 | 72,29 | 3620 | 31800 | 1,2 | ||
| 21 | 65,47 | 3280 | 32200 | 1,3 | ||
| 24 | 58,06 | 2910 | 31800 | 1,5 | ||
| 27 | 52,49 | 2630 | 31400 | 1,65 | ||
| 32 | 44,49 | 2230 | 30600 | 1,95 | ||
| 36 | 38,86 | 1950 | 29900 | 2,2 | ||
| 43 | 32,5 | 1630 | 28900 | 2,6 | ||
| 33 | 43,28 | 2170 | 30500 | 1,4 | ||
| 38 | 36,64 | 1840 | 29600 | 1,65 | ||
| 41 | 33,91 | 1700 | 29200 | 2,5 | ||
| 46 | 30,39 | 1520 | 28500 | 2,8 | ||
| 11 | 21 | 65,47 | 4780 | 24000 | 0,9 | 1400 |
| 24 | 58,06 | 4240 | 27100 | 1 | ||
| 27 | 52,49 | 3830 | 27100 | 1,1 | ||
| 32 | 44,49 | 3250 | 27000 | 1,3 | ||
| 36 | 38,86 | 2830 | 26700 | 1,5 | ||
| 43 | 32,5 | 2370 | 26200 | 1,8 | ||
| 41 | 33,91 | 2470 | 26400 | 1,75 | ||
| 46 | 30,39 | 2220 | 26000 | 1,95 | ||
| 51 | 27,44 | 2000 | 25600 | 2,2 | ||
| 56 | 24,92 | 1820 | 25200 | 2,4 | ||
| 63 | 22,11 | 1620 | 24700 | 2,7 | ||
| 15 | 32 | 44,49 | 4360 | 22900 | 1 | 1400 |
| 36 | 38,86 | 3810 | 23100 | 1,15 | ||
| 43 | 32,5 | 3190 | 23200 | 1,35 | ||
| 41 | 33,91 | 3330 | 23200 | 1,3 | ||
| 46 | 30,39 | 2980 | 23200 | 1,45 | ||
| 51 | 27,44 | 2690 | 23100 | 1,6 | ||
| 56 | 24,92 | 2450 | 22900 | 1,75 | ||
| 63 | 22,11 | 2170 | 22600 | 2 | ||
| 70 | 20,07 | 1970 | 22400 | 2,2 | ||
| 81 | 17,25 | 1690 | 21900 | 2,5 | ||
| 93 | 15,06 | 1480 | 21400 | 2,9 | ||
| 110 | 12,77 | 1250 | 20800 | 3,4 | ||
| 125 | 11,16 | 1100 | 20200 | 3,7 | ||
| 18,5 | 36 | 38,86 | 4690 | 20000 | 0,9 | 1400 |
| 43 | 32,5 | 3920 | 20600 | 1,1 | ||
| 51 | 27,44 | 3310 | 20900 | 1,3 | ||
| 56 | 24,92 | 3010 | 20900 | 1,45 | ||
| 63 | 22,11 | 2670 | 20900 | 1,6 | ||
| 70 | 20,07 | 2420 | 20800 | 1,8 | ||
| 81 | 17,25 | 2080 | 20500 | 2,1 | ||
| 93 | 15,06 | 1820 | 20200 | 2,4 | ||
| 110 | 12,77 | 1540 | 19800 | 2,8 | ||
| 125 | 11,16 | 1350 | 19300 | 3 | ||
| 22 | 51 | 27,44 | 3940 | 188700 | 1,1 | 1400 |
| 56 | 24,92 | 3570 | 18900 | 1,2 | ||
| 63 | 22,11 | 3170 | 19100 | 1,35 | ||
| 70 | 20,07 | 2880 | 19200 | 1,5 | ||
| 81 | 17,25 | 2470 | 19100 | 1,75 | ||
| 93 | 15,06 | 2160 | 19000 | 2 | ||
| 110 | 12,77 | 1830 | 18700 | 2,3 | ||
| 125 | 11,16 | 1600 | 18400 | 2,6 | ||
| 30 | 63 | 22,11 | 4310 | 15100 | 1 | 1400 |
| 70 | 20,07 | 3910 | 15500 | 1,1 | ||
| 81 | 17,25 | 3360 | 16000 | 1,3 | ||
| 93 | 15,06 | 2930 | 16300 | 1,45 | ||
| 110 | 12,77 | 2490 | 16400 | 1,75 | ||
| 125 | 11,16 | 2180 | 16400 | 1,9 | ||
| 155 | 9,06 | 1770 | 15400 | 1,35 | ||
| 170 | 8,22 | 1600 | 15300 | 1,45 | ||
| 198 | 7,07 | 1380 | 15100 | 1,7 | ||
| 227 | 6,17 | 1200 | 14900 | 1,85 | ||
| 268 | 5,23 | 1020 | 14600 | 2,1 | ||
| 306 | 4,57 | 890 | 14300 | 2,3 |













| Исполнение 1 | Исполнение 2 | Исполнение 3 | Исполнение 4 | Исполнение 5 | Исполнение 6 | |
| Р, мм | 200 | 250 | 300 | 350 | 400 | 450 |
| Z5*, мм | 60 | 80 | 90 | 90 | 145 | 145 |
| KM, мм | в зависимости от смонтированного двигателя | |||||
| АС, мм | в зависимости от смонтированного двигателя | |||||
| AD, мм | в зависимости от смонтированного двигателя | |||||
Z5* Указанный размер ориентировочный и может отличаться от действительного.
| Мощность, кВт | Частота вращения выходного вала, об/мин | Передаточное число | Крутящий момент, Нм | Допустимая радиальная нагрузка, Н | Сервис- фактор | Частота вращения эл.двигателя |
| 0,75 | 2,7 | 254,4 | 2640 | 61100 | 2,9 | 700 |
| 1,1 | 2,7 | 254,4 | 3930 | 58600 | 1,95 | |
| 3,2 | 215,37 | 3330 | 59800 | 2,3 | ||
| 3,4 | 199,31 | 3080 | 60200 | 2,5 | ||
| 3,8 | 178,64 | 2760 | 60800 | 2,8 | ||
| 1,5 | 2,7 | 254,4 | 5210 | 55900 | 1,5 | |
| 3,2 | 215,37 | 4410 | 57600 | 1,75 | ||
| 3,4 | 199,31 | 4080 | 58300 | 1,9 | ||
| 3,8 | 178,64 | 3660 | 59100 | 2,1 | ||
| 3,6 | 254,4 | 3960 | 58500 | 1,95 | 900 | |
| 4,3 | 215,37 | 3350 | 59700 | 2,3 | ||
| 4,6 | 199,31 | 3100 | 60200 | 2,5 | ||
| 5,2 | 178,64 | 2780 | 60800 | 2,8 | ||
| 2,2 | 2,7 | 254,4 | 7640 | 49900 | 1 | 700 |
| 3,2 | 215,37 | 6460 | 52900 | 1,2 | ||
| 3,4 | 199,31 | 5980 | 54100 | 1,3 | ||
| 3,8 | 178,64 | 5360 | 55500 | 1,45 | ||
| 3,6 | 254,4 | 5690 | 54800 | 1,35 | 900 | |
| 4,3 | 215,37 | 4810 | 56700 | 1,6 | ||
| 4,6 | 199,31 | 4450 | 57500 | 1,7 | ||
| 5,2 | 178,64 | 3990 | 58400 | 1,9 | ||
| 5,5 | 254,4 | 3790 | 58900 | 2 | 1400 | |
| 6,5 | 215,37 | 3210 | 60000 | 2,4 | ||
| 7 | 199,31 | 2970 | 60400 | 2,4 | ||
| 7,8 | 178,64 | 2660 | 61000 | 2,9 | ||
| 3 | 3,6 | 254,4 | 7750 | 49600 | 1 | 900 |
| 4,3 | 215,37 | 6560 | 52700 | 1,15 | ||
| 4,6 | 199,31 | 6070 | 53900 | 1,25 | ||
| 5,2 | 178,64 | 5440 | 55300 | 1,4 | ||
| 5,5 | 254,4 | 5210 | 55900 | 1,5 | 1400 | |
| 6,5 | 215,37 | 4410 | 57600 | 1,75 | ||
| 7 | 199,31 | 4080 | 58300 | 1,9 | ||
| 7,8 | 178,64 | 3660 | 59100 | 2,1 | ||
| 8,7 | 161,28 | 3300 | 5980 | 2,3 | ||
| 4 | 5,5 | 254,4 | 6840 | 52000 | 1,1 | 1400 |
| 6,5 | 215,37 | 5790 | 54500 | 1,35 | ||
| 7 | 199,31 | 5360 | 55500 | 1,45 | ||
| 7,8 | 178,64 | 4810 | 56700 | 1,6 | ||
| 8,7 | 161,28 | 4340 | 57700 | 1,75 | ||
| 9,6 | 146,49 | 3940 | 58500 | 1,95 | ||
| 10,8 | 129,97 | 3500 | 59400 | 2,2 | ||
| 11,9 | 117,94 | 3170 | 60100 | 2,4 | ||
| 13,8 | 101,38 | 2730 | 60900 | 2,8 | ||
| 5,5 | 6,5 | 215,37 | 7910 | 49200 | 0,95 | 1400 |
| 7 | 199,31 | 7320 | 50800 | 1,05 | ||
| 7,8 | 178,64 | 6560 | 52700 | 1,15 | ||
| 8,7 | 161,28 | 5920 | 54200 | 1,3 | ||
| 9,6 | 146,49 | 5380 | 55500 | 1,45 | ||
| 10,8 | 129,97 | 4770 | 56800 | 1,6 | ||
| 11,9 | 117,94 | 4330 | 57700 | 1,75 | ||
| 13,8 | 101,38 | 3720 | 59000 | 2,1 | ||
| 15,1 | 92,47 | 3400 | 59600 | 2,3 | ||
| 15,8 | 88,49 | 3250 | 59900 | 2,4 | ||
| 16,7 | 83,99 | 3080 | 60200 | 2,5 | ||
| 7,5 | 7,8 | 178,64 | 8950 | 46300 | 0,85 | 1400 |
| 8,7 | 161,28 | 8080 | 48700 | 0,95 | ||
| 9,6 | 146,49 | 7340 | 50700 | 1,05 | ||
| 10,8 | 129,97 | 6510 | 52800 | 1,2 | ||
| 11,9 | 117,94 | 5910 | 54200 | 1,3 | ||
| 13,8 | 101,38 | 5080 | 56100 | 1,5 | ||
| 15,1 | 92,47 | 4630 | 57100 | 1,65 | ||
| 15,8 | 88,49 | 4430 | 57500 | 1,75 | ||
| 16,7 | 83,99 | 4210 | 58000 | 1,85 | ||
| 18,8 | 74,52 | 3730 | 59000 | 2,1 | ||
| 20,7 | 67,62 | 3390 | 59600 | 2,3 | ||
| 11 | 11,9 | 117,94 | 8600 | 47300 | 0,9 | 1400 |
| 13,8 | 101,38 | 7400 | 50600 | 1,05 | ||
| 15,1 | 92,47 | 6750 | 52200 | 1,15 | ||
| 16,7 | 83,99 | 6130 | 53700 | 1,25 | ||
| 18,8 | 74,52 | 5440 | 55300 | 1,4 | ||
| 20,7 | 67,62 | 4930 | 56500 | 1,55 | ||
| 24 | 58,12 | 4240 | 56400 | 1,8 | ||
| 28 | 50,73 | 3700 | 55100 | 2,1 | ||
| 33 | 43,03 | 3140 | 53500 | 2,5 | ||
| 41 | 33,79 | 2470 | 51000 | 3 | ||
| 51 | 27,57 | 2010 | 48800 | 3,9 | ||
| 56 | 25,14 | 1830 | 47800 | 4,3 | ||
| 15 | 15,1 | 92,47 | 9070 | 45900 | 0,85 | 1400 |
| 16 | 88,49 | 8680 | 47100 | 0,9 | ||
| 16,7 | 83,99 | 8240 | 48300 | 0,95 | ||
| 18,8 | 74,52 | 7310 | 50800 | 1,05 | ||
| 20,7 | 67,62 | 6630 | 52500 | 1,15 | ||
| 24 | 58,12 | 5700 | 52200 | 1,35 | ||
| 28 | 50,73 | 4980 | 51500 | 1,55 | ||
| 33 | 43,03 | 4220 | 50400 | 1,8 | ||
| 37 | 37,61 | 3690 | 49300 | 2,1 | ||
| 44 | 31,8 | 3120 | 48000 | 2,5 | ||
| 41 | 33,79 | 3320 | 48500 | 2,2 | ||
| 51 | 27,57 | 2700 | 46700 | 2,9 | ||
| 56 | 25,14 | 2470 | 45900 | 3,2 | ||
| 64 | 21,76 | 2130 | 44500 | 3,7 | ||
| 18,5 | 18,8 | 74,52 | 8990 | 46200 | 0,85 | 1400 |
| 20,7 | 67,62 | 8150 | 48500 | 0,95 | ||
| 24 | 58,12 | 7010 | 48700 | 1,1 | ||
| 28 | 50,73 | 6120 | 48400 | 1,25 | ||
| 33 | 43,03 | 5190 | 47700 | 1,5 | ||
| 37 | 37,61 | 4540 | 47000 | 1,7 | ||
| 44 | 31,8 | 3830 | 46000 | 2 | ||
| 41 | 33,79 | 4070 | 46400 | 1,8 | ||
| 51 | 27,57 | 3320 | 45000 | 2,4 | ||
| 56 | 25,14 | 3030 | 44300 | 2,6 | ||
| 64 | 21,76 | 2620 | 43200 | 3 | ||
| 22 | 24 | 58,12 | 8330 | 45200 | 0,9 | 1400 |
| 28 | 50,73 | 7280 | 45300 | 1,05 | ||
| 33 | 43,03 | 6170 | 45100 | 1,25 | ||
| 37 | 37,61 | 5390 | 44800 | 1,4 | ||
| 44 | 31,8 | 4560 | 44100 | 1,7 | ||
| 41 | 33,79 | 4850 | 44300 | 1,55 | ||
| 51 | 27,57 | 3950 | 43300 | 2 | ||
| 56 | 25,14 | 3610 | 42800 | 2,2 | ||
| 64 | 21,76 | 3120 | 41900 | 2,5 | ||
| 73 | 19,2 | 2750 | 41000 | 2,8 | ||
| 30 | 33 | 43,03 | 8390 | 39200 | 0,9 | 1400 |
| 37 | 37,61 | 7330 | 39600 | 1,05 | ||
| 44 | 31,8 | 6200 | 39700 | 1,25 | ||
| 51 | 27,57 | 5370 | 39500 | 1,45 | ||
| 56 | 25,14 | 4900 | 39300 | 1,6 | ||
| 64 | 21,76 | 4240 | 38800 | 1,85 | ||
| 73 | 19,2 | 3730 | 38300 | 2,1 | ||
| 84 | 16,58 | 3230 | 37600 | 2,4 | ||
| 95 | 14,67 | 2860 | 36900 | 2,7 | ||
| 114 | 12,33 | 2400 | 35900 | 2,9 | ||
| 141 | 9,96 | 1940 | 34500 | 3,3 | ||
| 37 | 51 | 27,57 | 8060 | 32400 | 0,95 | 1400 |
| 56 | 25,14 | 7350 | 32800 | 1,05 | ||
| 64 | 21,76 | 6360 | 33200 | 1,25 | ||
| 73 | 19,2 | 5610 | 33300 | 1,4 | ||
| 84 | 16,58 | 4850 | 33300 | 1,6 | ||
| 95 | 14,67 | 4290 | 33100 | 1,8 | ||
| 114 | 12,33 | 3600 | 32700 | 1,95 | ||
| 141 | 9,96 | 2910 | 31900 | 2,2 | ||
| 144 | 9,69 | 2830 | 31000 | 1,75 | ||
| 167 | 8,37 | 2450 | 30400 | 1,95 | ||
| 189 | 7,4 | 2160 | 29900 | 2,1 | ||
| 225 | 6,22 | 1820 | 29100 | 2,5 |


1. Модель редуктора
(F-исполнение на лапах с цельным валом,
FA - исполнение на лапах с полым валом,
FH - исполнение с полым валом и стяжной муфтой,
FF - исполнение на фланце с цельным валом,
FAF - исполнение на фланце с полым валом,
FHF - исполнение с полым валом на фланце со стяжной муфтой,
FZ - исполнение с малым фланцем).
2. Габарит редуктора (37,47,57,67,77, 87, 97,107,127,157).
3. Исполнение с резиновым амортизатором.
4. Передаточное число.
5. Число оборотов выходного вала, об/мин.
6. Мощность электродвигателя, кВт.
7. Наличие электромагнитного тормоза у электродвигателя,
(Е- одинарный тормоз, ЕЕ- двойной тормоз,
Е(МШ)- одинарный малошумный тормоз,
ЕЕ(МШ)- двойной малошумный тормоз).
8. Тип фланца электродвигателя (В5;В14).
9. Монтажная позиция редуктора (M1, M2, M3, M4, M5, M6).
10. Дополнительные опции.











| Исполнение 1 | Исполнение 2 | Исполнение 3 | Исполнение 4 | Исполнение 5 | Исполнение 6 | |
| Р, мм | 250 | 300 | 350 | 400 | 450 | 550 |
| Z5*, мм | 80 | 90 | 90 | 145 | 145 | 160 |
| KM, мм | в зависимости от смонтированного двигателя | |||||
| АС, мм | в зависимости от смонтированного двигателя | |||||
| AD, мм | в зависимости от смонтированного двигателя | |||||
Z5* Указанный размер ориентировочный и может отличаться от действительного.
| Мощность, кВт | Частота вращения выходного вала, об/мин | Передаточное число | Крутящий момент, Нм | Допустимая радиальная нагрузка, Н | Сервис- фактор | Частота вращения эл.двигателя |
| 4 | 4,1 | 170,83 | 9060 | 90000 | 1,3 | 700 |
| 4,6 | 153,67 | 8150 | 90000 | 1,45 | ||
| 5,6 | 125,37 | 6650 | 90000 | 1,8 | ||
| 5,5 | 4,1 | 170,83 | 12600 | 89200 | 0,95 | |
| 4,6 | 153,67 | 11400 | 90000 | 1,05 | ||
| 5,6 | 125,37 | 9270 | 90000 | 1,3 | ||
| 6,1 | 114,34 | 8460 | 90000 | 1,4 | ||
| 7,5 | 5,6 | 125,37 | 12500 | 89500 | 0,95 | |
| 6,1 | 114,34 | 11400 | 90000 | 1,05 | ||
| 7,1 | 98,95 | 9840 | 90000 | 1,2 | ||
| 8 | 87,31 | 8690 | 90000 | 1,4 | ||
| 5,3 | 170,83 | 12700 | 89000 | 0,95 | 900 | |
| 5,9 | 153,67 | 11500 | 90000 | 1,05 | ||
| 7,2 | 125,37 | 9350 | 90000 | 1,3 | ||
| 7,9 | 114,34 | 8530 | 90000 | 1,4 | ||
| 8,2 | 170,83 | 8560 | 90000 | 1,4 | 1400 | |
| 9,1 | 153,67 | 7700 | 90000 | 1,55 | ||
| 11,2 | 125,37 | 6280 | 90000 | 1,9 | ||
| 11 | 7,2 | 125,37 | 13700 | 87100 | 0,85 | 900 |
| 7,9 | 114,34 | 12500 | 89500 | 0,95 | ||
| 9,1 | 98,95 | 10800 | 90000 | 1,1 | ||
| 10,3 | 87,31 | 9550 | 90000 | 1,25 | ||
| 11,9 | 75,41 | 8250 | 90000 | 1,45 | ||
| 8,2 | 170,83 | 12500 | 89500 | 0,95 | 1400 | |
| 9,1 | 153,67 | 11200 | 90000 | 1,05 | ||
| 11,2 | 125,37 | 9150 | 90000 | 1,3 | ||
| 12,2 | 114,34 | 8340 | 90000 | 1,45 | ||
| 14,1 | 98,95 | 7220 | 90000 | 1,65 | ||
| 16 | 87,31 | 6370 | 90000 | 1,9 | ||
| 18,6 | 75,41 | 5500 | 88600 | 2,2 | ||
| 15 | 9,1 | 98,95 | 14600 | 85300 | 0,8 | 900 |
| 10,3 | 87,31 | 12900 | 88700 | 0,95 | ||
| 11,9 | 75,41 | 11100 | 88300 | 1,1 | ||
| 12,8 | 70,07 | 10300 | 87600 | 1,15 | ||
| 14,1 | 63,91 | 9440 | 86700 | 1,25 | ||
| 11,2 | 125,37 | 12300 | 89000 | 1 | 1400 | |
| 12,2 | 114,34 | 11200 | 88300 | 1,05 | ||
| 14,1 | 98,95 | 9710 | 87000 | 1,25 | ||
| 16 | 87,31 | 8570 | 85600 | 1,4 | ||
| 18,6 | 75,41 | 7400 | 83800 | 1,6 | ||
| 20 | 70,07 | 6870 | 82800 | 1,75 | ||
| 18,5 | 12,2 | 114,34 | 13800 | 82200 | 0,85 | 1400 |
| 14,1 | 98,95 | 11900 | 81700 | 1 | ||
| 16 | 87,31 | 10500 | 80900 | 1,15 | ||
| 18,6 | 75,41 | 9090 | 79700 | 1,3 | ||
| 20 | 70,07 | 8450 | 79000 | 1,4 | ||
| 22 | 63,91 | 7710 | 78100 | 1,55 | ||
| 25 | 55,31 | 6670 | 76400 | 1,8 | ||
| 29 | 48,8 | 5880 | 74900 | 2 | ||
| 22 | 14,1 | 98,95 | 14200 | 76400 | 0,85 | 1400 |
| 16 | 87,31 | 12500 | 76300 | 0,95 | ||
| 18,6 | 75,41 | 10800 | 75700 | 1,1 | ||
| 20 | 70,07 | 10000 | 75300 | 1,2 | ||
| 22 | 63,91 | 9160 | 74700 | 1,3 | ||
| 25 | 55,31 | 7930 | 73500 | |||
| 29 | 48,8 | 7000 | 72300 | 1,7 | ||
| 33 | 42,15 | 6040 | 70700 | 2 | ||
| 30 | 18,6 | 75,41 | 14700 | 66600 | 0,8 | 1400 |
| 20 | 70,07 | 13700 | 66800 | 0,9 | ||
| 22 | 63,91 | 12500 | 66900 | 0,95 | ||
| 25 | 55,31 | 10800 | 66700 | 1,1 | ||
| 29 | 48,8 | 9510 | 66300 | 1,25 | ||
| 33 | 42,15 | 8210 | 65500 | 1,45 | ||
| 38 | 37,28 | 7270 | 64700 | 1,65 | ||
| 45 | 31,33 | 6110 | 63200 | 1,95 | ||
| 55 | 25,3 | 4930 | 61200 | 2,4 | ||
| 52 | 26,86 | 5240 | 61800 | 1,6 | ||
| 57 | 24,87 | 4790 | 60900 | 1,8 | ||
| 66 | 21,38 | 4170 | 59400 | 2,9 | ||
| 74 | 18,87 | 3680 | 58000 | 3 | ||
| 37 | 29 | 48,8 | 14300 | 55200 | 0,85 | 1400 |
| 33 | 42,15 | 12300 | 56000 | 0,95 | ||
| 38 | 37,28 | 10900 | 56200 | 1,1 | ||
| 45 | 31,33 | 9160 | 56100 | 1,3 | ||
| 55 | 25,3 | 7400 | 55400 | 1,6 | ||
| 52 | 26,86 | 7850 | 55700 | 1,1 | ||
| 57 | 24,57 | 7180 | 55300 | 1,2 | ||
| 66 | 21,38 | 6250 | 54500 | 1,9 | ||
| 74 | 18,87 | 5520 | 53700 | 2 | ||
| 86 | 16,36 | 4780 | 52600 | 2,3 | ||
| 96 | 14,55 | 4250 | 51600 | 2,6 | ||
| 112 | 12,54 | 3670 | 50300 | 2,7 | ||
| 138 | 10,19 | 2980 | 48400 | 3,2 | ||
| 158 | 8,86 | 2590 | 46600 | 2,7 | ||
| 178 | 7,88 | 2300 | 45500 | 2,6 | ||
| 206 | 6,8 | 1990 | 44000 | 3,5 | ||
| 254 | 5,52 | 1610 | 42000 | 3,7 | ||
| 55 | 38 | 37,28 | 13300 | 50600 | 0,9 | 1400 |
| 45 | 31,33 | 11200 | 51400 | 1,1 | ||
| 55 | 25,3 | 9010 | 51600 | 1,35 | ||
| 66 | 21,38 | 7610 | 51300 | 1,6 | ||
| 74 | 18,87 | 6720 | 50800 | 1,65 | ||
| 86 | 16,36 | 5820 | 50100 | 1,9 | ||
| 96 | 14,55 | 5180 | 49400 | 2,1 | ||
| 112 | 12,54 | 4470 | 48400 | 2,2 | ||
| 138 | 10,19 | 3630 | 46800 | 2,6 | ||
| 158 | 8,86 | 3160 | 45100 | 2,2 | ||
| 178 | 7,88 | 2810 | 44200 | 2,1 | ||
| 206 | 6,8 | 2420 | 42900 | 2,9 | ||
| 254 | 5,52 | 1970 | 41100 | 3 | ||
| 299 | 4,68 | 1670 | 39600 | 3,6 | ||
| 75 | 55 | 25,3 | 12200 | 44000 | 1 | 1400 |
| 66 | 21,38 | 10300 | 44800 | 1,15 | ||
| 74 | 18,87 | 9130 | 45100 | 1,2 | ||
| 86 | 16,36 | 7920 | 45200 | 1,4 | ||
| 96 | 14,55 | 7040 | 45000 | 1,55 | ||
| 112 | 12,54 | 6070 | 44600 | 1,65 | ||
| 138 | 10,19 | 4930 | 43700 | 1,95 | ||
| 158 | 8,86 | 4290 | 42200 | 1,65 | ||
| 178 | 7,88 | 3810 | 41600 | 1,55 | ||
| 206 | 6,8 | 3290 | 40700 | 2,1 | ||
| 254 | 5,52 | 2670 | 39300 | 2,2 | ||
| 299 | 4,68 | 2270 | 38100 | 2,7 | ||
| 90 | 55 | 25,3 | 14700 | 33100 | 0,8 | 1400 |
| 66 | 21,38 | 12400 | 38800 | 0,95 | ||
| 74 | 18,87 | 11000 | 40900 | 1 | ||
| 86 | 16,36 | 9500 | 41500 | 1,15 | ||
| 96 | 14,55 | 8450 | 41700 | 1,3 | ||
| 112 | 12,54 | 7280 | 41800 | 1,35 | ||
| 138 | 10,19 | 5920 | 41400 | 1,6 | ||
| 158 | 8,86 | 5150 | 40100 | 1,35 | ||
| 178 | 7,88 | 4580 | 39700 | 1,3 | ||
| 206 | 6,8 | 3950 | 39000 | 1,75 | ||
| 254 | 5,52 | 3210 | 37900 | 1,85 | ||
| 299 | 4,68 | 2720 | 36900 | 2,2 |


1. Модель редуктора
(F-исполнение на лапах с цельным валом,
FA - исполнение на лапах с полым валом,
FH - исполнение с полым валом и стяжной муфтой,
FF - исполнение на фланце с цельным валом,
FAF - исполнение на фланце с полым валом,
FHF - исполнение с полым валом на фланце со стяжной муфтой,
FZ - исполнение с малым фланцем).
2. Габарит редуктора (37,47,57,67,77, 87, 97,107,127,157).
3. Исполнение с резиновым амортизатором.
4. Передаточное число.
5. Число оборотов выходного вала, об/мин.
6. Мощность электродвигателя, кВт.
7. Наличие электромагнитного тормоза у электродвигателя,
(Е- одинарный тормоз, ЕЕ- двойной тормоз,
Е(МШ)- одинарный малошумный тормоз,
ЕЕ(МШ)- двойной малошумный тормоз).
8. Тип фланца электродвигателя (В5;В14).
9. Монтажная позиция редуктора (M1, M2, M3, M4, M5, M6).
10. Дополнительные опции.











| Исполнение 1 | Исполнение 2 | Исполнение 3 | Исполнение 4 | Исполнение 5 | Исполнение 6 | |
| Р, мм | 300 | 350 | 400 | 450 | 550 | 660 |
| Z5*, мм | 90 | 90 | 145 | 160 | 160 | 160 |
| KM, мм | в зависимости от смонтированного двигателя | |||||
| АС, мм | в зависимости от смонтированного двигателя | |||||
| AD, мм | в зависимости от смонтированного двигателя | |||||
Z5* Указанный размер ориентировочный и может отличаться от действительного.
| Мощность, кВт | Частота вращения выходного вала, об/мин | Передаточное число | Крутящий момент, Нм | Допустимая радиальная нагрузка, Н | Сервис- фактор | Частота вращения эл.двигателя |
| 5,5 | 2,6 | 267,43 | 19800 | 94600 | 0,9 | 700 |
| 3,2 | 217,62 | 16100 | 105500 | 1,1 | ||
| 3,9 | 178,2 | 13200 | 111900 | 1,35 | ||
| 4,3 | 162,96 | 12100 | 114000 | 1,5 | ||
| 5 | 141,8 | 10500 | 116600 | 1,7 | ||
| 5,6 | 125,14 | 9260 | 118300 | 1,95 | ||
| 6,5 | 108,49 | 8030 | 119700 | 2,2 | ||
| 7,3 | 96,53 | 7140 | 120000 | 2,5 | ||
| 8,2 | 85,8 | 6350 | 120000 | 2,8 | ||
| 9 | 78,46 | 5800 | 120000 | 3,1 | ||
| 10,3 | 68,28 | 5050 | 120000 | 3,6 | ||
| 7,5 | 3,2 | 217,62 | 21600 | 87600 | 0,85 | |
| 3,9 | 178,2 | 17700 | 101100 | 1 | ||
| 4,3 | 162,96 | 16200 | 105200 | 1,1 | ||
| 5 | 141,8 | 14100 | 110100 | 1,3 | ||
| 5,6 | 125,14 | 12400 | 113300 | 1,45 | ||
| 6,5 | 108,49 | 10800 | 116100 | 1,65 | ||
| 7,3 | 96,53 | 9600 | 117800 | 1,85 | ||
| 8,2 | 85,8 | 8530 | 119200 | 2,1 | ||
| 9 | 78,46 | 7810 | 120000 | 2,3 | ||
| 10,3 | 68,28 | 6790 | 120000 | 2,7 | ||
| 11,6 | 60,25 | 5990 | 120000 | 3 | ||
| 13,4 | 52,24 | 5200 | 120000 | 3,5 | ||
| 15,1 | 46,48 | 4620 | 120000 | 3,9 | ||
| 17,5 | 40,06 | 3980 | 120000 | 4,5 | ||
| 3,4 | 267,43 | 20000 | 94000 | 0,9 | 900 | |
| 4,1 | 217,62 | 16200 | 105100 | 1,1 | ||
| 5,1 | 178,2 | 13300 | 111700 | 1,35 | ||
| 5,5 | 162,96 | 12200 | 113800 | 1,5 | ||
| 6,4 | 141,8 | 10600 | 116400 | 1,7 | ||
| 7,2 | 125,14 | 9340 | 118200 | 1,95 | ||
| 8,3 | 108,49 | 8090 | 119700 | 2,2 | ||
| 9,3 | 96,53 | 7200 | 120000 | 2,5 | ||
| 10,5 | 85,8 | 6400 | 120000 | 2,8 | ||
| 11,5 | 78,46 | 5850 | 120000 | 3,1 | ||
| 13,2 | 68,28 | 5090 | 120000 | 3,5 | ||
| 15 | 60,25 | 4500 | 120000 | 4 | ||
| 17,2 | 52,24 | 3900 | 193000 | 4,6 | ||
| 11 | 5 | 141,8 | 20700 | 91300 | 0,85 | 700 |
| 5,6 | 125,14 | 18300 | 99500 | 1 | ||
| 6,5 | 108,49 | 15800 | 106100 | 1,15 | ||
| 7,3 | 96,53 | 14100 | 110100 | 1,3 | ||
| 5,1 | 178,2 | 19500 | 95500 | 0,9 | 900 | |
| 5,5 | 162,96 | 17800 | 100800 | 1 | ||
| 6,4 | 141,8 | 15500 | 106900 | 1,15 | ||
| 7,2 | 125,14 | 13700 | 110900 | 1,3 | ||
| 8,3 | 108,49 | 11900 | 114300 | 1,5 | ||
| 9,3 | 96,53 | 10600 | 116400 | 1,7 | ||
| 10,5 | 85,8 | 9390 | 118100 | 1,9 | ||
| 11,5 | 78,46 | 8590 | 119100 | 2,1 | ||
| 5,2 | 267,43 | 19500 | 95500 | 0,9 | 1400 | |
| 6,5 | 217,62 | 15900 | 106000 | 1,15 | ||
| 7,9 | 178,2 | 13000 | 112300 | 1,4 | ||
| 8,6 | 162,96 | 11900 | 114300 | 1,5 | ||
| 10 | 141,8 | 10300 | 116800 | 1,75 | ||
| 11,2 | 125,14 | 9130 | 118400 | 1,95 | ||
| 13 | 108,49 | 7910 | 119900 | 2,3 | ||
| 14,5 | 96,53 | 7040 | 120000 | 2,6 | ||
| 16,3 | 85,8 | 6260 | 118100 | 2,9 | ||
| 17,8 | 78,46 | 5720 | 115700 | 3,1 | ||
| 21 | 68,28 | 4980 | 112000 | 3,6 | ||
| 15 | 6,4 | 141,8 | 20900 | 90400 | 0,85 | 900 |
| 7,2 | 125,14 | 18500 | 98800 | 0,95 | ||
| 8,3 | 108,49 | 16000 | 105700 | 1,1 | ||
| 9,3 | 96,53 | 14300 | 109800 | 1,25 | ||
| 10,5 | 85,8 | 12700 | 112900 | 1,4 | ||
| 6,5 | 217,62 | 12400 | 88800 | 0,85 | 1400 | |
| 7,9 | 178,2 | 17500 | 101800 | 1,05 | ||
| 8,6 | 162,96 | 16000 | 105700 | 1,15 | ||
| 10 | 141,8 | 13900 | 110500 | 1,3 | ||
| 11,2 | 125,14 | 12300 | 113600 | 1,45 | ||
| 13 | 108,49 | 10600 | 116300 | 1,7 | ||
| 14,5 | 96,53 | 9470 | 115800 | 1,9 | ||
| 16,3 | 85,8 | 8420 | 113200 | 2,1 | ||
| 17,8 | 78,46 | 7700 | 111200 | 2,3 | ||
| 21 | 68,28 | 6700 | 108000 | 2,7 | ||
| 23 | 60,25 | 5910 | 105100 | 3 | ||
| 18,5 | 7,9 | 178,2 | 21500 | 88200 | 0,85 | |
| 8,6 | 162,96 | 19700 | 95000 | 0,9 | ||
| 10 | 141,8 | 17100 | 102800 | 1,05 | ||
| 11,2 | 125,14 | 15100 | 107900 | 1,2 | ||
| 13 | 108,49 | 13100 | 112100 | 1,4 | ||
| 14,5 | 96,53 | 11600 | 111300 | 1,55 | ||
| 16,3 | 85,8 | 10300 | 109300 | 1,75 | ||
| 17,8 | 78,46 | 9460 | 107600 | 1,9 | ||
| 21 | 68,28 | 8230 | 104900 | 2,2 | ||
| 23 | 60,25 | 7270 | 102300 | 2,5 | ||
| 27 | 52,24 | 6300 | 99300 | 2,9 | ||
| 22 | 9,3 | 96,53 | 20900 | 90500 | 0,85 | 900 |
| 10,5 | 85,8 | 18600 | 98500 | 0,95 | ||
| 11,5 | 78,46 | 17000 | 103100 | 1,05 | ||
| 13,2 | 68,28 | 14800 | 107700 | 1,2 | ||
| 10 | 141,8 | 20300 | 92600 | 0,9 | 1400 | |
| 11,2 | 125,14 | 17900 | 100400 | 1 | ||
| 13 | 108,49 | 15600 | 106800 | 1,15 | ||
| 14,5 | 96,53 | 13800 | 106900 | 1,3 | ||
| 16,3 | 85,8 | 12300 | 105400 | 1,45 | ||
| 17,8 | 78,46 | 11300 | 104000 | 1,6 | ||
| 21 | 68,28 | 9790 | 101700 | 1,85 | ||
| 23 | 60,25 | 8640 | 99600 | 2,1 | ||
| 27 | 52,24 | 7490 | 97000 | 2,4 | ||
| 30 | 46,48 | 6660 | 94800 | 2,7 | ||
| 35 | 40,06 | 5740 | 91900 | 3,1 | ||
| 43 | 32,55 | 4670 | 97800 | 3,9 | ||
| 30 | 13 | 108,49 | 21100 | 89600 | 0,85 | 1400 |
| 14,5 | 96,53 | 18800 | 96900 | 0,95 | ||
| 16,3 | 85,8 | 16700 | 96400 | 1,1 | ||
| 17,8 | 78,46 | 15300 | 95800 | 1,2 | ||
| 21 | 68,28 | 13300 | 94600 | 1,35 | ||
| 23 | 60,25 | 11700 | 93300 | 1,55 | ||
| 27 | 52,24 | 10200 | 91500 | 1,75 | ||
| 30 | 46,48 | 9060 | 89900 | 2 | ||
| 35 | 40,06 | 7810 | 87700 | 2,3 | ||
| 37 | 21 | 68,28 | 20000 | 81300 | 0,9 | 1400 |
| 23 | 60,25 | 17600 | 81600 | 1 | ||
| 27 | 52,24 | 15300 | 81300 | 1,2 | ||
| 30 | 46,48 | 13600 | 80900 | 1,3 | ||
| 35 | 40,06 | 11700 | 79900 | 1,55 | ||
| 43 | 32,55 | 9510 | 78000 | 1,9 | ||
| 51 | 27,6 | 8070 | 76200 | 2,2 | ||
| 55 | 23 | 60,25 | 21500 | 73800 | 0,85 | 1400 |
| 27 | 52,24 | 18600 | 74600 | 0,95 | ||
| 30 | 46,48 | 16500 | 74800 | 1,1 | ||
| 35 | 40,06 | 14300 | 74700 | 1,25 | ||
| 43 | 32,55 | 11600 | 73800 | 1,55 | ||
| 51 | 27,6 | 9830 | 72600 | 1,85 | ||
| 49 | 28,6 | 10200 | 72900 | 1,65 | ||
| 55 | 25,43 | 9060 | 71600 | 1,65 | ||
| 63 | 22,16 | 7890 | 70600 | 2,3 | ||
| 71 | 19,77 | 7040 | 69400 | 2,4 | ||
| 83 | 16,85 | 6000 | 67600 | 3 | ||
| 75 | 30 | 46,48 | 22500 | 62900 | 0,8 | 1400 |
| 35 | 40,06 | 19400 | 64400 | 0,95 | ||
| 43 | 32,55 | 15800 | 65400 | 1,15 | ||
| 51 | 27,6 | 13400 | 65500 | 1,35 | ||
| 49 | 28,6 | 13800 | 65500 | 1,25 | ||
| 55 | 25,43 | 12300 | 65400 | 1,2 | ||
| 63 | 22,16 | 10700 | 64900 | 1,7 | ||
| 71 | 19,77 | 9570 | 64300 | 1,8 | ||
| 83 | 16,85 | 8150 | 63200 | 2,2 | ||
| 100 | 13,96 | 6760 | 61600 | 2,5 | ||
| 118 | 11,92 | 5770 | 60100 | 2,8 | ||
| 90 | 43 | 32,55 | 18900 | 59100 | 0,95 | 1400 |
| 51 | 27,6 | 16000 | 60200 | 1,1 | ||
| 49 | 28,6 | 16600 | 60000 | 1 | ||
| 55 | 25,43 | 14800 | 60400 | 1 | ||
| 63 | 22,16 | 12900 | 60600 | 1,4 | ||
| 71 | 19,77 | 11500 | 60500 | 1,5 | ||
| 83 | 16,85 | 9790 | 59900 | 1,85 | ||
| 100 | 13,96 | 8110 | 58900 | 2,1 | ||
| 118 | 11,92 | 6920 | 57800 | 2,3 | ||
| 110 | 51 | 27,6 | 19500 | 53100 | 0,9 | 1400 |
| 63 | 22,16 | 15700 | 54900 | 1,15 | ||
| 71 | 19,77 | 14000 | 55400 | 1,2 | ||
| 83 | 16,85 | 11900 | 55600 | 1,5 | ||
| 100 | 13,96 | 9880 | 55300 | 1,7 | ||
| 118 | 11,92 | 8430 | 54700 | 1,9 | ||
| 132 | 63 | 22,16 | 18800 | 48700 | 0,95 | 1400 |
| 71 | 19,77 | 16800 | 49800 | 1 | ||
| 83 | 16,85 | 14300 | 50900 | 1,25 | ||
| 100 | 13,96 | 11900 | 51400 | 1,45 | ||
| 118 | 11,92 | 10100 | 51400 | 1,6 | ||
| 160 | 83 | 16,85 | 17300 | 44800 | 1,05 | 1400 |
| 100 | 13,96 | 14400 | 46400 | 1,2 | ||
| 118 | 11,92 | 12300 | 47100 | 1,3 | ||
| 200 | 83 | 16,85 | 21700 | 36100 | 0,85 | 1400 |
| 100 | 13,96 | 18000 | 39200 | 0,95 | ||
| 118 | 11,92 | 15300 | 41000 | 1,05 |
