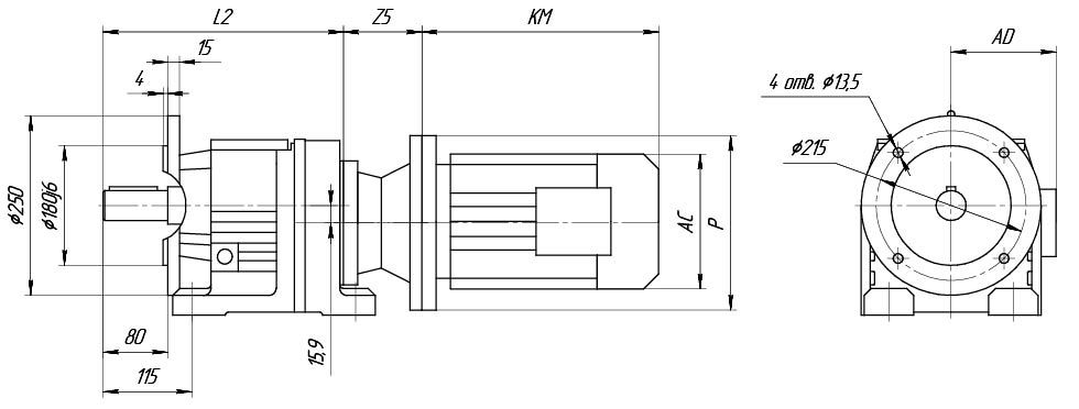
Категория: Цилиндрические соосные мотор-редукторы
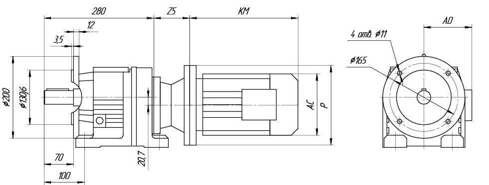
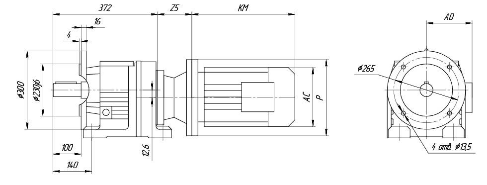
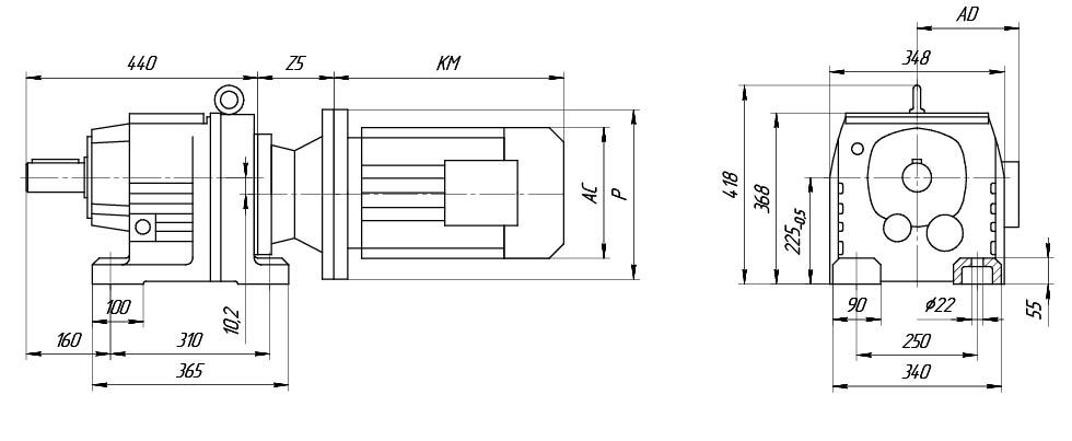
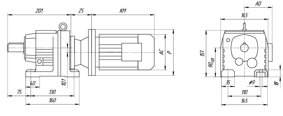
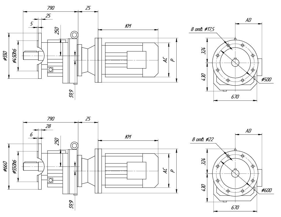
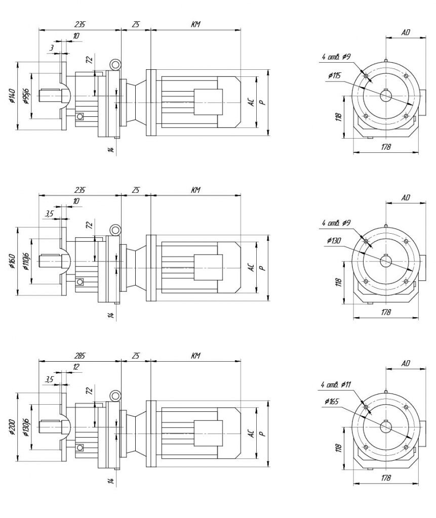
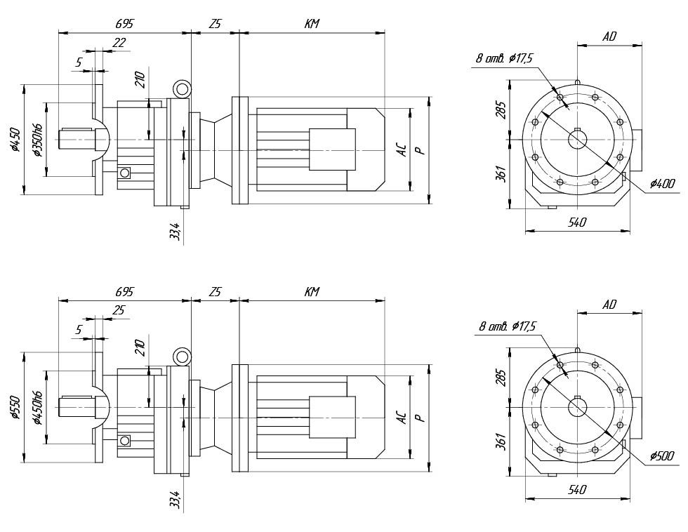
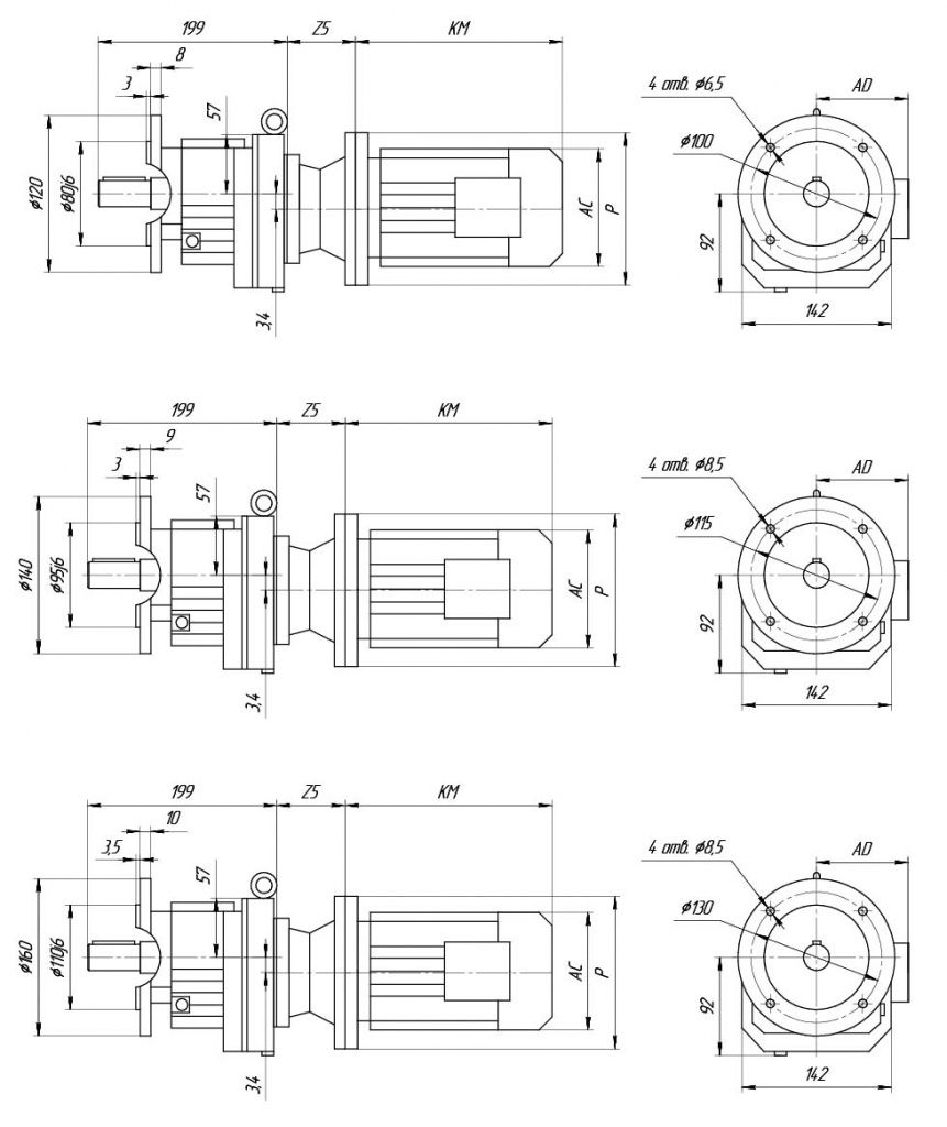
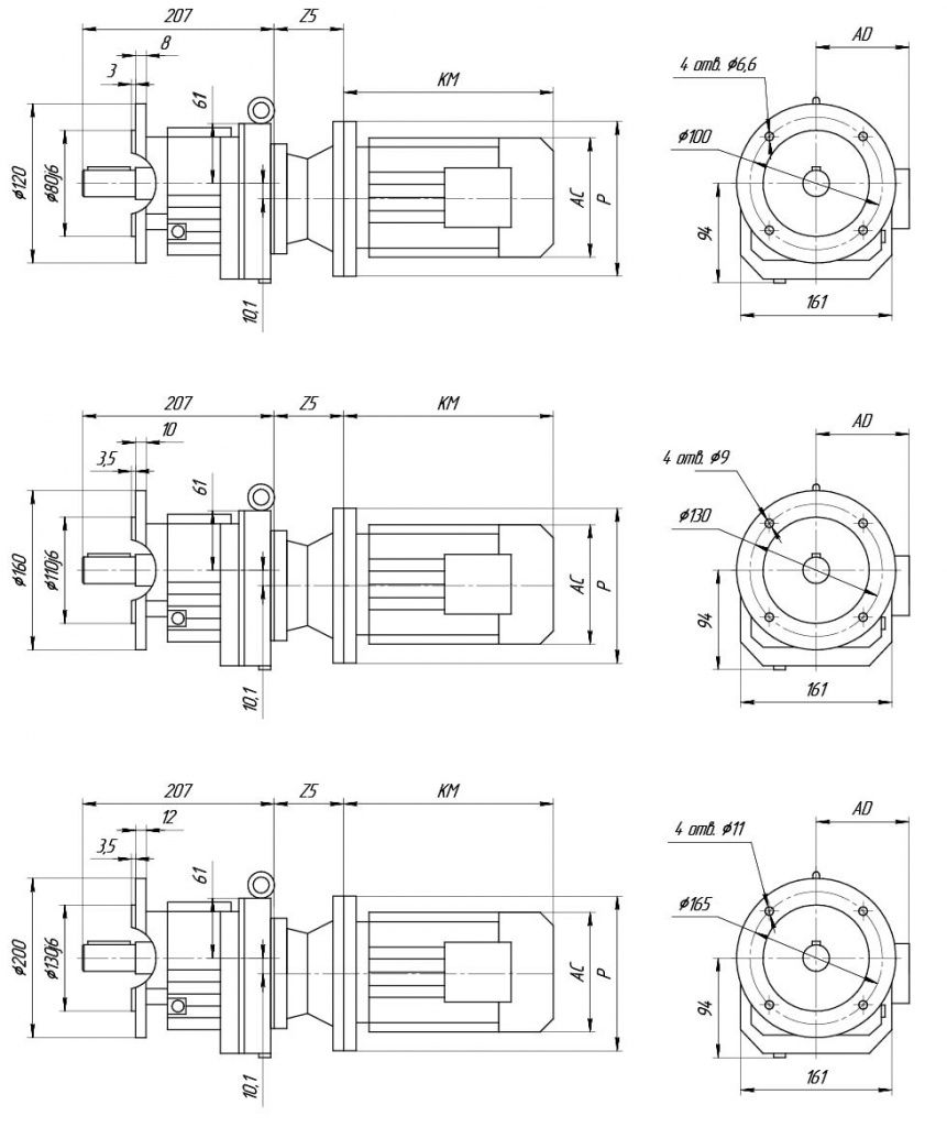
1. Модель редуктора (R-исполнение на лапах, RF-исполнение на фланце).
2. Габарит редуктора (17,37,47,57,67,77,87,97,107, 137, 147, 167).
3. Передаточное число.
4. Число оборотов выходного вала, об/мин.
5. Мощность электродвигателя, кВт.
6. Наличие электромагнитного тормоза у электродвигателя,
(Е- одинарный тормоз, ЕЕ- двойной тормоз,
Е(МШ)- одинарный малошумный тормоз,
ЕЕ(МШ)- двойной малошумный тормоз).
7. Тип фланца электродвигателя (В5;В14).
8. Монтажная позиция редуктора (M1, M2, M3, M4, M5, M6).
9. Дополнительные опции.
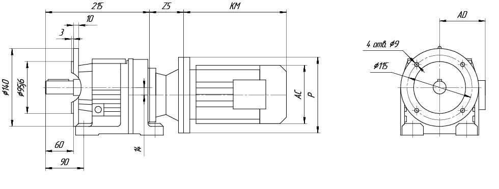
UD-R17 | Исполнение 1 | Исполнение 2 | Исполнение 3 |
Р, мм | 140 | 160 | 200 |
Z5*, мм | 50 | 55 | 60 |
KM, мм | в зависимости от смонтированного двигателя | ||
АС, мм | в зависимости от смонтированного двигателя | ||
AD, мм | в зависимости от смонтированного двигателя |
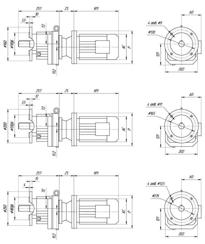
UD-R17 | Исполнение 1 | Исполнение 2 | Исполнение 3 |
Р, мм | 140 | 160 | 200 |
Z5*, мм | 50 | 55 | 60 |
KM, мм | в зависимости от смонтированного двигателя | ||
АС, мм | в зависимости от смонтированного двигателя | ||
AD, мм | в зависимости от смонтированного двигателя |
UD-R17 | Исполнение 1 | Исполнение 2 | Исполнение 3 |
Р, мм | 140 | 160 | 200 |
Z5*, мм | 50 | 55 | 60 |
KM, мм | в зависимости от смонтированного двигателя | ||
АС, мм | в зависимости от смонтированного двигателя | ||
AD, мм | в зависимости от смонтированного двигателя |
Мощность, кВт | Частота вращения выходного вала, об/мин | Передаточное число | Крутящий момент, Нм | Допустимая радиальная нагрузка, Н | Сервис- фактор | Частота вращения эл.двигателя |
Двухступенчатые | ||||||
0,18 | 34 | 25,23 | 50 | 2330 | 1,7 | 900 |
37 | 23,15 | 46 | 2290 | 1,85 | ||
43 | 19,71 | 39 | 2200 | 2,2 | ||
55 | 25,23 | 33 | 2110 | 2,6 | 1400 | |
60 | 23,15 | 30 | 2060 | 2,8 | ||
71 | 19,71 | 26 | 1970 | 3,3 | ||
82 | 16,99 | 22 | 1890 | 3,8 | ||
88 | 15,84 | 21 | 1860 | 4,1 | ||
101 | 13,84 | 18 | 1790 | 4,7 | ||
108 | 12,98 | 17 | 1760 | 5 | ||
122 | 11,45 | 15 | 1690 | 5,4 | ||
138 | 10,15 | 13 | 1640 | 5,8 | ||
162 | 8,63 | 11 | 1560 | 6,4 | ||
185 | 7,55 | 9,8 | 1480 | 5,7 | ||
199 | 7,04 | 9,2 | 1450 | 6 | ||
228 | 6,15 | 8 | 1390 | 6,8 | ||
243 | 5,76 | 7,5 | 1370 | 7,1 | ||
275 | 5,09 | 6,6 | 1320 | 7,7 | ||
310 | 4,51 | 5,9 | 1270 | 8,1 | ||
366 | 3,83 | 5 | 1210 | 9 | ||
268 | 10,15 | 6,4 | 1310 | 12 | 2720 | |
315 | 8,63 | 5,5 | 1250 | 13 | ||
360 | 7,55 | 4,8 | 1190 | 12 | ||
387 | 7,04 | 4,4 | 1160 | 13 | ||
442 | 6,15 | 3,9 | 1120 | 14 | ||
472 | 5,76 | 3,6 | 1090 | 15 | ||
535 | 5,09 | 3,2 | 1050 | 16 | ||
603 | 4,51 | 2,8 | 1010 | 17 | ||
710 | 3,83 | 2,4 | 960 | 19 | ||
Трехступенчатые | ||||||
0,18 | 17 | 81,64 | 106 | 1246 | 8 | 1400 |
20 | 70,39 | 92 | 1330 | 0,95 | ||
21 | 65,61 | 85 | 1740 | 1 | ||
24 | 57,35 | 75 | 2350 | 1,15 | ||
26 | 53,76 | 70 | 2500 | 1,2 | ||
30 | 47,44 | 62 | 2450 | 1,4 | ||
32 | 44,18 | 58 | 2410 | 1,5 | ||
36 | 38,61 | 50 | 2340 | 1,7 | ||
38 | 36,2 | 47 | 2300 | 1,8 | ||
44 | 31,94 | 42 | 2240 | 2 | ||
49 | 28,32 | 37 | 2170 | 2,3 | ||
58 | 24,07 | 31 | 2080 | 2,7 | ||
Двухступенчатые | ||||||
0,25 | 55 | 25,23 | 46 | 2020 | 1,85 | 1400 |
60 | 23,15 | 43 | 1980 | 2 | ||
71 | 19,71 | 36 | 1910 | 2,3 | ||
82 | 16,99 | 31 | 1840 | 2,7 | ||
88 | 15,84 | 29 | 1810 | 2,9 | ||
101 | 13,84 | 25 | 1750 | 3,3 | ||
108 | 12,98 | 24 | 1720 | 3,6 | ||
122 | 11,45 | 21 | 1660 | 3,9 | ||
138 | 10,15 | 19 | 1600 | 4,1 | ||
162 | 8,63 | 16 | 1530 | 4,6 | ||
185 | 7,55 | 14 | 1450 | 4 | ||
199 | 7,04 | 13 | 1420 | 4,3 | ||
228 | 6,15 | 11 | 1370 | 4,8 | ||
243 | 5,76 | 11 | 1350 | 5 | ||
275 | 5,09 | 9,3 | 1300 | 5,5 | ||
310 | 4,51 | 8,3 | 1250 | 5,8 | ||
366 | 3,83 | 7 | 1190 | 6,4 | ||
433 | 6,15 | 5,5 | 1110 | 9,8 | 2720 | |
461 | 5,76 | 5,2 | 1090 | 10 | ||
523 | 5,09 | 4,6 | 1050 | 11 | ||
590 | 4,51 | 4 | 1010 | 12 | ||
694 | 3,83 | 3,4 | 960 | 13 | ||
Трехступенчатые | ||||||
0,25 | 24 | 57,35 | 105 | 156 | 0,8 | 1400 |
26 | 53,76 | 99 | 785 | 0,85 | ||
30 | 47,44 | 87 | 1630 | 1 | ||
32 | 44,18 | 81 | 2000 | 1,05 | ||
36 | 38,61 | 71 | 2200 | 1,2 | ||
38 | 36,2 | 67 | 2180 | 1,3 | ||
44 | 31,94 | 59 | 2130 | 1,45 | ||
49 | 28,32 | 52 | 2070 | 1,65 | ||
58 | 24,07 | 44 | 2000 | 1,9 | ||
Двухступенчатые | ||||||
0,37 | 55 | 25,23 | 65 | 1840 | 1400 | |
60 | 23,15 | 59 | 1820 | 1,45 | ||
71 | 19,71 | 51 | 1760 | 1,7 | ||
82 | 16,99 | 44 | 1710 | 1,95 | ||
88 | 15,84 | 41 | 1680 | 2,1 | ||
101 | 13,84 | 35 | 1630 | 2,4 | ||
108 | 12,98 | 33 | 1610 | 2,6 | ||
122 | 11,45 | 29 | 1560 | 2,8 | ||
138 | 10,15 | 26 | 1520 | 3 | ||
162 | 8,63 | 22 | 1460 | 3,3 | ||
185 | 7,55 | 19 | 1370 | 2,9 | ||
199 | 7,04 | 18 | 1350 | 3,1 | ||
228 | 6,15 | 16 | 1300 | 3,4 | ||
243 | 5,76 | 15 | 1280 | 3,6 | ||
275 | 5,09 | 13 | 1240 | 3,9 | ||
310 | 4,51 | 12 | 1200 | 4,2 | ||
366 | 3,83 | 9,8 | 1150 | 4,6 | ||
0,37 | 191 | 13,84 | 19 | 1390 | 4,6 | 2720 |
204 | 12,98 | 17 | 1360 | 4,9 | ||
231 | 11,45 | 15 | 1320 | 5,3 | ||
261 | 10,15 | 14 | 1270 | 5,7 | ||
307 | 8,63 | 12 | 1220 | 6,3 | ||
351 | 7,55 | 10 | 1150 | 5,5 | ||
377 | 7,04 | 9,4 | 1130 | 5,8 | ||
431 | 6,15 | 8,2 | 1090 | 6,6 | ||
460 | 5,76 | 7,7 | 1070 | 6,9 | ||
521 | 5,09 | 6,8 | 1030 | 7,5 | ||
588 | 4,51 | 6 | 990 | 8 | ||
691 | 3,83 | 5,1 | 950 | 8,8 | ||
Трехступенчатые | ||||||
0,37 | 38 | 36,2 | 93 | 1260 | 0,9 | 1400 |
44 | 31,94 | 82 | 1910 | 1,05 | ||
49 | 28,32 | 73 | 1880 | 1,15 | ||
58 | 24,07 | 62 | 1830 | 1,4 | ||
Двухступенчатые | ||||||
0,55 | 71 | 19,71 | 76 | 1590 | 1,1 | 1400 |
82 | 16,99 | 66 | 1560 | 1,3 | ||
88 | 15,84 | 61 | 1550 | 1,4 | ||
101 | 13,84 | 54 | 1510 | 1,6 | ||
108 | 12,98 | 50 | 1500 | 1,7 | ||
122 | 11,45 | 44 | 1460 | 1,85 | ||
138 | 10,15 | 39 | 1430 | 1,95 | ||
162 | 8,63 | 33 | 1380 | 2,2 | ||
185 | 7,55 | 29 | 1290 | 1,9 | ||
199 | 7,04 | 27 | 1270 | 2 | ||
228 | 6,15 | 24 | 1240 | 2,3 | ||
243 | 5,76 | 22 | 1220 | 2,4 | ||
275 | 5,09 | 20 | 1190 | 2,6 | ||
310 | 4,51 | 17 | 1150 | 2,8 | ||
366 | 3,83 | 15 | 1110 | 3 | ||
313 | 8,63 | 17 | 1170 | 4,3 | 2720 | |
358 | 7,55 | 15 | 1100 | 3,8 | ||
384 | 7,04 | 14 | 1080 | 4 | ||
439 | 6,15 | 12 | 1050 | 4,5 | ||
468 | 5,76 | 11 | 1030 | 4,7 | ||
531 | 5,09 | 9,9 | 990 | 5,2 | ||
599 | 4,51 | 8,8 | 960 | 5,4 | ||
704 | 3,93 | 7,5 | 620 | 6 | ||
Трехступенчатые | ||||||
0,55 | 50 | 53,76 | 105 | 235 | 0,8 | 2720 |
57 | 47,44 | 92 | 1280 | 0,9 | ||
61 | 44,18 | 86 | 1610 | 1 | ||
70 | 38,61 | 75 | 1590 | 1,15 | ||
Двухступенчатые | ||||||
0,75 | 71 | 19,71 | 102 | 465 | 0,85 | 1400 |
82 | 16,99 | 88 | 1390 | 0,95 | ||
88 | 15,84 | 82 | 1380 | 1,05 | ||
0,75 | 101 | 13,84 | 72 | 1370 | 1,2 | |
108 | 12,98 | 67 | 1360 | 1,25 | ||
122 | 11,45 | 59 | 1350 | 1,35 | ||
138 | 10,15 | 53 | 1320 | 1,45 | ||
162 | 8,63 | 45 | 1290 | 1,6 | ||
185 | 7,55 | 39 | 1200 | 1,45 | ||
199 | 7,04 | 37 | 1180 | 1,5 | ||
228 | 6,15 | 32 | 1160 | 1,7 | ||
243 | 5,76 | 30 | 1150 | 1,75 | ||
275 | 5,09 | 26 | 1120 | 1,95 | ||
310 | 4,51 | 23 | 1090 | 2 | ||
366 | 3,83 | 20 | 1060 | 2,3 | ||
236 | 11,45 | 30 | 1200 | 2,7 | 2720 | |
266 | 10,15 | 27 | 1170 | 2,9 | ||
313 | 8,63 | 23 | 1130 | 3,1 | ||
358 | 7,55 | 20 | 1060 | 2,8 | ||
384 | 7,04 | 19 | 1040 | 2,9 | ||
439 | 6,15 | 16 | 1010 | 3,3 | ||
468 | 5,76 | 15 | 990 | 3,5 | ||
531 | 5,09 | 14 | 960 | 3,8 | ||
599 | 4,51 | 12 | 930 | 4 | ||
704 | 3,83 | 10 | 890 | 4,4 | ||
Двухступенчатые | ||||||
1,1 | 137 | 19,71 | 77 | 1150 | 1,1 | 2720 |
159 | 16,99 | 66 | 1140 | 1,3 | ||
170 | 15,84 | 62 | 1140 | 1,4 | ||
195 | 13,84 | 54 | 1120 | 1,6 | ||
208 | 12,98 | 51 | 1120 | 1,7 | ||
236 | 11,45 | 45 | 1100 | 1,8 | ||
266 | 10,15 | 40 | 1080 | 1,95 | ||
313 | 8,63 | 34 | 1050 | 2,1 | ||
358 | 7,55 | 29 | 970 | 1,9 | ||
384 | 7,04 | 27 | 960 | 2 | ||
439 | 6,15 | 24 | 940 | 2,3 | ||
468 | 5,76 | 22 | 930 | 2,4 | ||
531 | 5,09 | 20 | 910 | 2,6 | ||
599 | 4,51 | 18 | 880 | 2,7 | ||
704 | 3,83 | 15 | 850 | 3 |
UD-R27 | Исполнение 1 | Исполнение 2 | Исполнение 3 | Исполнение 4 |
Р, мм | 140 | 160 | 200 | 250 |
Z5*, мм | 50 | 55 | 60 | 80 |
KM, мм | в зависимости от смонтированного двигателя | |||
АС, мм | в зависимости от смонтированного двигателя | |||
AD, мм | в зависимости от смонтированного двигателя |
UD-R27 | Исполнение 1 | Исполнение 2 | Исполнение 3 | Исполнение 4 |
Р, мм | 140 | 160 | 200 | 250 |
Z5*, мм | 50 | 55 | 60 | 80 |
KM, мм | в зависимости от смонтированного двигателя | |||
АС, мм | в зависимости от смонтированного двигателя | |||
AD, мм | в зависимости от смонтированного двигателя |
UD-R27 | Исполнение 1 | Исполнение 2 | Исполнение 3 | Исполнение 4 |
Р, мм | 140 | 160 | 200 | 250 |
Z5*, мм | 50 | 55 | 60 | 80 |
KM, мм | в зависимости от смонтированного двигателя | |||
АС, мм | в зависимости от смонтированного двигателя | |||
AD, мм | в зависимости от смонтированного двигателя |
Мощность, кВт | Частота вращения выходного вала, об/мин | Передаточное число | Крутящий момент, Нм | Допустимая радиальная нагрузка, Н | Сервис- фактор | Частота вращения эл.двигателя |
Двухступенчатые | ||||||
0,18 | 49 | 28,37 | 37 | 3470 | 3,5 | 1400 |
54 | 26,09 | 34 | 3380 | 3,8 | ||
63 | 22,32 | 29 | 3220 | 4,5 | ||
72 | 19,35 | 25 | 3090 | 5,2 | ||
77 | 18,08 | 24 | 3020 | 5,5 | ||
90 | 15,63 | 20 | 2890 | 6,4 | ||
105 | 13,28 | 17 | 2750 | 7,5 | ||
Трехступенчатые | ||||||
0,18 | 11 | 123,91 | 161 | 4070 | 0,8 | 1400 |
13 | 105,49 | 137 | 4200 | 0,95 | ||
15 | 90,96 | 118 | 4280 | 1,1 | ||
16 | 84,78 | 110 | 4320 | 1,2 | ||
18 | 74,11 | 97 | 4370 | 1,35 | ||
20 | 69,47 | 91 | 4380 | 1,45 | ||
22 | 61,3 | 80 | 4320 | 1,65 | ||
25 | 55,87 | 73 | 4210 | 1,8 | ||
29 | 48,17 | 63 | 4040 | 2,1 | ||
31 | 44,9 | 59 | 3960 | 2,2 | ||
35 | 39,25 | 51 | 3810 | 2,5 | ||
38 | 36,79 | 48 | 3740 | 2,7 | ||
43 | 32,47 | 42 | 3610 | 3,1 | ||
48 | 28,78 | 38 | 3480 | 3,5 | ||
57 | 24,47 | 32 | 3310 | 4,1 | ||
Двухступенчатые | ||||||
0,25 | 49 | 28,37 | 52 | 3410 | 2,5 | 1400 |
54 | 26,09 | 48 | 3330 | 2,8 | ||
63 | 22,32 | 41 | 3180 | 3,2 | ||
72 | 19,35 | 36 | 3050 | 3,7 | ||
77 | 18,08 | 33 | 2990 | 3,9 | ||
90 | 15,63 | 29 | 2860 | 4,5 | ||
105 | 13,28 | 24 | 2730 | 5,3 | ||
118 | 11,86 | 22 | 2630 | 5,9 | ||
138 | 10,13 | 19 | 2510 | 6,6 | ||
149 | 9,41 | 17 | 2440 | 7,1 | ||
172 | 8,16 | 15 | 2330 | 7,7 | ||
183 | 7,63 | 14 | 2290 | 8 | ||
212 | 6,59 | 12 | 2180 | 8,8 | ||
250 | 5,6 | 10 | 2080 | 9,6 | ||
280 | 5 | 9,2 | 2000 | 10 | ||
328 | 4,27 | 7,8 | 1910 | 11 | ||
350 | 4 | 7,3 | 1870 | 12 | ||
415 | 3,37 | 6,2 | 1770 | 13 | ||
Трехступенчатые | ||||||
0,25 | 17 | 84,78 | 156 | 4100 | 0,85 | 1400 |
19 | 74,11 | 136 | 4210 | 0,95 | ||
20 | 69,47 | 128 | 4250 | 1 | ||
23 | 61,3 | 113 | 4190 | 1,15 | ||
25 | 55,87 | 103 | 4090 | 1,25 | ||
29 | 48,17 | 89 | 3940 | 1,45 | ||
31 | 44,9 | 83 | 3870 | 1,6 | ||
36 | 39,25 | 72 | 3730 | 1,8 | ||
38 | 36,79 | 68 | 3670 | 1,9 | ||
43 | 32,47 | 60 | 3540 | 2,2 | ||
49 | 28,78 | 53 | 3420 | 2,5 | ||
57 | 24,47 | 45 | 3270 | 2,9 | ||
Двухступенчатые | ||||||
0,37 | 49 | 28,37 | 73 | 3240 | 1,8 | 1400 |
54 | 26,09 | 67 | 3170 | 1,95 | ||
63 | 22,32 | 57 | 3040 | 2,3 | ||
72 | 19,35 | 50 | 2920 | 2,6 | ||
77 | 18,08 | 46 | 2860 | 2,8 | ||
90 | 15,63 | 40 | 2750 | 3,2 | ||
105 | 13,28 | 34 | 2620 | 3,8 | ||
Трехступенчатые | ||||||
0,37 | 23 | 61,3 | 157 | 3870 | 0,85 | 1400 |
25 | 55,87 | 143 | 3800 | 0,9 | ||
29 | 48,17 | 123 | 3680 | 1,05 | ||
31 | 44,9 | 115 | 3620 | 1,15 | ||
36 | 39,25 | 101 | 3510 | 1,3 | ||
38 | 36,79 | 94 | 3460 | 1,4 | ||
43 | 32,47 | 83 | 3350 | 1,55 | ||
49 | 28,78 | 74 | 3250 | 1,75 | ||
57 | 24,47 | 63 | 3110 | 2,1 | ||
Двухступенчатые | ||||||
0,55 | 63 | 22,32 | 86 | 2910 | 1,5 | 1400 |
72 | 19,35 | 75 | 2810 | 1,75 | ||
77 | 18,08 | 70 | 2760 | 1,85 | ||
90 | 15,63 | 60 | 2660 | 2,2 | ||
105 | 13,28 | 51 | 2550 | U2,5 N | ||
118 | 11,86 | 46 | 2470 | 2,8 | ||
138 | 10,13 | 39 | 2370 | 3,1 | ||
149 | 9,41 | 36 | 2290 | 3,4 | ||
172 | 8,16 | 32 | 2200 | 3,7 | ||
183 | 7,63 | 29 | 2160 | 3,8 | ||
212 | 6,59 | 26 | 2070 | 4,2 | ||
250 | 5,6 | 22 | 1980 | 4,6 | ||
280 | 5 | 19 | 1910 | 4,9 | ||
328 | 4,27 | 17 | 1830 | 5,3 | ||
350 | 4 | 15 | 1790 | 5,5 | ||
415 | 3,37 | 13 | 1700 | 6,1 | ||
Трехступенчатые | ||||||
0,55 | 36 | 39,25 | 152 | 3280 | 0,85 | 1400 |
38 | 36,79 | 142 | 3240 | 0,9 | ||
43 | 32,47 | 125 | 3160 | 1,05 | ||
49 | 28,78 | 111 | 3080 | 1,15 | ||
57 | 24,47 | 95 | 2970 | 1,4 | ||
Двухступенчатые | ||||||
0,75 | 63 | 22,32 | 116 | 2750 | 1,1 | 1400 |
72 | 19,35 | 100 | 2670 | 1,3 | ||
77 | 18,08 | 94 | 2630 | 1,4 | ||
90 | 15,63 | 81 | 2550 | 1,6 | ||
105 | 13,28 | 69 | 2450 | 1,9 | ||
118 | 11,86 | 62 | 2380 | 2,1 | ||
138 | 10,13 | 53 | 2290 | 2,3 | ||
149 | 9,41 | 49 | 2210 | 2,5 | ||
172 | 8,16 | 42 | 2130 | 2,7 | ||
183 | 7,63 | 40 | 2090 | 2,8 | ||
212 | 6,59 | 34 | 2010 | 3,1 | ||
250 | 5,6 | 29 | 1930 | 3,4 | ||
280 | 5 | 26 | 1870 | 3,7 | ||
Трехступенчатые | ||||||
0,75 | 49 | 28,78 | 149 | 2880 | 0,85 | 1400 |
57 | 24,47 | 127 | 2800 | 1 | ||
Двухступенчатые | ||||||
1,1 | 72 | 19,35 | 145 | 2430 | 0,9 | 1400 |
77 | 18,08 | 136 | 2410 | 0,95 | ||
90 | 15,63 | 117 | 2360 | 1,1 | ||
105 | 13,28 | 100 | 2290 | 1,3 | ||
118 | 11,86 | 89 | 2240 | 1,45 | ||
138 | 10,13 | 76 | 2160 | 1,6 | ||
172 | 8,16 | 61 | 2010 | 1,9 | ||
184 | 7,63 | 57 | 1980 | 1,95 | ||
212 | 6,59 | 50 | 1920 | 2,1 | ||
250 | 5,6 | 42 | 1840 | 2,4 | ||
280 | 5 | 38 | 1790 | 2,5 | ||
328 | 4,27 | 32 | 1720 | 2,7 | ||
350 | 4 | 30 | 1690 | 2,8 | ||
415 | 3,37 | 25 | 1610 | 3,1 | ||
203 | 13,28 | 52 | 1980 | 2,5 | 2700 | |
228 | 11,86 | 46 | 1920 | 2,8 | ||
267 | 10,13 | 39 | 1840 | 3,1 | ||
287 | 9,41 | 37 | 1780 | 3,3 | ||
331 | 8,16 | 32 | 1720 | 3,7 | ||
354 | 7,63 | 30 | 1690 | 3,8 | ||
410 | 6,59 | 26 | 1620 | 4,1 | ||
482 | 5,6 | 22 | 1550 | 4,5 | ||
540 | 5 | 20 | 1500 | 4,9 | ||
632 | 4,27 | 17 | 1430 | 5,2 | ||
675 | 4 | 16 | 1410 | 5,4 | ||
801 | 3,37 | 13 | 1340 | 6 | ||
Двухступенчатые | ||||||
1,5 | 90 | 15,63 | 159 | 1700 | 0,8 | 1400 |
105 | 13,28 | 135 | 2020 | 0,95 | ||
118 | 11,86 | 121 | 2080 | 1,05 | ||
138 | 10,13 | 103 | 2030 | 1,2 | ||
149 | 8,16 | 183 | 1880 | 1,4 | ||
172 | 7,63 | 78 | 1860 | 1,45 | ||
183 | 6,59 | 67 | 1810 | 1,6 | ||
212 | 5,6 | 57 | 1750 | 1,75 | ||
250 | 5 | 51 | 1710 | 1,85 | ||
328 | 4,27 | 43 | 1650 | 2 | ||
350 | 4 | 41 | 1630 | 2,1 | ||
415 | 3,37 | 34 | 1560 | 2,3 | ||
228 | 11,86 | 63 | 1840 | 2,1 | 2700 | |
267 | 10,13 | 54 | 1770 | 2,3 | ||
331 | 8,16 | 43 | 1650 | 2,7 | ||
354 | 7,63 | 41 | 1620 | 2,8 | ||
410 | 6,59 | 35 | 1570 | 3 | ||
482 | 5,6 | 30 | 1500 | 3,3 | ||
540 | 5 | 27 | 1460 | 3,6 | ||
632 | 4,27 | 23 | 1400 | 3,8 | ||
675 | 4 | 21 | 1370 | 4 | ||
801 | 3,37 | 18 | 1310 | 4,4 | ||
Двухступенчатые | ||||||
2,2 | 138 | 10,13 | 151 | 1120 | U0,8 N1 | 1400 |
212 | 6,59 | 98 | 1130 | 1,1 | ||
250 | 5,6 | 83 | 1390 | 1,2 | ||
280 | 5 | 75 | 1540 | 1,3 | ||
328 | 4,27 | 64 | 1540 | 1,35 | ||
350 | 4 | 60 | 1520 | 1,45 | ||
415 | 3,37 | 50 | 1470 | 1,55 | ||
203 | 13,28 | 102 | 1720 | 1,25 | 2720 | |
228 | 11,86 | 91 | 1690 | 1,4 | ||
267 | 10,13 | 78 | 1650 | 1,55 | ||
287 | 8,16 | 63 | 1530 | 1,85 | ||
331 | 7,63 | 59 | 1510 | 1,9 | ||
410 | 6,59 | 51 | 1470 | 2,1 | ||
482 | 5,6 | 43 | 1420 | 2,3 | ||
540 | 5 | 39 | 1390 | 2,5 | ||
632 | 4,27 | 33 | 1340 | 2,6 | ||
675 | 4 | 31 | 1310 | 2,8 | ||
801 | 3,37 | 26 | 1260 | 3 | ||
Двухступенчатые | ||||||
3 | 250 | 5,6 | 115 | 360 | 0,85 | 1400 |
280 | 5 | 102 | 615 | 0,95 | ||
328 | 4,27 | 87 | 910 | 1 | ||
350 | 4 | 82 | 1010 | 1,05 | ||
415 | 3,37 | 69 | 1230 | 1,15 | ||
410 | 6,59 | 67 | 1260 | 1,55 | 2720 | |
482 | 5,6 | 57 | 1330 | 1,75 | ||
540 | 5 | 51 | 1300 | 1,85 | ||
632 | 4,27 | 44 | 1260 | 2 | ||
675 | 4 | 41 | 1240 | 2,1 | ||
801 | 3,37 | 35 | 1200 | 2,3 |
UD-R37 | Исполнение 1 | Исполнение 2 | Исполнение 3 | Исполнение 4 |
Р, мм | 140 | 160 | 200 | 250 |
Z5*, мм | 50 | 55 | 60 | 80 |
KM, мм | в зависимости от смонтированного двигателя | |||
АС, мм | в зависимости от смонтированного двигателя | |||
AD, мм | в зависимости от смонтированного двигателя |
UD-R37 | Исполнение 1 | Исполнение 2 | Исполнение 3 | Исполнение 4 |
Р, мм | 140 | 160 | 200 | 250 |
Z5*, мм | 50 | 55 | 60 | 80 |
KM, мм | в зависимости от смонтированного двигателя | |||
АС, мм | в зависимости от смонтированного двигателя | |||
AD, мм | в зависимости от смонтированного двигателя |
UD-R37 | Исполнение 1 | Исполнение 2 | Исполнение 3 | Исполнение 4 |
Р, мм | 140 | 160 | 200 | 250 |
Z5*, мм | 50 | 55 | 60 | 80 |
KM, мм | в зависимости от смонтированного двигателя | |||
АС, мм | в зависимости от смонтированного двигателя | |||
AD, мм | в зависимости от смонтированного двигателя |
Мощность, кВт | Частота вращения выходного вала, об/мин | Передаточное число | Крутящий момент, Нм | Допустимая радиальная нагрузка, Н | Сервис- фактор | Частота вращения эл.двигателя |
Трехступенчатые | ||||||
0,18 | 7,2 | 123,66 | 245 | 3060 | 8 | 900 |
8,5 | 105,28 | 210 | 4840 | 0,95 | ||
9,9 | 90,77 | 179 | 5190 | 1,1 | ||
10,6 | 84,61 | 167 | 5310 | 1,2 | ||
10 | 134,82 | 176 | 5230 | 1,15 | 1400 | |
11 | 123,66 | 161 | 5370 | 1,25 | ||
13 | 105,28 | 137 | 5580 | 1,45 | ||
15 | 90,77 | 118 | 5710 | 1,7 | ||
16 | 84,61 | 110 | 5760 | 1,8 | ||
19 | 73,96 | 196 | 5840 | 2,1 | ||
20 | 69,33 | 90 | 5870 | 2,2 | ||
23 | 61,18 | 80 | 5920 | 2,5 | ||
25 | 55,76 | 73 | 5940 | 2,8 | ||
29 | 48,08 | 63 | 5960 | 3,2 | ||
Трехступенчатые | ||||||
0,25 | 10 | 134,82 | 250 | 2630 | 0,8 | 1400 |
11 | 123,66 | 225 | 4560 | 0,9 | ||
13 | 105,28 | 193 | 5030 | 1,05 | ||
15 | 90,77 | 167 | 5320 | 1,2 | ||
17 | 84,61 | 155 | 5420 | 1,3 | ||
19 | 73,96 | 136 | 5590 | 1,45 | ||
20 | 69,33 | 127 | 5650 | 1,55 | ||
23 | 61,18 | 112 | 5750 | 1,8 | ||
25 | 55,76 | 102 | 5800 | 1,95 | ||
29 | 48,08 | 88 | 5870 | 2,3 | ||
31 | 44,81 | 82 | 5760 | 2,4 | ||
36 | 39,17 | 72 | 5540 | 2,8 | ||
38 | 36,72 | 67 | 5430 | 3 | ||
43 | 32,4 | 60 | 5230 | 3,4 | ||
Двухступенчатые | ||||||
0,37 | 49 | 28,32 | 73 | 4830 | 2,8 | 1400 |
54 | 26,03 | 67 | 4710 | 2,8 | ||
63 | 22,27 | 57 | 4500 | 3,5 | ||
73 | 19,31 | 49 | 4320 | 4,1 | ||
78 | 18,05 | 46 | 4230 | 4,3 | ||
Трехступенчатые | ||||||
0,37 | 15 | 90,77 | 230 | 4250 | 0,85 | 1400 |
16 | 84,61 | 215 | 4720 | 0,9 | ||
19 | 73,96 | 189 | 5070 | 1,05 | ||
20 | 69,33 | 178 | 5210 | 1,15 | ||
23 | 61,18 | 157 | 5410 | 1,3 | ||
25 | 55,76 | 143 | 5530 | 1,4 | ||
29 | 48,08 | 123 | 5590 | 1,6 | ||
31 | 44,81 | 115 | 5480 | 1,75 | ||
36 | 39,17 | 100 | 5290 | 2 | ||
38 | 36,72 | 94 | 5190 | 2,1 | ||
43 | 32,4 | 83 | 5010 | 2,4 | ||
49 | 28,73 | 74 | 4850 | 2,7 | ||
57 | 24,43 | 63 | 4620 | 3,2 | ||
Двухступенчатые | ||||||
0,55 | 63 | 22,27 | 86 | 4390 | 2,3 | 1400 |
73 | 19,31 | 75 | 4220 | 2,7 | ||
78 | 18,05 | 70 | 4140 | 2,9 | ||
90 | 15,6 | 60 | 3970 | 3,3 | ||
106 | 13,25 | 51 | 3790 | 3,7 | ||
115 | 11,83 | 46 | 3670 | 4 | ||
Трехступенчатые | ||||||
0,55 | 23 | 61,18 | 235 | 3910 | 0,85 | 1400 |
25 | 55,76 | 215 | 4740 | 0,95 | ||
29 | 48,08 | 186 | 5120 | 1,1 | ||
31 | 44,81 | 173 | 5230 | 1,15 | ||
36 | 39,17 | 151 | 5070 | 1,3 | ||
38 | 36,72 | 142 | 4990 | 1,4 | ||
43 | 32,4 | 125 | 4840 | 1,6 | ||
49 | 28,73 | 111 | 4700 | 1,8 | ||
57 | 24,43 | 94 | 4500 | 2,1 | ||
Двухступенчатые | ||||||
0,75 | 63 | 22,27 | 116 | 42,3 | 1,75 | 1400 |
73 | 19,31 | 100 | 4080 | 2 | ||
78 | 18,05 | 94 | 4010 | 2,1 | ||
90 | 15,6 | 81 | 3850 | 2,5 | ||
106 | 13,25 | 69 | 3690 | 2,8 | ||
118 | 11,83 | 61 | 3570 | 3 | ||
138 | 10,11 | 53 | 3420 | 3,2 | ||
148 | 9,47 | 49 | 3360 | 3,4 | ||
Трехступенчатые | ||||||
0,75 | 29 | 48,08 | 250 | 2330 | 0,8 | 1400 |
31 | 44,81 | 235 | 4230 | 0,85 | ||
36 | 39,17 | 205 | 4720 | 1 | ||
38 | 36,72 | 191 | 4740 | 1,05 | ||
43 | 32,4 | 168 | 4610 | 1,2 | ||
49 | 28,73 | 149 | 4490 | 1,35 | ||
57 | 24,43 | 127 | 4320 | 1,6 | ||
Двухступенчатые | ||||||
1,1 | 73 | 19,31 | 145 | 3840 | 1,4 | 1400 |
78 | 18,05 | 135 | 3790 | 1,5 | ||
90 | 15,6 | 117 | 3660 | 1,7 | ||
106 | 13,25 | 99 | 3520 | 1,9 | ||
118 | 11,83 | 89 | 3430 | 2,1 | ||
138 | 10,11 | 76 | 3290 | 2,2 | ||
148 | 9,47 | 71 | 3230 | 2,3 | ||
176 | 7,97 | 60 | 3090 | 2,6 | ||
210 | 6,67 | 50 | 2920 | 2,9 | ||
247 | 5,67 | 43 | 2790 | 3,3 | ||
277 | 5,06 | 38 | 2700 | 3,5 | ||
Трехступенчатые | ||||||
1,1 | 43 | 32,4 | 245 | 2900 | 0,8 | 1400 |
49 | 28,73 | 215 | 3300 | 0,95 | ||
57 | 24,43 | 183 | 3720 | 1,1 | ||
Двухступенчатые | ||||||
1,5 | 73 | 19,31 | 196 | 2660 | 1 | 1400 |
78 | 18,05 | 183 | 2840 | 1,1 | ||
90 | 15,6 | 159 | 3160 | 1,25 | ||
106 | 13,25 | 135 | 3350 | 1,4 | ||
118 | 11,83 | 120 | 3270 | 1,5 | ||
138 | 10,11 | 103 | 3160 | 1,65 | ||
148 | 9,47 | 96 | 3110 | 1,75 | ||
176 | 7,97 | 81 | 2980 | 1,95 | ||
210 | 6,67 | 68 | 2820 | 2,1 | ||
247 | 5,67 | 58 | 2710 | 2,5 | ||
277 | 5,06 | 51 | 2630 | 2,6 | ||
324 | 4,32 | 44 | 2520 | 2,9 | ||
346 | 4,05 | 41 | 2470 | 3 | ||
411 | 3,41 | 35 | 2360 | 3,2 | ||
204 | 13,25 | 70 | 2880 | 2,7 | 2720 | |
228 | 11,83 | 63 | 2790 | 2,9 | ||
267 | 10,11 | 54 | 2680 | 3,2 | ||
285 | 9,47 | 50 | 2630 | 3,3 | ||
339 | 7,97 | 42 | 2510 | 3,7 | ||
Двухступенчатые | ||||||
2,2 | 90 | 15,6 | 230 | 1070 | 0,85 | 1400 |
106 | 13,25 | 198 | 1660 | 0,95 | ||
118 | 11,83 | 176 | 1990 | 1,05 | ||
138 | 10,11 | 151 | 2360 | 1,15 | ||
148 | 9,47 | 141 | 2480 | 1,2 | ||
176 | 7,97 | 119 | 2750 | 1,3 | ||
210 | 6,67 | 99 | 2470 | 1,45 | ||
247 | 5,67 | 84 | 2570 | 1,7 | ||
277 | 5,06 | 75 | 2500 | 1,8 | ||
324 | 4,32 | 64 | 2410 | 1,95 | ||
346 | 4,05 | 60 | 2370 | 2 | ||
411 | 3,41 | 51 | 2270 | 2,2 | ||
73 | 19,31 | 149 | 2380 | 1,35 | 2720 | |
78 | 18,05 | 139 | 2510 | 1,45 | ||
90 | 15,6 | 120 | 2740 | 1,65 | ||
106 | 13,25 | 102 | 2720 | 1,85 | ||
118 | 11,83 | 91 | 2650 | 2 | ||
138 | 10,11 | 78 | 2550 | 2,2 | ||
148 | 9,47 | 73 | 2510 | 2,3 | ||
176 | 7,97 | 61 | 2410 | 2,5 | ||
210 | 6,67 | 51 | 2280 | 2,8 | ||
247 | 5,67 | 44 | 2180 | 3,3 | ||
277 | 5,06 | 39 | 2120 | 3,5 | ||
324 | 4,32 | 33 | 2030 | 3,8 | ||
346 | 4,05 | 31 | 1990 | 3,9 | ||
411 | 3,41 | 26 | 1900 | 4,3 | ||
Двухступенчатые | ||||||
3 | 138 | 10,11 | 205 | 780 | 0,8 | 1400 |
148 | 9,47 | 194 | 1010 | 0,85 | ||
176 | 7,97 | 163 | 1510 | 0,95 | ||
210 | 6,67 | 137 | 1250 | 1,05 | ||
247 | 5,67 | 116 | 1630 | 1,25 | ||
277 | 5,06 | 104 | 1830 | 1,3 | ||
324 | 4,32 | 88 | 2070 | 1,45 | ||
346 | 4,05 | 83 | 2140 | 1,45 | ||
411 | 3,41 | 70 | 2180 | 1,6 | ||
138 | 10,11 | 103 | 2340 | 1,65 | 2720 | |
148 | 9,47 | 97 | 2380 | 1,7 | ||
176 | 7,97 | 82 | 2290 | 1,9 | ||
210 | 6,67 | 68 | 2170 | 2,1 | ||
247 | 5,67 | 58 | 2090 | 2,5 | ||
277 | 5,06 | 52 | 2030 | 2,6 | ||
324 | 4,32 | 44 | 1950 | 2,8 | ||
346 | 4,05 | 41 | 1920 | 3 | ||
411 | 3,41 | 35 | 1840 | 3,2 |
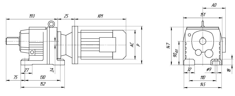
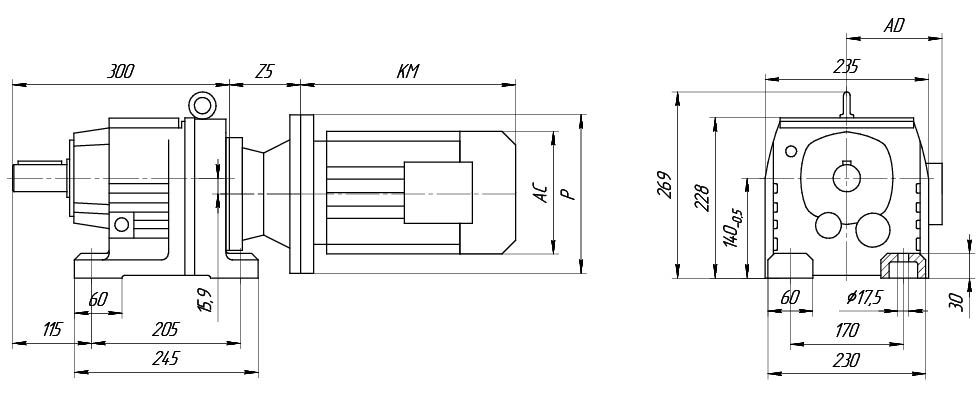
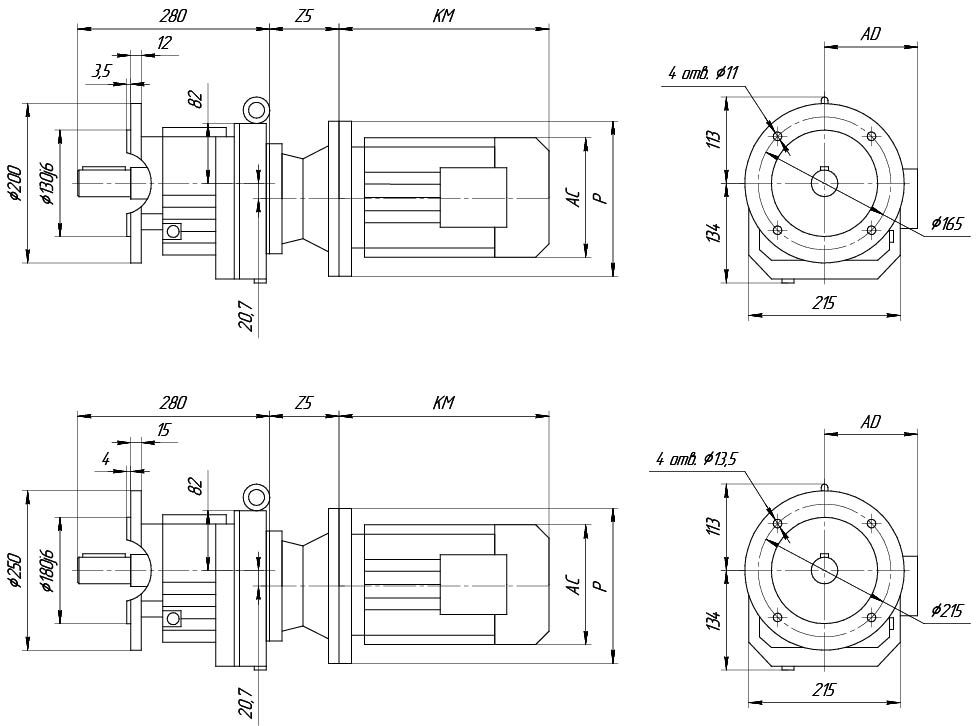
1. Модель редуктора (R-исполнение на лапах, RF-исполнение на фланце).
2. Габарит редуктора (17,37,47,57,67,77,87,97,107, 137, 147, 167).
3. Передаточное число.
4. Число оборотов выходного вала, об/мин.
5. Мощность электродвигателя, кВт.
6. Наличие электромагнитного тормоза у электродвигателя,
(Е- одинарный тормоз, ЕЕ- двойной тормоз,
Е(МШ)- одинарный малошумный тормоз,
ЕЕ(МШ)- двойной малошумный тормоз).
7. Тип фланца электродвигателя (В5;В14).
8. Монтажная позиция редуктора (M1, M2, M3, M4, M5, M6).
9. Дополнительные опции.
UD-R47 | Исполнение 1 | Исполнение 2 | Исполнение 3 | Исполнение 4 |
Р, мм | 140 | 160 | 200 | 250 |
Z5*, мм | 50 | 55 | 70 | 80 |
KM, мм | в зависимости от смонтированного двигателя | |||
АС, мм | в зависимости от смонтированного двигателя | |||
AD, мм | в зависимости от смонтированного двигателя |
Z5*- указанный размер ориентировочный и может отличаться от действительного.
UD-R47 | Исполнение 1 | Исполнение 2 | Исполнение 3 | Исполнение 4 |
Р, мм | 140 | 160 | 200 | 250 |
Z5*, мм | 50 | 55 | 70 | 80 |
KM, мм | в зависимости от смонтированного двигателя | |||
АС, мм | в зависимости от смонтированного двигателя | |||
AD, мм | в зависимости от смонтированного двигателя |
UD-R47 | Исполнение 1 | Исполнение 2 | Исполнение 3 | Исполнение 4 |
Р, мм | 140 | 160 | 200 | 250 |
Z5*, мм | 50 | 55 | 70 | 80 |
KM, мм | в зависимости от смонтированного двигателя | |||
АС, мм | в зависимости от смонтированного двигателя | |||
AD, мм |
в зависимости от смонтированного двигателя
|
Мощность, кВт | Частота вращения выходного вала, об/мин | Передаточное число | Крутящий момент, Нм | Допустимая радиальная нагрузка, Н | Сервис- фактор | Частота вращения эл.двигателя |
Трехступенчатые | ||||||
0,18 | 7,9 | 176,88 | 230 | 5740 | 1,3 | 1400 |
8,6 | 162,94 | 210 | 5810 | 1,4 | ||
10 | 139,99 | 182 | 5910 | 1,65 | ||
11 | 121,87 | 159 | 5980 | 1,9 | ||
12 | 114,17 | 149 | 6000 | 2 | ||
14 | 100,86 | 131 | 6040 | 2,3 | ||
15 | 93,68 | 122 | 6060 | 2,5 | ||
16 | 84,9 | 111 | 6080 | 2,7 | ||
18 | 76,23 | 99 | 6100 | 3 | ||
Трехступенчатые | ||||||
0,25 | 7,9 | 176,88 | 292 | 5280 | 0,97 | 1400 |
8,6 | 162,94 | 269 | 5420 | 1,05 | ||
10 | 139,99 | 231 | 5630 | 1,22 | ||
11 | 121,87 | 201 | 5770 | 1,4 | ||
12 | 114,17 | 188 | 5820 | 1,5 | ||
14 | 100,86 | 166 | 5900 | 1,7 | ||
15 | 93,68 | 154 | 5940 | 1,83 | ||
16 | 84,9 | 140 | 5980 | 2 | ||
18 | 76,23 | 126 | 6020 | 2,2 | ||
20 | 68,54 | 113 | 6050 | 2,5 | ||
22 | 64,21 | 106 | 6070 | 2,7 | ||
25 | 56,73 | 94 | 6090 | 3 | ||
26 | 52,69 | 87 | 6100 | 3,2 | ||
29 | 47,75 | 79 | 6080 | 3,6 | ||
Двухступенчатые | ||||||
0,37 | 41 | 33,79 | 81 | 5270 | 2,8 | 1400 |
45 | 31,12 | 74 | 5150 | 2,8 | ||
52 | 26,74 | 64 | 4920 | 4,4 | ||
60 | 23,28 | 56 | 4720 | 5,1 | ||
64 | 21,81 | 52 | 4620 | 5,4 | ||
Трехступенчатые | ||||||
0,37 | 10 | 139,99 | 335 | 3490 | 0,84 | 1400 |
11 | 121,87 | 291 | 5350 | 0,97 | ||
12 | 114,17 | 273 | 5460 | 1,03 | ||
14 | 100,86 | 241 | 5630 | 1,17 | ||
15 | 93,68 | 224 | 5700 | 1,26 | ||
16 | 84,9 | 203 | 5790 | 1,39 | ||
18 | 76,23 | 182 | 5870 | 1,55 | ||
20 | 68,54 | 164 | 5930 | 1,72 | ||
22 | 64,21 | 153 | 5960 | 1,84 | ||
25 | 56,73 | 136 | 6010 | 2,1 | ||
26 | 52,69 | 126 | 5990 | 2,2 | ||
29 | 47,75 | 114 | 5820 | 2,5 | ||
32 | 42,87 | 102 | 5650 | 2,8 | ||
38 | 36,93 | 88 | 5410 | 3,2 | ||
40 | 34,73 | 83 | 5310 | 3,4 | ||
Двухступенчатые | ||||||
0,55 | 50 | 26,74 | 103 | 4820 | 2,9 | 1400 |
60 | 23,28 | 83 | 4630 | 3,4 | ||
64 | 21,81 | 77 | 4550 | 3,6 | ||
Трехступенчатые | ||||||
0,55 | 15 | 93,68 | 333 | 3280 | 0,85 | 1400 |
16 | 84,9 | 302 | 5230 | 0,94 | ||
18 | 76,23 | 271 | 5450 | 1,04 | ||
20 | 68,54 | 243 | 5600 | 1,16 | ||
22 | 64,21 | 228 | 5670 | 1,24 | ||
25 | 56,73 | 202 | 5790 | 1,4 | ||
26 | 52,69 | 187 | 5770 | 1,51 | ||
29 | 47,75 | 170 | 5630 | 1,66 | ||
32 | 42,87 | 152 | 5470 | 1,85 | ||
38 | 36,93 | 131 | 5260 | 2,1 | ||
40 | 34,73 | 123 | 5180 | 2,3 | ||
47 | 29,88 | 106 | 4970 | 2,7 | ||
Двухступенчатые | ||||||
0,75 | 52 | 26,74 | 130 | 4660 | 2,2 | 1400 |
60 | 23,28 | 113 | 4490 | 2,5 | ||
64 | 21,81 | 106 | 4420 | 2,7 | ||
72 | 19,27 | 93 | 4270 | 3 | ||
78 | 17,89 | 87 | 4180 | 3,1 | ||
86 | 16,22 | 79 | 4070 | 3,3 | ||
Трехступенчатые | ||||||
0,75 | 20 | 68,54 | 332 | 3660 | 0,85 | 1400 |
22 | 64,21 | 311 | 4950 | 0,91 | ||
25 | 56,73 | 275 | 5450 | 1,03 | ||
26 | 52,69 | 255 | 5480 | 1,1 | ||
29 | 47,75 | 231 | 5370 | 1,22 | ||
32 | 42,87 | 208 | 5240 | 1,36 | ||
38 | 36,93 | 179 | 5060 | 1,58 | ||
40 | 34,73 | 168 | 4980 | 1,68 | ||
47 | 29,88 | 145 | 4800 | 1,95 | ||
52 | 26,74 | 129 | 4660 | 2,2 | ||
59 | 23,59 | 114 | 4510 | 2,5 | ||
Двухступенчатые | ||||||
1,1 | 60 | 23,28 | 175 | 4270 | 1,7 | 1400 |
64 | 21,81 | 154 | 4210 | 1,83 | ||
73 | 19,27 | 136 | 4080 | 2 | ||
78 | 17,89 | 126 | 4010 | 2,2 | ||
86 | 16,22 | 114 | 3910 | 2,3 | ||
96 | 14,56 | 103 | 3800 | 2,4 | ||
112 | 12,54 | 88 | 3650 | 2,7 | ||
119 | 11,79 | 83 | 3590 | 2,8 | ||
138 | 10,15 | 72 | 3450 | 3 | ||
154 | 9,07 | 64 | 3340 | 3,2 | ||
Трехступенчатые | ||||||
1,1 | 29 | 47,75 | 350 | 3500 | 0,85 | 1400 |
32 | 42,87 | 301 | 4850 | 0,95 | ||
38 | 36,93 | 273 | 4720 | 1,1 | ||
40 | 34,73 | 238 | 4660 | 1,15 | ||
47 | 29,88 | 199 | 4520 | 1,35 | ||
52 | 26,74 | 177 | 4410 | 1,5 | ||
59 | 23,59 | 146 | 4290 | 1,7 | ||
Двухступенчатые | ||||||
1,5 | 60 | 23,28 | 224 | 4040 | 1,26 | 1400 |
64 | 21,81 | 210 | 3990 | 1,34 | ||
73 | 19,27 | 185 | 3890 | 1,5 | ||
78 | 17,89 | 172 | 3830 | 1,58 | ||
86 | 16,22 | 156 | 3740 | 1,66 | ||
96 | 14,56 | 140 | 3650 | 1,8 | ||
112 | 12,54 | 121 | 3520 | 1,9 | ||
119 | 11,79 | 113 | 3470 | 2 | ||
138 | 10,15 | 98 | 3340 | 2,2 | ||
154 | 9,07 | 87 | 3240 | 2,4 | ||
175 | 8,01 | 77 | 3140 | 2,5 | ||
180 | 7,76 | 75 | 3060 | 2,1 | ||
201 | 6,96 | 67 | 2980 | 2,2 | ||
233 | 6 | 58 | 2860 | 2,5 | ||
248 | 5,64 | 54 | 2810 | 2,7 | ||
289 | 4,85 | 47 | 2700 | 3 | ||
323 | 4,34 | 42 | 2610 | 3,3 | ||
366 | 3,83 | 37 | 2520 | 3,7 | ||
Трехступенчатые | ||||||
1,5 | 38 | 36,93 | 355 | 2380 | 0,8 | 1400 |
40 | 34,73 | 334 | 3840 | 0,84 | ||
47 | 29,88 | 287 | 4220 | 0,98 | ||
52 | 26,74 | 257 | 4140 | 1,1 | ||
59 | 23,59 | 227 | 4050 | 1,2 | ||
Двухступенчатые | ||||||
2,2 | 73 | 19,27 | 268 | 3550 | 1,03 | 1400 |
86 | 16,22 | 226 | 3460 | 1,15 | ||
96 | 14,56 | 203 | 3400 | 1,23 | ||
112 | 12,54 | 174 | 3310 | 1,35 | ||
119 | 11,79 | 164 | 3270 | 1,4 | ||
138 | 10,15 | 141 | 3160 | 1,53 | ||
154 | 9,07 | 126 | 3090 | 1,64 | ||
175 | 8,01 | 111 | 3000 | 1,73 | ||
180 | 7,76 | 108 | 2910 | 1,42 | ||
201 | 6,96 | 97 | 2840 | 1,54 | ||
233 | 6 | 83 | 2740 | 1,76 | ||
248 | 5,64 | 78 | 2700 | 1,86 | ||
289 | 4,85 | 67 | 2600 | 2,1 | ||
323 | 4,34 | 60 | 2530 | 2,3 | ||
366 | 3,83 | 53 | 2440 | 2,5 | ||
117 | 23,28 | 179 | 3280 | 1,7 | 2870 | |
125 | 21,81 | 168 | 3230 | 1,8 | ||
142 | 19,27 | 148 | 3150 | 2 | ||
153 | 17,89 | 138 | 3100 | 2,1 | ||
168 | 16,22 | 125 | 3030 | 2,2 | ||
187 | 14,56 | 112 | 2950 | 2,4 | ||
218 | 12,54 | 97 | 2850 | 2,6 | ||
231 | 11,79 | 91 | 2800 | 2,7 | ||
269 | 10,15 | 78 | 2700 | 2,9 | ||
301 | 9,07 | 70 | 2620 | 3,2 | ||
341 | 8,01 | 62 | 2530 | 3,3 | ||
Двухступенчатые | ||||||
3 | 86 | 16,22 | 308 | 2030 | 0,84 | 1400 |
96 | 14,56 | 276 | 2500 | 0,9 | ||
112 | 12,54 | 238 | 3040 | 0,99 | ||
119 | 11,79 | 224 | 3040 | 1,03 | ||
138 | 10,15 | 192 | 2970 | 1,12 | ||
154 | 9,07 | 172 | 2910 | 1,2 | ||
175 | 8,01 | 152 | 2840 | 1,27 | ||
180 | 7,76 | 147 | 2740 | 1,04 | ||
201 | 6,96 | 132 | 2680 | 1,13 | ||
233 | 6 | 114 | 2610 | 1,29 | ||
248 | 5,64 | 107 | 2580 | 1,36 | ||
289 | 4,85 | 92 | 2490 | 1,53 | ||
323 | 4,34 | 82 | 2430 | 1,67 | ||
366 | 3,83 | 73 | 2360 | 1,86 | ||
237 | 11,79 | 121 | 2670 | 2 | 2870 | |
270 | 10,15 | 104 | 2580 | 2,2 | ||
309 | 9,07 | 93 | 2510 | 2,4 | ||
349 | 8,01 | 82 | 2430 | 2,5 | ||
361 | 7,76 | 79 | 2370 | 2,1 | ||
402 | 6,96 | 71 | 2310 | 2,2 | ||
467 | 6 | 61 | 2220 | 2,5 | ||
496 | 5,64 | 58 | 2190 | 2,7 | ||
577 | 4,85 | 50 | 2100 | 3 | ||
646 | 4,34 | 44 | 2040 | 3,3 | ||
731 | 3,83 | 39 | 1970 | 3,7 | ||
Двухступенчатые | ||||||
4 | 138 | 10,15 | 253 | 1960 | 0,85 | 1400 |
154 | 9,07 | 226 | 2350 | 0,91 | ||
175 | 8,01 | 200 | 2640 | 0,96 | ||
201 | 6,96 | 174 | 2480 | 0,86 | ||
233 | 6 | 150 | 2430 | 0,98 | ||
248 | 5,64 | 141 | 2410 | 1,04 | ||
289 | 4,85 | 121 | 2350 | 1,17 | ||
323 | 4,34 | 108 | 2300 | 1,27 | ||
366 | 3,83 | 96 | 2250 | 1,42 | ||
176 | 16,22 | 215 | 2640 | 1,25 | 2870 | |
196 | 14,56 | 195 | 2600 | 1,35 | ||
228 | 12,54 | 168 | 2540 | 1,5 | ||
242 | 11,79 | 158 | 2510 | 1,55 | ||
282 | 10,15 | 136 | 2440 | 1,7 | ||
315 | 9,07 | 121 | 2390 | 1,8 | ||
357 | 8,01 | 107 | 2320 | 1,9 | ||
369 | 7,76 | 104 | 2250 | 1,55 | ||
411 | 6,96 | 93 | 2200 | 1,7 | ||
477 | 6 | 80 | 2130 | 1,95 | ||
507 | 5,64 | 75 | 2100 | 2,1 | ||
589 | 4,85 | 65 | 2020 | 2,3 | ||
660 | 4,34 | 58 | 1970 | 2,5 | ||
746 | 3,83 | 51 | 1910 | 2,8 | ||
Двухступенчатые | ||||||
5,5 | 289 | 4,85 | 166 | 1870 | 0,85 | 1400 |
323 | 4,34 | 149 | 2110 | 0,92 | ||
366 | 3,83 | 131 | 2080 | 1,03 | ||
230 | 12,54 | 230 | 1730 | 1,1 | 2870 | |
244 | 11,79 | 215 | 1910 | 1,15 | ||
284 | 10,15 | 185 | 2250 | 1,25 | ||
318 | 9,07 | 165 | 2220 | 1,35 | ||
359 | 8,01 | 146 | 2170 | 1,4 | ||
480 | 6 | 109 | 2000 | 1,45 | ||
511 | 5,64 | 103 | 1970 | 1,5 | ||
593 | 4,85 | 89 | 1920 | 1,7 | ||
664 | 4,34 | 79 | 1870 | 1,85 | ||
752 | 3,83 | 70 | 1820 | 2,1 |
UD-R57 | Исполнение 1 | Исполнение 2 | Исполнение 3 | Исполнение 4 | Исполнение 5 |
Р, мм | 140 | 160 | 200 | 250 | 300 |
Z5*, мм | 50 | 55 | 60 | 80 | 90 |
KM, мм | в зависимости от смонтированного двигателя | ||||
АС, мм | в зависимости от смонтированного двигателя | ||||
AD, мм | в зависимости от смонтированного двигателя |
Z5*- указанный размер ориентировочный и может отличаться от действительного.
UD-R57 | Исполнение 1 | Исполнение 2 | Исполнение 3 | Исполнение 4 | Исполнение 5 |
Р, мм | 140 | 160 | 200 | 250 | 300 |
Z5*, мм | 50 | 55 | 60 | 80 | 90 |
KM, мм | в зависимости от смонтированного двигателя | ||||
АС, мм | в зависимости от смонтированного двигателя | ||||
AD, мм | в зависимости от смонтированного двигателя |
UD-R57 | Исполнение 1 | Исполнение 2 | Исполнение 3 | Исполнение 4 | Исполнение 5 |
Р, мм | 140 | 160 | 200 | 250 | 300 |
Z5*, мм | 50 | 55 | 60 | 80 | 90 |
KM, мм | в зависимости от смонтированного двигателя | ||||
АС, мм | в зависимости от смонтированного двигателя | ||||
AD, мм | в зависимости от смонтированного двигателя |
Мощность, кВт | Частотавращения выходного вала, об/мин | Передаточное число | Крутящий момент, Нм | Допустимая радиальная нагрузка, Н | Сервис- фактор | Частота вращения эл.двигателя |
Трехступенчатые | ||||||
0,18 | 4,5 | 186,89 | 355 | 7420 | 1,19 | 900 |
4,9 | 172,17 | 327 | 7510 | 1,29 | ||
5,7 | 147,92 | 281 | 7650 | 1,5 | ||
6,6 | 128,77 | 245 | 7740 | 1,73 | ||
7 | 120,63 | 229 | 7780 | 1,84 | ||
7,5 | 186,89 | 217 | 7770 | 1,95 | 1400 | |
8,1 | 172,17 | 200 | 7810 | 2,1 | ||
9,5 | 147,92 | 172 | 7870 | 2,5 | ||
11 | 128,77 | 150 | 7900 | 2,8 | ||
12 | 120,63 | 140 | 7920 | 3 | ||
13 | 106,58 | 124 | 7940 | 3,4 | ||
14 | 98,99 | 115 | 7950 | 3,7 | ||
16 | 89,71 | 104 | 7970 | 4,1 | ||
Трехступенчатые | ||||||
0,25 | 7 | 120,63 | 325 | 7550 | 1,3 | 900 |
8 | 106,58 | 287 | 7660 | 1,47 | ||
8,6 | 98,99 | 267 | 7710 | 1,58 | ||
7,5 | 186,89 | 308 | 7500 | 1,37 | 1400 | |
8,1 | 172,17 | 284 | 7590 | 1,49 | ||
9,5 | 147,92 | 244 | 7700 | 1,73 | ||
11 | 128,77 | 212 | 7780 | 1,99 | ||
12 | 120,63 | 199 | 7810 | 2,1 | ||
13 | 106,58 | 176 | 7860 | 2,4 | ||
14 | 98,99 | 163 | 7880 | 2,6 | ||
16 | 89,71 | 148 | 7910 | 2,9 | ||
17 | 80,55 | 133 | 7930 | 3,2 | ||
20 | 69,23 | 114 | 7960 | 3,7 | ||
Трехступенчатые | ||||||
0,37 | 7,5 | 186,89 | 447 | 6980 | 0,95 | 1400 |
8,1 | 172,17 | 411 | 7140 | 1,03 | ||
9,5 | 147,92 | 353 | 7390 | 1,2 | ||
11 | 128,77 | 308 | 7550 | 1,37 | ||
12 | 120,63 | 288 | 7610 | 1,47 | ||
13 | 106,58 | 255 | 7700 | 1,66 | ||
14 | 98,99 | 237 | 7750 | 1,79 | ||
16 | 89,71 | 214 | 7800 | 1,97 | ||
17 | 80,55 | 192 | 7840 | 2,2 | ||
20 | 69,23 | 165 | 7890 | 2,6 | ||
21 | 64,85 | 155 | 7910 | 2,7 | ||
24 | 57,29 | 137 | 7760 | 3,1 | ||
26 | 53,22 | 127 | 7600 | 3,3 | ||
29 | 48,23 | 115 | 7380 | 3,7 | ||
Двухступенчатые | ||||||
0,55 | 52 | 26,31 | 102 | 6060 | 4,4 | 1400 |
54 | 24,99 | 97 | 5970 | 4,7 | ||
62 | 21,93 | 85 | 5740 | 5,3 | ||
73 | 18,6 | 72 | 5460 | 6,3 | ||
Трехступенчатые | ||||||
0,55 | 11 | 120,63 | 465 | 7030 | 0,95 | 1400 |
13 | 106,58 | 410 | 7260 | 1,1 | ||
14 | 98,99 | 380 | 7370 | 1,2 | ||
15 | 89,71 | 345 | 7490 | 1,3 | ||
17 | 80,55 | 310 | 7600 | 1,45 | ||
20 | 69,23 | 265 | 7710 | 1,7 | ||
21 | 64,85 | 250 | 7750 | 1,8 | ||
24 | 57,29 | 220 | 7530 | 2 | ||
26 | 53,22 | 205 | 7390 | 2,2 | ||
28 | 48,23 | 186 | 7190 | 2,4 | ||
31 | 43,3 | 167 | 6980 | 2,7 | ||
36 | 37,3 | 144 | 6700 | 3,1 | ||
39 | 35,07 | 136 | 6580 | 3,3 | ||
Двухступенчатые | ||||||
0,75 | 53 | 26,31 | 130 | 5900 | 3,3 | 1400 |
56 | 24,99 | 124 | 5820 | 3,4 | ||
64 | 21,93 | 108 | 5610 | 3,9 | ||
75 | 18,6 | 92 | 5350 | 4,6 | ||
Трехступенчатые | ||||||
0,75 | 16 | 89,71 | 435 | 7040 | 0,97 | 1400 |
17 | 80,55 | 390 | 7240 | 1,08 | ||
20 | 69,23 | 335 | 7450 | 1,26 | ||
21 | 64,85 | 314 | 7430 | 1,35 | ||
24 | 57,29 | 277 | 7220 | 1,52 | ||
26 | 53,22 | 258 | 7090 | 1,64 | ||
29 | 48,23 | 234 | 6930 | 1,81 | ||
32 | 43,3 | 210 | 6740 | 2 | ||
37 | 37,3 | 181 | 6490 | 2,3 | ||
40 | 35,07 | 170 | 6380 | 2,5 | ||
46 | 30,18 | 146 | 6130 | 2,9 | ||
52 | 26,97 | 131 | 5940 | 3,2 | ||
Двухступенчатые | ||||||
1,1 | 53 | 26,31 | 186 | 5650 | 2,3 | 1400 |
56 | 24,99 | 176 | 5580 | 2,4 | ||
64 | 21,93 | 155 | 5400 | 2,7 | ||
75 | 18,6 | 131 | 5170 | 3,2 | ||
83 | 16,79 | 118 | 5030 | 3,6 | ||
Трехступенчатые | ||||||
1,1 | 20 | 69,23 | 488 | 6990 | 0,87 | 1400 |
21 | 64,85 | 457 | 6850 | 0,92 | ||
24 | 57,29 | 404 | 6700 | 1,05 | ||
26 | 53,22 | 375 | 6610 | 1,13 | ||
29 | 48,23 | 340 | 6490 | 1,24 | ||
32 | 43,3 | 305 | 6350 | 1,39 | ||
37 | 37,3 | 263 | 6140 | 1,61 | ||
40 | 35,07 | 247 | 6060 | 1,71 | ||
46 | 30,18 | 213 | 5850 | 1,99 | ||
52 | 26,97 | 190 | 5690 | 2,2 | ||
Двухступенчатые | ||||||
1,5 | 56 | 24,99 | 245 | 5330 | 1,72 | 1400 |
64 | 21,93 | 215 | 5170 | 1,96 | ||
75 | 18,6 | 183 | 4980 | 2,3 | ||
83 | 16,79 | 165 | 4850 | 2,6 | ||
95 | 14,77 | 145 | 4700 | 2,8 | ||
100 | 13,95 | 137 | 4630 | 2,9 | ||
118 | 11,88 | 117 | 4440 | 3,3 | ||
Трехступенчатые | ||||||
1,5 | 26 | 53,22 | 523 | 5140 | 0,8 | 1400 |
29 | 48,23 | 474 | 6010 | 0,9 | ||
32 | 43,3 | 425 | 5920 | 1 | ||
37 | 37,3 | 366 | 5770 | 1,15 | ||
40 | 35,07 | 344 | 5710 | 1,23 | ||
46 | 30,18 | 296 | 5540 | 1,43 | ||
52 | 26,97 | 265 | 5420 | 1,6 | ||
Двухступенчатые | ||||||
2,2 | 64 | 21,93 | 305 | 4800 | 1,39 | 1400 |
75 | 18,6 | 259 | 4660 | 1,64 | ||
83 | 16,79 | 234 | 4570 | 1,81 | ||
95 | 14,77 | 205 | 4450 | 1,99 | ||
100 | 13,95 | 194 | 4390 | 2,1 | ||
118 | 11,88 | 165 | 4230 | 2,3 | ||
130 | 10,79 | 150 | 4140 | 2,4 | ||
150 | 9,35 | 130 | 4000 | 2,7 | ||
155 | 9,06 | 126 | 3980 | 2,8 | ||
176 | 7,97 | 111 | 3850 | 3 | ||
Трехступенчатые | ||||||
2,2 | 37 | 37,3 | 519 | 4490 | 0,82 | 1400 |
40 | 35,07 | 488 | 5110 | 0,87 | ||
46 | 30,18 | 420 | 5030 | 1,01 | ||
52 | 26,97 | 400 | 4960 | 1,1 | ||
Двухступенчатые | ||||||
2,2 | 104 | 26,31 | 205 | 4370 | 2,2 | 2870 |
109 | 24,99 | 192 | 4320 | 2,3 | ||
124 | 21,93 | 169 | 4190 | 2,7 | ||
147 | 18,6 | 143 | 4020 | 3,1 | ||
163 | 16,79 | 129 | 3920 | 3,5 | ||
185 | 14,77 | 114 | 3790 | 3,8 | ||
196 | 13,95 | 107 | 3740 | 4 | ||
Двухступенчатые | ||||||
3 | 53 | 26,97 | 511 | 4330 | 0,8 | 1400 |
64 | 21,93 | 416 | 4380 | 1,02 | ||
75 | 18,6 | 353 | 4300 | 1,2 | ||
83 | 16,79 | 318 | 4250 | 1,33 | ||
95 | 14,77 | 280 | 4160 | 1,46 | ||
100 | 13,95 | 265 | 4130 | 1,53 | ||
118 | 11,88 | 225 | 4010 | 1,69 | ||
130 | 10,79 | 205 | 3940 | 1,79 | ||
150 | 9,35 | 177 | 3820 | 2 | ||
155 | 9,06 | 172 | 3810 | 2,1 | ||
176 | 7,97 | 151 | 3700 | 2,2 | ||
186 | 7,53 | 143 | 3650 | 2,3 | ||
218 | 6,41 | 122 | 3520 | 2,6 | ||
241 | 5,82 | 110 | 3430 | 2,7 | ||
277 | 5,05 | 96 | 3310 | 3 | ||
319 | 4,39 | 83 | 3190 | 3,2 | ||
Двухступенчатые | ||||||
3 | 128 | 21,93 | 225 | 3950 | 2 | 2870 |
151 | 18,6 | 190 | 3820 | 2,4 | ||
167 | 16,79 | 172 | 3730 | 2,6 | ||
190 | 14,77 | 151 | 3620 | 2,9 | ||
201 | 13,95 | 143 | 3570 | 3 | ||
236 | 11,88 | 122 | 3440 | 3,3 | ||
259 | 10,79 | 110 | 3360 | 3,5 | ||
Двухступенчатые | ||||||
4 | 75 | 18,6 | 464 | 3520 | 0,91 | 1400 |
83 | 16,79 | 419 | 3830 | 1,01 | ||
95 | 14,77 | 368 | 3800 | 1,11 | ||
100 | 13,95 | 348 | 3780 | 1,16 | ||
118 | 11,88 | 296 | 3710 | 1,29 | ||
130 | 10,79 | 269 | 3660 | 1,36 | ||
150 | 9,35 | 233 | 3580 | 1,49 | ||
155 | 9,06 | 226 | 3590 | 1,56 | ||
176 | 7,97 | 199 | 3500 | 1,68 | ||
186 | 7,53 | 188 | 3470 | 1,75 | ||
218 | 6,41 | 160 | 3350 | 1,97 | ||
241 | 5,82 | 145 | 3280 | 2,1 | ||
277 | 5,05 | 126 | 3180 | 2,3 | ||
319 | 4,39 | 109 | 3070 | 2,4 | ||
Двухступенчатые | ||||||
5,5 | 95 | 14,77 | 506 | 1730 | 0,81 | 1400 |
100 | 13,95 | 478 | 2070 | 0,85 | ||
118 | 11,88 | 407 | 2900 | 0,93 | ||
130 | 10,79 | 370 | 3270 | 0,99 | ||
155 | 9,35 | 321 | 3240 | 1,08 | ||
176 | 7,97 | 273 | 3220 | 1,22 | ||
186 | 7,53 | 258 | 3200 | 1,27 | ||
5,5 | 218 | 6,41 | 220 | 3120 | 1,43 | |
241 | 5,82 | 200 | 3080 | 1,51 | ||
277 | 5,05 | 173 | 3000 | 1,66 | ||
319 | 4,39 | 151 | 2920 | 1,75 | ||
Двухступенчатые | ||||||
5,5 | 308 | 9,35 | 171 | 2930 | 2,2 | 2870 |
361 | 7,97 | 145 | 2850 | 2,4 | ||
383 | 7,53 | 137 | 2820 | 2,5 | ||
449 | 6,41 | 117 | 2720 | 2,9 | ||
494 | 5,82 | 106 | 2660 | 3 | ||
571 | 5,05 | 92 | 2560 | 3,3 | ||
565 | 4,39 | 80 | 2470 | 3,5 | ||
Двухступенчатые | ||||||
7,5 | 176 | 7,97 | 368 | 980 | 0,91 | 1400 |
186 | 7,53 | 347 | 1280 | 0,95 | ||
218 | 6,41 | 296 | 2020 | 1,07 | ||
241 | 5,82 | 268 | 2380 | 1,12 | ||
277 | 5,05 | 233 | 2760 | 1,23 | ||
319 | 4,39 | 202 | 2710 | 1,3 | ||
Двухступенчатые | ||||||
7,5 | 196 | 14,77 | 365 | 2580 | 1,2 | 2870 |
208 | 13,95 | 345 | 2780 | 1,25 | ||
244 | 11,88 | 295 | 2780 | 1,4 | ||
269 | 10,79 | 265 | 2750 | 1,45 | ||
310 | 9,35 | 230 | 2710 | 1,6 | ||
364 | 7,97 | 197 | 2670 | 1,8 | ||
385 | 7,53 | 186 | 2640 | 1,9 | ||
452 | 6,41 | 158 | 2570 | 2,1 | ||
498 | 5,82 | 144 | 2520 | 2,2 | ||
575 | 5,05 | 125 | 2440 | 2,5 | ||
660 | 4,39 | 108 | 2370 | 2,6 |
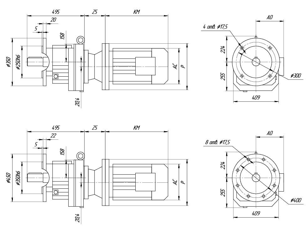
UD-R67 | Исполнение 1 | Исполнение 2 | Исполнение 3 | Исполнение 4 | Исполнение 5 | Исполнение 5 |
Р, мм | 140 | 160 | 200 | 250 | 300 | 350 |
Z5*, мм | 50 | 55 | 60 | 80 | 90 | 90 |
KM, мм | в зависимости от смонтированного двигателя | |||||
АС, мм | в зависимости от смонтированного двигателя | |||||
AD, мм | в зависимости от смонтированного двигателя |
Z5*- указанный размер ориентировочный и может отличаться от действительного.
UD-R67 | Исполнение 1 | Исполнение 2 | Исполнение 3 | Исполнение 4 | Исполнение 5 | Исполнение 5 |
Р, мм | 140 | 160 | 200 | 250 | 300 | 350 |
Z5*, мм | 50 | 55 | 60 | 80 | 90 | 90 |
KM, мм | в зависимости от смонтированного двигателя | |||||
АС, мм | в зависимости от смонтированного двигателя | |||||
AD, мм | в зависимости от смонтированного двигателя |
Z5*- указанный размер ориентировочный и может отличаться от действительного.
UD-R67 | Исполнение 1 | Исполнение 2 | Исполнение 3 | Исполнение 4 | Исполнение 5 | Исполнение 5 |
Р, мм | 140 | 160 | 200 | 250 | 300 | 350 |
Z5*, мм | 50 | 55 | 60 | 80 | 90 | 90 |
KM, мм | в зависимости от смонтированного двигателя | |||||
АС, мм | в зависимости от смонтированного двигателя | |||||
AD, мм | в зависимости от смонтированного двигателя |
Мощность, кВт | Частота вращения выходного вала, об/мин | Передаточное число | Крутящий момент, Нм | Допустимая радиальная нагрузка, Н | Сервис- фактор | Частота вращения эл.двигателя |
Трехступенчатые | ||||||
0,18 | 4,3 | 199,81 | 380 | 9370 | 1,48 | 900 |
4,6 | 184,07 | 350 | 6560 | 1,61 | ||
5,4 | 158,14 | 301 | 9830 | 1,88 | ||
6,2 | 137,67 | 262 | 10000 | 2,2 | ||
6,6 | 128,97 | 245 | 10100 | 2,3 | ||
7,5 | 113,94 | 217 | 10200 | 2,6 | ||
8 | 105,83 | 201 | 10200 | 2,8 | ||
8,9 | 95,91 | 182 | 10300 | 3,1 | ||
9,9 | 86,11 | 164 | 10300 | 3,4 | ||
11 | 74,17 | 141 | 10400 | 4 | ||
12 | 69,75 | 133 | 10400 | 4,3 | ||
7 | 199,81 | 232 | 10100 | 2,4 | 1400 | |
7,6 | 184,07 | 214 | 10100 | 2,6 | ||
8,8 | 158,14 | 184 | 10200 | 3,1 | ||
10 | 137,67 | 160 | 10300 | 3,5 | ||
11 | 128,87 | 150 | 10300 | 3,8 | ||
12 | 113,94 | 132 | 10400 | 4,3 | ||
13 | 105,83 | 123 | 10400 | 4,6 | ||
Трехступенчатые | ||||||
0,25 | 4,1 | 158,14 | 562 | 8060 | 1 | 700 |
4,7 | 137,67 | 489 | 8730 | 1,15 | ||
5 | 128,97 | 458 | 8970 | 1,23 | ||
5,7 | 113,9 | 405 | 9340 | 1,39 | ||
4,3 | 199,81 | 539 | 8190 | 1,05 | 900 | |
4,6 | 184,07 | 496 | 8590 | 1,14 | ||
5,4 | 158,14 | 426 | 9140 | 1,32 | ||
6,2 | 137,67 | 371 | 9500 | 1,52 | ||
6,6 | 128,97 | 348 | 9630 | 1,62 | ||
7,5 | 113,94 | 307 | 9840 | 1,84 | ||
8 | 105,83 | 285 | 9940 | 1,98 | ||
7 | 199,81 | 329 | 9540 | 1,71 | 1400 | |
7,6 | 184,07 | 304 | 9700 | 1,86 | ||
8,8 | 158,14 | 261 | 9930 | 2,2 | ||
10 | 137,67 | 227 | 10100 | 2,5 | ||
11 | 128,97 | 213 | 10100 | 2,7 | ||
12 | 113,94 | 188 | 10200 | 3 | ||
13 | 105,83 | 175 | 10300 | 3,2 | ||
15 | 95,91 | 158 | 10300 | 3,6 | ||
16 | 86,11 | 142 | 10400 | 4 | ||
Трехступенчатые | ||||||
0,37 | 5,4 | 158,14 | 618 | 7300 | 0,91 | 900 |
6,2 | 137,67 | 538 | 8210 | 1,05 | ||
6,6 | 128,97 | 504 | 8530 | 1,12 | ||
7,5 | 113,94 | 445 | 9010 | 1,27 | ||
7 | 199,81 | 477 | 8480 | 1,18 | 1400 | |
7,6 | 184,07 | 440 | 8820 | 1,28 | ||
8,8 | 158,14 | 378 | 9310 | 1,49 | ||
10 | 137,67 | 329 | 9620 | 1,71 | ||
11 | 128,97 | 308 | 9740 | 1,83 | ||
12 | 113,94 | 272 | 9920 | 2,1 | ||
13 | 105,83 | 253 | 10000 | 2,2 | ||
15 | 95,91 | 229 | 10100 | 2,5 | ||
16 | 86,11 | 206 | 10200 | 2,7 | ||
19 | 74,17 | 177 | 10300 | 3,2 | ||
20 | 69,75 | 167 | 10300 | 3,4 | ||
23 | 61,26 | 146 | 10400 | 3,9 | ||
25 | 56,89 | 136 | 10400 | 4,1 | ||
Трехступенчатые | ||||||
0,55 | 10 | 137,67 | 489 | 8290 | 1,15 | 1400 |
11 | 128,97 | 458 | 8600 | 1,23 | ||
12 | 113,94 | 405 | 9060 | 1,39 | ||
13 | 105,83 | 376 | 9280 | 1,5 | ||
15 | 95,91 | 341 | 9520 | 1,66 | ||
16 | 86,11 | 306 | 9730 | 1,84 | ||
19 | 74,17 | 263 | 9940 | 2,1 | ||
20 | 69,75 | 248 | 10000 | 2,3 | ||
23 | 61,26 | 218 | 10100 | 2,6 | ||
25 | 56,89 | 202 | 10200 | 2,8 | ||
Трехступенчатые | ||||||
0,75 | 11 | 128,97 | 625 | 4040 | 0,9 | 1400 |
12 | 113,94 | 552 | 7660 | 1,02 | ||
13 | 105,83 | 513 | 8120 | 1,1 | ||
15 | 95,91 | 465 | 8600 | 1,21 | ||
16 | 86,11 | 417 | 9010 | 1,35 | ||
19 | 74,17 | 359 | 9430 | 1,57 | ||
20 | 69,75 | 338 | 9570 | 1,67 | ||
23 | 61,26 | 297 | 9800 | 1,9 | ||
25 | 56,89 | 276 | 9910 | 2 | ||
27 | 51,56 | 250 | 10000 | 2,3 | ||
30 | 46,29 | 224 | 10100 | 2,5 | ||
Двухступенчатые | ||||||
1,1 | 50 | 28,13 | 203 | 10200 | 2,5 | 1400 |
52 | 26,72 | 192 | 10100 | 2,6 | ||
60 | 23,44 | 169 | 9730 | 3,1 | ||
70 | 19,89 | 143 | 9270 | 3,9 | ||
Трехступенчатые | ||||||
1,1 | 16 | 86,11 | 607 | 6820 | 0,93 | 1400 |
19 | 74,17 | 523 | 8040 | 1,08 | ||
20 | 69,75 | 492 | 8370 | 1,15 | ||
23 | 61,26 | 432 | 8920 | 1,31 | ||
25 | 56,89 | 401 | 9160 | 1,41 | ||
27 | 51,56 | 364 | 9420 | 1,55 | ||
30 | 46,29 | 326 | 9650 | 1,73 | ||
35 | 39,88 | 281 | 9890 | 1,9 | ||
37 | 37,5 | 265 | 9970 | 2 | ||
43 | 32,27 | 228 | 10100 | 2,2 | ||
49 | 28,83 | 203 | 10200 | 2,4 | ||
Двухступенчатые | ||||||
1,5 | 50 | 28,13 | 276 | 9950 | 2 | 1400 |
52 | 26,72 | 262 | 9850 | 2,1 | ||
60 | 23,44 | 230 | 9500 | 2,4 | ||
70 | 19,89 | 195 | 90700 | 2,9 | ||
78 | 17,95 | 176 | 8810 | 3,2 | ||
Трехступенчатые | ||||||
1,5 | 23 | 61,26 | 589 | 7280 | 0,96 | 1400 |
25 | 56,89 | 547 | 7810 | 1,03 | ||
27 | 51,56 | 496 | 8370 | 1,14 | ||
30 | 46,29 | 445 | 8830 | 1,27 | ||
35 | 39,88 | 384 | 9300 | 1,47 | ||
37 | 37,5 | 361 | 9460 | 1,56 | ||
43 | 32,27 | 310 | 9850 | 1,82 | ||
49 | 28,83 | 277 | 9920 | 2 | ||
Двухступенчатые | ||||||
2,2 | 60 | 23,44 | 326 | 9140 | 1,61 | 1400 |
70 | 19,89 | 277 | 8760 | 2 | ||
78 | 17,95 | 250 | 8530 | 2,2 | ||
89 | 15,79 | 220 | 8240 | 2,4 | ||
94 | 14,91 | 207 | 8110 | 2,5 | ||
110 | 12,7 | 177 | 7760 | 2,8 | ||
121 | 11,54 | 160 | 7560 | 2,9 | ||
140 | 10 | 139 | 7250 | 3,2 | ||
161 | 8,7 | 121 | 6960 | 3,4 | ||
180 | 7,79 | 108 | 6760 | 3,3 | ||
Трехступенчатые | ||||||
2,2 | 36 | 39,88 | 555 | 7630 | 0,98 | 1400 |
38 | 37,5 | 522 | 8020 | 1,03 | ||
44 | 32,27 | 449 | 8750 | 1,13 | ||
49 | 28,83 | 401 | 9140 | 1,22 | ||
Двухступенчатые | ||||||
3 | 60 | 23,44 | 446 | 8730 | 1,18 | 1400 |
70 | 19,89 | 377 | 8420 | 1,5 | ||
78 | 17,95 | 340 | 8230 | 1,63 | ||
89 | 15,79 | 299 | 7980 | 1,76 | ||
94 | 14,91 | 283 | 7860 | 1,8 | ||
110 | 12,7 | 241 | 7550 | 2 | ||
121 | 11,54 | 219 | 7360 | 2,1 | ||
140 | 10 | 190 | 7090 | 2,3 | ||
Двухступенчатые | ||||||
4 | 70 | 19,89 | 496 | 7960 | 1,14 | 1400 |
78 | 17,95 | 448 | 7800 | 1,24 | ||
89 | 15,79 | 394 | 7600 | 1,34 | ||
94 | 14,91 | 372 | 7510 | 1,39 | ||
110 | 12,7 | 317 | 7240 | 1,54 | ||
121 | 11,54 | 288 | 7080 | 1,63 | ||
140 | 10 | 249 | 6840 | 1,77 | ||
161 | 8,7 | 217 | 6600 | 1,91 | ||
180 | 7,79 | 194 | 6440 | 1,84 | ||
190 | 7,36 | 184 | 6340 | 1,9 | ||
223 | 6,27 | 156 | 6070 | 2 | ||
246 | 5,7 | 142 | 5920 | 2,1 | ||
284 | 4,93 | 123 | 5680 | 2,2 | ||
326 | 4,29 | 107 | 5460 | 2,4 | ||
Двухступенчатые | ||||||
5,5 | 89 | 15,79 | 541 | 6610 | 0,97 | 1400 |
94 | 14,91 | 511 | 6900 | 1,01 | ||
110 | 12,7 | 435 | 6810 | 1,12 | ||
121 | 11,54 | 396 | 6690 | 1,19 | ||
140 | 10 | 343 | 6500 | 1,29 | ||
161 | 8,7 | 298 | 6310 | 1,39 | ||
180 | 7,79 | 267 | 6180 | 1,34 | ||
190 | 7,36 | 252 | 6100 | 1,38 | ||
223 | 6,27 | 215 | 5860 | 1,44 | ||
246 | 5,7 | 195 | 5720 | 1,79 | ||
284 | 4,93 | 169 | 5510 | 1,61 | ||
326 | 4,29 | 147 | 5310 | 1,73 | ||
331 | 8,7 | 159 | 5300 | 2,8 | 3000 | |
369 | 7,79 | 142 | 5160 | 2,7 | ||
391 | 7,36 | 134 | 5080 | 2,8 | ||
460 | 6,27 | 114 | 4860 | 2,9 | ||
506 | 5,7 | 104 | 4730 | 3 | ||
584 | 4,93 | 90 | 4540 | 3,2 | ||
671 | 4,29 | 78 | 4350 | 3,5 | ||
Двухступенчатые | ||||||
7,5 | 110 | 12,7 | 586 | 4240 | 0,83 | 1400 |
121 | 11,54 | 532 | 4860 | 0,86 | ||
140 | 10 | 461 | 5620 | 0,96 | ||
161 | 8,7 | 401 | 5930 | 1,03 | ||
180 | 7,79 | 359 | 550 | 0,99 | ||
190 | 7,36 | 339 | 5720 | 1,02 | ||
223 | 6,27 | 289 | 5600 | 1,07 | ||
246 | 5,7 | 263 | 5480 | 1,11 | ||
284 | 4,93 | 227 | 5300 | 1,2 | ||
326 | 4,29 | 198 | 5130 | 1,28 |
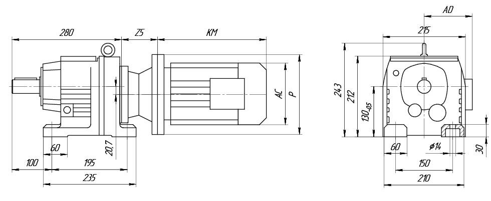
Монтажное положение:
UD-R77 | Исполнение 1 | Исполнение 2 | Исполнение 3 | Исполнение 4 | Исполнение 5 | Исполнение 5 |
Р, мм | 140 | 160 | 200 | 250 | 300 | 350 |
Z5*, мм | 50 | 55 | 60 | 80 | 90 | 90 |
KM, мм | в зависимости от смонтированного двигателя | |||||
АС, мм | в зависимости от смонтированного двигателя | |||||
AD, мм | в зависимости от смонтированного двигателя |
UD-R77 | Исполнение 1 | Исполнение 2 | Исполнение 3 | Исполнение 4 | Исполнение 5 | Исполнение 5 |
Р, мм | 140 | 160 | 200 | 250 | 300 | 350 |
Z5*, мм | 50 | 55 | 60 | 80 | 90 | 90 |
KM, мм | в зависимости от смонтированного двигателя | |||||
АС, мм | в зависимости от смонтированного двигателя | |||||
AD, мм | в зависимости от смонтированного двигателя |
UD-R77 | Исполнение 1 | Исполнение 2 | Исполнение 3 | Исполнение 4 | Исполнение 5 | Исполнение 5 |
Р, мм | 140 | 160 | 200 | 250 | 300 | 350 |
Z5*, мм | 50 | 55 | 60 | 80 | 90 | 90 |
KM, мм | в зависимости от смонтированного двигателя | |||||
АС, мм | в зависимости от смонтированного двигателя | |||||
AD, мм | в зависимости от смонтированного двигателя |
Мощность, кВт | Частота вращения выходного вала, об/мин | Передаточное число | Крутящий момент, Нм | Допустимая радиальная нагрузка, Н | Сервис- фактор | Частота вращения эл.двигателя |
Трехступенчатые | ||||||
0,18 | 4,5 | 195,24 | 385 | 12500 | 2,1 | 900 |
5,2 | 166,59 | 330 | 12700 | 2,5 | ||
6 | 145,67 | 290 | 12800 | 2,8 | ||
6,3 | 138,39 | 275 | 12900 | 3 | ||
7,2 | 121,42 | 240 | 12900 | 3,4 | ||
7,2 | 195,24 | 255 | 12900 | 3,2 | 1400 | |
8,4 | 166,59 | 215 | 13000 | 4 | ||
9,6 | 145,67 | 190 | 13000 | 4,6 | ||
10 | 138,39 | 180 | 13000 | 4,8 | ||
Трехступенчатые | ||||||
0,25 | 3,9 | 166,59 | 592 | 11600 | 1,3 | 700 |
4,4 | 145,67 | 518 | 12000 | 1,49 | ||
4,7 | 138,39 | 492 | 12100 | 1,57 | ||
5,3 | 121,42 | 431 | 12400 | 1,79 | ||
4,4 | 195,24 | 526 | 11900 | 1,46 | 900 | |
5,1 | 166,59 | 449 | 12300 | 1,72 | ||
5,8 | 145,67 | 393 | 12500 | 1,96 | ||
7,2 | 195,24 | 322 | 12600 | 2,4 | 1400 | |
8,4 | 166,59 | 275 | 12800 | 2,8 | ||
9,6 | 145,67 | 240 | 12900 | 3,2 | ||
10 | 138,39 | 228 | 12900 | 3,4 | ||
12 | 121,42 | 200 | 13000 | 3,8 | ||
Трехступенчатые | ||||||
0,37 | 4,4 | 145,67 | 750 | 10500 | 1,03 | 750 |
4,7 | 138,39 | 713 | 10800 | 1,08 | ||
5,3 | 121,42 | 625 | 11400 | 1,23 | ||
5,1 | 166,59 | 651 | 11200 | 1,18 | 1000 | |
5,8 | 145,67 | 569 | 11700 | 1,35 | ||
6,1 | 138,39 | 541 | 11900 | 1,43 | ||
7,2 | 195,24 | 467 | 12100 | 1,65 | 1400 | |
8,4 | 166,59 | 398 | 12400 | 1,94 | ||
9,6 | 145,67 | 348 | 12600 | 2,2 | ||
10 | 138,39 | 331 | 12600 | 2,3 | ||
12 | 121,42 | 290 | 12800 | 2,7 | ||
14 | 102,99 | 246 | 12900 | 3,1 | ||
15 | 92,97 | 222 | 12900 | 3,47 | ||
Трехступенчатые | ||||||
0,55 | 8,4 | 166,59 | 592 | 11300 | 1,3 | 1400 |
9,6 | 145,67 | 517 | 11800 | 1,49 | ||
10 | 138,39 | 492 | 11900 | 1,57 | ||
12 | 121,42 | 431 | 12200 | 1,79 | ||
14 | 102,99 | 366 | 12500 | 2,1 | ||
15 | 92,97 | 330 | 12600 | 2,3 | ||
17 | 81,8 | 291 | 12800 | 2,7 | ||
18 | 77,24 | 274 | 12800 | 2,8 | ||
21 | 65,77 | 234 | 12900 | 3,3 | ||
Трехступенчатые | ||||||
0,75 | 8,4 | 166,59 | 807 | 9490 | 0,96 | 1400 |
9,6 | 145,67 | 706 | 10500 | 1,09 | ||
10 | 138,39 | 670 | 10800 | 1,15 | ||
12 | 121,42 | 588 | 11400 | 1,31 | ||
14 | 102,99 | 499 | 11900 | 1,55 | ||
15 | 92,97 | 450 | 12200 | 1,71 | ||
17 | 81,8 | 396 | 12400 | 1,95 | ||
18 | 77,24 | 375 | 12500 | 2,1 | ||
21 | 65,77 | 319 | 12700 | 2,4 | ||
24 | 57,68 | 273 | 12800 | 2,8 | ||
27 | 52,07 | 247 | 12900 | 3,1 | ||
31 | 45,81 | 217 | 12900 | 3,6 | ||
32 | 43,26 | 205 | 13000 | 3,8 | ||
Трехступенчатые | ||||||
1,1 | 12 | 121,42 | 856 | 8990 | 0,9 | 1400 |
14 | 102,99 | 726 | 10300 | 1,06 | ||
15 | 92,97 | 656 | 10900 | 1,18 | ||
17 | 81,8 | 577 | 11500 | 1,34 | ||
18 | 77,24 | 545 | 11700 | 1,41 | ||
21 | 65,77 | 464 | 12100 | 1,66 | ||
24 | 57,68 | 398 | 12400 | 1,94 | ||
27 | 52,07 | 359 | 12500 | 2,1 | ||
31 | 45,81 | 316 | 12700 | 2,4 | ||
32 | 43,26 | 298 | 12700 | 2,6 | ||
38 | 36,83 | 254 | 12900 | 3 | ||
42 | 33,47 | 231 | 12900 | 3,3 | ||
Двухступенчатые | ||||||
1,5 | 60 | 23,37 | 225 | 11800 | 3,4 | 1,5 |
65 | 21,43 | 206 | 11500 | 3,7 | ||
74 | 18,8 | 181 | 11000 | 4,1 | ||
Трехступенчатые | ||||||
1,5 | 15 | 92,97 | 894 | 8500 | 0,86 | 1400 |
17 | 81,8 | 787 | 9820 | 0,98 | ||
18 | 77,24 | 743 | 10200 | 1,04 | ||
21 | 65,77 | 633 | 11100 | 1,22 | ||
24 | 57,68 | 542 | 11600 | 1,42 | ||
27 | 52,07 | 490 | 11900 | 1,57 | ||
31 | 45,81 | 431 | 12200 | 1,79 | ||
32 | 43,26 | 407 | 12300 | 1,9 | ||
38 | 36,83 | 346 | 12600 | 2,2 | ||
42 | 33,47 | 315 | 12700 | 2,4 | ||
48 | 29 | 273 | 12500 | 2,8 | ||
55 | 25,23 | 237 | 12000 | 3,1 | ||
Двухступенчатые | ||||||
2,2 | 60 | 23,37 | 325 | 11400 | 2,4 | 1400 |
65 | 21,43 | 298 | 11200 | 2,6 | ||
74 | 18,8 | 261 | 10800 | 2,8 | ||
79 | 17,82 | 248 | 10600 | 3 | ||
90 | 15,6 | 217 | 10200 | 3,2 | ||
100 | 14,05 | 195 | 9910 | 3,5 | ||
Трехступенчатые | ||||||
2,2 | 21 | 65,77 | 915 | 5470 | 0,8 | 1400 |
24 | 57,68 | 784 | 9540 | 1 | ||
27 | 52,07 | 708 | 10300 | 1,1 | ||
31 | 45,81 | 623 | 11000 | 1,2 | ||
32 | 43,26 | 588 | 11300 | 1,31 | ||
38 | 36,83 | 501 | 11800 | 1,54 | ||
42 | 33,47 | 455 | 12100 | 1,69 | ||
48 | 29 | 394 | 12100 | 1,95 | ||
55 | 25,23 | 343 | 11700 | 2,1 | ||
Двухступенчатые | ||||||
3 | 60 | 23,37 | 443 | 11100 | 1,74 | 1400 |
65 | 21,43 | 406 | 10800 | 1,9 | ||
74 | 18,8 | 357 | 10500 | 2,1 | ||
79 | 17,82 | 338 | 10300 | 2,2 | ||
90 | 15,6 | 296 | 9980 | 2,4 | ||
100 | 14,05 | 266 | 9700 | 2,5 | ||
114 | 12,33 | 234 | 9350 | 2,8 | ||
129 | 10,88 | 206 | 9030 | 3 | ||
145 | 9,64 | 183 | 8720 | 3,2 | ||
163 | 8,59 | 160 | 8500 | 3,7 | ||
181 | 7,74 | 144 | 8240 | 4 | ||
206 | 6,79 | 126 | 7920 | 4,3 | ||
Трехступенчатые | ||||||
3 | 31 | 45,81 | 849 | 8670 | 0,91 | 1400 |
32 | 43,26 | 802 | 9270 | 0,96 | ||
38 | 36,83 | 683 | 10500 | 1,13 | ||
42 | 33,47 | 621 | 11000 | 1,24 | ||
48 | 29 | 538 | 11600 | 1,43 | ||
55 | 25,23 | 468 | 11300 | 1,57 | ||
Двухступенчатые | ||||||
4 | 60 | 23,37 | 583 | 10600 | 0,32 | 1400 |
65 | 21,43 | 534 | 10400 | 1,44 | ||
74 | 18,8 | 469 | 10100 | 1,56 | ||
79 | 17,82 | 444 | 9950 | 1,65 | ||
90 | 15,6 | 389 | 9630 | 1,79 | ||
100 | 14,05 | 350 | 9380 | 1,93 | ||
114 | 12,33 | 307 | 9070 | 2,1 | ||
129 | 10,88 | 271 | 8780 | 2,3 | ||
145 | 9,64 | 240 | 8500 | 2,5 | ||
163 | 8,59 | 210 | 8320 | 2,8 | ||
181 | 7,74 | 189 | 8070 | 3 | ||
206 | 6,79 | 166 | 7770 | 3,3 | ||
234 | 5,99 | 147 | 7490 | 3,5 | ||
264 | 5,31 | 130 | 7230 | 3,7 | ||
Трехступенчатые | ||||||
4 | 38 | 36,83 | 898 | 4070 | 0,86 | 1400 |
42 | 33,47 | 816 | 9100 | 0,94 | ||
48 | 29 | 707 | 10300 | 1,09 | ||
55 | 25,23 | 615 | 10800 | 1,19 | ||
Двухступенчатые | ||||||
5,5 | 74 | 18,8 | 645 | 9240 | 1,14 | 1400 |
79 | 17,82 | 611 | 9400 | 1,2 | ||
90 | 15,6 | 535 | 9150 | 1,3 | ||
100 | 14,05 | 482 | 8950 | 1,4 | ||
114 | 12,33 | 423 | 8690 | 1,53 | ||
129 | 10,88 | 373 | 8440 | 1,66 | ||
145 | 9,64 | 331 | 8190 | 1,79 | ||
163 | 8,59 | 289 | 8080 | 2,1 | ||
181 | 7,74 | 260 | 7860 | 2,2 | ||
206 | 6,79 | 228 | 7580 | 2,4 | ||
234 | 5,99 | 202 | 7320 | 2,52 | ||
264 | 5,31 | 179 | 7070 | 2,68 | ||
Двухступенчатые | ||||||
7,5 | 74 | 18,8 | 867 | 5310 | 0,85 | 1400 |
79 | 17,82 | 822 | 5720 | 0,89 | ||
90 | 15,6 | 719 | 6610 | 0,97 | ||
100 | 14,05 | 648 | 7180 | 1,04 | ||
114 | 12,33 | 569 | 7750 | 1,14 | ||
129 | 10,88 | 502 | 8010 | 1,24 | ||
145 | 9,64 | 445 | 7810 | 1,33 | ||
163 | 8,59 | 388 | 7620 | 1,53 | ||
181 | 7,74 | 350 | 7590 | 1,64 | ||
206 | 6,79 | 307 | 7340 | 1,78 | ||
234 | 5,99 | 271 | 7110 | 1,87 | ||
264 | 5,31 | 240 | 6890 | 2 | ||
Двухступенчатые | ||||||
11 | 129 | 10,88 | 736 | 4250 | 0,84 | 1400 |
145 | 9,64 | 652 | 5000 | 0,91 | ||
181 | 7,74 | 513 | 4630 | 1,12 | ||
206 | 6,79 | 450 | 5250 | 1,21 | ||
234 | 5,99 | 398 | 5720 | 1,28 | ||
264 | 5,31 | 352 | 6090 | 1,36 |
UD-R87 | Исполнение 1 | Исполнение 2 | Исполнение 3 | Исполнение 4 |
Р, мм | 200 | 250 | 300 | 350 |
Z5*, мм | 60 | 80 | 90 | 125 |
KM, мм | в зависимости от смонтированного двигателя | |||
АС, мм | в зависимости от смонтированного двигателя | |||
AD, мм | в зависимости от смонтированного двигателя |
UD-R87 | Исполнение 1 | Исполнение 2 | Исполнение 3 | Исполнение 4 |
Р, мм | 200 | 250 | 300 | 350 |
Z5*, мм | 60 | 80 | 90 | 125 |
KM, мм | в зависимости от смонтированного двигателя | |||
АС, мм | в зависимости от смонтированного двигателя | |||
AD, мм | в зависимости от смонтированного двигателя |
UD-R87 | Исполнение 1 | Исполнение 2 | Исполнение 3 | Исполнение 4 |
Р, мм | 200 | 250 | 300 | 350 |
Z5*, мм | 60 | 80 | 90 | 125 |
KM, мм | в зависимости от смонтированного двигателя | |||
АС, мм | в зависимости от смонтированного двигателя | |||
AD, мм | в зависимости от смонтированного двигателя |
Мощность, кВт | Частота вращения выходного вала, об/мин | Передаточное число | Крутящий момент, Нм | Допустимая радиальная нагрузка, Н | Сервис- фактор | Частота вращения эл.двигателя |
Трехступенчатые | ||||||
0,25 | 2,6 | 246,54 | 876 | 20000 | 1,66 | 700 |
3 | 216,54 | 769 | 20000 | 1,89 | ||
3,1 | 205,71 | 731 | 20000 | 1,99 | ||
3,5 | 181,77 | 646 | 20000 | 2,3 | ||
Трехступенчатые | ||||||
0,37 | 3 | 216,54 | 1115 | 19300 | 1,31 | 700 |
3,1 | 205,71 | 1059 | 19600 | 1,38 | ||
3,5 | 181,77 | 936 | 20000 | 1,6 | ||
3,4 | 246,54 | 963 | 20000 | 1,51 | 900 | |
3,9 | 216,54 | 846 | 20000 | 1,72 | ||
4,1 | 205,71 | 804 | 20000 | 1,81 | ||
4,7 | 181,77 | 710 | 20000 | 2,1 | ||
5,5 | 155,34 | 607 | 20000 | 2,4 | ||
6 | 142,41 | 556 | 20000 | 2,6 | ||
Трехступенчатые | ||||||
0,55 | 3,4 | 246,54 | 1375 | 17700 | 1,06 | 900 |
3,9 | 216,54 | 1208 | 18700 | 1,21 | ||
4,1 | 205,71 | 1148 | 19000 | 1,27 | ||
4,7 | 181,77 | 1014 | 19600 | 1,44 | ||
5,5 | 155,34 | 867 | 20000 | 1,68 | ||
5,7 | 246,54 | 876 | 20000 | 1,66 | 1400 | |
6,5 | 216,54 | 769 | 20000 | 1,89 | ||
6,8 | 205,71 | 731 | 20000 | 2 | ||
7,7 | 181,77 | 646 | 20000 | 2,3 | ||
9 | 155,34 | 552 | 20000 | 2,6 | ||
9,8 | 142,41 | 506 | 20000 | 2,9 | ||
11 | 124,97 | 444 | 20000 | 3,3 | ||
12 | 118,43 | 421 | 20000 | 3,5 | ||
14 | 103,65 | 368 | 20000 | 4 | ||
Трехступенчатые | ||||||
0,75 | 3,9 | 216,54 | 1602 | 15600 | 0,91 | 900 |
4,1 | 205,71 | 1522 | 16300 | 0,96 | ||
4,7 | 181,77 | 1345 | 17600 | 1,08 | ||
5,5 | 155,34 | 1149 | 18800 | 1,27 | ||
5,9 | 142,41 | 1054 | 19300 | 1,38 | ||
5,7 | 246,54 | 1194 | 18600 | 1,22 | 1400 | |
6,5 | 216,54 | 1049 | 19300 | 1,39 | ||
6,8 | 205,71 | 996 | 19600 | 1,46 | ||
7,7 | 181,77 | 880 | 20000 | 1,65 | ||
9 | 155,34 | 752 | 20000 | 1,94 | ||
9,8 | 142,41 | 690 | 20000 | 2,1 | ||
11 | 124,97 | 605 | 20000 | 2,4 | ||
12 | 118,43 | 574 | 20000 | 2,5 | ||
14 | 103,65 | 502 | 20000 | 2,9 | ||
15 | 93,38 | 452 | 20000 | 3,2 | ||
Трехступенчатые | ||||||
1,1 | 6,5 | 216,54 | 1527 | 16400 | 0,95 | 1400 |
6,8 | 205,71 | 1451 | 17000 | 1 | ||
7,7 | 181,77 | 1282 | 18100 | 1,14 | ||
9 | 155,34 | 1096 | 19100 | 1,33 | ||
9,8 | 142,41 | 1004 | 19600 | 1,45 | ||
11 | 124,97 | 881 | 20000 | 1,65 | ||
12 | 118,43 | 835 | 20000 | 1,74 | ||
14 | 103,65 | 731 | 20000 | 1,99 | ||
15 | 93,38 | 659 | 20000 | 2,2 | ||
17 | 81,92 | 578 | 20000 | 2,5 | ||
19 | 72,57 | 510 | 20000 | 2,9 | ||
22 | 63,68 | 448 | 20000 | 3,3 | ||
23 | 60,35 | 424 | 20000 | 3,4 | ||
27 | 52,82 | 372 | 20000 | 3,9 | ||
Трехступенчатые | ||||||
1,5 | 7,7 | 181,77 | 1748 | 11400 | 0,83 | 1400 |
9 | 155,34 | 1494 | 16700 | 0,98 | ||
9,8 | 142,41 | 1370 | 17600 | 1,06 | ||
11 | 124,97 | 1202 | 18600 | 1,21 | ||
12 | 118,43 | 1139 | 19000 | 1,28 | ||
14 | 103,65 | 997 | 19600 | 1,46 | ||
15 | 93,38 | 898 | 20000 | 1,62 | ||
17 | 81,92 | 788 | 20000 | 1,85 | ||
19 | 72,57 | 696 | 20000 | 2,1 | ||
22 | 63,68 | 611 | 20000 | 2,4 | ||
23 | 60,35 | 579 | 20000 | 2,5 | ||
27 | 52,82 | 507 | 20000 | 2,9 | ||
29 | 47,58 | 456 | 20000 | 3,2 | ||
34 | 41,74 | 400 | 20000 | 3,6 | ||
38 | 36,84 | 353 | 19600 | 4,1 | ||
Двухступенчатые | ||||||
2,2 | 41 | 34,4 | 478 | 18800 | 3 | 1400 |
45 | 31,4 | 434 | 18300 | 3,4 | ||
50 | 27,8 | 387 | 17700 | 3,8 | ||
60 | 23,4 | 325 | 16800 | 4,5 | ||
65 | 2151 | 299 | 16400 | 4,7 | ||
Трехступенчатые | ||||||
2,2 | 11 | 124,97 | 1738 | 10100 | 0,84 | 1400 |
12 | 118,43 | 1647 | 15200 | 0,88 | ||
14 | 103,65 | 1442 | 17000 | 1,01 | ||
15 | 93,38 | 1299 | 17900 | 1,12 | ||
17 | 81,92 | 1139 | 1890 | 1,28 | ||
19 | 72,57 | 1007 | 19500 | 1,45 | ||
22 | 63,68 | 883 | 20000 | 1,65 | ||
23 | 60,35 | 837 | 20000 | 1,74 | ||
27 | 52,82 | 733 | 20000 | 1,99 | ||
29 | 47,58 | 660 | 20000 | 2,2 | ||
34 | 41,74 | 579 | 19900 | 2,5 | ||
38 | 36,84 | 511 | 19200 | 2,9 | ||
43 | 32,66 | 453 | 18500 | 3,2 | ||
Двухступенчатые | ||||||
3 | 41 | 34,4 | 651 | 18400 | 2,2 | 1400 |
45 | 31,4 | 592 | 17900 | 2,5 | ||
50 | 27,8 | 528 | 17400 | 2,8 | ||
60 | 23,4 | 444 | 16500 | 3,3 | ||
65 | 21,51 | 408 | 16100 | 3,5 | ||
73 | 19,1 | 362 | 15600 | 3,6 | ||
82 | 17,08 | 324 | 15100 | 4 | ||
91 | 15,35 | 291 | 14600 | 4,3 | ||
Трехступенчатые | ||||||
3 | 15 | 93,38 | 1771 | 13630 | 0,82 | 1400 |
17 | 81,92 | 1554 | 16000 | 0,94 | ||
19 | 72,57 | 1373 | 17400 | 1,06 | ||
22 | 63,68 | 1204 | 18400 | 1,21 | ||
23 | 60,35 | 1141 | 18800 | 1,28 | ||
27 | 52,82 | 999 | 19500 | 1,46 | ||
29 | 47,58 | 900 | 19900 | 1,62 | ||
34 | 41,74 | 790 | 19400 | 1,85 | ||
38 | 36,84 | 697 | 18700 | 2,1 | ||
43 | 32,66 | 618 | 18100 | 2,4 | ||
50 | 27,88 | 527 | 17400 | 2,8 | ||
Двухступенчатые | ||||||
4 | 41 | 34,4 | 856 | 17600 | 1,7 | 1400 |
45 | 31,4 | 779 | 17400 | 1,87 | ||
50 | 27,8 | 694 | 16800 | 2,1 | ||
60 | 23,4 | 584 | 16100 | 2,5 | ||
65 | 2151 | 536 | 15700 | 2,7 | ||
73 | 19,1 | 476 | 15200 | 3,1 | ||
82 | 17,08 | 426 | 14700 | 3,1 | ||
91 | 15,35 | 383 | 14300 | 3,3 | ||
105 | 13,33 | 332 | 13700 | 3,6 | ||
117 | 11,93 | 297 | 13300 | 3,9 | ||
Трехступенчатые | ||||||
4 | 22 | 63,68 | 1583 | 13300 | 0,92 | 1500 |
23 | 60,35 | 1501 | 13900 | 0,97 | ||
27 | 52,82 | 1313 | 15200 | 1,11 | ||
29 | 47,58 | 1183 | 16000 | 1,23 | ||
34 | 41,74 | 1038 | 16800 | 1,4 | ||
38 | 36,84 | 916 | 17400 | 1,59 | ||
43 | 32,66 | 812 | 17500 | 1,79 | ||
50 | 27,88 | 693 | 16800 | 2,1 | ||
Двухступенчатые | ||||||
5,5 | 60 | 23,4 | 802 | 15500 | 1,82 | 1400 |
65 | 21,51 | 738 | 15200 | 2 | ||
73 | 19,1 | 655 | 14700 | 2,1 | ||
82 | 17,08 | 586 | 14300 | 2,2 | ||
91 | 15,35 | 526 | 13900 | 2,4 | ||
105 | 13,33 | 457 | 13400 | 2,6 | ||
117 | 11,93 | 409 | 13000 | 2,8 | ||
141 | 9,9 | 339 | 12300 | 3,3 | ||
153 | 9,14 | 317 | 12200 | 3,6 | ||
170 | 8,22 | 285 | 11800 | 3,8 | ||
196 | 7,13 | 248 | 11300 | 4,1 | ||
Трехступенчатые | ||||||
5,5 | 29 | 47,58 | 1627 | 15400 | 0,9 | 1400 |
34 | 41,74 | 1427 | 17000 | 1,02 | ||
38 | 36,84 | 1259 | 17200 | 1,16 | ||
43 | 32,66 | 1117 | 16700 | 1,3 | ||
50 | 27,88 | 954 | 16100 | 1,53 | ||
Двухступенчатые | ||||||
7,5 | 50 | 27,8 | 1284 | 15200 | 1,13 | 1400 |
60 | 23,4 | 1079 | 14700 | 1,35 | ||
65 | 21,51 | 992 | 14500 | 1,42 | ||
73 | 19,1 | 881 | 14100 | 1,54 | ||
82 | 17,08 | 788 | 13700 | 1,66 | ||
91 | 15,35 | 708 | 12500 | 1,78 | ||
105 | 13,33 | 615 | 12900 | 1,96 | ||
117 | 11,93 | 550 | 12600 | 2,1 | ||
141 | 9,9 | 457 | 12000 | 2,4 | ||
153 | 9,14 | 427 | 11900 | 2,7 | ||
170 | 8,22 | 384 | 11600 | 2,8 | ||
196 | 7,13 | 333 | 11100 | 3 | ||
218 | 6,39 | 298 | 10800 | 3,2 | ||
254 | 5,3 | 247 | 10200 | 3,5 | ||
Трехступенчатые | ||||||
7,5 | 38 | 36,84 | 1694 | 11500 | 0,86 | 1400 |
43 | 32,66 | 1502 | 15700 | 0,97 | ||
50 | 27,88 | 1282 | 15200 | 1,1 | ||
Двухступенчатые | ||||||
11 | 65 | 21,51 | 1455 | 13200 | 0,97 | 1400 |
73 | 19,1 | 1292 | 13000 | 1,05 | ||
82 | 17,08 | 1155 | 12800 | 1,13 | ||
91 | 15,35 | 1038 | 12500 | 1,21 | ||
105 | 13,33 | 902 | 12200 | 1,33 | ||
117 | 11,93 | 807 | 11900 | 1,43 | ||
141 | 9,9 | 670 | 11400 | 1,66 | ||
153 | 9,14 | 626 | 11500 | 1,82 | ||
170 | 8,22 | 563 | 11200 | 1,94 | ||
196 | 7,13 | 488 | 10800 | 2,1 | ||
218 | 6,39 | 438 | 10400 | 2,2 | ||
254 | 5,3 | 363 | 9910 | 2,4 | ||
Двухступенчатые | ||||||
15 | 82 | 17,08 | 1575 | 11600 | 1,13 | 1400 |
91 | 15,35 | 1416 | 11500 | 0,89 | ||
105 | 13,33 | 1229 | 11300 | 0,98 | ||
117 | 11,93 | 1100 | 11100 | 1,05 | ||
141 | 9,9 | 913 | 10700 | 1,21 | ||
153 | 9,14 | 853 | 11000 | 1,33 | ||
170 | 8,22 | 767 | 10700 | 1,42 | ||
196 | 7,13 | 666 | 10300 | 1,51 | ||
218 | 6,39 | 597 | 10100 | 1,61 | ||
254 | 5,3 | 494 | 9600 | 1,73 | ||
Двухступенчатые | ||||||
18,5 | 105 | 13,33 | 1516 | 10600 | 0,8 | 1400 |
117 | 11,93 | 1357 | 10400 | 0,85 | ||
141 | 9,9 | 1126 | 10200 | 0,98 | ||
153 | 9,14 | 1052 | 10600 | 1,08 | ||
170 | 8,22 | 946 | 10300 | 1,15 | ||
196 | 7,13 | 821 | 10000 | 1,22 | ||
218 | 6,39 | 736 | 9770 | 1,3 | ||
254 | 5,3 | 610 | 9350 | 1,4 | ||
Двухступенчатые | ||||||
22 | 141 | 9,9 | 1339 | 9640 | 0,83 | 1400 |
153 | 9,14 | 1251 | 10100 | 0,91 | ||
170 | 8,22 | 1125 | 9960 | 0,97 | ||
196 | 7,13 | 977 | 9700 | 1,03 | ||
218 | 6,39 | 875 | 9490 | 1,1 | ||
254 | 5,3 | 725 | 9110 | 1,18 |
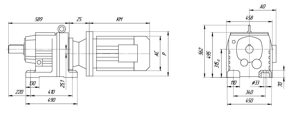
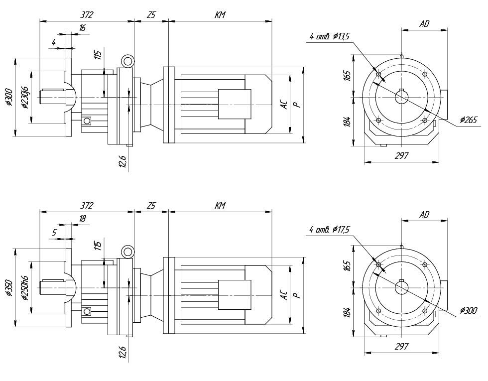
1. Модель редуктора (R-исполнение на лапах, RF-исполнение на фланце).
2. Габарит редуктора (17,37,47,57,67,77,87,97,107, 137, 147, 167).
3. Передаточное число.
4. Число оборотов выходного вала, об/мин.
5. Мощность электродвигателя, кВт.
6. Наличие электромагнитного тормоза у электродвигателя,
(Е- одинарный тормоз, ЕЕ- двойной тормоз,
Е(МШ)- одинарный малошумный тормоз,
ЕЕ(МШ)- двойной малошумный тормоз).
7. Тип фланца электродвигателя (В5;В14).
8. Монтажная позиция редуктора (M1, M2, M3, M4, M5, M6).
9. Дополнительные опции.
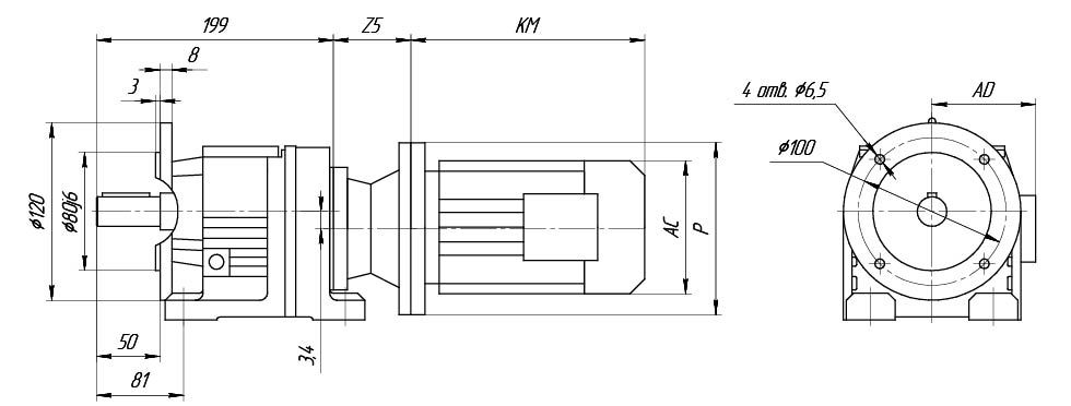
UD-R97 | Исполнение 1 | Исполнение 2 | Исполнение 3 | Исполнение 4 | Исполнение 5 |
Р, мм | 250 | 300 | 350 | 400 | 450 |
Z5*, мм | 80 | 90 | 125 | 145 | 160 |
KM, мм | в зависимости от смонтированного двигателя | ||||
АС, мм | в зависимости от смонтированного двигателя | ||||
AD, мм | в зависимости от смонтированного двигателя |
UD-R97 | Исполнение 1 | Исполнение 2 | Исполнение 3 | Исполнение 4 | Исполнение 5 |
Р, мм | 250 | 300 | 350 | 400 | 450 |
Z5*, мм | 80 | 90 | 125 | 145 | 160 |
KM, мм | в зависимости от смонтированного двигателя | ||||
АС, мм | в зависимости от смонтированного двигателя | ||||
AD, мм | в зависимости от смонтированного двигателя |
Мощность, кВт | Частота вращения выходного вала, об/мин | Передаточное число | Крутящий момент, Нм | Допустимая радиальная нагрузка, Н | Сервис- фактор | Частота вращения эл.двигателя |
Трехступенчатые | ||||||
0,25 | 2,2 | 289,74 | 1029 | 28200 | 2,7 | 700 |
2,5 | 255,71 | 913 | 28300 | 3,1 | ||
2,7 | 241,25 | 856 | 28400 | 3,3 | ||
3 | 216,28 | 767 | 28400 | 3,7 | ||
Трехступенчатые | ||||||
2,5 | 255,71 | 1323 | 27900 | 2,1 | ||
2,7 | 241,25 | 1240 | 28000 | 2,3 | ||
3 | 216,28 | 1112 | 28100 | 2,5 | ||
3,5 | 186,3 | 958 | 28300 | 2,9 | ||
3,1 | 289,74 | 1132 | 28100 | 2,5 | ||
3,5 | 255,71 | 1004 | 28200 | 2,8 | ||
3,7 | 241,25 | 941 | 28300 | 3 | ||
4,2 | 216,28 | 844 | 28400 | 3,3 | ||
Трехступенчатые | ||||||
0,55 | 2,5 | 255,71 | 1893 | 26500 | 1,5 | 700 |
2,7 | 241,25 | 1775 | 26900 | 1,59 | ||
3 | 216,28 | 1591 | 27400 | 1,77 | ||
3,1 | 289,74 | 1682 | 27400 | 1,68 | 900 | |
3,5 | 255,71 | 1492 | 27700 | 1,9 | ||
3,7 | 241,25 | 1399 | 27800 | 2 | ||
4,2 | 216,28 | 1254 | 28000 | 2,2 | ||
4,8 | 289,74 | 1029 | 28100 | 2,7 | 1400 | |
5,5 | 255,71 | 912 | 28200 | 3,1 | ||
5,8 | 241,25 | 855 | 28300 | 3,3 | ||
6,5 | 216,28 | 767 | 28400 | 3,7 | ||
Трехступенчатые | ||||||
0,75 | 3 | 216,28 | 2138 | 25300 | 1,32 | 700 |
3,5 | 186,3 | 1841 | 26600 | 1,53 | ||
4 | 170,02 | 1674 | 27200 | 1,68 | ||
3,5 | 255,71 | 1901 | 26200 | 1,49 | 900 | |
3,7 | 241,25 | 1782 | 26700 | 1,58 | ||
4,2 | 216,28 | 1598 | 27300 | 1,76 | ||
4,8 | 289,74 | 1403 | 27600 | 2 | 1400 | |
5,5 | 255,71 | 1244 | 27900 | 2,3 | ||
5,8 | 241,25 | 1167 | 28000 | 2,4 | ||
6,5 | 216,28 | 1046 | 28100 | 2,7 | ||
7,5 | 186,3 | 901 | 28300 | 3,1 | ||
8,2 | 170,02 | 819 | 28300 | 3,4 | ||
Трехступенчатые | ||||||
1,1 | 3,5 | 255,71 | 2788 | 21500 | 1,02 | 900 |
3,7 | 241,25 | 2613 | 22600 | 1,08 | ||
4,2 | 216,28 | 2343 | 24200 | 1,2 | ||
4,9 | 186,3 | 2018 | 25900 | 1,39 | ||
5,5 | 255,71 | 1812 | 26700 | 1,56 | 1400 | |
5,8 | 241,25 | 1699 | 27100 | 1,66 | ||
6,5 | 216,28 | 1523 | 27500 | 1,85 | ||
7,5 | 186,3 | 1312 | 27800 | 2,1 | ||
8,2 | 170,02 | 1192 | 27900 | 2,4 | ||
9,3 | 150,78 | 1064 | 28100 | 2,7 | ||
11 | 126,75 | 894 | 28300 | 3,2 | ||
12 | 116,48 | 822 | 28300 | 3,4 | ||
Трехступенчатые | ||||||
1,5 | 5,5 | 255,71 | 2417 | 23500 | 1,14 | 1400 |
5,8 | 241,25 | 2316 | 24300 | 1,22 | ||
6,5 | 216,28 | 2077 | 25600 | 1,36 | ||
7,5 | 186,3 | 1789 | 26800 | 1,58 | ||
8,2 | 170,02 | 1626 | 27300 | 1,73 | ||
9,3 | 150,78 | 1450 | 27600 | 1,94 | ||
11 | 126,75 | 1219 | 27900 | 2,3 | ||
12 | 116,48 | 1120 | 28000 | 2,5 | ||
14 | 103,44 | 995 | 28200 | 2,8 | ||
15 | 92,48 | 889 | 28300 | 3,2 | ||
Трехступенчатые | ||||||
2,2 | 6,5 | 216,28 | 3003 | 17030 | 0,94 | 1400 |
7,5 | 186,3 | 2586 | 22500 | 1,09 | ||
8,2 | 170,02 | 2351 | 23900 | 1,2 | ||
9,3 | 150,78 | 2097 | 25300 | 1,34 | ||
11 | 126,75 | 1763 | 26800 | 1,6 | ||
12 | 116,48 | 1620 | 27300 | 1,74 | ||
14 | 103,44 | 1439 | 27600 | 1,96 | ||
15 | 92,48 | 1286 | 27800 | 2,2 | ||
17 | 83,15 | 1156 | 28000 | 2,4 | ||
19 | 72,17 | 1004 | 28200 | 2,8 | ||
21 | 65,21 | 906 | 27700 | 3,1 | ||
23 | 59,92 | 832 | 27000 | 3,4 | ||
26 | 53,21 | 739 | 26100 | 3,8 | ||
29 | 47,58 | 661 | 25300 | 4,3 | ||
Трехступенчатые | ||||||
3 | 9,3 | 150,78 | 2860 | 16200 | 0,99 | 1400 |
11 | 126,75 | 2404 | 23600 | 1,17 | ||
12 | 116,48 | 2209 | 24700 | 1,28 | ||
14 | 103,44 | 1962 | 25900 | 1,44 | ||
15 | 92,48 | 1754 | 26800 | 1,61 | ||
17 | 83,15 | 1577 | 27300 | 1,79 | ||
19 | 72,17 | 1369 | 27700 | 2,1 | ||
21 | 65,21 | 1235 | 27000 | 2,3 | ||
23 | 59,92 | 1135 | 26400 | 2,5 | ||
26 | 53,21 | 1008 | 25600 | 2,8 | ||
29 | 47,58 | 901 | 24800 | 3,1 | ||
33 | 42,78 | 810 | 24000 | 3,5 | ||
38 | 37,13 | 703 | 23100 | 4 | ||
42 | 33,25 | 630 | 22400 | 4,3 | ||
Двухступенчатые | ||||||
4 | 44 | 32,05 | 803 | 21600 | 3 | 1400 |
51 | 27,19 | 669 | 20600 | 3,6 | ||
56 | 25,03 | 624 | 20100 | 4,3 | ||
63 | 22,37 | 558 | 19500 | 4,6 | ||
70 | 20,14 | 502 | 18900 | 4,9 | ||
Трехступенчатые | ||||||
4 | 12 | 116,48 | 2905 | 13800 | 0,97 | 1400 |
14 | 103,44 | 2579 | 22400 | 1,09 | ||
15 | 92,48 | 2306 | 24100 | 1,22 | ||
17 | 83,15 | 2073 | 25400 | 1,36 | ||
19 | 72,17 | 1800 | 26600 | 1,67 | ||
21 | 65,21 | 1624 | 26000 | 1,74 | ||
23 | 59,92 | 1492 | 25500 | 1,89 | ||
26 | 53,21 | 1325 | 24700 | 2,1 | ||
29 | 47,58 | 1185 | 24000 | 2,4 | ||
33 | 42,78 | 1065 | 23400 | 2,6 | ||
38 | 37,13 | 925 | 22500 | 3 | ||
42 | 33,25 | 928 | 21800 | 3,3 | ||
Двухступенчатые | ||||||
5,5 | 44 | 32,05 | 1105 | 20900 | 2,2 | 1400 |
51 | 27,19 | 920 | 20000 | 2,6 | ||
56 | 25,03 | 858 | 19600 | 3,1 | ||
63 | 22,37 | 767 | 19000 | 3,3 | ||
70 | 20,14 | 691 | 18400 | 3,6 | ||
77 | 18,24 | 625 | 17900 | 3,8 | ||
87 | 16,17 | 554 | 17300 | 4,1 | ||
Трехступенчатые | ||||||
5,5 | 17 | 83,15 | 2851 | 17600 | 0,99 | 1400 |
19 | 72,17 | 2475 | 21800 | 1,14 | ||
21 | 65,21 | 2233 | 24600 | 1,26 | ||
23 | 59,92 | 2052 | 24200 | 1,37 | ||
26 | 53,21 | 1822 | 23600 | 1,55 | ||
29 | 47,58 | 1629 | 23000 | 1,73 | ||
33 | 42,78 | 1465 | 22500 | 1,93 | ||
38 | 37,13 | 1271 | 21700 | 2,2 | ||
42 | 33,25 | 1138 | 21100 | 2,4 | ||
51 | 27,58 | 944 | 20100 | 2,7 | ||
Двухступенчатые | ||||||
7,5 | 44 | 32,05 | 1486 | 20000 | 1,72 | 1400 |
51 | 27,19 | 1238 | 19300 | 1,94 | ||
56 | 25,03 | 1154 | 18900 | 2,3 | ||
63 | 22,37 | 1032 | 18400 | 2,48 | ||
70 | 20,14 | 929 | 17900 | 2,64 | ||
77 | 18,24 | 841 | 17500 | 2,79 | ||
Трехступенчатые | ||||||
7,5 | 23 | 59,92 | 2760 | 19700 | 1,02 | 1400 |
26 | 53,21 | 2451 | 22200 | 1,15 | ||
29 | 47,58 | 2191 | 21800 | 1,29 | ||
33 | 42,78 | 1970 | 21300 | 1,43 | ||
38 | 37,13 | 1710 | 20700 | 1,65 | ||
42 | 33,25 | 1531 | 20200 | 1,77 | ||
51 | 27,58 | 1270 | 19400 | 1,98 | ||
Двухступенчатые | ||||||
11 | 56 | 25,03 | 1693 | 17700 | 1,57 | 1400 |
63 | 22,37 | 1513 | 17300 | 1,69 | ||
70 | 20,14 | 1362 | 16900 | 1,8 | ||
77 | 18,24 | 1234 | 16600 | 1,9 | ||
87 | 16,17 | 1094 | 16100 | 2,1 | ||
96 | 14,62 | 989 | 15700 | 2,2 | ||
113 | 12,39 | 838 | 15100 | 2,5 | ||
129 | 10,83 | 732 | 14600 | 2,7 | ||
151 | 9,29 | 626 | 14300 | 3 | ||
167 | 8,39 | 566 | 13900 | 3,4 | ||
197 | 7,12 | 480 | 13200 | 3,9 | ||
225 | 6,21 | 419 | 12700 | 4,2 | ||
Трехступенчатые | ||||||
11 | 33 | 42,78 | 2889 | 14500 | 0,98 | 1400 |
38 | 37,13 | 2508 | 18900 | 1,12 | ||
42 | 33,25 | 2245 | 18600 | 1,21 | ||
51 | 27,58 | 1863 | 18000 | 1,35 | ||
Двухступенчатые | ||||||
15 | 51 | 27,58 | 2710 | 16500 | 1,1 | 1400 |
56 | 25,03 | 2309 | 16300 | 1,15 | ||
63 | 22,37 | 2063 | 16100 | 1,24 | ||
70 | 20,14 | 1858 | 15800 | 1,32 | ||
77 | 18,24 | 1682 | 15600 | 1,4 | ||
87 | 16,17 | 1491 | 15200 | 1,51 | ||
96 | 14,62 | 1348 | 14900 | 1,6 | ||
113 | 12,39 | 1143 | 14400 | 1,8 | ||
129 | 10,83 | 999 | 14000 | 2 | ||
151 | 9,29 | 854 | 13800 | 2,4 | ||
167 | 8,39 | 772 | 13400 | 2,5 | ||
197 | 7,12 | 654 | 12800 | |||
225 | 6,21 | 572 | 12400 | 3,1 | ||
Двухступенчатые | ||||||
18,5 | 70 | 20,14 | 2291 | 14900 | 1,07 | 1400 |
77 | 18,24 | 2075 | 14700 | 1,13 | ||
87 | 16,17 | 1839 | 14500 | 1,23 | ||
96 | 14,62 | 1663 | 14200 | 1,3 | ||
113 | 12,39 | 1409 | 13800 | 1,46 | ||
129 | 10,83 | 1232 | 13500 | 1,59 | ||
151 | 9,29 | 1053 | 13400 | 1,81 | ||
167 | 8,39 | 952 | 13100 | 2 | ||
197 | 7,12 | 806 | 12600 | 2,3 | ||
225 | 6,21 | 705 | 12100 | 2,5 | ||
269 | 5,2 | 589 | 11600 | 2,8 | ||
311 | 4,5 | 511 | 11100 | 3 | ||
Двухступенчатые | ||||||
22 | 70 | 20,14 | 2724 | 14000 | 1,04 | 1400 |
77 | 18,24 | 2467 | 13900 | 1,14 | ||
87 | 16,17 | 2187 | 13700 | 1,29 | ||
96 | 14,62 | 1978 | 13600 | 1,43 | ||
113 | 12,39 | 1676 | 13200 | 1,23 | ||
129 | 10,83 | 1465 | 13000 | 1,34 | ||
151 | 9,29 | 1253 | 13100 | 1,52 | ||
167 | 8,39 | 1132 | 12800 | 1,69 | ||
197 | 7,12 | 959 | 12300 | 1,96 | ||
225 | 6,21 | 839 | 11900 | 2,1 | ||
269 | 5,2 | 701 | 11400 | 2,4 | ||
311 | 4,5 | 607 | 10900 | 2,5 | ||
Двухступенчатые | ||||||
30 | 96 | 14,62 | 2850 | 12000 | 0,8 | 1400 |
113 | 12,39 | 2420 | 11900 | 0,9 | ||
129 | 10,83 | 2110 | 11800 | 0,98 | ||
151 | 9,29 | 1810 | 12300 | 1,12 | ||
167 | 8,39 | 1640 | 12100 | 1,24 | ||
197 | 7,12 | 1390 | 11700 | 1,44 | ||
225 | 6,21 | 1210 | 11400 | 1,55 | ||
269 | 5,2 | 1010 | 10900 | 1,75 | ||
311 | 4,5 | 880 | 10500 | 1,85 |
1. Модель редуктора (R-исполнение на лапах, RF-исполнение на фланце).
2. Габарит редуктора (17,37,47,57,67,77,87,97,107, 137, 147, 167).
3. Передаточное число.
4. Число оборотов выходного вала, об/мин.
5. Мощность электродвигателя, кВт.
6. Наличие электромагнитного тормоза у электродвигателя,
(Е- одинарный тормоз, ЕЕ- двойной тормоз,
Е(МШ)- одинарный малошумный тормоз,
ЕЕ(МШ)- двойной малошумный тормоз).
7. Тип фланца электродвигателя (В5;В14).
8. Монтажная позиция редуктора (M1, M2, M3, M4, M5, M6).
9. Дополнительные опции.
UD-R107 | Исполнение 1 | Исполнение 2 | Исполнение 3 | Исполнение 4 | Исполнение 5 |
Р, мм | 250 | 300 | 350 | 400 | 450 |
Z5*, мм | 80 | 90 | 125 | 145 | 160 |
KM, мм | в зависимости от смонтированного двигателя | ||||
АС, мм | в зависимости от смонтированного двигателя | ||||
AD, мм | в зависимости от смонтированного двигателя |
UD-R107 | Исполнение 1 | Исполнение 2 | Исполнение 3 | Исполнение 4 | Исполнение 5 |
Р, мм | 250 | 300 | 350 | 400 | 450 |
Z5*, мм | 80 | 90 | 125 | 145 | 160 |
KM, мм | в зависимости от смонтированного двигателя | ||||
АС, мм | в зависимости от смонтированного двигателя | ||||
AD, мм | в зависимости от смонтированного двигателя |
Мощность, кВт | Частота вращения выходного вала, об/мин | Передаточное число | Крутящий момент, Нм | Допустимая радиальная нагрузка, Н | Сервис- фактор | Частота вращения эл.двигателя |
Трехступенчатые | ||||||
0,75 | 2,8 | 251,15 | 2610 | 36000 | 1,65 | 700 |
3 | 229,95 | 2390 | 36300 | 1,8 | ||
3,4 | 203,16 | 2110 | 36700 | 2 | ||
1,1 | 2,8 | 251,15 | 3880 | 31600 | 1,1 | 700 |
3 | 229,95 | 3550 | 33000 | 1,2 | ||
3,4 | 203,16 | 3140 | 34500 | 1,35 | ||
4 | 172,34 | 2660 | 35900 | 1,6 | ||
1,5 | 3 | 229,95 | 4710 | 26500 | 0,9 | 700 |
3,4 | 203,16 | 4160 | 30200 | 1,05 | ||
4 | 172,34 | 3530 | 33100 | 1,2 | ||
4,4 | 158,68 | 3250 | 34100 | 1,3 | ||
3,6 | 251,15 | 3910 | 31400 | 1,1 | 900 | |
4 | 229,95 | 3580 | 32900 | 1,2 | ||
4,4 | 203,16 | 3610 | 34400 | 1,35 | ||
5,2 | 172,34 | 2680 | 35900 | 1,6 | ||
5,7 | 158,68 | 2470 | 36200 | 1,75 | ||
6,4 | 141,83 | 2210 | 36500 | 1,95 | ||
2,2 | 4,4 | 203,16 | 4540 | 28100 | 0,95 | 900 |
5,2 | 172,34 | 3850 | 31700 | 1,1 | ||
5,7 | 158,68 | 3550 | 33000 | 1,2 | ||
6,4 | 141,83 | 3170 | 34400 | 1,35 | ||
5,6 | 251,15 | 3740 | 32200 | 1,15 | 1400 | |
6,1 | 229,95 | 3430 | 33500 | 1,25 | ||
6,9 | 203,16 | 3030 | 34900 | 1,4 | ||
8,1 | 172,34 | 2570 | 36100 | 1,65 | ||
8,8 | 158,68 | 2360 | 36300 | 1,8 | ||
9,9 | 141,83 | 2110 | 36600 | 2 | ||
10 | 127,68 | 1900 | 36900 | 2,3 | ||
12 | 115,63 | 1720 | 37000 | 2,5 | ||
14 | 102,53 | 1530 | 37200 | 2,8 | ||
15 | 92,7 | 1380 | 37300 | 3,1 | ||
Трехступенчатые | ||||||
3 | 5,7 | 158,68 | 4840 | 21600 | 0,9 | 900 |
6,4 | 141,83 | 4320 | 29300 | 1 | ||
7,1 | 127,68 | 3890 | 31500 | 1,1 | ||
6,1 | 229,95 | 4710 | 56500 | 0,9 | 1400 | |
6,9 | 203,16 | 4160 | 30200 | 1,05 | ||
8,1 | 172,34 | 3530 | 33100 | 1,2 | ||
8,8 | 158,68 | 3250 | 34100 | 1,3 | ||
9,9 | 141,83 | 2900 | 35300 | 1,5 | ||
10 | 127,68 | 2610 | 36000 | 1,65 | ||
12 | 115,63 | 2370 | 36300 | 1,8 | ||
14 | 102,53 | 2100 | 36700 | 2 | ||
15 | 92,7 | 1900 | 36900 | 2,3 | ||
18 | 78,57 | 1610 | 35900 | 2,7 | ||
19 | 72,88 | 1490 | 35200 | 2,9 | ||
Трехступенчатые | ||||||
4 | 8,1 | 172,34 | 4640 | 27500 | 0,95 | 1400 |
8,8 | 158,68 | 4270 | 29600 | 1,05 | ||
9,9 | 141,83 | 3820 | 31900 | 1,15 | ||
10 | 127,68 | 3430 | 33400 | 1,25 | ||
12 | 115,63 | 3110 | 34600 | 1,4 | ||
14 | 102,53 | 2760 | 35700 | 1,55 | ||
15 | 92,7 | 2490 | 36200 | 1,7 | ||
18 | 78,57 | 2110 | 34900 | 2 | ||
19 | 72,88 | 1960 | 34200 | 2,2 | ||
21 | 65,6 | 1760 | 33200 | 2,4 | ||
24 | 59,41 | 1600 | 32300 | 2,7 | ||
27 | 52,68 | 1420 | 31300 | 3 | ||
Трехступенчатые | ||||||
5,5 | 10 | 127,68 | 4690 | 27100 | 0,9 | 1400 |
12 | 115,63 | 4250 | 29800 | 1 | ||
14 | 102,53 | 3770 | 32100 | 1,15 | ||
15 | 92,7 | 3400 | 33500 | 1,25 | ||
18 | 78,57 | 2980 | 33500 | 1,5 | ||
19 | 72,88 | 2680 | 32900 | 1,6 | ||
21 | 65,6 | 2410 | 32100 | 1,8 | ||
24 | 59,41 | 2180 | 31300 | 1,95 | ||
27 | 52,68 | 1930 | 30300 | 2,2 | ||
29 | 47,63 | 1750 | 29500 | 2,5 | ||
35 | 40,37 | 1480 | 28200 | 2,9 | ||
Трехступенчатые | ||||||
7,5 | 15 | 92,7 | 4640 | 27500 | 0,95 | 1400 |
18 | 78,57 | 3940 | 31300 | 1,1 | ||
19 | 72,88 | 3650 | 31300 | 1,2 | ||
21 | 65,6 | 3290 | 30600 | 1,3 | ||
24 | 59,41 | 2980 | 30000 | 1,45 | ||
27 | 52,68 | 2640 | 29200 | 1,65 | ||
29 | 47,63 | 2390 | 28500 | 1,8 | ||
35 | 40,37 | 2020 | 27300 | 2,1 | ||
40 | 35,26 | 1770 | 26400 | 2,4 | ||
47 | 29,49 | 1480 | 25200 | 2,9 | ||
Двухступенчатые | ||||||
7,5 | 45 | 30,77 | 1540 | 25500 | 2,8 | 1400 |
51 | 27,58 | 1380 | 24700 | 3,1 | ||
56 | 24,9 | 1250 | 24100 | 3,5 | ||
62 | 22,62 | 1130 | 23400 | 3,8 | ||
Трехступенчатые | ||||||
11 | 21 | 65,6 | 4790 | 23700 | 0,9 | 1400 |
24 | 59,41 | 4330 | 27600 | 1 | ||
27 | 52,68 | 3840 | 27100 | 1,1 | ||
29 | 47,63 | 3470 | 26600 | 1,25 | ||
35 | 40,37 | 2940 | 25700 | 1,45 | ||
40 | 35,26 | 2570 | 25000 | 1,65 | ||
47 | 29,49 | 2150 | 24000 | 2 | ||
Двухступенчатые | ||||||
11 | 45 | 30,77 | 2240 | 24200 | 1,9 | 1400 |
51 | 27,58 | 2010 | 23600 | 2,1 | ||
56 | 24,9 | 1820 | 23100 | 2,4 | ||
62 | 22,62 | 1650 | 22500 | 2,6 | ||
70 | 20,07 | 1460 | 21800 | 2,9 | ||
77 | 18,21 | 1330 | 21300 | 3,2 | ||
Трехступенчатые | ||||||
15 | 29 | 47,63 | 4670 | 24500 | 0,9 | 1400 |
35 | 40,37 | 3960 | 23900 | 1,1 | ||
40 | 35,26 | 3460 | 23400 | 1,25 | ||
47 | 29,49 | 2890 | 22600 | 1,5 | ||
Двухступенчатые | ||||||
15 | 45 | 30,77 | 3020 | 22800 | 1,4 | 1400 |
51 | 27,58 | 2710 | 22400 | 1,6 | ||
56 | 24,9 | 2440 | 21900 | 1,75 | ||
62 | 22,62 | 2220 | 21400 | 1,95 | ||
70 | 20,07 | 1970 | 20900 | 2,2 | ||
77 | 18,21 | 1790 | 20400 | 2,4 | ||
89 | 15,65 | 1540 | 19700 | 2,8 | ||
102 | 13,66 | 1340 | 19000 | 3,2 | ||
Трехступенчатые | ||||||
18,5 | 35 | 40,37 | 4870 | 20200 | 0,9 | 1400 |
40 | 35,26 | 4250 | 22000 | 1 | ||
47 | 29,49 | 3560 | | 21500 | 1,2 | ||
Двухступенчатые | ||||||
18,5 | 56 | 24,9 | 3000 | 20900 | 1,45 | 1400 |
62 | 22,62 | 2730 | 20600 | 1,6 | ||
70 | 20,07 | 2420 | 20100 | 1,8 | ||
77 | 18,21 | 2200 | 19700 | 1,95 | ||
89 | 15,65 | 1890 | 19100 | 2,3 | ||
102 | 13,66 | 1650 | 18500 | 2,6 | ||
121 | 11,59 | 1400 | 17800 | 3,1 | ||
138 | 10,13 | 1220 | 17200 | 3,5 | ||
164 | 7,86 | 950 | 16300 | 3,1 | ||
178 | 6,66 | 800 | 15600 | 3,7 | ||
Трехступенчатые | ||||||
22 | 40 | 35,26 | 5060 | 17280 | 0,85 | 1400 |
47 | 29,49 | 4230 | 20400 | 1 | ||
Двухступенчатые | ||||||
22 | 56 | 24,9 | 3570 | 20000 | 1,2 | 1400 |
62 | 22,62 | 3240 | 19700 | 1,35 | ||
70 | 20,07 | 2880 | 19300 | 1,5 | ||
77 | 18,21 | 2610 | 19000 | 1,65 | ||
89 | 15,65 | 2240 | 18500 | 1,9 | ||
102 | 13,66 | 1960 | 18000 | 2,2 | ||
121 | 11,59 | 1660 | 17300 | 2,6 | ||
138 | 10,13 | 1450 | 16800 | 3 | ||
171 | 8,56 | 1230 | 16100 | 3,5 | ||
164 | 7,86 | 1130 | 16100 | 2,6 | ||
178 | 6,66 | 960 | 15400 | 3,1 | ||
241 | 5,82 | 840 | 14800 | 3,6 | ||
Двухступенчатые | ||||||
30 | 70 | 20,07 | 3910 | 17600 | 1,1 | 1400 |
77 | 18,21 | 3550 | 17400 | 1,2 | ||
89 | 15,65 | 3050 | 17100 | U1,4 N | ||
102 | 13,66 | 2660 | 16800 | 1,6 | ||
121 | 11,59 | 2260 | 16300 | 1,9 | ||
138 | 10,13 | 1970 | 15900 | 2,2 | ||
171 | 8,56 | 1670 | 15400 | 2,6 | ||
164 | 7,86 | 1530 | 15500 | 1,95 | ||
178 | 6,66 | 1300 | 14900 | 2,3 | ||
241 | 5,82 | 1140 | 14400 | 2,6 | ||
285 | 4,92 | 960 | 13700 | 3 | ||
Двухступенчатые | ||||||
37 | 70 | 20,07 | 4820 | 16100 | 0,9 | 1400 |
77 | 18,21 | 4380 | 16100 | 1 | ||
89 | 15,65 | 3760 | 15900 | 1,15 | ||
102 | 13,66 | 3280 | 15700 | 1,3 | ||
121 | 11,59 | 2790 | 15400 | 1,55 | ||
138 | 10,13 | 2430 | 15100 | 1,75 | ||
171 | 8,56 | 2060 | 14700 | 2,1 | ||
164 | 7,86 | 1890 | 15000 | 1,55 | ||
178 | 6,66 | |1600 | 14400 | 1,85 | ||
241 | 5,82 | 1400 | 14000 | 2,1 | ||
285 | 4,92 | 1180 | 13400 | 2,5 | ||
Двухступенчатые | ||||||
45 | 89 | 15,65 | 4580 | 14600 | 0,95 | 1400 |
102 | 13,66 | 3990 | 14600 | 1,1 | ||
121 | 11,59 | 3390 | 14400 | 1,25 | ||
138 | 10,13 | 2960 | 14300 | 1,45 | ||
171 | 8,56 | 2500 | 14000 | 1,7 | ||
164 | 7,86 | 2300 | 14400 | 1,3 | ||
178 | 6,66 | 1950 | 14000 | 1,5 | ||
241 | 5,82 | 1700 | 13600 | 1,75 | ||
285 | 4,92 | 1440 | 13100 | 2 |
1. Модель редуктора (R-исполнение на лапах, RF-исполнение на фланце).
2. Габарит редуктора (17,37,47,57,67,77,87,97,107, 137, 147, 167).
3. Передаточное число.
4. Число оборотов выходного вала, об/мин.
5. Мощность электродвигателя, кВт.
6. Наличие электромагнитного тормоза у электродвигателя,
(Е- одинарный тормоз, ЕЕ- двойной тормоз,
Е(МШ)- одинарный малошумный тормоз,
ЕЕ(МШ)- двойной малошумный тормоз).
7. Тип фланца электродвигателя (В5;В14).
8. Монтажная позиция редуктора (M1, M2, M3, M4, M5, M6).
9. Дополнительные опции.
UD-R137 | Исполнение 1 | Исполнение 2 | Исполнение 3 | Исполнение 4 | Исполнение 5 |
Р, мм | 250 | 300 | 350 | 400 | 450 |
Z5*, мм | 80 | 90 | 125 | 145 | 160 |
KM, мм | в зависимости от смонтированного двигателя | ||||
АС, мм | в зависимости от смонтированного двигателя | ||||
AD, мм | в зависимости от смонтированного двигателя |
UD-R137 | Исполнение 1 | Исполнение 2 | Исполнение 3 | Исполнение 4 | Исполнение 5 |
Р, мм | 250 | 300 | 350 | 400 | 450 |
Z5*, мм | 80 | 90 | 125 | 145 | 160 |
KM, мм | в зависимости от смонтированного двигателя | ||||
АС, мм | в зависимости от смонтированного двигателя | ||||
AD, мм | в зависимости от смонтированного двигателя |
Мощность, кВт | Частота вращения выходного вала, об/мин | Передаточное число | Крутящий момент, Нм | Допустимая радиальная нагрузка, Н | Сервис- фактор | Частота вращения эл.двигателя |
Трехступенчатые | ||||||
2,2 | 3,1 | 222,6 | 6680 | 55900 | 1,2 | 700 |
3,7 | 188,45 | 5660 | 57500 | 1,4 | ||
4 | 174,4 | 5230 | 58100 | 1,55 | ||
4,4 | 156,31 | 4690 | 58800 | 1,7 | ||
4,9 | 141,12 | 4240 | 59300 | 1,9 | ||
5,4 | 128,18 | 3850 | 59600 | 2,1 | ||
6,1 | 113,72 | 3410 | 60000 | 2,3 | ||
6,7 | 103,2 | 3100 | 60300 | 2,6 | ||
3 | 3,1 | 222,6 | 8860 | 50300 | 0,9 | 700 |
3,7 | 188,45 | 7500 | 54400 | 1,05 | ||
4 | 174,4 | 6940 | 55500 | 1,15 | ||
4,4 | 156,31 | 6220 | 56700 | 1,3 | ||
4,9 | 141,12 | 5620 | 57600 | 1,4 | ||
5,4 | 128,18 | 5100 | 58300 | 1,55 | ||
6,1 | 113,72 | 4520 | 59000 | 1,75 | ||
6,7 | 103,2 | 4110 | 59400 | 1,95 | ||
7,8 | 88,7 | 3530 | 59900 | 2,3 | ||
4,1 | 222,6 | 6780 | 55800 | 1,2 | 900 | |
4,8 | 188,45 | 5740 | 57400 | 1,4 | ||
5,2 | 174,4 | 5320 | 58000 | 1,5 | ||
5,8 | 156,31 | 4760 | 58700 | 1,7 | ||
6,4 | 141,12 | 4300 | 59200 | 1,85 | ||
7 | 128,18 | 3910 | 59600 | 2 | ||
8 | 113,72 | 3470 | 60000 | 2,3 | ||
8,7 | 103,2 | 3150 | 60200 | 2,5 | ||
4 | 4 | 174,4 | 9250 | 48400 | 0,85 | 700 |
4,4 | 156,31 | 8290 | 52700 | 0,95 | ||
4,9 | 141,12 | 7490 | 54400 | 1,05 | ||
5,4 | 128,18 | 6800 | 55700 | 1,2 | ||
6,1 | 113,72 | 6030 | 57000 | 1,35 | ||
6,7 | 103,2 | 5470 | 57800 | 1,45 | ||
4,1 | 222,6 | 8860 | 50300 | 0,9 | 900 | |
4,8 | 188,45 | 7500 | 54400 | 1,05 | ||
5,2 | 174,4 | 6940 | 55500 | 1,15 | ||
5,8 | 156,31 | 5220 | 56700 | 1,3 | ||
6,4 | 141,12 | 5620 | 57600 | 1,4 | ||
7 | 128,18 | 5100 | 58300 | 1,55 | ||
8 | 113,72 | 4520 | 59000 | 1,75 | ||
8,7 | 103,2 | 4110 | 59400 | 1,95 | ||
10,2 | 88,7 | 3530 | 59900 | 2,3 | ||
5,5 | 5,4 | 128,18 | 9480 | 44400 | 0,85 | 700 |
6,1 | 113,72 | 8410 | 52200 | 0,95 | ||
6,7 | 103,2 | 7630 | 54200 | 1,05 | ||
7,8 | 88,7 | 6560 | 56100 | 1,2 | ||
5,2 | 174,4 | 9540 | 43300 | 0,85 | 900 | |
5,8 | 156,31 | 8550 | 51600 | 0,95 | ||
6,4 | 141,12 | 7720 | 54000 | 1,05 | ||
7 | 128,18 | 7010 | 55300 | 1,15 | ||
8 | 113,72 | 6220 | 56700 | 1,3 | ||
8,7 | 103,2 | 5650 | 57600 | 1,4 | ||
6,3 | 222,6 | 8180 | 53000 | 1 | 1400 | |
7,4 | 188,45 | 6920 | 55500 | 1,15 | ||
8 | 174,4 | 6410 | 56400 | 1,25 | ||
9 | 156,31 | 5740 | 57400 | 1,4 | ||
10 | 141,12 | 5180 | 58200 | 1,55 | ||
11 | 128,18 | 4710 | 58800 | 1,7 | ||
12,3 | 113,72 | 4180 | 59300 | 1,9 | ||
13,6 | 103,2 | 3790 | 59700 | 2,1 | ||
15,8 | 88,7 | 3260 | 60200 | 2,5 | ||
17,3 | 80,91 | 2970 | 60400 | 2,7 | ||
19,1 | 73,49 | 2700 | 60500 | 3 | ||
21 | 65,2 | 2390 | 60700 | 3,3 | ||
24 | 59,17 | 2170 | 60900 | 3,7 | ||
28 | 50,86 | 1870 | 61000 | 4,3 | ||
7,5 | 7,4 | 188,45 | 9440 | 45300 | 0,85 | 1400 |
8 | 174,4 | 8730 | 50800 | 0,9 | ||
9 | 156,31 | 7830 | 53700 | 1 | ||
10 | 141,12 | 7070 | 55200 | 1,15 | ||
11 | 128,18 | 6420 | 56400 | 1,25 | ||
12,3 | 113,72 | 5700 | 57500 | 1,4 | ||
13,6 | 103,2 | 5170 | 58200 | 1,55 | ||
15,8 | 88,7 | 4440 | 59100 | 1,8 | ||
17,3 | 80,91 | 4050 | 59500 | 1,95 | ||
19,1 | 73,49 | 3680 | 59800 | 2,2 | ||
21 | 65,2 | 3270 | 60100 | 2,5 | ||
24 | 59,17 | 2960 | 60400 | 2,7 | ||
28 | 50,86 | 2550 | 60600 | 3,1 | ||
11 | 10 | 141,12 | 10300 | 23300 | 0,8 | |
11 | 128,18 | 9350 | 46900 | 0,95 | ||
12,3 | 113,72 | 8300 | 52700 | 0,95 | ||
13,6 | 103,2 | 7530 | 54400 | 1,05 | ||
15,8 | 88,7 | 6470 | 56300 | 1,25 | ||
17,3 | 80,91 | 5900 | 57200 | 1,35 | ||
19,1 | 73,49 | 5360 | 57900 | 1,5 | ||
21 | 65,2 | 4760 | 58700 | 1,7 | ||
24 | 59,17 | 4320 | 59200 | 1,85 | ||
28 | 50,86 | 3710 | 59800 | 2,2 | ||
32 | 44,39 | 3240 | 60200 | 2,5 | ||
37 | 37,65 | 2750 | 60500 | 2,9 | ||
43 | 32,91 | 2400 | 60700 | 3,3 | ||
15 | 13,6 | 103,2 | 10100 | 30700 | 0,8 | 1400 |
15,8 | 88,7 | 8700 | 51000 | 0,9 | ||
17,3 | 80,91 | 7940 | 53500 | 1 | ||
19,1 | 73,49 | 7210 | 55000 | 1,1 | ||
21 | 65,2 | 6400 | 56400 | 1,25 | ||
24 | 59,17 | 5800 | 57300 | 1,4 | ||
28 | 50,86 | 4990 DR | 58400 | 1,6 | ||
32 | 44,39 | 4360 | 59100 | 1,85 | ||
37 | 37,65 | 3690 | 59800 | 2,2 | ||
43 | 32,91 | 3230 | 60200 | 2,5 | ||
50 | 27,83 | 2730 | 60500 | 2,8 | ||
Трехступенчатые | ||||||
18,5 | 17,3 | 80,91 | 9760 | 39000 | 0,8 | 1400 |
19,1 | 73,49 | 8860 | 50200 | 0,9 | ||
21 | 65,2 | 7860 | 53700 | 1 | ||
24 | 59,17 | 7140 | 55100 | 1,1 | ||
28 | 50,86 | 6130 | 56800 | 1,3 | ||
32 | 44,39 | 5350 | 58000 | 1,5 | ||
37 | 37,65 | 4540 | 58900 | 1,75 | ||
43 | 32,91 | 3970 | 59500 | 2 | ||
50 | 27,83 | 3360 | 60100 | 2,3 | ||
Двухступенчатые | ||||||
18,5 | 47 | 29,57 | 3870 | 59900 | 2,2 | 1400 |
58 | 24,12 | 2910 | 60400 | 2,8 | ||
64 | 22 | 2650 | 60600 | 3 | ||
74 | 19,04 | 2300 | 60800 | 3,5 | ||
83 | 16,8 | 2030 | 60900 | 4 | ||
Трехступенчатые | ||||||
22 | 21 | 65,2 | 9350 | 46900 | 0,85 | 1400 |
24 | 59,17 | 8480 | 51900 | 0,95 | ||
28 | 50,86 | 7290 | 54800 | 1,1 | ||
32 | 44,39 | 6370 | 56500 | 1,25 | ||
37 | 37,65 | 5400 | 57900 | 1,5 | ||
43 | 32,91 | 4720 | 58700 | 1,7 | ||
50 | 27,83 | 3990 | 59500 | 1,9 | ||
Двухступенчатые | ||||||
22 | 47 | 29,57 | 4240 | 59300 | 1,85 | 1400 |
58 | 24,12 | 3460 | 60000 | 2,3 | ||
64 | 22 | 3150 | 60200 | 2,5 | ||
74 | 19,04 | 2730 | 60500 | 2,9 | ||
83 | 16,8 | 2410 | 60700 | 3,3 | ||
96 | 14,51 | 2080 | 60900 | 3,8 | ||
109 | 12,83 | 1840 | 61000 | 4,3 | ||
Трехступенчатые | ||||||
30 | 28 | 50,86 | 9910 | 35800 | 0,8 | 1400 |
32 | 44,39 | 8650 | 51200 | 0,9 | ||
37 | 37,65 | 7340 | 54700 | 1,1 | ||
43 | 32,91 | 6410 | 56400 | 1,25 | ||
50 | 27,83 | 5420 | 57900 | 1,4 | ||
Двухступенчатые | ||||||
30 | 58 | 24,12 | 4700 | 58800 | 1,7 | 1400 |
64 | 22 | 4290 | 59200 | 1,85 | ||
74 | 19,04 | 3710 | 59800 | 2,2 | ||
83 | 16,8 | 3270 | 60100 | 2,4 | ||
96 | 14,51 | 2830 | 59500 | 2,8 | ||
109 | 12,83 | 2500 | 58400 | 3,2 | ||
130 | 10,79 | 2100 | 56600 | 3,8 | ||
161 | 7,59 | 1480 | 53300 | 3,5 | ||
184 | 6,38 | 1240 | 51300 | 4,1 | ||
Трехступенчатые | ||||||
37 | 37 | 37,65 | 9050 | 49400 | 0,9 | 1400 |
43 | 32,91 | 7910 | 53600 | 1 | ||
50 | 27,83 | 6690 | 55900 | 1,15 | ||
Двухступенчатые | ||||||
37 | 58 | 24,12 | 5800 | 57300 | 1,4 | 1400 |
64 | 22 | 5290 | 58000 | 1,5 | ||
74 | 19,04 | 4580 | 57800 | 1,75 | ||
83 | 16,8 | 4040 | 57300 | 2 | ||
96 | 14,51 | 3490 | 56600 | 2,3 | ||
109 | 12,83 | 3080 | 55800 | 2,6 | ||
130 | 10,79 | 2590 | 54400 | 3,1 | ||
161 | 8,71 | 2090 | 52600 | 3,7 | ||
184 | 7,59 | 1820 | 51900 | 2,8 | ||
219 | 6,38 | 1530 | 50100 | 3,3 | ||
272 | 5,15 | 1240 | 47800 | 3,7 | ||
Трехступенчатые | ||||||
45 | 43 | 32,91 | 9620 | 41700 | 0,85 | 1400 |
50 | 27,83 | 8130 | 51200 | 0,95 | ||
Двухступенчатые | ||||||
45 | 1400 | |||||
64 | 22 | 6430 | 52900 | 1,25 | ||
74 | 19,04 | 5570 | 53300 | 1,45 | ||
83 | 16,8 | 4910 | 53400 | 1,65 | ||
96 | 14,51 | 4240 | 53200 | 1,9 | ||
109 | 12,83 | 3750 | 52800 | 2,1 | ||
130 | 10,79 | 3150 | 51900 | 2,5 | ||
161 | 8,71 | 2550 | 50500 | 3,1 | ||
184 | 7,59 | 2220 | 50200 | 2,3 | ||
219 | 6,38 | 1860 | 48700 | 2,7 | ||
272 | 5,15 | 1510 | 46700 | 3 | ||
Двухступенчатые | ||||||
55 | 74 | 19,04 | 6780 | 47800 | 1,2 | 1400 |
83 | 16,8 | 5980 | 48500 | 1,35 | ||
96 | 14,51 | 5170 | 48900 | 1,55 | ||
109 | 12,83 | 4570 | 49000 | 1,75 | ||
130 | 10,79 | 3840 | 48800 | 2,1 | ||
161 | 8,71 | 3100 | 48000 | 2,5 | ||
184 | 7,59 | 2700 | 48100 | 1,9 | ||
219 | 6,38 | 2270 | 46900 | 2,2 | ||
272 | 5,15 | 1830 | 45200 | 2,5 |
1. Модель редуктора (R-исполнение на лапах, RF-исполнение на фланце).
2. Габарит редуктора (17,37,47,57,67,77,87,97,107, 137, 147, 167).
3. Передаточное число.
4. Число оборотов выходного вала, об/мин.
5. Мощность электродвигателя, кВт.
6. Наличие электромагнитного тормоза у электродвигателя,
(Е- одинарный тормоз, ЕЕ- двойной тормоз,
Е(МШ)- одинарный малошумный тормоз,
ЕЕ(МШ)- двойной малошумный тормоз).
7. Тип фланца электродвигателя (В5;В14).
8. Монтажная позиция редуктора (M1, M2, M3, M4, M5, M6).
9. Дополнительные опции.
UD-R147 | Исполнение 1 | Исполнение 2 | Исполнение 3 | Исполнение 4 | Исполнение 5 |
Р, мм | 300 | 350 | 400 | 450 | 550 |
Z5*, мм | 90 | 125 | 145 | 160 | 160 |
KM, мм | в зависимости от смонтированного двигателя | ||||
АС, мм | в зависимости от смонтированного двигателя | ||||
AD, мм | в зависимости от смонтированного двигателя |
UD-R147 | Исполнение 1 | Исполнение 2 | Исполнение 3 | Исполнение 4 | Исполнение 5 |
Р, мм | 300 | 350 | 400 | 450 | 550 |
Z5*, мм | 90 | 125 | 145 | 160 | 160 |
KM, мм | в зависимости от смонтированного двигателя | ||||
АС, мм | в зависимости от смонтированного двигателя | ||||
AD, мм | в зависимости от смонтированного двигателя |
Мощность, кВт | Частота вращения выходного вала, об/мин | Передаточное число | Крутящий момент, Нм | Допустимая радиальная нагрузка, Н | Сервис- фактор | Частота вращения эл.двигателя |
Трехступенчатые | ||||||
4 | 4,2 | 163,31 | 8660 | 69500 | 1,5 | 700 |
4,7 | 146,91 | 7790 | 70500 | 1,65 | ||
5,8 | 119,86 | 6360 | 71900 | 2 | ||
6,3 | 109,31 | 5800 | 72400 | 2,2 | ||
5,5 | 4,2 | 163,31 | 12100 | 64400 | 1,1 | |
4,7 | 146,91 | 10900 | 66500 | 1,2 | ||
5,8 | 119,86 | 8870 | 69300 | 1,45 | ||
6,3 | 109,31 | 8090 | 70200 | 1,6 | ||
5,5 | 163,31 | 8930 | 69200 | 1,45 | 900 | |
6,1 | 146,91 | 8040 | 70300 | 1,6 | ||
7,5 | 119,86 | 6560 | 71700 | 2 | ||
8,2 | 109,31 | 5980 | 72200 | 2,2 | ||
9,5 | 94,6 | 5180 | 72800 | 2,5 | ||
10,8 | 83,47 | 4570 | 73200 | 2,8 | ||
7,5 | 4,2 | 163,31 | 16200 | 32800 | 0,8 | 700 |
4,7 | 146,91 | 14600 | 55100 | 0,9 | ||
5,8 | 119,86 | 11900 | 64700 | 1,1 | ||
6,3 | 109,31 | 10900 | 66500 | 1,2 | ||
5,5 | 163,31 | 12200 | 64200 | 1,05 | 900 | |
6,1 | 146,91 | 11000 | 66300 | 1,2 | ||
7,5 | 119,86 | 8940 | 69200 | 1,45 | ||
8,2 | 109,31 | 8150 | 70100 | 1,6 | ||
9,5 | 94,6 | 7000 | 71300 | 1,85 | ||
10,8 | 83,47 | 6230 | 72000 | 2,1 | ||
11 | 6,1 | 146,91 | 16100 | 35400 | 0,8 | |
7,5 | 119,86 | 13100 | 62400 | 1 | ||
8,2 | 109,31 | 12000 | 64600 | 1,1 | ||
9,5 | 94,6 | 10400 | 67300 | 1,25 | ||
10,8 | 83,47 | 9130 | 39000 | 1,4 | ||
8,6 | 163,31 | 11900 | 64700 | 1,1 | 1400 | |
9,5 | 146,91 | 10700 | 66700 | 1,2 | ||
12 | 119,86 | 8740 | 69400 | 1,5 | ||
13 | 109,31 | 7970 | 70300 | 1,65 | ||
15 | 94,6 | 6900 | 71400 | 1,9 | ||
17 | 83,47 | 6090 | 72100 | 2,1 | ||
19 | 72,09 | 5260 | 72800 | 2,5 | ||
21 | 66,99 | 4890 | 7300 | 2,7 | ||
23 | 61,09 | 4460 | 73300 | 2,9 | ||
26 | 52,87 | 3860 | 73600 | 3,4 | ||
15 | 8,2 | 109,31 | 16100 | 34400 | 0,8 | 900 |
9,5 | 94,6 | 14000 | 60600 | 0,95 | ||
10,8 | 83,47 | 12300 | 64000 | 1,05 | ||
12,5 | 72,09 | 10600 | 66800 | 1,2 | ||
13,4 | 66,99 | 9890 | 67900 | 1,3 | ||
8,6 | 163,31 | 16000 | 36200 | 0,8 | 1400 | |
9,5 | 146,91 | 14400 | 57400 | 0,9 | ||
12 | 119,86 | 11800 | 65000 | 1,1 | ||
13 | 109,31 | 10700 | 66700 | 1,2 | 1400 | |
15 | 94,6 | 9280 | 68800 | 1,4 | ||
17 | 83,47 | 8190 | 70100 | 1,6 | ||
19 | 72,09 | 7070 | 71300 | 1,85 | ||
21 | 66,99 | 6570 | 71700 | 2 | ||
23 | 61,09 | 5990 | 72200 | 2,2 | ||
26 | 52,87 | 5190 | 72800 | 2,5 | ||
30 | 46,65 | 4580 | 73200 | 2,8 | ||
18,5 | 12 | 119,86 | 14500 | 56900 | 0,9 | 1400 |
15 | 94,6 | 11400 | 65600 | 1,15 | ||
17 | 83,47 | 10100 | 67700 | 1,3 | ||
19 | 72,09 | 8690 | 69500 | 1,5 | ||
21 | 66,99 | 8080 | 70200 | 1,6 | ||
23 | 61,09 | 7370 | 71000 | 1,75 | ||
26 | 52,87 | 6380 | 71900 | 2 | ||
30 | 46,65 | 5630 | 72500 | 2,3 | ||
35 | 40,29 | 4860 | 73000 | 2,7 | ||
22 | 13 | 109,31 | 15700 | 41300 | 0,85 | 1400 |
15 | 94,6 | 13600 | 61500 | 0,95 | ||
17 | 83,47 | 12000 | 64600 | 1,1 | ||
19 | 72,09 | 10300 | 67300 | 1,25 | ||
21 | 66,99 | 9610 | 68300 | 1,35 | ||
23 | 61,09 | 8760 | 69400 | 1,5 | ||
26 | 52,87 | 7580 | 70800 | 1,7 | ||
30 | 46,65 | 6690 | 71600 | 1,95 | ||
35 | 40,29 | 5780 | 72400 | 2,2 | ||
39 | 35,64 | 5110 | 72900 | 2,5 | ||
47 | 29,95 | 4300 | 73400 | 3 | ||
Трехступенчатые | ||||||
30 | 17 | 83,47 | 16300 | 32400 | 0,8 | 1400 |
19 | 72,09 | 14000 | 60400 | 0,95 | ||
21 | 66,99 | 13100 | 62500 | 1 | ||
23 | 61,09 | 11900 | 64700 | 1,1 | ||
26 | 52,87 | 10300 | 67300 | 1,25 | ||
30 | 46,65 | 9090 | 69000 | 1,45 | ||
35 | 40,29 | 7850 | 70500 | 1,65 | ||
39 | 35,64 | 6950 | 71400 | 1,85 | ||
47 | 29,95 | 5840 | 72300 | 2,2 | ||
58 | 24,19 | 4710 | 73100 | 2,5 | ||
Двухступенчатые | ||||||
30 | 68 | 20,44 | 3980 | 73600 | 3 | 1400 |
78 | 18,04 | 3510 | 73800 | 3 | ||
90 | 15,64 | 3050 | 74000 | 4,3 | ||
Трехступенчатые | ||||||
37 | 21 | 66,99 | 16100 | 35000 | 0,8 | 1400 |
23 | 61,09 | 14700 | 54200 | 0,9 | ||
26 | 52,87 | 12700 | 63200 | 1 | ||
30 | 46,65 | 11200 | 65900 | 1,15 | ||
35 | 40,29 | 9680 | 68200 | 1,35 | ||
39 | 35,64 | 8570 | 69700 | 1,5 | ||
47 | 29,95 | 7200 | 71100 | 1,8 | ||
58 | 24,19 | 5810 | 72400 | 2 | ||
Двухступенчатые | ||||||
37 | 68 | 20,44 | 4910 | 73000 | 2,4 | 1400 |
78 | 18,04 | 4340 | 73400 | 2,4 | ||
90 | 15,64 | 3760 | 73700 | 3,5 | ||
101 | 13,91 | 3340 | 73900 | 3,8 | ||
Трехступенчатые | ||||||
45 | 26 | 52,87 | 15500 | 44400 | 0,85 | 1400 |
30 | 46,65 | 13600 | 61300 | 0,95 | ||
35 | 40,29 | 11800 | 65000 | 1,1 | ||
39 | 35,64 | 10400 | 67200 | 1,25 | ||
47 | 29,95 | 8760 | 69400 | 1,5 | ||
58 | 24,19 | 7070 | 71300 | 1,7 | ||
Двухступенчатые | ||||||
45 | 68 | 20,44 | 5970 | 72200 | 2 | 1400 |
78 | 18,04 | 5270 | 72800 | 2 | ||
90 | 15,64 | 4570 | 73200 | 2,8 | ||
101 | 13,91 | 4070 | 73500 | 3,1 | ||
117 | 11,99 | 3510 | 73800 | 3,7 | ||
144 | 7,25 | 2120 | 74300 | 4,1 | ||
Трехступенчатые | ||||||
55 | 30 | 46,65 | 16600 | 26600 | 0,8 | 1400 |
35 | 40,29 | 14300 | 58200 | 0,9 | ||
39 | 35,64 | 12700 | 63300 | 1 | ||
47 | 29,95 | 10700 | 66800 | 1,2 | ||
58 | 24,19 | 8610 | 69600 | 1,4 | ||
Двухступенчатые | ||||||
55 | 68 | 20,44 | 7280 | 71100 | 1,65 | 1400 |
78 | 18,04 | 6420 | 71900 | 1,65 | ||
90 | 15,64 | 5570 | 72500 | 2,3 | ||
101 | 13,91 | 4950 | 73000 | 2,5 | ||
117 | 11,99 | 4270 | 73400 | 3 | ||
144 | 9,74 | 3470 | 73800 | 3,8 | ||
193 | 7,25 | 2580 | 74200 | 3,4 | ||
238 | 5,89 | 2100 | 72500 | 4,1 | ||
Трехступенчатые | ||||||
75 | 47 | 29,95 | 14500 | 565 | 0,9 | 1400 |
58 | 24,19 | 11700 | 65100 | 1 | ||
Двухступенчатые | ||||||
75 | 68 | 20,44 | 9890 | 67900 | 1,2 | 1400 |
78 | 18,04 | 8730 | 69500 | 1,2 | ||
90 | 15,64 | 7570 | 70800 | 1,7 | ||
101 | 13,91 | 6730 | 71600 | 1,85 | ||
117 | 11,99 | 5800 | 72400 | 2,2 | ||
144 | 9,74 | 4710 | 73100 | 2,8 | ||
169 | 8,26 | 4000 | 73500 | 3,2 | ||
193 | 7,25 | 3510 | 73100 | 2,5 | ||
238 | 5,89 | 2850 | 70100 | 3 | ||
280 | 5 | 2420 | 67600 | 3,6 | ||
Двухступенчатые | ||||||
90 | 68 | 20,44 | 11900 | 64800 | 1 | 1400 |
78 | 18,04 | 10500 | 67100 | 1 | ||
90 | 15,64 | 9080 | 69000 | 1,45 | ||
101 | 13,91 | 8080 | 70200 | 1,55 | ||
117 | 11,99 | 6960 | 71400 | 1,85 | ||
144 | 9,74 | 5660 | 72500 | 2,3 | ||
169 | 8,26 | 4800 | 73000 | 2,7 | ||
193 | 7,25 | 4210 | 70900 | 2,1 | ||
238 | 5,89 | 3420 | 68300 | 2,5 | ||
280 | 5 | 2900 | 66100 | 3 |
1. Модель редуктора (R-исполнение на лапах, RF-исполнение на фланце).
2. Габарит редуктора (17,37,47,57,67,77,87,97,107, 137, 147, 167).
3. Передаточное число.
4. Число оборотов выходного вала, об/мин.
5. Мощность электродвигателя, кВт.
6. Наличие электромагнитного тормоза у электродвигателя,
(Е- одинарный тормоз, ЕЕ- двойной тормоз,
Е(МШ)- одинарный малошумный тормоз,
ЕЕ(МШ)- двойной малошумный тормоз).
7. Тип фланца электродвигателя (В5;В14).
8. Монтажная позиция редуктора (M1, M2, M3, M4, M5, M6).
9. Дополнительные опции.
UD-R167 | Исполнение 1 | Исполнение 2 | Исполнение 3 | Исполнение 4 |
Р, мм | 350 | 400 | 450 | 550 |
Z5*, мм | 125 | 145 | 160 | 160 |
KM, мм | в зависимости от смонтированного двигателя | |||
АС, мм | в зависимости от смонтированного двигателя | |||
AD, мм | в зависимости от смонтированного двигателя |
UD-R167 | Исполнение 1 | Исполнение 2 | Исполнение 3 | Исполнение 4 |
Р, мм | 350 | 400 | 450 | 550 |
Z5*, мм | 125 | 145 | 160 | 160 |
KM, мм | в зависимости от смонтированного двигателя | |||
АС, мм | в зависимости от смонтированного двигателя | |||
AD, мм | в зависимости от смонтированного двигателя |
Мощность, кВт | Частота вращения выходного вала, об/мин | Передаточное число | Крутящий момент, Нм | Допустимая радиальная нагрузка, Н | Сервис- фактор | Частота вращения эл.двигателя |
Трехступенчатые | ||||||
5,5 | 3 | 229,71 | 17000 | 120000 | 1,05 | 700 |
3,7 | 186,93 | 13800 | 120000 | 1,3 | ||
4,5 | 153,07 | 11300 | 120000 | 1,6 | ||
4,9 | 139,98 | 10400 | 120000 | 1,75 | ||
5,7 | 121,81 | 9010 | 120000 | 2 | ||
7,5 | 3 | 229,71 | 22900 | 120000 | 0,8 | |
3,7 | 186,93 | 18600 | 120000 | 0,95 | ||
4,5 | 153,07 | 15200 | 120000 | 1,2 | ||
4,9 | 139,98 | 13900 | 120000 | 1,3 | ||
5,7 | 121,81 | 12100 | 120000 | 1,5 | ||
4 | 229,71 | 17100 | 120000 | 1,05 | 900 | |
4,8 | 186,93 | 13900 | 120000 | 1,3 | ||
5,9 | 153,07 | 11400 | 120000 | 1,6 | ||
6,4 | 139,98 | 10400 | 120000 | 1,7 | ||
7,4 | 121,81 | 9090 | 120000 | 2 | ||
8,4 | 107,49 | 8020 | 120000 | 2,2 | ||
9,7 | 93,19 | 6950 | 120000 | 2,6 | ||
10,9 | 82,91 | 6190 | 120000 | 2,9 | ||
12,2 | 73,7 | 5500 | 120000 | 3,3 | ||
13,4 | 67,4 | 5030 | 120000 | 3,6 | ||
11 | 5,1 | 186,93 | 20500 | 120000 | 0,9 | |
6,3 | 153,07 | 16700 | 120000 | 1,05 | ||
6,9 | 139,98 | 15300 | 120000 | 1,2 | ||
7,9 | 121,81 | 13300 | 120000 | 1,35 | ||
6,1 | 229,71 | 16800 | 120000 | 1,05 | 1400 | |
7,5 | 186,93 | 13600 | 120000 | 1,3 | ||
9,1 | 153,07 | 11200 | 120000 | 1,6 | ||
10 | 139,98 | 10200 | 120000 | 1,75 | ||
11 | 121,81 | 8890 | 120000 | 2 | ||
13 | 107,49 | 7840 | 120000 | 2,3 | ||
15 | 93,19 | 6800 | 120000 | 2,7 | ||
17 | 82,91 | 6050 | 120000 | 3 | ||
15 | 5,9 | 153,07 | 22600 | 120000 | 0,8 | 900 |
6,4 | 139,98 | 20700 | 120000 | 0,85 | ||
7,4 | 121,81 | 18000 | 120000 | 1 | ||
8,4 | 107,49 | 15900 | 120000 | 1,15 | ||
6,1 | 229,71 | 22500 | 120000 | 0,8 | 1400 | |
7,5 | 186,93 | 18300 | 120000 | 1 | ||
9,1 | 153,07 | 15000 | 120000 | 1,2 | ||
10 | 139,98 | 13700 | 120000 | 1,3 | ||
11 | 121,81 | 12000 | 120000 | 1,5 | ||
13 | 107,49 | 10500 | 120000 | 1,7 | ||
15 | 93,19 | 9140 | 120000 | 1,95 | ||
17 | 82,91 | 8130 | 120000 | 2,2 | ||
19 | 73,7 | 7230 | 120000 | 2,5 | ||
21 | 67,4 | 6610 | 120000 | 2,7 | ||
18,5 | 7,5 | 186,93 | 22500 | 120000 | 0,8 | 1400 |
9,1 | 153,07 | 18500 | 120000 | 1 | ||
10 | 139,98 | 16900 | 120000 | 1,05 | ||
11 | 121,81 | 14700 | 120000 | 1,25 | ||
13 | 107,49 | 13000 | 120000 | 1,4 | ||
15 | 93,19 | 11200 | 120000 | 1,6 | ||
17 | 82,91 | 10000 | 120000 | 1,8 | ||
19 | 73,7 | 8890 | 120000 | 2 | ||
21 | 67,4 | 8130 | 120000 | 2,2 | ||
24 | 58,65 | 7070 | 120000 | 2,5 | ||
22 | 9,1 | 153,07 | 22000 | 120000 | 0,8 | 1400 |
10 | 139,98 | 20100 | 120000 | 0,9 | ||
11 | 121,81 | 17500 | 120000 | 1,05 | ||
13 | 107,49 | 15400 | 120000 | 1,15 | ||
15 | 93,19 | 13400 | 120000 | 1,35 | ||
17 | 82,91 | 11900 | 120000 | 1,5 | ||
19 | 73,7 | 10600 | 120000 | 1,7 | ||
21 | 67,4 | 9670 | 120000 | 1,85 | ||
24 | 58,65 | 8410 | 120000 | 2,1 | ||
27 | 51,76 | 7420 | 120000 | 2,4 | ||
31 | 44,87 | 6430 | 120000 | 2,8 | ||
30 | 13 | 107,49 | 20900 | 120000 | 0,85 | 1400 |
15 | 93,19 | 18200 | 120000 | 1 | ||
17 | 82,91 | 16200 | 120000 | 1,1 | ||
19 | 73,7 | 14400 | 120000 | 1,25 | ||
21 | 67,4 | 13100 | 120000 | 1,35 | ||
24 | 58,65 | 11400 | 120000 | 1,55 | ||
27 | 51,76 | 10100 | 120000 | 1,8 | ||
31 | 44,87 | 8740 | 120000 | 2,1 | ||
35 | 39,92 | 7780 | 120000 | 2,3 | ||
41 | 34,41 | 6710 | 120000 | 2,7 | ||
50 | 27,96 | 5450 | 120000 | 3,3 | ||
59 | 23,71 | 4620 | 120000 | 3,9 | ||
Трехступенчатые | ||||||
37 | 15 | 93,19 | 22400 | 120000 | 0,8 | 1400 |
17 | 82,91 | 19900 | 120000 | 0,9 | ||
19 | 73,7 | 17700 | 120000 | 1 | ||
21 | 67,4 | 16200 | 120000 | 1,1 | ||
24 | 58,65 | 14100 | 120000 | 1,3 | ||
27 | 51,76 | 12400 | 120000 | 1,45 | ||
31 | 44,87 | 10800 | 120000 | 1,65 | ||
35 | 39,92 | 9600 | 120000 | 1,9 | ||
41 | 34,41 | 8270 | 120000 | 2,2 | ||
50 | 27,96 | 6720 | 120000 | 2,7 | ||
Двухступенчатые | ||||||
37 | 46 | 30,71 | 7380 | 120000 | 1,35 | 1400 |
57 | 24,57 | 5900 | 120000 | 2,4 | ||
64 | 21,85 | 5250 | 120000 | 2,5 | ||
74 | 19,03 | 4580 | 120000 | 3,5 | ||
82 | 16,98 | 4080 | 120000 | 3,7 | ||
Трехступенчатые | ||||||
45 | 19 | 73,7 | 21500 | 120000 | 0,85 | 1400 |
21 | 67,4 | 19700 | 120000 | 0,9 | ||
24 | 58,65 | 17100 | 120000 | 1,05 | ||
27 | 51,76 | 15100 | 120000 | 1,2 | ||
31 | 44,87 | 13100 | 120000 | 1,35 | ||
35 | 39,92 | 11700 | 120000 | 1,55 | ||
41 | 34,41 | 10100 | 120000 | 1,8 | ||
50 | 27,96 | 8170 | 120000 | 2,2 | ||
59 | 23,71 | 6930 | 120000 | 2,6 | ||
Двухступенчатые | ||||||
45 | 46 | 30,71 | 8980 | 120000 | 1,1 | 1400 |
57 | 24,57 | 7180 | 120000 | 1,95 | ||
64 | 21,85 | 6390 | 120000 | 2 | ||
74 | 19,03 | 5560 | 120000 | 2,9 | ||
82 | 16,98 | 4960 | 120000 | 3 | ||
Трехступенчатые | ||||||
55 | 24 | 58,65 | 20900 | 120000 | 0,85 | 1400 |
27 | 51,76 | 18400 | 120000 | 1 | ||
31 | 44,87 | 16000 | 120000 | 1,15 | ||
35 | 39,92 | 14200 | 120000 | 1,25 | ||
41 | 34,41 | 12300 | 120000 | 1,45 | ||
50 | 27,96 | 9960 | 120000 | 1,8 | ||
59 | 23,71 | 8440 | 120000 | 2,1 | ||
Двухступенчатые | ||||||
55 | 57 | 24,57 | 8750 | 120000 | 1,6 | 1400 |
64 | 21,85 | 7780 | 120000 | 1,65 | ||
74 | 19,03 | 6780 | 120000 | 2,4 | ||
82 | 16,98 | 6050 | 120000 | 2,5 | ||
97 | 14,48 | 5150 | 120000 | 3,5 | ||
117 | 11,99 | 4270 | 120000 | 4 | ||
Трехступенчатые | ||||||
75 | 31 | 44,87 | 21700 | 120000 | 0,85 | 1400 |
35 | 39,92 | 19300 | 120000 | 0,95 | ||
41 | 34,41 | 16700 | 120000 | 1,1 | ||
50 | 27,96 | 13500 | 120000 | 1,35 | ||
59 | 23,71 | 11500 | 120000 | 1,55 | ||
Двухступенчатые | ||||||
75 | 57 | 24,57 | 11900 | 120000 | 1,2 | 1400 |
64 | 21,85 | 10600 | 120000 | 1,25 | ||
74 | 19,03 | 9210 | 120000 | 1,75 | ||
82 | 16,98 | 8220 | 120000 | 1,85 | ||
97 | 14,48 | 7000 | 120000 | 2,6 | ||
117 | 11,99 | 5800 | 120000 | 2,9 | ||
137 | 10,24 | 4950 | 120000 | 3,4 | ||
Трехступенчатые | ||||||
90 | 35 | 39,92 | 23200 | 120000 | 0,8 | 1400 |
41 | 34,41 | 20000 | 120000 | 0,9 | ||
50 | 27,96 | 16200 | 120000 | 1,1 | ||
59 | 23,71 | 13800 | 120000 | 1,3 | ||
Двухступенчатые | ||||||
90 | 57 | 24,57 | 14300 | 120000 | 1 | 1400 |
64 | 21,85 | 12700 | 120000 | 1 | ||
74 | 19,03 | 11100 | 120000 | 1,45 | ||
82 | 16,98 | 9860 | 120000 | 1,5 | ||
97 | 14,48 | 8410 | 117300 | 2,1 | ||
117 | 11,99 | 69600 | 113500 | 2,4 | ||
137 | 10,24 | 59400 | 110100 | 2,9 | ||
Трехступенчатые | ||||||
110 | 50 | 27,96 | 19800 | 117100 | 0,9 | 1400 |
59 | 23,71 | 16800 | 116900 | 1,05 | ||
Двухступенчатые | ||||||
110 | 74 | 19,03 | 13500 | 115500 | 1,2 | 1400 |
82 | 16,98 | 12000 | 114300 | 1,25 | ||
97 | 14,48 | 10200 | 112200 | 1,75 | ||
117 | 11,99 | 8480 | 109300 | 2 | ||
137 | 10,24 | 7240 | 106500 | 2,3 | ||
Трехступенчатые | ||||||
132 | 59 | 23,71 | 20100 | 107900 | 0,9 | 1400 |
Двухступенчатые | ||||||
132 | 74 | 19,03 | 16200 | 108300 | 1 | 1400 |
82 | 16,98 | 14400 | 107800 | 1,05 | ||
97 | 14,48 | 12300 | 106700 | 1,45 | ||
117 | 11,99 | 10200 | 104700 | 1,65 | ||
137 | 10,24 | 8690 | 102600 | 1,95 | ||
Двухступенчатые | ||||||
160 | 97 | 14,48 | 14900 | 99700 | 1,2 | 1400 |
117 | 11,99 | 12300 | 98900 | 1,4 | ||
137 | 10,24 | 10500 | 97600 | 1,6 |
UD-R27UD-R17 UD-RF27UD-R17 |
||||||
Мощность, кВт | Частотавращения выходного вала, об/мин | Передаточное число | Крутящий момент, Нм | Допустимая радиальная нагрузка, Н | Сервис- фактор | Частота вращения эл.двигателя |
0,12 | 229 | 6 | 152 | 4130 | 0,85 | 11 |
227 | 6,1 | 151 | 4130 | 0,85 | ||
203 | 6,8 | 138 | 4200 | 0,95 | ||
200 | 6,9 | 132 | 4220 | 1 | ||
179 | 7,7 | 121 | 4280 | 1,1 | ||
177 | 7,8 | 116 | 4290 | 1,1 | ||
166 | 8,3 | 111 | 4310 | 1,15 | ||
156 | 8,8 | 102 | 4350 | 1,25 | ||
0,18 | 141 | 9,4 | 153 | 4120 | 0,85 | 11 |
135 | 9,8 | 148 | 4150 | 0,9 | ||
124 | 11 | 135 | 4210 | 0,95 | ||
110 | 12 | 121 | 4280 | 1,1 | ||
104 | 13 | 117 | 4290 | 1,1 | ||
94 | 14 | 102 | 4350 | 1,3 | ||
90 | 15 | 101 | 4350 | 1,3 | ||
UD-R37UD-R17 UD-RF37UD-R17 |
||||||
Мощность, кВт | Частотавращения выходного вала, об/мин | Передаточное число | Крутящий момент, Нм | Допустимая радиальная нагрузка, Н | Сервис- фактор | Частота вращения эл.двигателя |
0,12 | 338 | 4,1 | 230 | 4700 | 0,9 | 17-19 |
328 | 4,2 | 220 | 4550 | 0,9 | ||
296 | 4,7 | 205 | 4910 | 1 | ||
289 | 4,8 | 197 | 4990 | 1 | ||
265 | 5,2 | 184 | 5130 | 1,1 | ||
259 | 5,3 | 176 | 5220 | 1,15 | ||
226 | 6,1 | 151 | 5470 | 1,35 | ||
202 | 6,8 | 138 | 5570 | 1,45 | ||
199 | 6,9 | 134 | 5600 | 1,5 | ||
179 | 7,7 | 120 | 5700 | 1,65 | ||
172 | 8 | 117 | 5720 | 1,7 | ||
0,18 | 226 | 5,8 | 250 | 2090 | 0,8 | |
202 | 6,5 | 230 | 4560 | 0,9 | ||
199 | 6,6 | 220 | 4650 | 0,9 | ||
179 | 7,4 | 200 | 4950 | 1 | ||
172 | 7,7 | 192 | 5040 | 1,05 | ||
156 | 8,5 | 171 | 5270 | 1,15 | ||
150 | 8,8 | 167 | 5320 | 1,2 | ||
0,25 | 156 | 8,4 | 250 | 2350 | 0,8 | |
150 | 8,7 | 240 | 3420 | 0,85 | ||
135 | 9,7 | 215 | 4740 | 0,95 | ||
124 | 10 | 196 | 5000 | 1 | ||
110 | 12 | 174 | 5250 | 1,15 | ||
104 | 13 | 169 | 5290 | 1,2 | ||
90 | 14 | 146 | 5500 | 1,35 | ||
UD-R47UD-R37 UD-RF47UD-R37 |
||||||
Мощность, кВт | Частотавращения выходного вала, об/мин | Передаточное число | Крутящий момент, Нм | Допустимая радиальная нагрузка, Н | Сервис- фактор | Частота вращения эл.двигателя |
0,12 | 572 | 2,4 | 375 | 2500 | 0,8 | 28-29 |
510 | 2,7 | 355 | 3780 | 0,85 | ||
502 | 2,8 | 330 | 5140 | 0,9 | ||
429 | 3,2 | 300 | 5430 | 1 | ||
408 | 3,4 | 255 | 5630 | 1,15 | ||
372 | 3,7 | 255 | 5640 | 1,15 | ||
348 | 4 | 240 | 5710 | 1,25 | ||
301 | 4,6 | 205 | 5840 | 1,5 | ||
255 | 5,4 | 169 | 5950 | 1,75 | ||
228 | 6,1 | 150 | 6000 | 2 | ||
195 | 7,1 | 125 | 6050 | 2,4 | ||
0,18 | 301 | 4,4 | 335 | 4780 | 0,9 | |
255 | 5,2 | 285 | 5510 | 1,05 | ||
228 | 5,8 | 250 | 5660 | 1,2 | ||
195 | 6,8 | 210 | 5810 | 1,4 | ||
0,25 | 228 | 5,7 | 365 | 3070 | 0,8 | |
195 | 6,7 | 310 | 5370 | 0,95 | ||
182 | 7,1 | 290 | 5480 | 1,05 | ||
154 | 8,5 | 240 | 5700 | 1,25 | ||
UD-R57UD-R37 UD-RF57UD-R37 |
||||||
Мощность, кВт | Частотавращения выходного вала, об/мин | Передаточное число | Крутящий момент, Нм | Допустимая радиальная нагрузка, Н | Сервис- фактор | Частота вращения эл.двигателя |
0,12 | 782 | 1,8 | 525 | 5710 | 0,85 | 33-38 |
678 | 2 | 440 | 7160 | 1,05 | ||
604 | 2,3 | 395 | 7330 | 1,15 | ||
537 | 2,6 | 360 | 7460 | 1,25 | ||
357 | 2,9 | 235 | 7790 | 1,45 | ||
359 | 3,8 | 245 | 7760 | 1,8 | ||
357 | 3,9 | 235 | 7790 | 1,95 | ||
324 | 4,3 | 225 | 7810 | 2 | ||
290 | 4,8 | 196 | 7860 | 2,3 | ||
262 | 5,3 | 177 | 7890 | 2,5 | ||
246 | 5,6 | 164 | 7910 | 2,8 | ||
220 | 6,3 | 144 | 7940 | 3,1 | ||
0,18 | 471 | 2,8 | 520 | 6000 | 0,85 | |
454 | 2,9 | 790 | 6910 | 0,9 | ||
410 | 3,2 | 445 | 7130 | 1 | ||
359 | 3,7 | 405 | 7280 | 1,1 | ||
324 | 4,1 | 365 | 7430 | 1,25 | ||
290 | 4,6 | 325 | 7560 | 1,4 | ||
273 | 4,8 | 290 | 7650 | 1,55 | ||
262 | 5 | 295 | 7650 | 1,55 | ||
246 | 5,3 | 275 | 7700 | 1,65 | ||
241 | 5,5 | 255 | 7750 | 1,75 | ||
220 | 6 | 240 | 7770 | 1,85 | ||
215 | 6,1 | 225 | 7800 | 2 | ||
188 | 7 | 205 | 7840 | 2,2 | ||
159 | 8,3 | 172 | 7900 | 2,6 | ||
324 | 4 | 530 | 5580 | 0,85 | ||
0,25 | 319 | 4,1 | 505 | 6590 | 0,9 | |
290 | 4,5 | 470 | 7010 | 0,95 | ||
273 | 4,8 | 425 | 7200 | 1,05 | ||
262 | 5 | 425 | 7210 | 1,05 | ||
246 | 5,3 | 395 | 7320 | 1,15 | ||
241 | 5,4 | 375 | 7410 | 1,2 | ||
220 | 5,9 | 355 | 7470 | 1,3 | ||
215 | 6,1 | 335 | 7540 | 1,35 | ||
187 | 6,9 | 295 | 7650 | 1,55 | ||
164 | 7,9 | 255 | 7740 | 1,75 | ||
142 | 9,2 | 220 | 7810 | 2 | ||
UD-R67UD-R37 UD-RF67UD-R37 |
||||||
Мощность, кВт | Частотавращения выходного вала, об/мин | Передаточное число | Крутящий момент, Нм | Допустимая радиальная нагрузка, Н | Сервис- фактор | Частота вращения эл.двигателя |
0,12 | 956 | 1,4 | 655 | 5950 | 0,9 | 41-44 |
891 | 1,5 | 605 | 7480 | 1 | ||
836 | 1,6 | 565 | 7980 | 1,05 | ||
750 | 1,8 | 475 | 8790 | 1,25 | ||
730 | 1,9 | 490 | 8670 | 1,25 | ||
646 | 2,1 | 420 | 9190 | 1,4 | ||
574 | 2,4 | 380 | 9450 | 1,55 | ||
495 | 2,8 | 330 | 9740 | 1,8 | ||
438 | 3,2 | 275 | 9990 | 2,2 | ||
0,18 | 574 | 2,3 | 635 | 7740 | 0,95 | |
495 | 2,7 | 545 | 8160 | 1,1 | ||
438 | 3 | 465 | 8860 | 1,3 | ||
388 | 3,4 | 415 | 9250 | 1,45 | ||
344 | 3,8 | 380 | 9470 | 1,6 | ||
294 | 4,5 | 310 | 9840 | 1,95 | ||
261 | 5,1 | 280 | 9960 | 2,1 | ||
0,25 | 388 | 3,3 | 605 | 7220 | 0,95 | |
384 | 3,4 | 630 | 7490 | 1 | ||
359 | 3,6 | 585 | 7730 | 1,05 | ||
344 | 3,8 | 550 | 8120 | 1,1 | ||
310 | 4,2 | 505 | 8560 | 1,2 | ||
294 | 4,4 | 455 | 8950 | 1,3 | ||
264 | 4,9 | 425 | 9180 | 1,4 | ||
261 | 5 | 410 | 9260 | 1,45 | ||
235 | 5,5 | 375 | 9480 | 1,6 | ||
234 | 5,6 | 370 | 9520 | 1,6 | ||
201 | 6,5 | 320 | 9790 | 1,9 | ||
181 | 7,2 | 290 | 9940 | 2,1 | ||
176 | 7,4 | 270 | 10000 | 2,2 | ||
158 | 8,2 | 245 | 10100 | 2,5 | ||
0,37 | 294 | 4,7 | 650 | 6230 | 0,9 | |
261 | 5,3 | 585 | 7710 | 1 | ||
234 | 5,9 | 525 | 8340 | 1,15 | ||
200 | 6,9 | 450 | 9010 | 1,35 | ||
UD-RF77UD-R37 UD-RF77UD-R37 |
||||||
Мощность, кВт | Частотавращения выходного вала, об/мин | Передаточное число | Крутящий момент, Нм | Допустимая радиальная нагрузка, Н | Сервис- фактор | Частота вращения эл.двигателя |
0,12 | 1430 | 0,97 | 950 | 8220 | 0,85 | 47-53 |
1303 | 1,1 | 900 | 9080 | 0,9 | ||
1124 | 1,2 | 770 | 10400 | 1,05 | ||
1084 | 1,3 | 710 | 10800 | 1,15 | ||
940 | 1,5 | 635 | 11400 | 1,3 | ||
821 | 1,7 | 505 | 12000 | 1,6 | ||
731 | 1,9 | 460 | 12300 | 1,8 | ||
646 | 2,1 | 440 | 12300 | 1,85 | ||
520 | 2,7 | 365 | 12600 | 2,3 | ||
451 | 3,1 | 310 | 12800 | 2,6 | ||
422 | 3,3 | 290 | 12800 | 2,8 | ||
365 | 3,8 | 245 | 12900 | 3,3 | ||
0,18 | 858 | 1,5 | 950 | 8100 | 0,85 | |
821 | 1,6 | 870 | 9480 | 0,95 | ||
757 | 1,7 | 830 | 9800 | 1 | ||
731 | 1,8 | 780 | 10300 | 1,05 | ||
671 | 2 | 735 | 10700 | 1,1 | ||
571 | 2,3 | 620 | 11400 | 1,35 | ||
560 | 2,4 | 625 | 11400 | 1,3 | ||
488 | 2,7 | 530 | 11900 | 1,55 | ||
436 | 3 | 470 | 12200 | 1,75 | ||
373 | 3,5 | 405 | 12500 | 2 | ||
327 | 4 | 355 | 12600 | 2,3 | ||
289 | 4,6 | 320 | 12800 | 2,6 | ||
0,25 | 560 | 2,3 | 900 | 9100 | 0,9 | |
488 | 2,7 | 775 | 10300 | 1,05 | ||
436 | 3 | 690 | 11000 | 1,2 | ||
373 | 3,50 |
590 | 11600 | 1,4 | ||
327 | 4 | 520 | 12000 | 1,6 | ||
289 | 4,5 | 460 | 12300 | 1,8 | ||
260 | 5 | 410 | 12400 | 2 | ||
224 | 5,8 | 345 | 12700 | 2,4 | ||
0,37 | 436 | 3,2 | 980 | 5390 | 0,85 | |
373 | 3,7 | 840 | 9720 | 0,95 | ||
327 | 4,2 | 740 | 10600 | 1,1 | ||
289 | 4,8 | 655 | 11200 | 1,25 | ||
260 | 5,3 | 585 | 11600 | 1,4 | ||
224 | 6,2 | 500 | 12100 | 1,65 | ||
197 | 7 | 435 | 12400 | 1,9 | ||
169 | 8,1 | 380 | 12600 | 2,2 | ||
149 | 9,3 | 335 | 12700 | 2,5 | ||
0,55 | 276 | 4,9 | 970 | 6420 | 0,85 | |
236 | 5,8 | 830 | 9860 | 1 | ||
221 | 6,2 | 775 | 10300 | 1,05 | ||
186 | 7,3 | 650 | 11300 | 1,25 | ||
UD-R87UD-R57 UD-RF87UD-R57 |
||||||
Мощность, кВт | Частотавращения выходного вала, об/мин | Передаточное число | Крутящий момент, Нм | Допустимая радиальная нагрузка, Н | Сервис- фактор | Частота вращения эл.двигателя |
0,12 | 2873 | 0,48 | 1850 | 18000 | 0,85 | 85-95 |
2770 | 0,5 | 1740 | 18700 | 0,9 | ||
2595 | 0,53 | 1730 | 18800 | 0,9 | ||
2129 | 0,65 | 1300 | 19500 | 1,1 | ||
1961 | 0,7 | 1260 | 19400 | 1,25 | ||
1930 | 0,72 | 1240 | 20000 | 1,25 | ||
1737 | 0,79 | 1090 | 20000 | 1,4 | ||
1733 | 0,8 | 1100 | 20000 | 1,4 | ||
1524 | 0,91 | 960 | 20000 | 1,6 | ||
1303 | 1,1 | 775 | 20000 | 2 | ||
1143 | 1,2 | 680 | 20000 | 2,3 | ||
885 | 1,6 | 555 | 20000 | 2,8 | ||
776 | 1,8 | 485 | 20000 | 3,2 | ||
685 | 2 | 40 | 20000 | 3,6 | ||
599 | 2,3 | 345 | 20000 | 4,5 | ||
0,18 | 1733 | 0,7 | 1850 | 10800 | 0,85 | 85-95 |
1524 | 0,87 | 1620 | 16400 | 0,95 | ||
1489 | 0,89 | 1650 | 16200 | 0,95 | ||
1395 | 0,95 | 1540 | 17000 | 1 | ||
1303 | 1 | 1350 | 18200 | 1,15 | ||
1145 | 1,1 | 1250 | 18700 | 1,25 | ||
1143 | 1,2 | 1180 | 19100 | 1,3 | ||
1037 | 1,3 | 1120 | 19300 | 1,4 | ||
885 | 1,5 | 940 | 20000 | 1,65 | ||
802 | 1,6 | 850 | 20000 | 1,85 | ||
776 | 1,7 | 830 | 20000 | 1,9 | ||
0,25 | 1145 | 1,1 | 1810 | 13800 | 0,85 | 85-95 |
1037 | 1,2 | 1630 | 16300 | 0,95 | ||
931 | 1,4 | 1460 | 17500 | 1,05 | ||
885 | 1,5 | 1380 | 18000 | 1,1 | ||
802 | 1,6 | 1250 | 18700 | 1,25 | ||
776 | 1,7 | 1210 | 18900 | 1,3 | ||
685 | 1,9 | 1070 | 19600 | 1,45 | ||
599 | 2,2 | 900 | 20000 | 1,7 | ||
525 | 2,5 | 795 | 20000 | 1,95 | ||
456 | 2,8 | 695 | 20000 | 2,2 | ||
268 | 4,9 | 405 | 20000 | 3,8 | ||
0,37 | 802 | 1,7 | 1780 | 15100 | 0,85 | 85-95 |
754 | 1,8 | 1670 | 16000 | 0,95 | ||
685 | 2,1 | 1530 | 17100 | 1 | ||
649 | 2,1 | 1430 | 17700 | 1,1 | ||
599 | 2,3 | 1310 | 18400 | 1,2 | ||
525 | 2,6 | 1150 | 19200 | 1,35 | ||
472 | 2,9 | 1080 | 19500 | 1,45 | ||
456 | 3 | 1000 | 19800 | 1,55 | ||
400 | 3,5 | 910 | 20000 | 1,7 | ||
351 | 3,8 | 810 | 20000 | 1,9 | ||
268 | 5,2 | 583 | 20000 | 2,7 | ||
236 | 5,8 | 515 | 20000 | 3 | ||
0,55 | 525 | 2,6 | 1780 | 15100 | 0,85 | 85-95 |
472 | 2,9 | 1650 | 16200 | 0,95 | ||
456 | 3 | 1550 | 16900 | 1 | ||
398 | 3,4 | 1340 | 18200 | 1,15 | ||
361 | 3,8 | 1260 | 18700 | 1,25 | ||
352 | 3,9 | 1190 | 19000 | 1,3 | ||
305 | 4,4 | 1030 | 19700 | 1,5 | ||
0,75 | 398 | 3,5 | 1830 | 12400 | 0,85 | 85-95 |
361 | 3,8 | 1710 | 15700 | 0,9 | ||
352 | 3,9 | 1630 | 16400 | 0,95 | ||
305 | 4,5 | 1400 | 17900 | 1,1 | ||
300 | 4,6 | 1410 | 17800 | 1,1 | ||
268 | 5,2 | 1240 | 18800 | 1,25 | ||
265 | 5,4 | 1200 | 19000 | 1,3 | ||
236 | 5,8 | 1090 | 19500 | 1,4 | ||
1,1 | 268 | 5,2 | 1810 | 13900 | 0,85 | 85-95 |
265 | 5,5 | 1760 | 15300 | 0,9 | ||
236 | 5,9 | 1590 | 16600 | 0,95 | ||
232 | 6 | 1600 | 16600 | 0,95 | ||
209 | 6,7 | 1400 | 17900 | 1,1 | ||
195 | 7,2 | 1350 | 18200 | 1,15 | ||
UD-R97UD-R57 UD-RF97UD-R57 |
||||||
Мощность, кВт | Частотавращения выходного вала, об/мин | Передаточное число | Крутящий момент, Нм | Допустимая радиальная нагрузка, Н | Сервис- фактор | Частота вращения эл.двигателя |
0,12 | 4678 | 0,29 | 3240 | 13970 | 0,9 | 130-150 |
4559 | 0,3 | 2950 | 21300 | 1 | ||
4309 | 0,32 | 2970 | 21000 | 1 | ||
4004 | 0,34 | 2500 | 24100 | 1,2 | ||
3702 | 0,37 | 2510 | 24000 | 1,2 | ||
3481 | 0,4 | 2200 | 25500 | 1,35 | ||
3065 | 0,45 | 2020 | 26300 | 1,5 | ||
3019 | 0,4 | 2010 | 26400 | 1,5 | ||
2722 | 0,51 | 1790 | 27100 | 1,65 | ||
2668 | 0,52 | 1750 | 27300 | 1,7 | ||
2311 | 0,6 | 1510 | 27600 | 2 | ||
2245 | 0,61 | 1440 | 27700 | 2,1 | ||
2078 | 0,66 | 1360 | 27800 | 2,2 | ||
2016 | 0,68 | 1280 | 27900 | 2,3 | ||
1823 | 0,76 | 1170 | 28100 | 2,6 | ||
1733 | 0,8 | 1160 | 28100 | 2,6 | ||
1583 | 0,87 | 1020 | 28200 | 3 | ||
1396 | 0,99 | 860 | 28300 | 3,5 | ||
1228 | 1,1 | 740 | 28400 | 4,1 | ||
0,18 | 2722 | 0,49 | 2980 | 20400 | 1 | 130-150 |
2311 | 0,57 | 2520 | 24000 | 1,2 | ||
2245 | 0,59 | 2420 | 24500 | 1,25 | ||
2078 | 0,64 | 2270 | 25200 | 1,3 | ||
2016 | 0,65 | 2160 | 25700 | 1,4 | ||
1733 | 0,76 | 1920 | 26700 | 1,55 | ||
1623 | 0,81 | 1790 | 27200 | 1,7 | ||
1434 | 0,92 | 1570 | 27600 | 1,9 | ||
1207 | 1,1 | 1300 | 27900 | 2,3 | ||
1084 | 1,2 | 1160 | 28100 | 2,6 | ||
934 | 1,4 | 990 | 28200 | 3 | ||
878 | 1,5 | 920 | 28300 | 3,2 | ||
755 | 1,8 | 785 | 28400 | 3,8 | ||
0,25 | 2016 | 0,64 | 3160 | 12400 | 0,95 | 130-150 |
1823 | 0,71 | 2870 | 21800 | 1,05 | ||
1733 | 0,75 | 2780 | 22500 | 1,1 | ||
1623 | 0,8 | 2590 | 23600 | 1,15 | ||
1583 | 0,82 | 2490 | 24100 | 1,2 | ||
1396 | 0,93 | 2160 | 25700 | 1,4 | ||
1228 | 1,1 | 1880 | 26800 | 1,6 | ||
1069 | 1,2 | 1700 | 27400 | 1,75 | ||
938 | 1,4 | 1480 | 27700 | 2 | ||
824 | 1,6 | 1260 | 27900 | 2,4 | ||
737 | 1,8 | 1130 | 28100 | 2,7 | ||
632 | 2,1 | 970 | 28300 | 3,1 | ||
0,37 | 1434 | 0,96 | 3240 | 14430 | 0,95 | 130-150 |
1396 | 0,99 | 3100 | 15400 | 0,95 | ||
1207 | 1,1 | 2710 | 22900 | 1,1 | ||
1069 | 1,3 | 2410 | 24500 | 1,25 | ||
938 | 1,5 | 2110 | 25900 | 1,4 | ||
824 | 1,7 | 1820 | 27100 | 1,65 | ||
737 | 1,9 | 1630 | 27500 | 1,85 | ||
632 | 2,2 | 1390 | 27800 | 2,2 | ||
431 | 3,2 | 960 | 28300 | 3,1 | ||
379 | 3,6 | 840 | 28400 | 3,6 | ||
366 | 4,1 | 745 | 28400 | 4 | ||
0,55 | 938 | 1,5 | 3240 | 24620 | 0,95 | 130-150 |
824 | 1,6 | 2810 | 22200 | 1,05 | ||
737 | 1,8 | 2520 | 24000 | 1,2 | ||
632 | 2,2 | 2160 | 25700 | 1,4 | ||
560 | 2,4 | 1880 | 26800 | 1,6 | ||
484 | 2,8 | 1640 | 27400 | 1,85 | ||
431 | 3,2 | 1480 | 27700 | 2 | ||
379 | 3,6 | 1290 | 27900 | 2,3 | ||
336 | 4 | 1150 | 28100 | 2,6 | ||
296 | 4,6 | 1010 | 28200 | 3 | ||
249 | 5,5 | 840 | 28400 | 3,6 | ||
0,75 | 632 | 2,2 | 940 | 21400 | 1 | 130-150 |
560 | 2,5 | 2570 | 23700 | 1,15 | ||
484 | 2,8 | 2230 | 25400 | 1,35 | ||
431 | 3,2 | 2010 | 26400 | 1,5 | ||
379 | 3,6 | 1760 | 27200 | 1,7 | ||
336 | 4,1 | 1570 | 27600 | 1,9 | ||
296 | 4,7 | 1370 | 27800 | 2,2 | ||
249 | 5,5 | 1150 | 28100 | 2,6 | ||
1,1 | 413 | 3,2 | 2930 | 21400 | 1 | 130-150 |
379 | 3,7 | 2580 | 23700 | 1,15 | ||
336 | 4,2 | 2290 | 25100 | 1,3 | ||
293 | 4,7 | 2010 | 26300 | 1,5 | ||
249 | 5,6 | 1680 | 27400 | 1,8 | ||
234 | 6 | 1570 | 27500 | 1,9 | ||
209 | 6,7 | 1400 | 27800 | 2,1 | ||
1,5 | 336 | 4,2 | 3120 | 14600 | 0,95 | 130-150 |
296 | 4,8 | 2740 | 22700 | 1,1 | ||
249 | 5,7 | 2300 | 25100 | 1,3 | ||
234 | 6 | 2150 | 25800 | 1,4 | ||
209 | 6,8 | 1920 | 26700 | 1,55 | ||
2,2 | 234 | 6 | 3170 | 11300 | 0,95 | 130-150 |
209 | 6,8 | 2840 | 22100 | 1,05 | ||
UD-R107UD-R77 UD-RF107UD-R77 |
||||||
Мощность, кВт | Частотавращения выходного вала, об/мин | Передаточное число | Крутящий момент, Нм | Допустимая радиальная нагрузка, Н | Сервис- фактор | Частота вращения эл.двигателя |
0,12 | 7583 | 0,18 | 4500 | 28300 | 0,95 | 200-210 |
6743 | 0,2 | 3850 | 31700 | 1,1 | ||
5914 | 0,23 | 3660 | 32500 | 1,2 | ||
5168 | 0,27 | 2950 | 35100 | 1,45 | ||
4435 | 0,31 | 2600 | 36000 | 1,65 | ||
3896 | 0,35 | 2310 | 36400 | 1,85 | ||
3343 | 0,41 | 2240 | 36500 | 1,9 | ||
3034 | 0,45 | 2030 | 36700 | 2,1 | ||
2653 | 0,52 | 1750 | 37000 | 2,5 | ||
2280 | 0,61 | 1500 | 37200 | 2,9 | ||
2067 | 0,67 | 1300 | 37400 | 3,3 | ||
0,18 | 4435 | 0,3 | 4510 | 28300 | 0,3 | 200-210 |
3918 | 0,34 | 4380 | 29000 | 0,34 | ||
3343 | 0,39 | 3700 | 32400 | 0,39 | ||
3034 | 0,44 | 3360 | 33700 | 0,44 | ||
2653 | 0,5 | 2910 | 35200 | 0,5 | ||
2280 | 0,58 | 2500 | 36200 | 0,58 | ||
2067 | 0,64 | 2200 | 36500 | 0,64 | ||
1987 | 0,66 | 2050 | 36700 | 0,66 | ||
1827 | 0,72 | 1840 | 36900 | 0,72 | ||
1599 | 0,83 | 1580 | 37200 | 0,83 | ||
1400 | 0,94 | 1410 | 37300 | 0,94 | ||
1226 | 1,1 | 1210 | 37400 | 1,1 | ||
0,25 | 3034 | 0,43 | 4860 | 20600 | 0,9 | 200-210 |
1987 | 0,65 | 3030 | 34800 | 1,4 | ||
1827 | 0,71 | 2740 | 35700 | 1,55 | ||
1599 | 0,81 | 2370 | 36300 | 1,8 | ||
1400 | 0,93 | 2100 | 36700 | 2 | ||
1226 | 1,1 | 1810 | 37000 | 2,4 | ||
939 | 1,4 | 1410 | 37300 | 3 | ||
822 | 1,6 | 1220 | 37400 | 3,5 | ||
0,37 | 2067 | 0,67 | 4610 | 27700 | 0,95 | 200-210 |
1987 | 0,69 | 4370 | 29100 | 1 | ||
1827 | 0,76 | 3970 | 31100 | 1,1 | ||
1693 | 0,82 | 3760 | 32100 | 1,15 | ||
1599 | 0,86 | 3440 | 33400 | 1,25 | ||
1550 | 0,89 | 3410 | 33500 | 1,25 | ||
1407 | 0,98 | 3090 | 34600 | 1,4 | ||
1400 | 0,99 | 3040 | 34800 | 1,4 | ||
1226 | 1,1 | 2640 | 36000 | 1,65 | ||
1055 | 1,3 | 2320 | 36400 | 1,85 | ||
939 | 1,5 | 2040 | 36700 | 2,1 | ||
822 | 1,7 | 1770 | 37000 | 2,4 | ||
0,55 | 1407 | 0,97 | 4790 | 23400 | 0,9 | 200-210 |
1209 | 1,1 | 4120 | 30400 | 1,05 | ||
1104 | 1,2 | 3690 | 32400 | 1,15 | ||
1055 | 1,3 | 3590 | 32800 | 1,2 | ||
919 | 1,5 | 3140 | 34500 | 1,35 | ||
815 | 1,7 | 2790 | 35600 | 1,55 | ||
717 | 1,9 | 2450 | 36200 | 1,75 | ||
626 | 2,2 | 2140 | 36600 | 2 | ||
0,75 | 1104 | 1,2 | 5050 | 17000 | 0,85 | 200-210 |
1055 | 1,3 | 4890 | 19000 | 0,9 | ||
919 | 1,5 | 4270 | 29600 | 1 | ||
822 | 1,7 | 3770 | 32000 | 1,15 | ||
369 | 3,7 | 1690 | 37100 | 2,5 | ||
323 | 4,3 | 1470 | 37300 | 2,9 | ||
1,1 | 1391 | 1 | 9480 | 44400 | 0,85 | 200-210 |
1256 | 1,1 | 8550 | 51600 | 0,95 | ||
1105 | 1,3 | 7500 | 54400 | 1,05 | ||
951 | 1,5 | 6450 | 56300 | 1,25 | ||
888 | 1,6 | 6010 | 57000 | 1,35 | ||
831 | 1,7 | 5590 | 57600 | 1,45 | ||
730 | 1,9 | 4890 | 58500 | 1,65 | ||
629 | 2,2 | 4190 | 59300 | 1,9 | ||
560 | 2,5 | 3770 | 59700 | 2,1 | ||
490 | 2,8 | 3270 | 60100 | 2,5 | ||
1,5 | 544 | 2,6 | 4970 | 14800 | 0,85 | 200-210 |
528 | 2,7 | 4860 | 20600 | 0,9 | ||
492 | 2,9 | 4490 | 28400 | 0,95 | ||
469 | 3 | 4410 | 28900 | 1 | ||
417 | 3,4 | 3810 | 31900 | 1,15 | ||
369 | 3,8 | 3390 | 33600 | 1,25 | ||
323 | 4,4 | 2960 | 35100 | 1,45 | ||
2,2 | 369 | 3,8 | 5010 | 12100 | 0,85 | 200-210 |
325 | 4,3 | 4480 | 28400 | 0,95 | ||
323 | 4,4 | 4390 | 29000 | 1 | ||
285 | 4,9 | 3860 | 31600 | 1,1 | ||
253 | 5,6 | 3420 | 33500 | 1,25 | ||
214 | 6,6 | 2900 | 35300 | 1,5 | ||
3 | 253 | 5,5 | 4730 | 25800 | 0,9 | 200-210 |
214 | 6,5 | 4010 | 31000 | 1,05 | ||
187 | 7,5 | 3500 | 33200 | 1,25 | ||
4 | 193 | 7,3 | 4840 | 21400 | 0,9 | 200-210 |
187 | 7,6 | 4620 | 27600 | 0,95 | ||
172 | 8,2 | 4330 | 29300 | 1 | ||
UD-R137UD-R77 UD-RF137UD-R77 |
||||||
Мощность, кВт | Частотавращения выходного вала, об/мин | Передаточное число | Крутящий момент, Нм | Допустимая радиальная нагрузка, Н | Сервис- фактор | Частота вращения эл.двигателя |
0,12 | 12921 | 0,11 | 8390 | 52300 | 0,95 | 290-310 |
11712 | 0,12 | 7240 | 54900 | 1,1 | ||
10573 | 0,13 | 6430 | 56400 | 1,25 | ||
8784 | 0,16 | 5160 | 58200 | 1,55 | ||
7479 | 0,18 | 4270 | 59200 | 1,85 | ||
6559 | 0,21 | 4060 | 59500 | 1,95 | ||
5834 | 0,24 | 3330 | 60100 | 2,4 | ||
5116 | 0,27 | 3160 | 60200 | 2,5 | ||
0,18 | 8784 | 0,15 | 8930 | 49900 | 0,9 | 290-310 |
7479 | 0,18 | 7490 | 54400 | 1,05 | ||
6559 | 0,2 | 6880 | 55600 | 1,15 | ||
5834 | 0,23 | 5840 | 57300 | 1,35 | ||
5116 | 0,26 | 5370 | 57900 | 1,5 | ||
4709 | 0,28 | 5260 | 58100 | 1,5 | ||
4464 | 0,3 | 4540 | 58900 | 1,75 | ||
4018 | 0,33 | 4450 | 59000 | 1,8 | ||
3928 | 0,34 | 4000 | 59500 | 2 | ||
3514 | 0,38 | 3850 | 3850 | 2,1 | ||
3338 | 0,4 | 3640 | 3640 | 2,2 | ||
2929 | 0,45 | 3160 | 3160 | 2,5 | ||
0,25 | 5834 | 0,22 | 8680 | 51000 | 0,9 | 290-310 |
5116 | 0,25 | 7860 | 53700 | 1 | ||
4700 | 0,28 | 7600 | 54200 | 1,05 | ||
4464 | 0,29 | 6720 | 55900 | 1,2 | ||
4018 | 0,32 | 6440 | 56300 | 1,25 | ||
3928 | 0,33 | 5910 | 57200 | 1,35 | ||
3338 | 0,39 | 5290 | 58000 | 1,5 | ||
2929 | 0,44 | 4610 | 58900 | 1,75 | ||
2658 | 0,49 | 4090 | 59400 | 1,95 | ||
2412 | 0,54 | 3710 | 59800 | 2,2 | ||
2073 | 0,63 | 3190 | 60200 | 2,5 | ||
1839 | 0,71 | 2760 | 60500 | 2,9 | ||
1397 | 0,93 | 2130 | 60900 | 3,8 | ||
1226 | 1,1 | 1850 | 61000 | 4,3 | ||
0,37 | 4464 | 0,31 | 9670 | 40700 | 0,85 | 290-310 |
4018 | 0,34 | 9140 | 48900 | 0,9 | ||
3928 | 0,35 | 8510 | 51800 | 0,95 | ||
3514 | 0,39 | 9750 | 53500 | 1 | ||
3338 | 0,41 | 7540 | 54300 | 1,05 | ||
2929 | 0,47 | 6580 | 56100 | 1,2 | ||
2658 | 0,52 | 5880 | 57200 | 1,35 | ||
2484 | 0,56 | 5540 | 57700 | 1,45 | ||
2412 | 0,57 | 5330 | 58000 | 1,5 | ||
2242 | 0,62 | 4980 | 58400 | 1,6 | ||
2073 | 0,67 | 4580 | 58900 | 1,75 | ||
1839 | 0,75 | 3990 | 59500 | 2 | ||
1397 | 0,99 | 3070 | 60300 | 2,6 | ||
1226 | 1,1 | 2670 | 60600 | 3 | ||
1090 | 1,3 | 2400 | 60700 | 3,3 | ||
951 | 1,5 | 2090 | 60900 | 3,8 | ||
0,55 | 2658 | 0,51 | 9080 | 49200 | 0,9 | 290-310 |
2484 | 0,55 | 8540 | 51700 | 0,95 | ||
2412 | 0,56 | 8240 | 52900 | 0,95 | ||
2073 | 0,66 | 7090 | 55200 | |||
1839 | 0,74 | 6210 | 56700 | 1,3 | ||
1598 | 0,85 | 5350 | 58000 | 1,5 | ||
1397 | 0,97 | 4760 | 58700 | 1,7 | ||
1226 | 1,1 | 4150 | 59400 | 1,95 | ||
1090 | 1,2 | 3710 | 59800 | 2,2 | ||
951 | 1,4 | 3240 | 60200 | 2,5 | ||
831 | 1,6 | 2780 | 60500 | 2,9 | ||
0,75 | 2073 | 0,67 | 9640 | 41400 | 0,67 | 290-310 |
1863 | 0,74 | 8640 | 51200 | 0,74 | ||
1839 | 0,75 | 8480 | 51900 | 0,75 | ||
1598 | 0,86 | 7310 | 54800 | 0,86 | ||
1586 | 0,87 | 7330 | 54700 | 0,87 | ||
1391 | 0,99 | 6500 | 56200 | 0,99 | ||
1256 | 1,1 | 5850 | 57300 | 1,1 | ||
1090 | 1,3 | 5050 | 58300 | 1,3 | ||
951 | 1,5 | 4410 | 59100 | 1,5 | ||
831 | 1,7 | 3810 | 59700 | 1,7 | ||
730 | 1,9 | 3320 | 60100 | 1,9 | ||
1,1 | 1391 | 1 | 9480 | 44400 | 0,85 | 290-310 |
1256 | 1,1 | 8550 | 51600 | 0,95 | ||
1105 | 1,3 | 7500 | 54400 | 1,05 | ||
951 | 1,5 | 6450 | 56300 | 1,25 | ||
888 | 1,6 | 6010 | 57000 | 1,35 | ||
831 | 1,7 | 5590 | 57600 | 1,45 | ||
730 | 1,9 | 4890 | 58500 | 1,65 | ||
629 | 2,2 | 4190 | 59300 | 1,9 | ||
560 | 2,5 | 3770 | 59700 | 2,1 | ||
490 | 2,8 | 3270 | 60100 | 2,5 | ||
1,5 | 1090 | 1,3 | 10100 | 32300 | 0,8 | 290-310 |
1043 | 1,4 | 9650 | 41200 | 0,85 | ||
951 | 1,5 | 8790 | 50600 | 0,9 | ||
1,5 | 888 | 1,6 | 8200 | 52900 | 1 | 290-310 |
831 | 1,7 | 7640 | 54100 | 1,05 | ||
730 | 1,9 | 6680 | 55900 | 1,2 | ||
699 | 2 | 6440 | 56300 | 1,25 | ||
629 | 2,2 | 5740 | 57400 | 1,4 | ||
609 | 2,3 | 5590 | 57600 | 1,45 | ||
560 | 2,5 | 5150 | 58200 | 1,55 | ||
490 | 2,9 | 4470 | 59000 | 1,8 | ||
428 | 3,3 | 3910 | 59600 | 2 | ||
381 | 3,7 | 3510 | 59900 | 2,3 | ||
323 | 4,4 | 2980 | 60400 | 2,7 | ||
2,2 | 730 | 1,9 | 9890 | 36300 | 0,8 | 290-310 |
699 | 2 | 9510 | 43900 | 0,85 | ||
629 | 2,2 | 8500 | 5180 | 0,95 | ||
609 | 2,3 | 8270 | 52800 | 0,95 | ||
560 | 2,5 | 7620 | 54200 | 1,05 | ||
490 | 2,9 | 6630 | 56000 | 1,2 | ||
428 | 3,3 | 5790 | 57400 | 1,4 | ||
381 | 3,7 | 5190 | 58200 | 1,55 | ||
323 | 4,4 | 4400 | 59100 | 1,8 | ||
291 | 4,8 | 3960 | 59500 | 2 | ||
255 | 5,5 | 3460 | 60000 | 2,3 | ||
223 | 6,3 | 3030 | 60300 | 2,6 | ||
3 | 517 | 2,7 | 9870 | 36800 | 0,8 | 290-310 |
490 | 2,8 | 9160 | 48800 | 0,85 | ||
453 | 3,1 | 8650 | 51200 | 0,95 | ||
428 | 3,3 | 7990 | 53400 | 1 | ||
381 | 3,7 | 7150 | 55100 | 1,1 | ||
323 | 4,3 | 6070 | 56900 | 1,3 | ||
291 | 4,8 | 5460 | 57800 | 1,45 | ||
255 | 5,5 | 4770 | 58700 | 1,7 | ||
223 | 6,3 | 4180 | 59300 | 1,9 | ||
4 | 381 | 3,7 | 9440 | 45200 | 0,85 | 290-310 |
376 | 3,8 | 9430 | 45400 | 0,85 | ||
339 | 4,2 | 8500 | 51800 | 0,95 | ||
323 | 4,4 | 8000 | 53400 | 1 | ||
297 | 4,8 | 7450 | 54500 | 1,05 | ||
291 | 4,9 | 7200 | 55000 | 1,1 | ||
255 | 5,6 | 6390 | 56600 | 1,25 | ||
223 | 6,3 | 5520 | 57700 | 1,45 | ||
UD-R147UD-R77 UD-RF147UD-R77 |
||||||
Мощность, кВт | Частотавращения выходного вала, об/мин | Передаточное число | Крутящий момент, Нм | Допустимая радиальная нагрузка, Н | Сервис- фактор | Частота вращения эл.двигателя |
0,12 | 21342 | 0,06 | 14300 | 58600 | 0,9 | 420-430 |
18210 | 0,08 | 12000 | 64500 | 1,1 | ||
15923 | 0,09 | 10300 | 67300 | 1,25 | ||
14075 | 0,1 | 9440 | 68600 | 1,4 | ||
12344 | 0,11 | 7630 | 70700 | 1,7 | ||
11143 | 0,12 | 6780 | 71500 | 1,9 | ||
9743 | 0,14 | 6020 | 72200 | 2,2 | ||
8443 | 0,16 | 4960 | 73000 | 2,6 | ||
7307 | 0,19 | 4290 | 73400 | 3 | ||
6447 | 0,21 | 3780 | 73700 | 3,4 | ||
5568 | 0,25 | 3270 | 73900 | 4 | ||
0,18 | 14075 | 0,09 | 15500 | 43800 | 0,85 | 420-430 |
12344 | 0,11 | 12900 | 62800 | 1 | ||
11143 | 0,12 | 11600 | 65300 | 1,1 | ||
9743 | 0,14 | 10200 | 67500 | 1,25 | ||
8443 | 0,16 | 8590 | 69600 | 1,5 | ||
7307 | 0,18 | 7430 | 70900 | 1,75 | ||
6447 | 0,2 | 6560 | 71700 | 2 | ||
5568 | 0,24 | 5660 | 72500 | 2,3 | ||
4926 | 0,27 | 5120 | 72900 | 2,5 | ||
4325 | 0,31 | 4430 | 73300 | 2,9 | ||
3754 | 0,35 | 3900 | 73600 | 3,3 | ||
3302 | 0,4 | 3380 | 73800 | 3,8 | ||
0,25 | 9743 | 0,13 | 15000 | 50700 | 0,85 | |
8443 | 0,15 | 12700 | 63200 | 1 | ||
7307 | 0,18 | 11000 | 66300 | 1,2 | ||
6447 | 0,2 | 9700 | 68200 | 1,35 | ||
5568 | 0,23 | 8380 | 69900 | 1,55 | ||
4926 | 0,26 | 7520 | 70800 | 1,75 | ||
4325 | 0,3 | 6540 | 71800 | 2 | ||
3754 | 0,35 | 5730 | 72400 | 2,3 | ||
3302 | 0,39 | 4990 | 73000 | 2,6 | ||
2898 | 0,45 | 4360 | 73300 | 3 | ||
0,37 | 7307 | 0,19 | 15800 | 39000 | 0,8 | 420-430 |
6447 | 0,21 | 14000 | 60600 | 0,95 | ||
5568 | 0,25 | 12100 | 64400 | 1,1 | ||
4926 | 0,28 | 10800 | 66600 | 1,2 | ||
4325 | 0,32 | 9400 | 68600 | 1,4 | ||
3754 | 0,37 | 8210 | 70100 | 1,6 | ||
3302 | 0,42 | 7180 | 71200 | 1,8 | ||
2898 | 0,48 | 6280 | 72000 | 2,1 | ||
0,55 | 4926 | 0,28 | 16600 | 26300 | 0,8 | 420-430 |
4325 | 0,31 | 14500 | 55900 | 0,9 | ||
3754 | 0,36 | 12700 | 63300 | 1,05 | ||
3302 | 0,41 | 11100 | 66100 | 1,15 | ||
2898 | 0,47 | 9720 | 68200 | 1,35 | ||
2555 | 0,53 | 8730 | 69500 | 1,5 | ||
2211 | 0,62 | 7560 | 70800 | 1,7 | ||
1951 | 0,7 | 6670 | 71600 | 1,95 | ||
1705 | 0,8 | 5730 | 72400 | 2,3 | ||
1536 | 0,89 | 5140 | 72900 | 2,5 | ||
1329 | 1 | 4450 | 73300 | 2,9 | ||
1166 | 1,2 | 3880 | 73600 | 3,3 | ||
0,75 | 3302 | 0,42 | 15100 | 49000 | 0,85 | 420-430 |
2898 | 0,48 | 13200 | 62200 | 1 | ||
2555 | 0,54 | 11900 | 64800 | 1,1 | ||
2211 | 0,62 | 10000 | 67400 | 1,25 | ||
1951 | 0,71 | 9070 | 69000 | 1,45 | ||
1705 | 0,81 | 7830 | 70500 | 1,65 | ||
1536 | 0,9 | 7030 | 701300 | 1,85 | ||
1329 | 1 | 6080 | 72100 | 2,1 | ||
1166 | 1,2 | 5310 | 72700 | 2,5 | ||
1,1 | 2211 | 0,63 | 15000 | 50100 | 0,85 | 420-430 |
1951 | 0,72 | 13300 | 62100 | 1 | ||
1705 | 0,82 | 11500 | 65500 | 1,15 | ||
1536 | 0,91 | 10300 | 67300 | 1,25 | ||
1329 | 1 | 8940 | 69200 | 1,45 | ||
1166 | 1,2 | 7810 | 70500 | 1,65 | ||
1029 | 1,4 | 6870 | 71500 | 1,9 | ||
889 | 1,6 | 5950 | 72200 | 2,2 | ||
784 | 1,8 | 5240 | 72800 | 2,5 | ||
695 | 2 | 4630 | 73200 | 2,8 | ||
1,5 | 1705 | 0,83 | 15700 | 41200 | 0,85 | 420-430 |
1536 | 0,92 | 14100 | 60300 | 0,9 | ||
1329 | 1,1 | 12200 | 64200 | 1,05 | ||
1166 | 1,2 | 10700 | 66800 | 1,2 | ||
1029 | 1,4 | 9410 | 68600 | 1,4 | ||
889 | 1,6 | 8140 | 70100 | 1,6 | ||
784 | 1,8 | 7170 | 71200 | 1,8 | ||
695 | 2 | 6340 | 71900 | 2 | ||
619 | 2,3 | 5700 | 72400 | 2,3 | ||
558 | 2,5 | 5130 | 72900 | 2,5 | ||
2,2 | 1166 | 1,2 | 15800 | 39400 | 0,8 | 420-430 |
1029 | 1,4 | 13900 | 60700 | 0,95 | ||
889 | 1,6 | 12000 | 64500 | 1,1 | ||
784 | 1,8 | 10600 | 66900 | 1,2 | ||
695 | 2 | 9400 | 68600 | 1,4 | ||
619 | 2,3 | 8420 | 69800 | 1,55 | ||
558 | 2,5 | 7580 | 70800 | 1,7 | ||
489 | 2,9 | 6640 | 71700 | 1,95 | ||
3 | 889 | 1,6 | 16600 | 26300 | 0,8 | 420-430 |
784 | 1,8 | 14700 | 54500 | 0,9 | ||
695 | 2 | 13000 | 62700 | 1 | ||
619 | 2,3 | 11600 | 65200 | 1,1 | ||
558 | 2,5 | 10500 | 67100 | 1,25 | ||
4 | 619 | 2,3 | 15300 | 64300 | 0,85 | 420-430 |
558 | 2,5 | 13800 | 61000 | 0,95 | ||
489 | 2,9 | 12100 | 64400 | 1,1 | ||
415 | 3,4 | 10200 | 67400 | 1,25 | ||
UD-R147UD-R87 UD-RF147UD-R87 |
||||||
Мощность, кВт | Частотавращения выходного вала, об/мин | Передаточное число | Крутящий момент, Нм | Допустимая радиальная нагрузка, Н | Сервис- фактор | Частота вращения эл.двигателя |
1,5 | 426 | 3,3 | 3870 | 73600 | 3,4 | 450-480 |
368 | 3,8 | 3340 | 73900 | 3,9 | ||
2,2 | 533 | 2,6 | 7130 | 71200 | 1,8 | 450-480 |
462 | 3 | 6150 | 72100 | 2,1 | ||
426 | 3,3 | 5740 | 72400 | 2,3 | ||
368 | 3,8 | 4960 | 73000 | 2,6 | ||
326 | 4,3 | 4390 | 73000 | 3 | ||
3 | 533 | 2,6 | 9880 | 68000 | 1,3 | 450-480 |
462 | 3 | 8540 | 69700 | 1,5 | ||
426 | 3,3 | 7940 | 70400 | 1,65 | ||
368 | 3,8 | 6860 | 71500 | 1,9 | ||
326 | 4,3 | 6070 | 72200 | 2,1 | ||
280 | 5 | 5180 | 72800 | 2,5 | ||
4 | 533 | 2,7 | 13100 | 62500 | 1 | 450-480 |
462 | 3,1 | 11300 | 65800 | 1,15 | ||
426 | 3,3 | 10500 | 67100 | 1,25 | ||
368 | 3,8 | 9060 | 69100 | 1,45 | ||
326 | 4,4 | 8010 | 70300 | 1,6 | ||
280 | 5,1 | 6850 | 71500 | 1,9 | ||
247 | 5,7 | 6050 | 72200 | 2,2 | ||
214 | 6,7 | 5220 | 72800 | 2,5 | ||
189 | 7,5 | 4620 | 73200 | 2,8 | ||
159 | 8,9 | 3880 | 73600 | 3,3 | ||
5,5 | 462 | 3,1 | 15500 | 43700 | 0,85 | 450-480 |
426 | 3,3 | 14400 | 57800 | 0,9 | ||
368 | 3,9 | 12400 | 63800 | 1,05 | ||
326 | 4,4 | 11000 | 66300 | 1,2 | ||
280 | 5,1 | 9410 | 68600 | 1,4 | ||
247 | 5,8 | 8300 | 70000 | 1,5 | ||
214 | 6,7 | 7170 | 71200 | 1,8 | ||
189 | 7,6 | 6340 | 71900 | 2 | ||
7,5 | 326 | 4,4 | 15000 | 50100 | 0,85 | 450-480 |
280 | 5,1 | 12900 | 62900 | 1 | ||
247 | 5,8 | 11400 | 65700 | 1,15 | ||
214 | 6,7 | 9810 | 68000 | 1,3 | ||
189 | 7,6 | 8680 | 69500 | 1,5 | ||
159 | 9 | 7290 | 71000 | 1,8 | ||
11 | 247 | 5,8 | 16600 | 26800 | 0,8 | 450-480 |
214 | 6,7 | 14300 | 58300 | 0,9 | ||
189 | 7,6 | 12700 | 63300 | 1,05 | ||
159 | 9,1 | 10700 | 66800 | 1,2 | ||
UD-R167UD-R97 UD-RF167UD-R97 |
||||||
Мощность, кВт | Частотавращения выходного вала, об/мин | Передаточное число | Крутящий момент, Нм | Допустимая радиальная нагрузка, Н | Сервис- фактор | Частота вращения эл.двигателя |
0,55 | 6077 | 0,22 | 19800 | 120000 | 0,9 | 750-870 |
5407 | 0,25 | 17600 | 120000 | 1 | ||
4650 | 0,29 | 15100 | 120000 | 1,2 | ||
4129 | 0,33 | 13300 | 120000 | 1,35 | ||
0,75 | 4650 | 0,3 | 20700 | 120000 | 0,85 | 750-870 |
4129 | 0,33 | 18300 | 120000 | 1 | ||
2657 | 0,52 | 12000 | 120000 | 1,5 | ||
2333 | 0,59 | 10400 | 120000 | 1,75 | ||
2085 | 0,66 | 9230 | 120000 | 1,95 | ||
1438 | 0,96 | 6510 | 120000 | 2,8 | ||
1,1 | 2657 | 0,53 | 17700 | 120000 | 1 | 750-870 |
2333 | 0,6 | 15400 | 120000 | 1,15 | ||
2085 | 0,67 | 13700 | 120000 | 1,3 | ||
1877 | 0,75 | 12300 | 120000 | 1,45 | ||
1670 | 0,84 | 10900 | 120000 | 1,65 | ||
1438 | 0,97 | 9600 | 120000 | 1,9 | ||
1279 | 1,1 | 8540 | 120000 | 2,1 | ||
1123 | 1,2 | 7420 | 120000 | 2,4 | ||
1,5 | 2333 | 0,6 | 21200 | 120000 | 0,85 | 750-870 |
2085 | 0,68 | 18800 | 120000 | 0,95 | ||
1877 | 0,75 | 16900 | 120000 | 1,05 | ||
1670 | 0,84 | 15000 | 120000 | 1,2 | ||
1438 | 0,98 | 13100 | 120000 | 1,35 | ||
1279 | 1,1 | 11700 | 120000 | 1,55 | ||
1123 | 1,3 | 10200 | 120000 | 1,75 | ||
999 | 1,4 | 9060 | 120000 | 2 | ||
2,2 | 1670 | 0,84 | 22400 | 120000 | 0,8 | 750-870 |
1438 | 0,98 | 19500 | 120000 | 0,95 | ||
1279 | 1,1 | 17300 | 120000 | 1,05 | ||
1123 | 1,3 | 15100 | 120000 | 1,2 | ||
999 | 1,4 | 13500 | 120000 | 1,35 | ||
861 | 1,6 | 11600 | 120000 | 1,55 | ||
760 | 1,9 | 10300 | 120000 | 1,75 | ||
656 | 2,2 | 8710 | 120000 | 2,1 | ||
3 | 1123 | 1,2 | 20900 | 120000 | 0,85 | 750-870 |
999 | 1,4 | 18600 | 120000 | 0,95 | ||
861 | 1,6 | 16000 | 120000 | 1,1 | ||
760 | 1,8 | 14200 | 120000 | 1,25 | ||
656 | 2,1 | 12100 | 120000 | 1,5 | ||
503 | 2,8 | 9280 | 120000 | 1,95 |