Категория: Планетарные мотор-редукторы

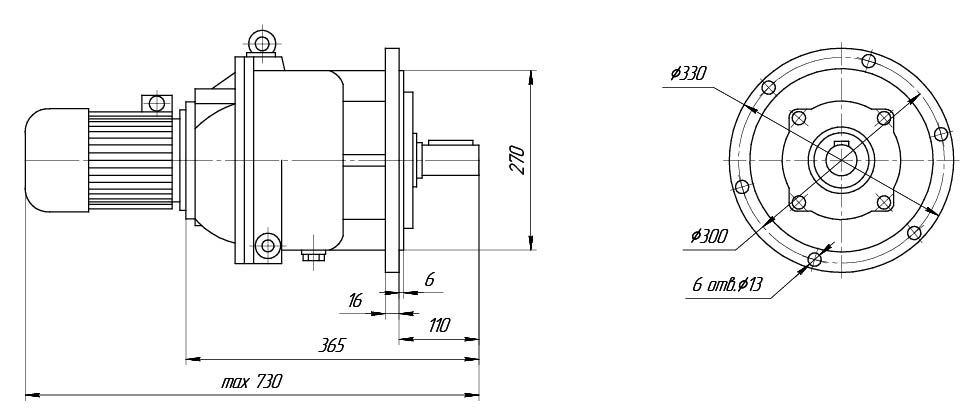
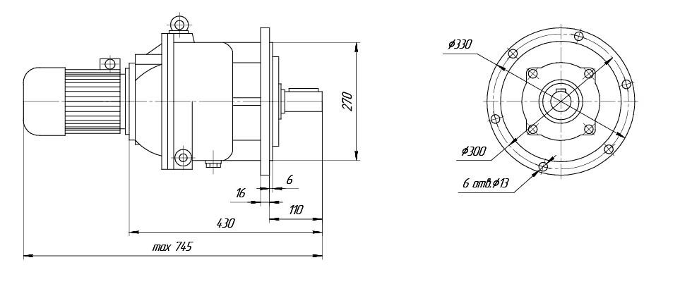
1. Тип мотор-редуктора.
2. Габарит редуктора.
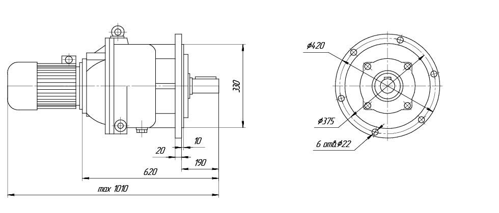
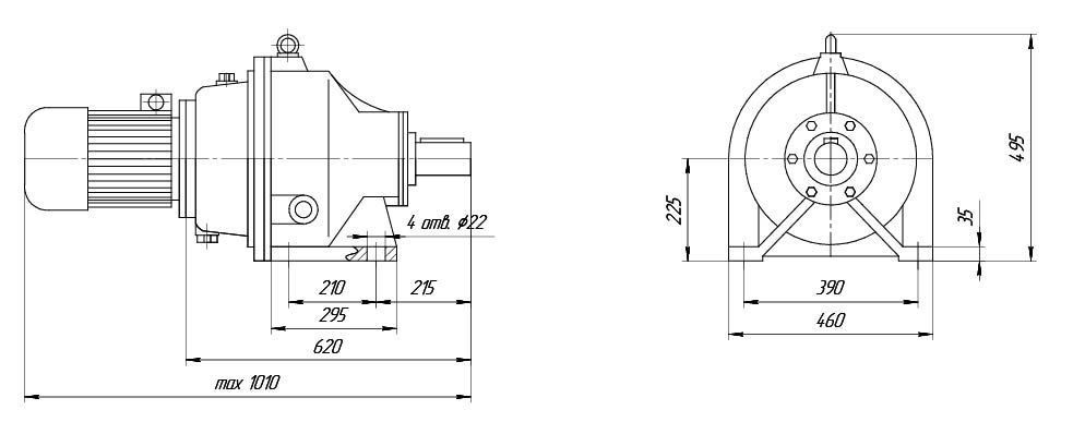
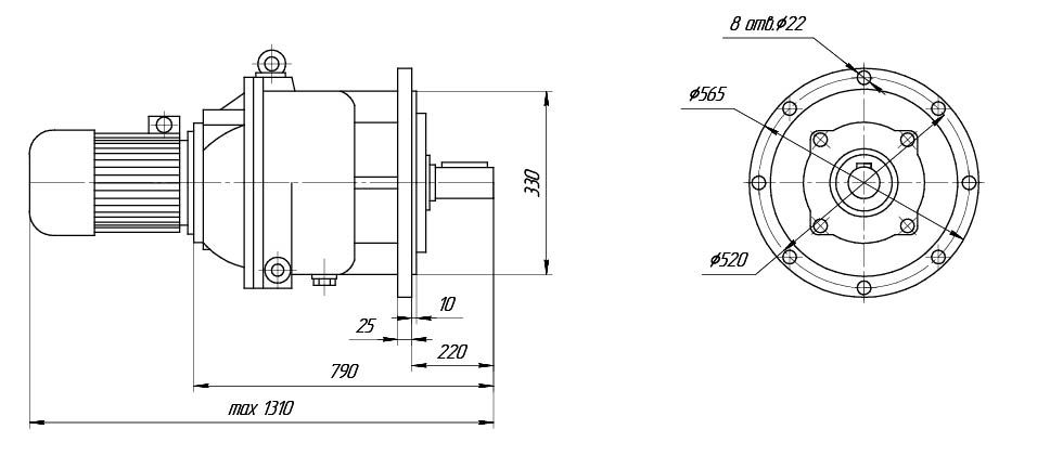
3. Исполнение по монтажу:
ВК – вертикальное с опорным фланцем, выходным валом вниз и кольцевой канавкой на нем для закрытого кольца, передающего осевые усилия;
Ф-2П – горизонтальное, фланцевое с полумуфтой;
Щ – горизонтальное на опорных лапах;
Ф – горизонтальное с опорным фланцем;
В - вертикальное с опорным фланцем, выходным валом вниз.
4. Передаточное число.
5. Мощность комплектующего электродвигателя, кВт.
6. Число оборотов выходного вала, об/мин.
7. Дополнительные опции.



ВК – вертикальное с опорным фланцем, выходным валом вниз и кольцевой канавкой на нем для закрытого кольца, передающего осевые усилия;
Ф-2П – горизонтальное, фланцевое с полумуфтой;
Щ – горизонтальное на опорных лапах;
Ф – горизонтальное с опорным фланцем;
В - вертикальное с опорным фланцем, выходным валом вниз.
| Типоразмер | Исполнение по монтажу | Номинальное передаточное число | Номинальная частота вращения выходного вала, об/мин | Номинальный крутящий момент на выходном валу Н.м | Допускаемая радиальная нагрузка | Масса редукторной части, кг | Масса мотор-редуктора, кг | Тип электро двигателя | Мощность электро двигателя |
| МПО1М-10-7,34-3/130 | В, ВК, Ф2В, Ф2П | 7,34 | 130 | 215 | 1500 | 45 | 115 | 4А112М6 | 3 |
| 155 | В112М6 | ||||||||
| МПО1М-10-7,34-5,5/130 | 395 | 130 | 4А132S6 | 5,5 | |||||
| 195 | B132S6 | ||||||||
| МПО1М-10-7,34-7,5/130 | 540 | 150 | 4А132М6 | 7,5 | |||||
| 205 | В132М6 | ||||||||
| МПО1М-10-5,74-3/170 | 5,74 | 170 | 165 | 115 | 4А112М6 | 3 | |||
| 155 | В112М6 | ||||||||
| МПО1М-10-5,74-5,5/170 | 305 | 135 | 4А132S6 | 5,5 | |||||
| 195 | B132S6 | ||||||||
| МПО1М-10-5,74-7,5/170 | 415 | 150 | 4A132M6 | 7,5 | |||||
| 205 | B132M6 | ||||||||
| МПО1М-10-7,34-3/195 | 145 | 90 | 4A100S4 | 3 | |||||
| 120 | B100S4 | ||||||||
| МПО1М-10-7,34-5,5/195 | 7,34 | 195 | 265 | 115 | 4А112М4 | 5,5 | |||
| 155 | В112М4 | ||||||||
| МПО1М-10-7,34-7,5/195 | 360 | 130 | 4А132S4 | 7,5 | |||||
| 195 | В132S4 | ||||||||
| МПО1М-10-7,34-11/195 | 530 | 150 | 4А132М4 | 11 | |||||
| 205 | В132М4 | ||||||||
| МПО1М-10-5,74-3/250 | 5,74 | 250 | 110 | 90 | 4A100S4 | 3 | |||
| 120 | B100S4 | ||||||||
| МПО1М-10-5,74-5,5/250 | 205 | 115 | 4A112M4 | 5,5 | |||||
| 155 | B112M4 | ||||||||
| МПО1М-10-5,74-7,5/250 | 280 | 135 | 4A132S4 | 7,5 | |||||
| 195 | B132S4 |




| Типоразмер | Исполнение по монтажу | Номинальное передаточное число | Номинальная частота вращения выходного вала, об/мин | Номинальный крутящий момент на выходном валу Н.м | Допускаемая радиальная нагрузка | Масса редукторной части, кг | Масса мотор-редуктора, кг | Тип электродвигателя | Мощность электродвигателя |
| МПО2М-10-2190-0,37/0,63 | В, ВК, Щ, Ф | 2190 | 0,63 | 600 | 3000 | 65 | 71 | 4АА63В4 | 0,37 |
| 85 | В63В4 | ||||||||
| МПО2М-10-208-0,37/6,3 | 208 | 6,3 | 495 | 71 | 4АА63В4 | 0,37 | |||
| 85 | В63В4 | ||||||||
| МПО2М-10-81,6-0,75/16 | 81,6 | 16 | 420 | 81 | 4АМХ71В4 | 0,75 | |||
| 88 | В71В4 | ||||||||
| МПО2М-10-66,5-0,75/20 | 66,5 | 20 | 335 | 81 | 4АМХ71В4 | 0,75 | |||
| 88 | В71В4 | ||||||||
| МПО2М-10-66,5-1,5/20 | 66,5 | 20 | 600 | 87 | 4АМХ80В4 | 1,5 | |||
| 97 | В80В4 | ||||||||
| МПО2М-10-45,5-0,75/31,5 | 45,5 | 31,5 | 215 | 81 | 4АМХ71В4 | 0,75 | |||
| 88 | В71В4 | ||||||||
| МПО2М-10-45,5-1,5/31,5 | 45,5 | 31,5 | 425 | 87 | 4АМХ80В4 | 1,5 | |||
| 97 | В80В4 | ||||||||
| МПО2М-10-28,2-0,75/50 | В, ВК, Щ, Ф | 28,2 | 50 | 135 | 3000 | 65 | 81 | 4АМХ71В4 | 0,75 |
| 88 | В71В4 | ||||||||
| МПО2М-10-28,2-1,5/50 | 28,2 | 50 | 270 | 87 | 4АМХ80В4 | 1,5 | |||
| 97 | В80В4 | ||||||||
| МПО2М-10-28,2-3/50 | 28,2 | 50 | 545 | 102 | 4АМХ100S4 | 3 | |||
| 142 | В100S4 | ||||||||
| МПО2М-10-23,1-3/63 | 23,1 | 63 | 430 | 102 | 4АМХ100S4 | 3 | |||
| 142 | В100S4 |




| Типоразмер | Исполнение по монтажу | Номинальное передаточное число | Номинальная частота вращения выходного вала, об/мин | Номинальный крутящий момент на выходном валу Н.м | Допускаемая радиальная нагрузка | Масса редукторной части, кг | Масса мотор-редуктора, кг | Тип электродвигателя | Мощность электродвигателя |
| МПО2М-15-2469-0,55/0,56 | В, ВК, Щ, Ф | 2469 | 0,56 | 2350 | 7000 | 163 | 186 | 4АМХ71А4 | 0,55 |
| 193 | В71А4 | ||||||||
| МПО2М-15-204-0,75/4,6 | 204 | 4,6 | 1370 | 190 | 4АМХ80А6 | 0,75 | |||
| 202 | В80А6 | ||||||||
| МПО2М-15-204-0,75/6,7 | 204 | 6,7 | 940 | 186 | 4АМХ71В4 | 0,75 | |||
| 195 | В71В4 | ||||||||
| МПО2М-15-101,7-1,5/14 | 101,7 | 14 | 930 | 191 | 4АМХ80В4 | 1,5 | |||
| 204 | В80В4 | ||||||||
| МПО2М-15-81,5-4/18 | 81,5 | 18 | 1930 | 206 | 4А100L4 | 4 | |||
| 241 | B100L4 | ||||||||
| МПО2М-15-81,5-3/18 | 81,5 | 18 | 1450 | 207 | 4АМХ100SА4 | 3 | |||
| 260 | 2В100SА4 | ||||||||
| МПО2М-15-46,9-5,5/31 | 46,9 | 31 | 1590 | 228 | 4АМ112МА4 | 5,5 | |||
| 270 | 2В112М4 | ||||||||
| МПО2М-15-32,1-5,5/45 | 32,1 | 45 | 1095 | 228 | 4АМ112МА4 | 5,5 | |||
| 270 | 2В112М4 | ||||||||
| МПО2М-15-32,1-7,5/45 | 32,1 | 45 | 1495 | 252 | 4АМ132S4 | 7,5 | |||
| 305 | 2В132S4 | ||||||||
| МПО2М-15-32,1-11/45 | 32,1 | 45 | 2195 | 267 | 4АМ132М4 | 11 | |||
| 315 | 2В132М4 | ||||||||
| МПО2М-15-24,6-7,5/59 | 24,6 | 59 | 1140 | 252 | 4АМ132S4 | 7,5 | |||
| 305 | 2В132S4 | ||||||||
| МПО2М-15-24,6-11/59 | 24,6 | 59 | 1675 | 267 | 4АМ132М4 | 11 | |||
| 315 | 2В132М4 |




ВК – вертикальное с опорным фланцем, выходным валом вниз и кольцевой канавкой на нем для закрытого кольца, передающего осевые усилия;
Ф-2П – горизонтальное, фланцевое с полумуфтой;
Щ – горизонтальное на опорных лапах;
Ф – горизонтальное с опорным фланцем;
В - вертикальное с опорным фланцем, выходным валом вниз.
| Типоразмер | Исполнение по монтажу | Номинальное передаточное число | Номинальная частота вращения выходного вала, об/мин | Номинальный крутящий момент на выходном валу Н.м | Допускаемая радиальная нагрузка | Масса редукторной части, кг | Масса мотор-редуктора, кг | Тип электродвигателя | Мощность электродвигателя |
| МПО2М-18-258-1,5/5.5 | В, ВК, Ф, Щ | 258 | 5,5 | 2265 | 12000 | 400 | 425 | 4А80В4 | 1,5 |
| 435 | В80В4 | ||||||||
| МПО2М-18-208-1,5/6,7 | 208 | 6,7 | 1860 | 425 | 4А80В4 | 1,5 | |||
| 435 | В80В4 | ||||||||
| МПО2М-18-96-3/15 | 96 | 15 | 1795 | 440 | 4А100SА4 | 3 | |||
| 480 | В100S4 | ||||||||
| МПО2М-18-81,6-5,5/18 | 81,6 | 18 | 2745 | 460 | 4А112М4 | 5,5 | |||
| 515 | В112М4 | ||||||||
| МПО2М-18-66,5-5,5/22 | 66,5 | 22 | 2195 | 460 | 4А112М4 | 5,5 | |||
| 515 | В112М4 | ||||||||
| МПО2М-18-66,5-7,5/22 | 66,5 | 22 | 2995 | 485 | 4А132S4 | 7,5 | |||
| 535 | В132S4 | ||||||||
| МПО2М-18-45,5-7,5/32 | 45,5 | 32 | 2105 | 485 | 4А132S4 | 7,5 | |||
| 535 | В132S4 | ||||||||
| МПО2М-18-45,5-11/32 | 45,5 | 32 | 3085 | 500 | 4А132М4 | 11 | |||
| 550 | В132М4 | ||||||||
| МПО2М-18-29,6-11/49 | 29,6 | 49 | 2015 | 500 | 4А132М4 | 11 | |||
| 550 | В132М4 | ||||||||
| МПО2М-18-29,6-15/49 | 29,6 | 49 | 2750 | 535 | 4А160S4 | 15 | |||
| 635 | В160S4 | ||||||||
| МПО2М-18-22,8-15/64 | 22,8 | 64 | 2125 | 535 | 4А160S4 | 15 | |||
| 635 | В160S4 |