Категория: Планетарные мотор-редукторы

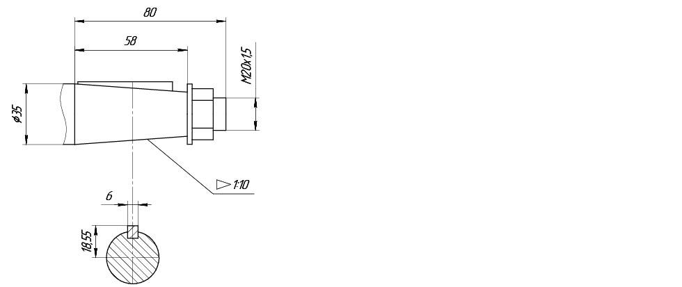
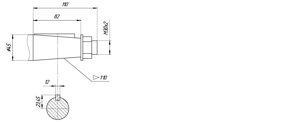
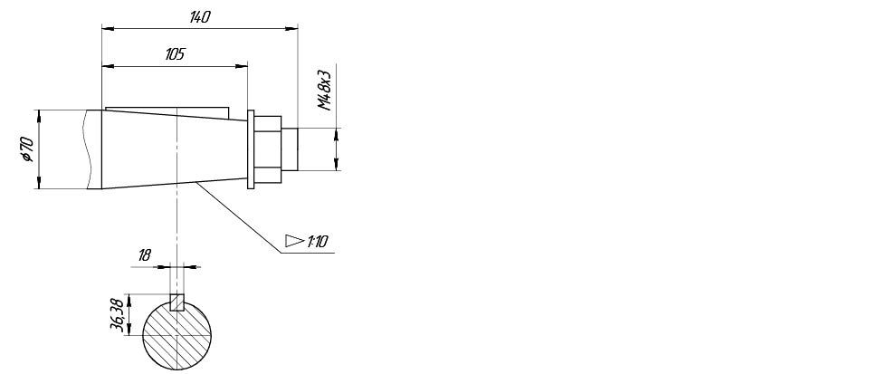
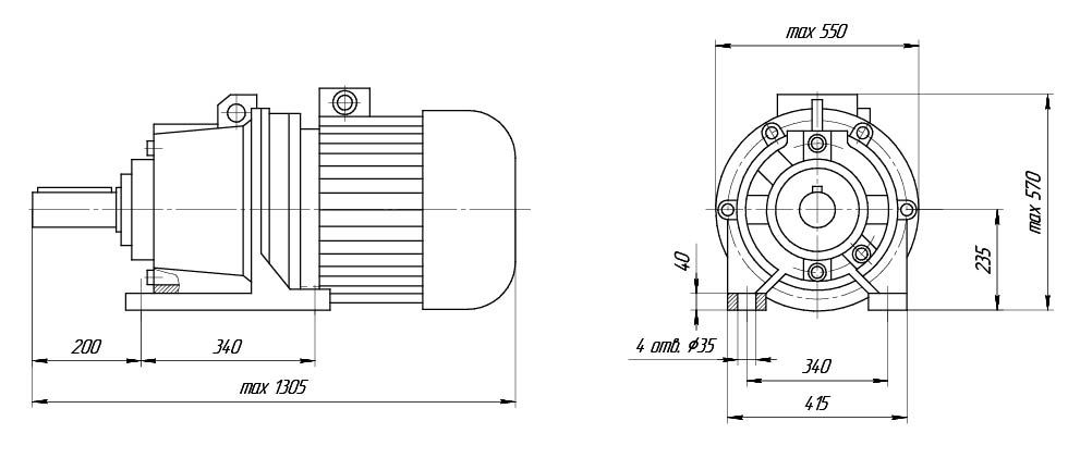
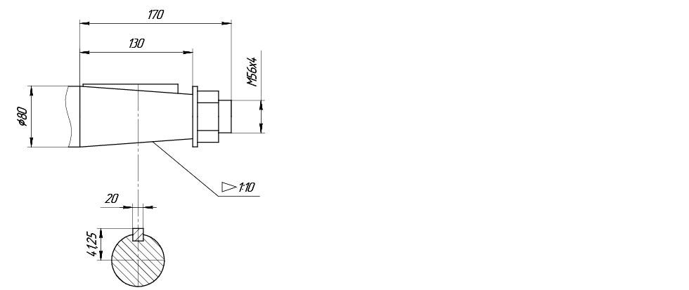
1. Тип мотор-редуктора.
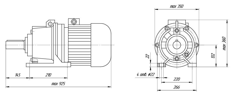
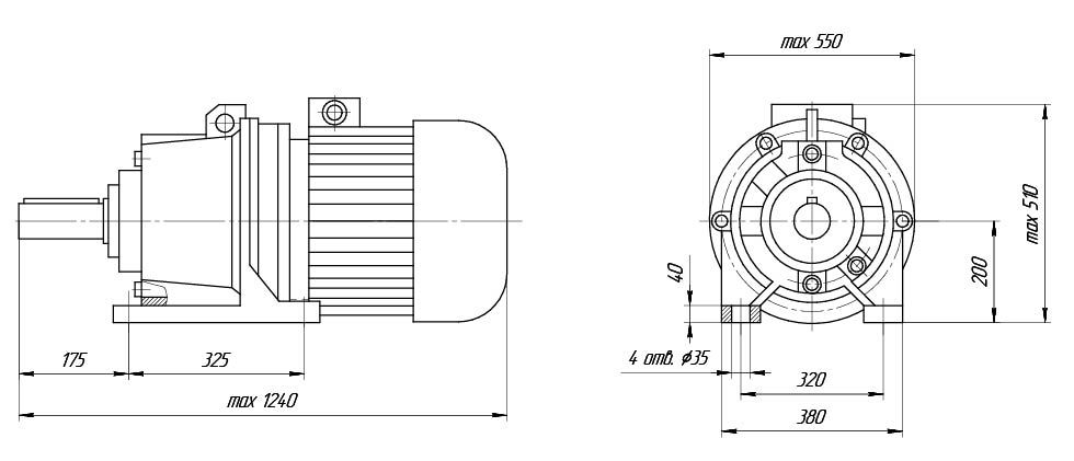
2. Габарит редуктора.
3. Номинальная частота вращения выходного вала, об/мин.
4. Мощность комплектующего электродвигателя, кВт.
5. Наличие электромагнитного тормоза у электродвигателя,
(Е- одинарный тормоз, ЕЕ- двойной тормоз,
Е(МШ)- одинарный малошумный тормоз,
ЕЕ(МШ)- двойной малошумный тормоз).
6. Конструктивное исполнение по способу монтажа.
7. Дополнительные опции.




| Номинальная частота вращения выходного вала, об.мин |
Номинальный крутящий момент на выходном валу, Н.м |
Комлектующий электродвигатель |
Допускаемая радиально -консольная нагрузка на выходном валу, Н |
КПД редукторной части, % |
Масса редукторной части, кг (не более) |
|
| Марка | Мощность,кВт | |||||
| Трехступенчатые | ||||||
| 3,55 | 230 | 63А6 | 0,18 | 3500 | 96 | 24 |
| 4,4 | 210 | 63А6 | 0,18 | |||
| 5,6 | 195 | 63А6 | 0,18 | |||
| 7,1 | 230 | 63А4 | 0,25 | |||
| 9 | 180 | 63А4 | 0,25 | |||
| 12,5 | 180 | 63А4 | 0,25 | |||
| 16 | 210 | 63А2 | 0,37 | |||
| Двухступенчатые | ||||||
| 18 | 190 | 80А8 | 0,37 | 3300 | 97 | 19 |
| 130 | 71В8 | 0,25 | ||||
| 22,4 | 225 | 80А8 | 0,55 | |||
| 105 | 71В8 | 0,25 | ||||
| 28 | 180 | 71В6 | 0,55 | |||
| 120 | 71А6 | 0,37 | ||||
| 35,5 | 195 | 71В4 | 0,75 | |||
| 145 | 71А4 | 0,55 | ||||
| 45 | 160 | 71В4 | 0,75 | |||
| 115 | 71А4 | 0,55 | ||||
| 56 | 180 | 71В2 | 1,1 | |||
| 120 | 71А2 | 0,75 | ||||
| 71 | 195 | 80А2 | 1,5 | |||
| 145 | 71В2 | 1,1 | ||||
| 90 | 225 | 80А2 | 2,2 | |||
| 115 | 71В2 | 1,1 | ||||
| Одноступенчатые | ||||||
| 112 | 185 | 100L6 | 2,2 | 1800 | 98 | 23 |
| 125 | 90L6 | 1,5 | ||||
| 140 | 200 | 100S4 | 3 | |||
| 145 | 90L4 | 2,2 | ||||
| 180 | 210 | 100L4 | 4 | |||
| 115 | 90L4 | 2,2 | ||||
| 280 | 185 | 100L2 | 5,5 | |||
| 135 | 100S2 | 4 | ||||


1. Тип мотор-редуктора.
2. Габарит редуктора.
3. Номинальная частота вращения выходного вала, об/мин.
4. Мощность комплектующего электродвигателя, кВт.
5. Наличие электромагнитного тормоза у электродвигателя,
(Е- одинарный тормоз, ЕЕ- двойной тормоз,
Е(МШ)- одинарный малошумный тормоз,
ЕЕ(МШ)- двойной малошумный тормоз).
6. Конструктивное исполнение по способу монтажа.
7. Дополнительные опции.




| Номинальная частота вращения выходного вала, об.мин |
Номинальный крутящий момент на выходном валу, Н.м |
Комлектующий электродвигатель |
Допускаемая радиально -консольная нагрузка на выходном валу, Н |
КПД редукторной части, % |
Масса редукторной части, кг (не более) |
|
| Марка | Мощность,кВт | |||||
| Трехступенчатые | ||||||
| 3,55 | 375 | 63A6 | 0,18 | 4540 | 96 | 35 |
| 4,4 | 330 | 63A6 | 0,18 | |||
| 5,6 | 375 | 63B6 | 0,25 | |||
| 7,1 | 375 | 63B4 | 0,37 | |||
| 9 | 330 | 63B4 | 0,37 | |||
| 12,5 | 375 | 63B2 | 0,55 | |||
| 16 | 330 | 63B2 | 0,55 | |||
| Двухступенчатые | ||||||
| 18 | 375 | 90LA8 | 0,75 | 4200 | 97 | 32 |
| 280 | 80B8 | 0,55 | ||||
| 22,4 | 375 | 80B6 | 1,1 | |||
| 225 | 71B6 | 0,55 | ||||
| 28 | 364 | 80B6 | 1,1 | |||
| 250 | 80A6 | 0,75 | ||||
| 35,5 | 375 | 80B4 | 1,5 | |||
| 285 | 80A4 | 1,1 | ||||
| 45 | 308 | 80B4 | 1,5 | |||
| 225 | 80A4 | 1,1 | ||||
| 56 | 365 | 90L4 | 2,2 | |||
| 248 | 80B4 | 1,5 | ||||
| 71 | 375 | 90L2 | 3 | |||
| 280 | 80B2 | 2,2 | ||||
| 90 | 310 | 90L2 | 3 | |||
| 225 | 80B2 | 2,2 | ||||
| Одноступенчатые | ||||||
| 112 | 340 | 112MB6 | 4 | 2400 | 98 | 35 |
| 250 | 112MA6 | 3 | ||||
| 140 | 340 | 132S6 | 5,5 | |||
| 260 | 112MB6 | 4 | ||||
| 180 | 375 | 132S4 | 7,5 | |||
| 235 | 112M4 | 5,5 | ||||
| 224 | 375 | 132S4 | 7,5 | |||
| 230 | 112M4 | 5,5 | ||||
| 280 | 375 | 132M4 | 11 | |||
| 250 | 132S4 | 7,5 | ||||


1. Тип мотор-редуктора.
2. Габарит редуктора.
3. Номинальная частота вращения выходного вала, об/мин.
4. Мощность комплектующего электродвигателя, кВт.
5. Наличие электромагнитного тормоза у электродвигателя,
(Е- одинарный тормоз, ЕЕ- двойной тормоз,
Е(МШ)- одинарный малошумный тормоз,
ЕЕ(МШ)- двойной малошумный тормоз).
6. Конструктивное исполнение по способу монтажа.
7. Дополнительные опции.




| Номинальная частота вращения выходного вала, об.мин |
Номинальный крутящий момент на выходном валу, Н.м |
Комлектующий электродвигатель |
Допускаемая радиально -консольная нагрузка на выходном валу, Н |
КПД редукторной части, % |
Масса редукторной части, кг (не более) |
|
| Марка | Мощность,кВт | |||||
| Трехступенчатые | ||||||
| 3,55 | 638 | 71B8 | 0,25 | 6550 | 96 | 53 |
| 4.4 | 700 | 80A8 | 0,37 | |||
| 550 | 71B8 | 0,25 | ||||
| 5,6 | 750 | 71B6 | 0,55 | |||
| 570 | 71A6 | 0,37 | ||||
| 7,1 | 695 | 71A4 | 0,55 | |||
| 9 | 750 | 71B4 | 0,75 | |||
| 555 | 71A4 | 0,55 | ||||
| 12,5 | 750 | 71A2 | 1,1 | |||
| 525 | 71B2 | 0,75 | ||||
| 16 | 650 | 71B2 | 1,1 | |||
| 445 | 71A2 | 0,75 | ||||
| Двухступенчатые | ||||||
| 18 | 750 | 100L8 | 1,5 | 6420 | 97 | 48 |
| 570 | 90LB8 | 1,1 | ||||
| 22,4 | 750 | 100L6 | 2,2 | |||
| 570 | 90L6 | 1,5 | ||||
| 28 | 730 | 100L6 | 2,2 | |||
| 495 | 90L6 | 1,5 | ||||
| 35,5 | 750 | 100S4 | 3 | |||
| 570 | 90L4 | 2,2 | ||||
| 45 | 660 | 100S4 | 3 | |||
| 480 | 90L4 | 2,2 | ||||
| 56 | 680 | 100L4 | 4 | |||
| 510 | 100S4 | 3 | ||||
| 71 | 730 | 100L2 | 5,5 | |||
| 530 | 100S2 | 4 | ||||
| 90 | 570 | 100L2 | 5,5 | |||
| 415 | 100S2 | 4 | ||||
| Одноступенчатые | ||||||
| 112 | 620 | 132M6 | 7,5 | 3430 | 98 | 55 |
| 455 | 132S6 | 5,5 | ||||
| 140 | 750 | 160S6 | 11 | |||
| 510 | 132M6 | 7,5 | ||||
| 180 | 750 | 160S4 | 15 | |||
| 570 | 132M4 | 11 | ||||
| 224 | 610 | 160S4 | 15 | |||
| 450 | 132M4 | 11 | ||||


1. Тип мотор-редуктора.
2. Габарит редуктора.
3. Номинальная частота вращения выходного вала, об/мин.
4. Мощность комплектующего электродвигателя, кВт.
5. Наличие электромагнитного тормоза у электродвигателя,
(Е- одинарный тормоз, ЕЕ- двойной тормоз,
Е(МШ)- одинарный малошумный тормоз,
ЕЕ(МШ)- двойной малошумный тормоз).
6. Конструктивное исполнение по способу монтажа.
7. Дополнительные опции.




| Номинальная частота вращения выходного вала, об.мин |
Номинальный крутящий момент на выходном валу, Н.м |
Комлектующий электродвигатель |
Допускаемая радиально -консольная нагрузка на выходном валу, Н |
КПД редукторной части, % |
Масса редукторной части, кг (не более) |
|
| Марка | Мощность,кВт | |||||
| Трехступенчатые | ||||||
| 3,55 | 1975 | 90LA8 | 0,75 | 11000 | 96 | 150 |
| 1450 | 80B8 | 0,55 | ||||
| 4,4 | 1593 | 90LA8 | 0,75 | |||
| 1168 | 80B8 | 0,55 | ||||
| 5,6 | 1836 | 80B6 | 1,1 | |||
| 1252 | 80A6 | 0,75 | ||||
| 7,1 | 1975 | 80B4 | 1,5 | |||
| 1450> | 80A4 | 1,1 | ||||
| 9 | 2285 | 90L4 | 2,2 | |||
| 1558 | 80B4 | 1,5 | ||||
| 12,5 | 2244 | 90L2 | 3 | |||
| 1645 | 80B2 | 2,2 | ||||
| 16 | 1752 | 90L2 | 3 | |||
| 1285 | 80B2 | 2,2 | ||||
| Двухступенчатые | ||||||
| 18 | 2077 | 132S8 | 4 | 11000 | 97 | 170 |
| 1558 | 112MB8 | 3 | ||||
| 22,4 | 2295 | 132S6 | 5,5 | |||
| 1669 | 112MB6 | 4 | ||||
| 28 | 1836 | 132S6 | 5,5 | |||
| 1335 | 112MB6 | 4 | ||||
| 35,5 | 1975 | 132S4 | 7,5 | |||
| 1450 | 112L4 | 5,5 | ||||
| 45 | 2285 | 132M4 | 11 | |||
| 1558 | 132S4 | 7,5 | ||||
| 56 | 1836 | 132M4 | 11 | |||
| 1252 | 132S4 | 7,5 | ||||
| 71 | 1975 | 160S2 | 15 | |||
| 1450 | 132M2 | 11 | ||||
| 90 | 1558 | 160S2 | 15 | |||
| 1142 | 132M2 | 11 | ||||
| Одноступенчатые | ||||||
| 112 | 1836 | 180M6 | 22 | 7500 | 98 | 200 |
| 1544 | 180S6 | 18,5 | ||||
| 140 | 2000 | 200L6 | 30 | |||
| 1470 | 200M6 | 22 | ||||
| 180 | 1920 | 200M4 | 37 | |||
| 1555 | 180M4 | 30 | ||||
| 224 | 1875 | 225M4 | 45 | |||
| 1541 | 200M4 | 37 | ||||
| 280 | 1518 | 200L4 | 45 | |||


1. Тип мотор-редуктора.
2. Габарит редуктора.
3. Номинальная частота вращения выходного вала, об/мин.
4. Мощность комплектующего электродвигателя, кВт.
5. Наличие электромагнитного тормоза у электродвигателя,
(Е- одинарный тормоз, ЕЕ- двойной тормоз,
Е(МШ)- одинарный малошумный тормоз,
ЕЕ(МШ)- двойной малошумный тормоз).
6. Конструктивное исполнение по способу монтажа.
7. Дополнительные опции.




| Номинальная частота вращения выходного вала, об.мин |
Номинальный крутящий момент на выходном валу, Н.м |
Комлектующий электродвигатель |
Допускаемая радиально -консольная нагрузка на выходном валу, Н |
КПД редукторной части, % |
Масса редукторной части, кг (не более) |
|
| Марка | Мощность,кВт | |||||
| Трехступенчатые | ||||||
| 3,55 | 3950 | 100L8 | 1,5 | 13000 | 96 | 310 |
| 2897 | 90LB8 | 1,1 | ||||
| 4,4 | 3187 | 100L8 | 1,5 | |||
| 2338 | 90LB8 | 1,1 | ||||
| 5,6 | 3673 | 100LA6 | 2,2 | |||
| 2504 | 90L6 | 1,5 | ||||
| 7,1 | 3950 | 100S4 | 3 | |||
| 2897 | 90L4 | 2,2 | ||||
| 9 | 4155 | 100L4 | 4 | |||
| 3116 | 100S4 | 3 | ||||
| 12,5 | 4114 | 100L2 | 5,5 | |||
| 2995 | 100S2 | 4 | ||||
| 16 | 3214 | 100L2 | 5,5 | |||
| 2338 | 100S2 | 4 | ||||
| Двухступенчатые | ||||||
| 18 | 3895 | 160S8 | 7,5 | 13000 | 97 | 290 |
| 2857 | 132M8 | 5,5 | ||||
| 22,4 | 4591 | 160S6 | 11 | |||
| 3130 | 132M6 | 7,5 | ||||
| 28 | 3673 | 160S4 | 11 | |||
| 2504 | 132M6 | 7,5 | ||||
| 35,5 | 3950 | 160S4 | 15 | |||
| 2897 | 132M4 | 11 | ||||
| 45 | 4570 | 180S4 | 22 | |||
| 3115 | 160S4 | 15 | ||||
| 56 | 3672 | 180S4 | 22 | |||
| 2503 | 160S4 | 15 | ||||
| 71 | 3950 | 180M2 | 30 | |||
| 2897 | 180S2 | 22 | ||||
| 90 | 3116 | 180M2 | 30 | |||
| 2285 | 180S2 | 22 | ||||
| Одноступенчатые | ||||||
| 112 | 3756 | 250S6 | 45 | 13000 | 98 | 280 |
| 3088 | 225M6 | 37 | ||||
| 140 | 3673 | 250M6 | 55 | |||
| 3005 | 250S6 | 45 | ||||
| 140 | 3673 | 250M6 | 55 | |||
| 3005 | 250S6 | 45 | ||||
| 224 | 3756 | 250M4 | 90 | |||
| 3130 | 250S4 | 75 | ||||
| 280 | 3037 | 250M4 | 90 | |||
| 2531 | 250S4 | 75 | ||||


1. Тип мотор-редуктора.
2. Габарит редуктора.
3. Номинальная частота вращения выходного вала, об/мин.
4. Мощность комплектующего электродвигателя, кВт.
5. Наличие электромагнитного тормоза у электродвигателя,
(Е- одинарный тормоз, ЕЕ- двойной тормоз,
Е(МШ)- одинарный малошумный тормоз,
ЕЕ(МШ)- двойной малошумный тормоз).
6. Конструктивное исполнение по способу монтажа.
7. Дополнительные опции.




| Номинальная частота вращения выходного вала, об.мин |
Номинальный крутящий момент на выходном валу, Н.м |
Комлектующий электродвигатель |
Допускаемая радиально -консольная нагрузка на выходном валу, Н |
КПД редукторной части, % |
Масса редукторной части, кг (не более) |
|
| Марка | Мощность,кВт | |||||
| Трехступенчатые | ||||||
| 3,55 | 230 | 63А6 | 0,18 | 3500 | 96 | 24 |
| 4,4 | 210 | 63А6 | 0,18 | |||
| 5,6 | 195 | 63А6 | 0,18 | |||
| 7,1 | 230 | 63А4 | 0,25 | |||
| 9 | 180 | 63А4 | 0,25 | |||
| 12,5 | 180 | 63А4 | 0,25 | |||
| 16 | 210 | 63А2 | 0,37 | |||
| Двухступенчатые | ||||||
| 18 | 190 | 80А8 | 0,37 | 3300 | 97 | 19 |
| 130 | 71В8 | 0,25 | ||||
| 22,4 | 225 | 80А8 | 0,55 | |||
| 105 | 71В8 | 0,25 | ||||
| 28 | 180 | 71В6 | 0,55 | |||
| 120 | 71А6 | 0,37 | ||||
| 35,5 | 195 | 71В4 | 0,75 | |||
| 145 | 71А4 | 0,55 | ||||
| 45 | 160 | 71В4 | 0,75 | |||
| 115 | 71А4 | 0,55 | ||||
| 56 | 180 | 71В2 | 1,1 | |||
| 120 | 71А2 | 0,75 | ||||
| 71 | 195 | 80А2 | 1,5 | |||
| 145 | 71В2 | 1,1 | ||||
| 90 | 225 | 80А2 | 2,2 | |||
| 115 | 71В2 | 1,1 | ||||
| Одноступенчатые | ||||||
| 112 | 185 | 100L6 | 2,2 | 1800 | 98 | 23 |
| 125 | 90L6 | 1,5 | ||||
| 140 | 200 | 100S4 | 3 | |||
| 145 | 90L4 | 2,2 | ||||
| 180 | 210 | 100L4 | 4 | |||
| 115 | 90L4 | 2,2 | ||||
| 280 | 185 | 100L2 | 5,5 | |||
| 135 | 100S2 | 4 | ||||
