Муфта сильфонная

Описание муфты сильфонной

Безлюфтовые муфты с  высокой точностью передачи крутящего момента и высокой торсионной жесткостью.

Преимущества сильфонной муфты

Благодаря гибкости при радиальном , угловом и осевом смещении, сильфонная муфта снижает нагрузку на подшипник, что увеличивает срок службы подшипника и сокращает расходы на обслуживание оборудования. Высокая температура использования сильфонной муфты - до 300 град по С. Благодаря конструктивным особенностям, сильфонная  муфта выдерживает краткосрочные пиковые нагрузки, равные удвоенному значению номинального крутящего момента ,

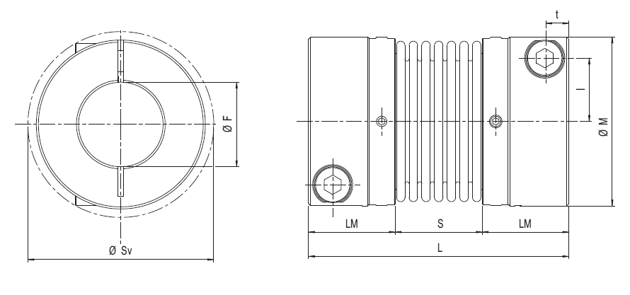
Конструкция сильфонной муфты 

Муфты поставляются полностью готовыми к использованию, упакованы в индивидуальный контейнер, что позволяет предотвратить попадание влаги при транспортировке и хранении.

Основные требования для безопасной передачи крутящего момента:

  • допуск - Н5;
  • шероховатость - Ra max 1,6

Область применения

Сильфонные муфты  идеально подходят для сервоприводов, где требуется высокая жесткость при кручении, отсутствие люфта при передаче крутящего момента, низкая  инерция  и высокая надежность.