1. Модель редуктора.


| Параметры | Типоразмер 1Ц2У | ||
| 1Ц2У 100 | |||
| Номинальные передаточные числа | 8; 10; 12,5; 16; 20; 25; 31,5; 40 | ||
| Ном. крутящий момент на вых. валу при длительной работе с постоянной нагрузкой, Нм |
непрерывный (Н) ПВ=100% | 315 | |
| Номинальный крутящий момент на вых. валу при работе редуктора в повторно-кратковременных режимах, Нм |
тяжелый (Т) ПВ=40% | 315 | |
| средний (С) ПВ=25% | |||
| легкий (Л) ПВ=15% |
|||
| Допускаемая радиальная консольная нагрузка, приложенная в середине посадочной части вала, Н |
входного | непрерывный (Н) ПВ=100% | 500 |
| тяжелый (Т) ПВ=40% | |||
| средний (С) ПВ=25% | |||
| легкий (Л) ПВ=15% |
|||
| выходного | непрерывный(Н) ПВ=100% | 4500 | |
| тяжелый (Т) ПВ=40% | |||
| средний (С) ПВ=25% | |||
| легкий (Л) ПВ=15% |
|||
| КПД, не менее | 0,97 | ||
| Масса, кг | с чугунным корпусом | 37 | |
| с алюминиевым корпусом | 21 | ||


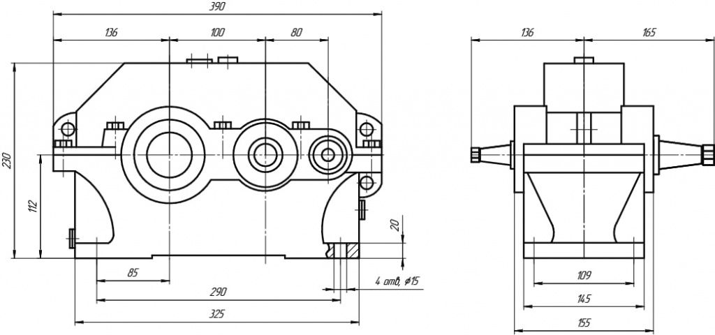
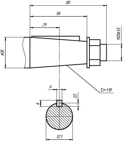
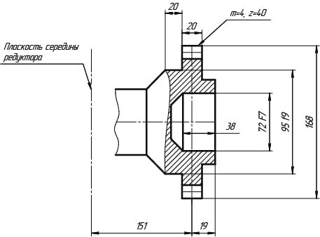
5. Ц - цилиндрический выходной вал.


| Параметры | Типоразмер 1Ц2У | ||
| 1Ц2У 125 | |||
| Номинальные передаточные числа | 8; 10; 12,5; 16; 20; 25; 31,5; 40 | ||
| Ном. крутящий момент на вых. валу при длительной работе с постоянной нагрузкой, Нм |
непрерывный (Н) ПВ=100% | 630 | |
| Номинальный крутящий момент на вых. валу при работе редуктора в повторно-кратковременных режимах, Нм |
тяжелый (Т) ПВ=40% | 630 | |
| средний (С) ПВ=25% | |||
| легкий (Л) ПВ=15% |
|||
| Допускаемая радиальная консольная нагрузка, приложенная в середине посадочной части вала, Н |
входного | непрерывный (Н) ПВ=100% | 750 |
| тяжелый (Т) ПВ=40% | |||
| средний (С) ПВ=25% | |||
| легкий (Л) ПВ=15% |
|||
| выходного | непрерывный(Н) ПВ=100% | 6300 | |
| тяжелый (Т) ПВ=40% | |||
| средний (С) ПВ=25% | |||
| легкий (Л) ПВ=15% |
|||
| КПД, не менее | 0,97 | ||
| Масса, кг | с чугунным корпусом | 55 | |
| с алюминиевым корпусом | 31,5 | ||


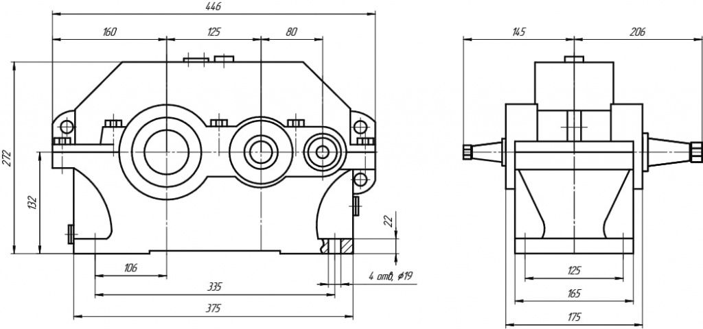
1. Модель редуктора.
2. Габарит редуктора.
3. Передаточное число.
4. Вариант сборки.
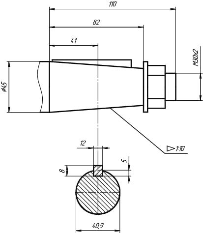
5. Ц - цилиндрический выходной вал.



| Параметры | Типоразмер 1Ц2У | ||
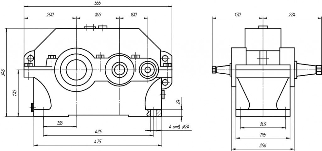
| 1Ц2У 160 | |||
| Номинальные передаточные числа | 8; 10; 12,5; 16; 20; 25; 31,5; 40 | ||
| Ном. крутящий момент на вых. валу при длительной работе с постоянной нагрузкой, Нм |
непрерывный (Н) ПВ=100% | 1250 | |
| Номинальный крутящий момент на вых. валу при работе редуктора в повторно-кратковременных режимах, Нм |
тяжелый (Т) ПВ=40% | 1600 | |
| средний (С) ПВ=25% | 2000 | ||
| легкий (Л) ПВ=15% |
2500 | ||
| Допускаемая радиальная консольная нагрузка, приложенная в середине посадочной части вала, Н |
входного | непрерывный (Н) ПВ=100% | 1000 |
| тяжелый (Т) ПВ=40% | 1150 | ||
| средний (С) ПВ=25% | 1280 | ||
| легкий (Л) ПВ=15% |
1450 | ||
| выходного | непрерывный(Н) ПВ=100% | 9000 | |
| тяжелый (Т) ПВ=40% | 10000 | ||
| средний (С) ПВ=25% | 11200 | ||
| легкий (Л) ПВ=15% |
12500 | ||
| КПД, не менее | 0,97 | ||
| Масса, кг | с чугунным корпусом | 95 | |
| с алюминиевым корпусом | 57 | ||
Варианты сборки 

1. Модель редуктора.
2. Габарит редуктора.
3. Передаточное число.
4. Вариант сборки.
5. Ц - цилиндрический выходной вал.


| Параметры | Типоразмер 1Ц2У | ||||||
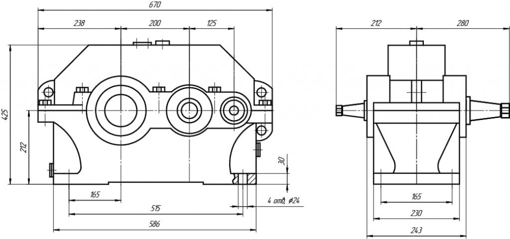
| 1Ц2У 200 | |||||||
| Номинальные передаточные числа | 8; 10; 12,5; 16; 20; 25; 31,5; 40 | ||||||
| Ном. крутящий момент на вых. валу при длительной работе с постоянной нагрузкой, Нм |
непрерывный (Н) ПВ=100% | 2500 | |||||
| Номинальный крутящий момент на вых. валу при работе редуктора в повторно-кратковременных режимах, Нм |
тяжелый (Т) ПВ=40% | 3150 | |||||
| средний (С) ПВ=25% | 4000 | ||||||
| легкий (Л) ПВ=15% |
5000 | ||||||
| Допускаемая радиальная консольная нагрузка, приложенная в середине посадочной части вала, Н |
входного | непрерывный (Н) ПВ=100% | 2240 | ||||
| тяжелый (Т) ПВ=40% | 2500 | ||||||
| средний (С) ПВ=25% | 2800 | ||||||
| легкий (Л) ПВ=15% |
3150 | ||||||
| выходного | непрерывный(Н) ПВ=100% | 12500 | |||||
| тяжелый (Т) ПВ=40% | 14000 | ||||||
| средний (С) ПВ=25% | 16000 | ||||||
| легкий (Л) ПВ=15% |
18000 | ||||||
| КПД, не менее | 0,97 | ||||||
| Масса, кг | с чугунным корпусом | 170 | |||||
| с алюминиевым корпусом | - | ||||||


1. Модель редуктора.
2. Габарит редуктора.
3. Передаточное число.
4. Вариант сборки.
5. Ц - цилиндрический выходной вал.



| Параметры | Типоразмер 1Ц2У | ||||||
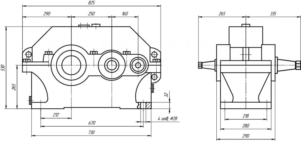
| 1Ц2У 250 | |||||||
| Номинальные передаточные числа | 8; 10; 12,5; 16; 20; 25; 31,5; 40 | ||||||
| Ном. крутящий момент на вых. валу при длительной работе с постоянной нагрузкой, Нм |
непрерывный (Н) ПВ=100% | 5000 | |||||
| Номинальный крутящий момент на вых. валу при работе редуктора в повторно-кратковременных режимах, Нм |
тяжелый (Т) ПВ=40% | 6300 | |||||
| средний (С) ПВ=25% | 8000 | ||||||
| легкий (Л) ПВ=15% |
10000 | ||||||
| Допускаемая радиальная консольная нагрузка, приложенная в середине посадочной части вала, Н |
входного | непрерывный (Н) ПВ=100% | 3150 | ||||
| тяжелый (Т) ПВ=40% | 3550 | ||||||
| средний (С) ПВ=25% | 4000 | ||||||
| легкий (Л) ПВ=15% |
4500 | ||||||
| выходного | непрерывный(Н) ПВ=100% | 18000 | |||||
| тяжелый (Т) ПВ=40% | 20000 | ||||||
| средний (С) ПВ=25% | 22400 | ||||||
| легкий (Л) ПВ=15% |
25000 | ||||||
| КПД, не менее | 0,97 | ||||||
| Масса, кг | с чугунным корпусом | 310 | |||||
| с алюминиевым корпусом | - | ||||||
