Условное обозначение:

1. Модель редуктора, число ступеней-3.
2. Габарит редуктора. (Н- передача новикова)
3. Передаточное число.
4. Вариант сборки.
5. Исполнение валов, Цвх/Квых (вх- входной вал, вых- выходной вал),
(Ц - цилиндрический вал,
К - конический вал,
Пшл - полый шлицевой вал,
Пшп- полый вал со шпоночным пазом,
М- вал в виде части зубчатой муфты).
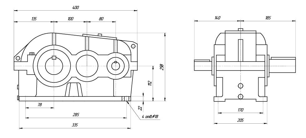
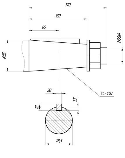
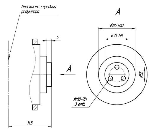
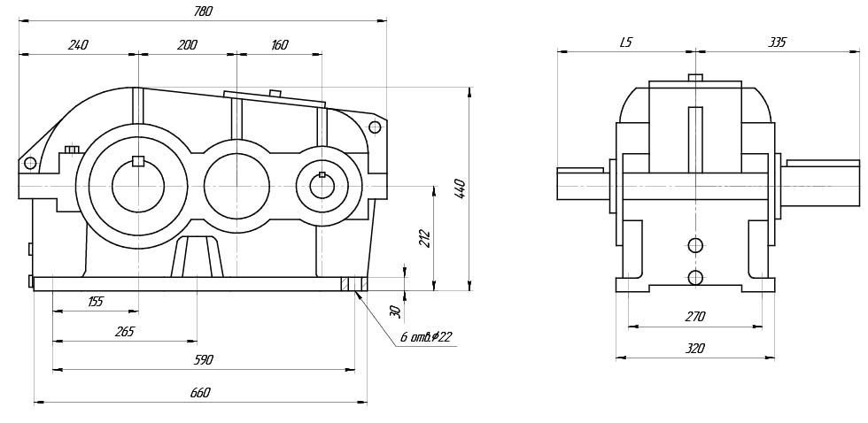
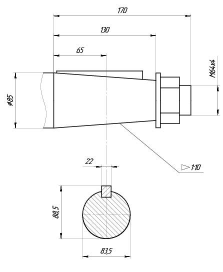
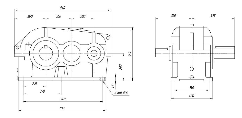
Габаритные и присоединительные размеры:
2Ц2-100

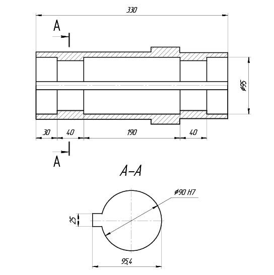
Исполнение входного вала (цилиндрический)

Исполнение входного вала (цилиндрический)

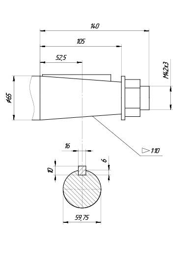
Исполнение входного вала (конический) Исполнение выходного вала (конический)

Исполнение выходного вала (зубчатая полумуфта) Исполнение выходного вала (для присоединения приборов автоматики)

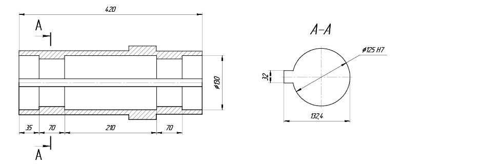
Исполнение выходного вала (полый шпоночный)

Таблица подбора редуктора
| Тип редуктора |
Передаточное число |
Номинальный крутящий момент на выходном валу, Нм |
Номинальная передаваемая мощность, кВт |
Допускаемая радиальная консольная нагрузка приложенная в середине посадочной части вала, Н |
Масса, кг, не более |
| min |
max |
min |
max |
Выход. |
Вход. |
| min |
max |
min |
max |
| 2Ц2-100Н |
6,3; 8; 10; 12,5; 16; 20; 25; 31,5; 40; 50; 63; 80; 100; 125;160 |
475 |
63 0 |
2 |
12 |
5300 |
6300 |
190 |
710 |
43 |
| 2Ц2-125Н |
1200 |
1250 |
6 |
30 |
8500 |
9000 |
530 |
1120 |
89 |
| 2Ц2-160Н |
2000 |
2000 |
10 |
50 |
10000 |
11000 |
670 |
2000 |
135 |
| 2Ц2-200Н |
3800 |
5000 |
19 |
112 |
15400 |
17700 |
900 |
3500 |
263 |
| 2Ц2-250Н |
7000 |
7500 |
38 |
175 |
21000 |
28000 |
2000 |
3200 |
585 |
| 2Ц2-280Н |
9500 |
10000 |
50 |
237 |
24000 |
25000 |
2200 |
4750 |
760 |
Схемы сборки по ГОСТ 20373-94

Примечание:
- Редуктор 2Ц2-100Н схем сборок 31, 32, 33, 34, 35, 36 с i=20; 25; 31,5; 40 не изготавливается.
- Редуктор 2Ц2-100Н с передаточным отношениями 25; 31,5; 40 с полым тихоходным валом не изготавливается.
- Редуктор 2Ц2-125Н и 2Ц2-250Н с передаточными отношениями 25; 31,5 с полым тихоходным валом не изготавливается.
- Редуктор 2Ц2-160Н с передаточным отношением 31,5 с полым тихоходным валом не изготавливается.
- Редуктор 2Ц2-200Н с передаточным отношением 31,5 с полым шлицевым тихоходным валом не изготавливается.
Условное обозначение:

1. Модель редуктора, число ступеней-3.
2. Габарит редуктора. (Н- передача новикова)
3. Передаточное число.
4. Вариант сборки.
5. Исполнение валов, Цвх/Квых (вх- входной вал, вых- выходной вал),
(Ц - цилиндрический вал,
К - конический вал,
Пшл - полый шлицевой вал,
Пшп- полый вал со шпоночным пазом,
М- вал в виде части зубчатой муфты).
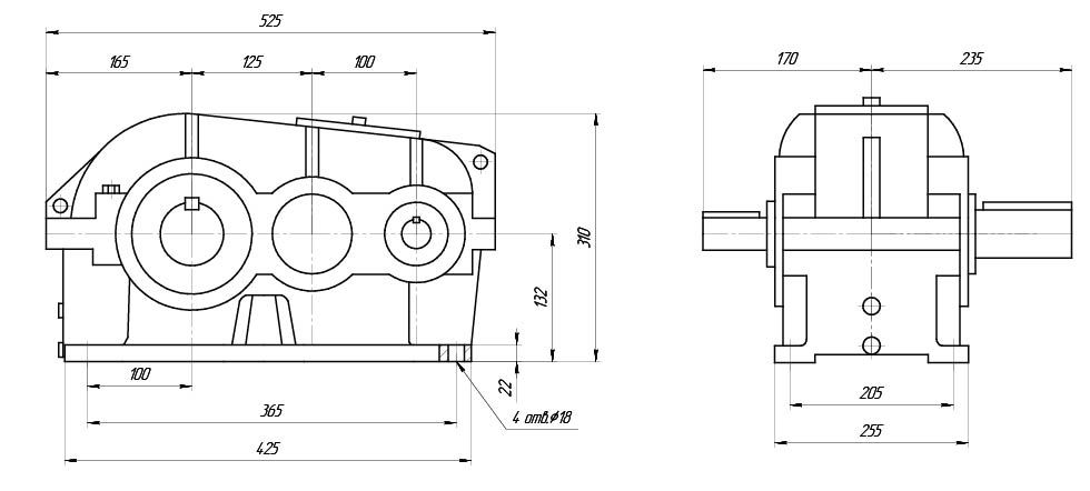
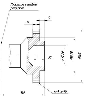
Габаритные и присоединительные размеры:
2Ц2-125

Исполнение входного вала (цилиндрический)

Исполнение входного вала (цилиндрический)

Исполнение входного вала (конический) Исполнение выходного вала (конический)

Исполнение выходного вала (зубчатая полумуфта) Исполнение выходного вала (для присоединения приборов автоматики)

Исполнение выходного вала (полый шпоночный)

Таблица подбора редуктора
| Тип редуктора |
Передаточное число |
Номинальный крутящий момент на выходном валу, Нм |
Номинальная передаваемая мощность, кВт |
Допускаемая радиальная консольная нагрузка приложенная в середине посадочной части вала, Н |
Масса, кг, не более |
| min |
max |
min |
max |
Выход. |
Вход. |
| min |
max |
min |
max |
| 2Ц2-100Н |
6,3; 8; 10; 12,5; 16; 20; 25; 31,5; 40; 50; 63; 80; 100; 125;160 |
475 |
63 0 |
2 |
12 |
5300 |
6300 |
190 |
710 |
43 |
| 2Ц2-125Н |
1200 |
1250 |
6 |
30 |
8500 |
9000 |
530 |
1120 |
89 |
| 2Ц2-160Н |
2000 |
2000 |
10 |
50 |
10000 |
11000 |
670 |
2000 |
135 |
| 2Ц2-200Н |
3800 |
5000 |
19 |
112 |
15400 |
17700 |
900 |
3500 |
263 |
| 2Ц2-250Н |
7000 |
7500 |
38 |
175 |
21000 |
28000 |
2000 |
3200 |
585 |
| 2Ц2-280Н |
9500 |
10000 |
50 |
237 |
24000 |
25000 |
2200 |
4750 |
760 |
Схемы сборки по ГОСТ 20373-94

Примечание:
- Редуктор 2Ц2-100Н схем сборок 31, 32, 33, 34, 35, 36 с i=20; 25; 31,5; 40 не изготавливается.
- Редуктор 2Ц2-100Н с передаточным отношениями 25; 31,5; 40 с полым тихоходным валом не изготавливается.
- Редуктор 2Ц2-125Н и 2Ц2-250Н с передаточными отношениями 25; 31,5 с полым тихоходным валом не изготавливается.
- Редуктор 2Ц2-160Н с передаточным отношением 31,5 с полым тихоходным валом не изготавливается.
- Редуктор 2Ц2-200Н с передаточным отношением 31,5 с полым шлицевым тихоходным валом не изготавливается.
Условное обозначение:

1. Модель редуктора, число ступеней-3.
2. Габарит редуктора. (Н- передача новикова)
3. Передаточное число.
4. Вариант сборки.
5. Исполнение валов, Цвх/Квых (вх- входной вал, вых- выходной вал),
(Ц - цилиндрический вал,
К - конический вал,
Пшл - полый шлицевой вал,
Пшп- полый вал со шпоночным пазом,
М- вал в виде части зубчатой муфты).
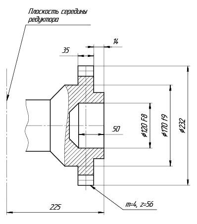
Габаритные и присоединительные размеры:
2Ц2-160

Исполнение входного вала (цилиндрический)

Исполнение входного вала (цилиндрический)

Исполнение входного вала (конический) Исполнение выходного вала (конический)

Исполнение выходного вала (зубчатая полумуфта) Исполнение выходного вала (для присоединения приборов автоматики)

Исполнение выходного вала (полый шпоночный)

Исполнение выходного вала (шлицевой)

Таблица подбора редуктора
| Тип редуктора |
Передаточное число |
Номинальный крутящий момент на выходном валу, Нм |
Номинальная передаваемая мощность, кВт |
Допускаемая радиальная консольная нагрузка приложенная в середине посадочной части вала, Н |
Масса, кг, не более |
| min |
max |
min |
max |
Выход. |
Вход. |
| min |
max |
min |
max |
| 2Ц2-100Н |
6,3; 8; 10; 12,5; 16; 20; 25; 31,5; 40; 50; 63; 80; 100; 125;160 |
475 |
63 0 |
2 |
12 |
5300 |
6300 |
190 |
710 |
43 |
| 2Ц2-125Н |
1200 |
1250 |
6 |
30 |
8500 |
9000 |
530 |
1120 |
89 |
| 2Ц2-160Н |
2000 |
2000 |
10 |
50 |
10000 |
11000 |
670 |
2000 |
135 |
| 2Ц2-200Н |
3800 |
5000 |
19 |
112 |
15400 |
17700 |
900 |
3500 |
263 |
| 2Ц2-250Н |
7000 |
7500 |
38 |
175 |
21000 |
28000 |
2000 |
3200 |
585 |
| 2Ц2-280Н |
9500 |
10000 |
50 |
237 |
24000 |
25000 |
2200 |
4750 |
760 |
Схемы сборки по ГОСТ 20373-94

Примечание:
- Редуктор 2Ц2-100Н схем сборок 31, 32, 33, 34, 35, 36 с i=20; 25; 31,5; 40 не изготавливается.
- Редуктор 2Ц2-100Н с передаточным отношениями 25; 31,5; 40 с полым тихоходным валом не изготавливается.
- Редуктор 2Ц2-125Н и 2Ц2-250Н с передаточными отношениями 25; 31,5 с полым тихоходным валом не изготавливается.
- Редуктор 2Ц2-160Н с передаточным отношением 31,5 с полым тихоходным валом не изготавливается.
- Редуктор 2Ц2-200Н с передаточным отношением 31,5 с полым шлицевым тихоходным валом не изготавливается.
Условное обозначение:

1. Модель редуктора, число ступеней-3.
2. Габарит редуктора. (Н- передача новикова)
3. Передаточное число.
4. Вариант сборки.
5. Исполнение валов, Цвх/Квых (вх- входной вал, вых- выходной вал),
(Ц - цилиндрический вал,
К - конический вал,
Пшл - полый шлицевой вал,
Пшп- полый вал со шпоночным пазом,
М- вал в виде части зубчатой муфты).
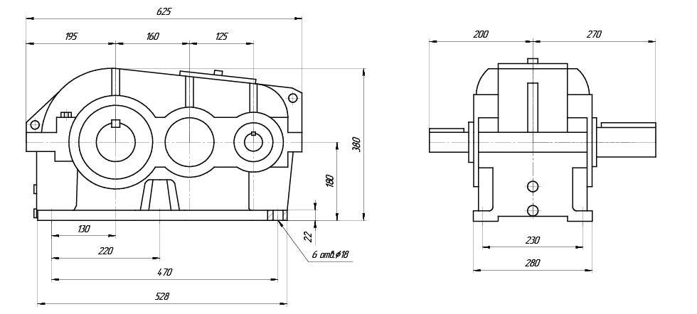
Габаритные и присоединительные размеры:
2Ц2-200

Исполнение входного вала (цилиндрический)

Исполнение входного вала (цилиндрический)

Исполнение входного вала (конический) Исполнение выходного вала (конический)

Исполнение выходного вала (зубчатая полумуфта) Исполнение выходного вала (для присоединения приборов автоматики)

Исполнение выходного вала (полый шпоночный)

Исполнение выходного вала (шлицевой)

Таблица подбора редуктора
| Тип редуктора |
Передаточное число |
Номинальный крутящий момент на выходном валу, Нм |
Номинальная передаваемая мощность, кВт |
Допускаемая радиальная консольная нагрузка приложенная в середине посадочной части вала, Н |
Масса, кг, не более |
| min |
max |
min |
max |
Выход. |
Вход. |
| min |
max |
min |
max |
| 2Ц2-100Н |
6,3; 8; 10; 12,5; 16; 20; 25; 31,5; 40; 50; 63; 80; 100; 125;160 |
475 |
63 0 |
2 |
12 |
5300 |
6300 |
190 |
710 |
43 |
| 2Ц2-125Н |
1200 |
1250 |
6 |
30 |
8500 |
9000 |
530 |
1120 |
89 |
| 2Ц2-160Н |
2000 |
2000 |
10 |
50 |
10000 |
11000 |
670 |
2000 |
135 |
| 2Ц2-200Н |
3800 |
5000 |
19 |
112 |
15400 |
17700 |
900 |
3500 |
263 |
| 2Ц2-250Н |
7000 |
7500 |
38 |
175 |
21000 |
28000 |
2000 |
3200 |
585 |
| 2Ц2-280Н |
9500 |
10000 |
50 |
237 |
24000 |
25000 |
2200 |
4750 |
760 |
Схемы сборки по ГОСТ 20373-94

Примечание:
- Редуктор 2Ц2-100Н схем сборок 31, 32, 33, 34, 35, 36 с i=20; 25; 31,5; 40 не изготавливается.
- Редуктор 2Ц2-100Н с передаточным отношениями 25; 31,5; 40 с полым тихоходным валом не изготавливается.
- Редуктор 2Ц2-125Н и 2Ц2-250Н с передаточными отношениями 25; 31,5 с полым тихоходным валом не изготавливается.
- Редуктор 2Ц2-160Н с передаточным отношением 31,5 с полым тихоходным валом не изготавливается.
- Редуктор 2Ц2-200Н с передаточным отношением 31,5 с полым шлицевым тихоходным валом не изготавливается.
Условное обозначение:

1. Модель редуктора, число ступеней-3.
2. Габарит редуктора. (Н- передача новикова)
3. Передаточное число.
4. Вариант сборки.
5. Исполнение валов, Цвх/Квых (вх- входной вал, вых- выходной вал),
(Ц - цилиндрический вал,
К - конический вал,
Пшл - полый шлицевой вал,
Пшп- полый вал со шпоночным пазом,
М- вал в виде части зубчатой муфты).
Габаритные и присоединительные размеры:
2Ц2-250

Исполнение входного вала (цилиндрический)

Исполнение выходного вала (цилиндрический)

Исполнение входного вала (конический) Исполнение выходного вала (конический)

Исполнение выходного вала (зубчатая полумуфта) Исполнение выходного вала (для присоединения приборов автоматики)

Исполнение выходного вала (полый шпоночный)
Таблица подбора редуктора
| Тип редуктора |
Передаточное число |
Номинальный крутящий момент на выходном валу, Нм |
Номинальная передаваемая мощность, кВт |
Допускаемая радиальная консольная нагрузка приложенная в середине посадочной части вала, Н |
Масса, кг, не более |
| min |
max |
min |
max |
Выход. |
Вход. |
| min |
max |
min |
max |
| 2Ц2-100Н |
6,3; 8; 10; 12,5; 16; 20; 25; 31,5; 40; 50; 63; 80; 100; 125;160 |
475 |
63 0 |
2 |
12 |
5300 |
6300 |
190 |
710 |
43 |
| 2Ц2-125Н |
1200 |
1250 |
6 |
30 |
8500 |
9000 |
530 |
1120 |
89 |
| 2Ц2-160Н |
2000 |
2000 |
10 |
50 |
10000 |
11000 |
670 |
2000 |
135 |
| 2Ц2-200Н |
3800 |
5000 |
19 |
112 |
15400 |
17700 |
900 |
3500 |
263 |
| 2Ц2-250Н |
7000 |
7500 |
38 |
175 |
21000 |
28000 |
2000 |
3200 |
585 |
| 2Ц2-280Н |
9500 |
10000 |
50 |
237 |
24000 |
25000 |
2200 |
4750 |
760 |
Схемы сборки по ГОСТ 20373-94

Примечание:
- Редуктор 2Ц2-100Н схем сборок 31, 32, 33, 34, 35, 36 с i=20; 25; 31,5; 40 не изготавливается.
- Редуктор 2Ц2-100Н с передаточным отношениями 25; 31,5; 40 с полым тихоходным валом не изготавливается.
- Редуктор 2Ц2-125Н и 2Ц2-250Н с передаточными отношениями 25; 31,5 с полым тихоходным валом не изготавливается.
- Редуктор 2Ц2-160Н с передаточным отношением 31,5 с полым тихоходным валом не изготавливается.
- Редуктор 2Ц2-200Н с передаточным отношением 31,5 с полым шлицевым тихоходным валом не изготавливается.