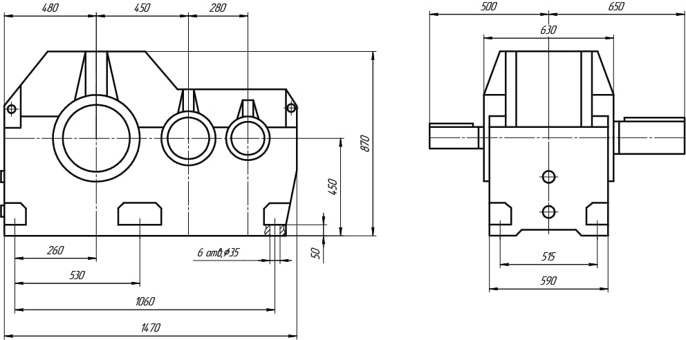
%20450%20%D1%83%D1%81%D0%BB%D0%BE%D0%B2%D0%BD%D0%BE%D0%B5%20%D0%BE%D0%B1%D0%BE%D0%B7%D0%BD%D0%B0%D1%87%D0%B5%D0%BD%D0%B8%D0%B5.png)




| Типоразмер | Передаточное число u | Мт, Н*м | Масса редуктора, кг |
| редуктор Ц2Н-450 | 8; 10; 12.5; 16; 20; 25; 31.5; 40; 50 | 35000-37000 | 1530 |

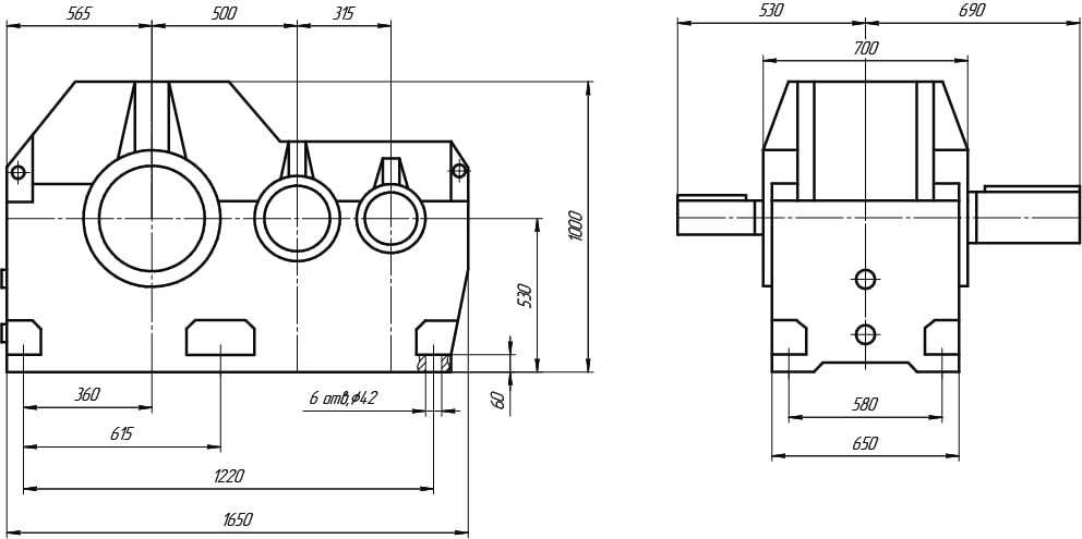
%20500%20%D1%83%D1%81%D0%BB%D0%BE%D0%B2%D0%BD%D0%BE%D0%B5%20%D0%BE%D0%B1%D0%BE%D0%B7%D0%BD%D0%B0%D1%87%D0%B5%D0%BD%D0%B8%D0%B5.png)
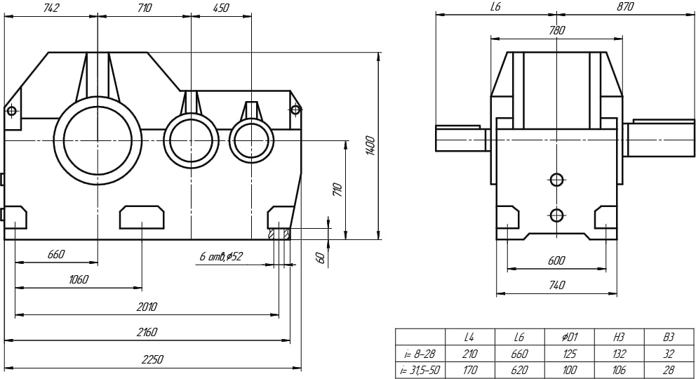
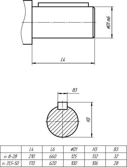
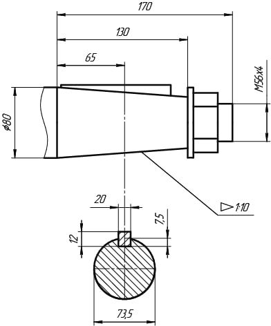
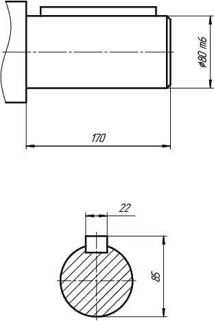
1. Модель редуктора.
2. Габарит редуктора.
3. Передаточное число.
4. Вариант сборки.
5. Исполнение валов, Цвх/Квых (вх- входной вал, вых- выходной вал),
(Ц - цилиндрический вал,
К - конический вал,
М- вал в виде части зубчатой муфты).




| Типоразмер | Передаточное число u | Мт, Н*м | Масса редуктора, кг |
| редуктор Ц2Н-500 | 8; 10; 12.5; 16; 20; 25; 31.5; 40; 50 | 45000-50000 | 2100 |

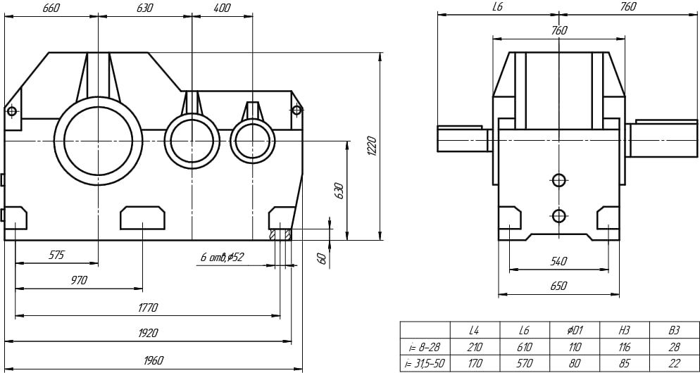
%20630%20%D1%83%D1%81%D0%BB%D0%BE%D0%B2%D0%BD%D0%BE%D0%B5%20%D0%BE%D0%B1%D0%BE%D0%B7%D0%BD%D0%B0%D1%87%D0%B5%D0%BD%D0%B8%D0%B5.png)
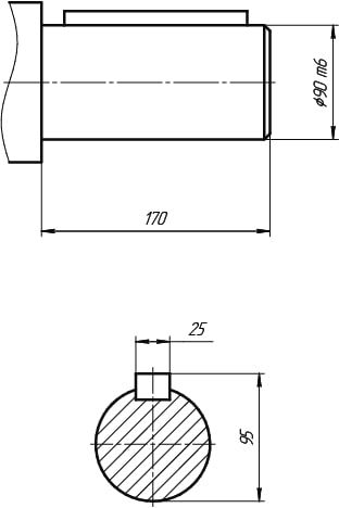
1. Модель редуктора.
2. Габарит редуктора.
3. Передаточное число.
4. Вариант сборки.
5. Исполнение валов, Цвх/Квых (вх- входной вал, вых- выходной вал),
(Ц - цилиндрический вал,
К - конический вал,
М- вал в виде части зубчатой муфты).



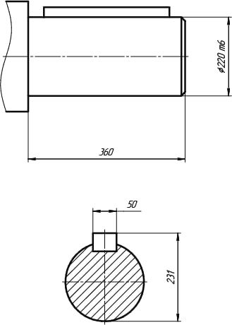
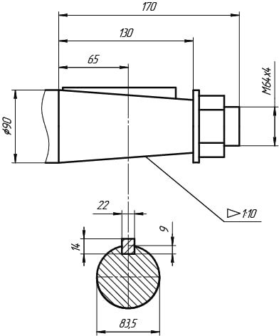
| Типоразмер редуктора | редуктор Ц2Н 630 | ||||||||||||||||||
| Номинальное передаточное отношение редуктора, i | 8.0 | 9.0 | 10.0 | 11.2 | 12.5 | 14.0 | 16.0 | 18.0 | 20.0 | 22.4 | 25.0 | 28.0 | 31.5 | 35.5 | 40.0 | 45.0 | 50.0 | ||
| Номинальный крутящий момент на тихоходном валу, Т, Нм | 71000 | 75000 | 71000 | ||||||||||||||||
| Номинальная частота вращения быстроходного вала, с -1 (об/мин) | 12,5 (750) | 16,(6) (1000) | 25 (1500) | ||||||||||||||||
| Номинальная радиальная консольная нагрузка, приложенная в середине посадочной поверхности выходного конца вала, Н | быстроходного F1, | 10000 | 8000 | 6200 | 5200 | 4800 | |||||||||||||
| Тихоходного F2 | цилиндрический конец вала | 66500 | 68500 | 66500 | |||||||||||||||
| конец вала в виде части зубчатой полумуфты | 79800 | 82200 | 79800 | ||||||||||||||||
| Коэффициент полезного действия, % | 97 | ||||||||||||||||||
| Масса, кг, не более | 3691 | ||||||||||||||||||

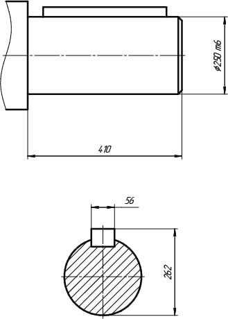
%20710%20%D1%83%D1%81%D0%BB%D0%BE%D0%B2%D0%BD%D0%BE%D0%B5%20%D0%BE%D0%B1%D0%BE%D0%B7%D0%BD%D0%B0%D1%87%D0%B5%D0%BD%D0%B8%D0%B5.png)
1. Модель редуктора.
2. Габарит редуктора.
3. Передаточное число.
4. Вариант сборки.
5. Исполнение валов, Цвх/Квых (вх- входной вал, вых- выходной вал),
(Ц - цилиндрический вал,
К - конический вал,
М- вал в виде части зубчатой муфты).



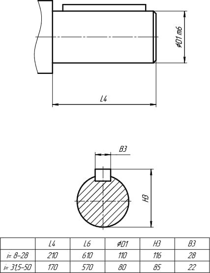
| Типоразмер редуктора | редуктор Ц2Н 710 | ||||||||||||||||||||||
| Номинальное передаточное отношение редуктора, i | 8.0 | 9.0 | 10.0 | 11.2 | 12.5 | 14.0 | 16.0 | 18.0 | 20.0 | 22.4 | 25.0 | 28.0 | 31.5 | 35.5 | 40.0 | 45.0 | 50.0 | ||||||
| Номинальный крутящий момент на тихоходном валу, Т, Н*м | 100000 | 71000 | |||||||||||||||||||||
| Номинальная частота вращения быстроходного вала, с -1 (об/мин) | 12,5(750) | 16,(6) (1000) | 20,83 (1250) | 25 (1500) | |||||||||||||||||||
| Номинальная радиальная консольная нагрузка, приложенная в середине посадочной поверхности выходного конца вала, Н | быстроходного F1, | 13000 | 12000 | 10000 | 9000 | 8000 | 7000 | 6300 | 5800 | ||||||||||||||
| Тихоходного F2 | цилиндрический конец вала | 79000 | |||||||||||||||||||||
| конец вала в виде части зубчатой полумуфты | 98000 | ||||||||||||||||||||||
| Коэффициент полезного действия, % | 97 | ||||||||||||||||||||||
| Масса, кг, не более | 4920 | ||||||||||||||||||||||
