
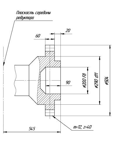
1. Модель редуктора.
2. Габарит редуктора.
3. Передаточное число.
4. Вариант сборки.
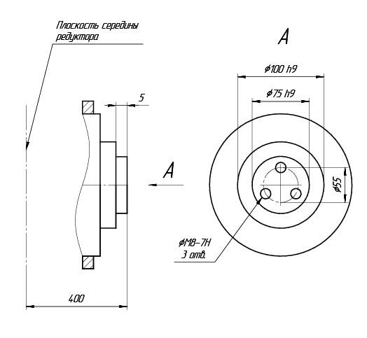
5. Исполнение валов, Цвх/Квых (вх- входной вал, вых- выходной вал),
(Ц - цилиндрический вал,
К - конический вал,
Пшл - полый шлицевой вал,
Пшп- полый вал со шпоночным пазом,
М- вал в виде части зубчатой муфты).

| Передаточное число |
L4 | L6 | D1 | H3 | B3 |
| i=8-28 | 210 | 610 | 110 | 116 | 28 |
| i=31,5-50 | 170 | 570 | 80 | 85 | 22 |



| Типоразмер редуктора | ЦДН-630 | ||||||||||||||||||
| Номинальное передаточное отношение, i | 8 | 9 | 10 | 11,2 | 12,5 | 14 | 16 | 18 | 20 | 22,4 | 25 | 28 | 31,5 | 35,5 | 40 | 45 | 50 | ||
| Номинальный крутящий момент на тихоходном валу, Т, Нxм |
71000 | 75000 | 71000 | ||||||||||||||||
| Номинальная частота вращения быстроходного вала, с-1 (об/мин) |
12,5 (750) | 16,(6) (1000) | 25 (1500) | ||||||||||||||||
| Номинальная радиальная консольная нагрузка, приложенная в середине посадочной поверхности выходного конца вала, Н |
быстроходного | 10000 | 8000 | 6200 | 5200 | 4800 | |||||||||||||
| тихоход. | цилиндр. конец | 66500 | 68500 | 66500 | |||||||||||||||
| конец вала в виде части зубчатой п/м |
79800 | 82200 | 79800 | ||||||||||||||||
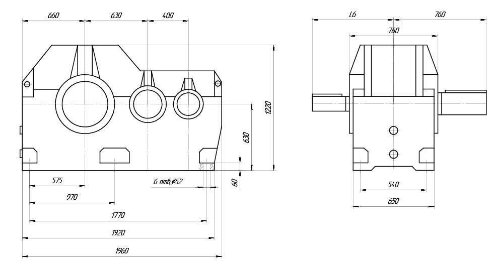
| Масса, кг | 3691 | ||||||||||||||||||
| Ориентировочный объем масла, л | 410 | ||||||||||||||||||
Редуктор ЦДН-630 эксплуатируется в следующих условиях:
Основные технические характеристики редукторов ЦДН
| Типоразмер редуктора | Передаточное число u | Мт, Н*м | Масса редуктора, кг | AwT | AwБ |
| редуктор ЦДН-630 | 8, 10, 12.5, 16, 20, 25, 31.5, 40, 50 | 71000 | 3330 | 630 | 400 |

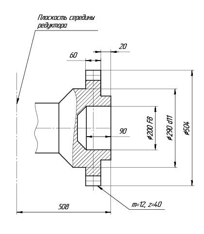
1. Модель редуктора.
2. Габарит редуктора.
3. Передаточное число.
4. Вариант сборки.
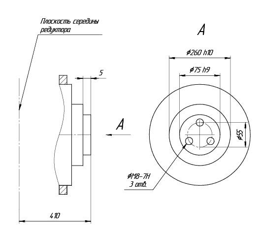
5. Исполнение валов, Цвх/Квых (вх- входной вал, вых- выходной вал),
(Ц - цилиндрический вал,
К - конический вал,
Пшл - полый шлицевой вал,
Пшп- полый вал со шпоночным пазом,
М- вал в виде части зубчатой муфты).
| Передаточное число |
L4 | L6 | D1 | H3 | B3 |
| i=8-28 | 210 | 660 | 125 | 132 | 32 |
| i=31,5-50 | 170 | 620 | 100 | 106 | 28 |



| Типоразмер редуктора | ЦДН-710 | ||||||||||||||||||
| Номинальное передаточное отношение, i | 8 | 9 | 10 | 11,2 | 12,5 | 14 | 16 | 18 | 20 | 22,4 | 25 | 28 | 31,5 | 35,5 | 40 | 45 | 50 | ||
| Номинальный крутящий момент на тихоходном валу, Т, Нxм |
100000 | ||||||||||||||||||
| Номинальная частота вращения быстроходного вала, с-1 (об/мин) |
12,5 ( 750) | 16,(6) (1000) | 20,83 | 25 (1500) | |||||||||||||||
| -1250 | |||||||||||||||||||
| Номинальная радиальная консольная нагрузка, приложенная в середине посадочной поверхности выходного конца вала, Н |
быстроходного | 13000 | 12000 | 10000 | 9000 | 8000 | 7100 | 6300 | 5800 | ||||||||||
| тихоход. | цилиндр. конец | 79000 | |||||||||||||||||
| конец вала в виде части зубчатой полум. |
98000 | ||||||||||||||||||
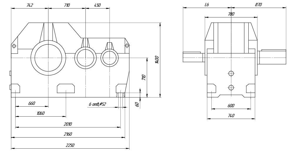
| Масса, кг | 4920 | ||||||||||||||||||
| Ориентировочный объем масла, л. | 573 | ||||||||||||||||||
Редуктор ЦДН-710 эксплуатируется в следующих условиях:
Основные технические характеристики редукторов ЦДН
| Типоразмер редуктора | Передаточное число u | Мт, Н*м | Масса редуктора, кг | AwT | AwБ |
| редуктор ЦДН-710 | 8, 10, 12.5, 16, 20, 25, 31.5, 40, 50 | 100000 | 4540 | 710 | 450 |