
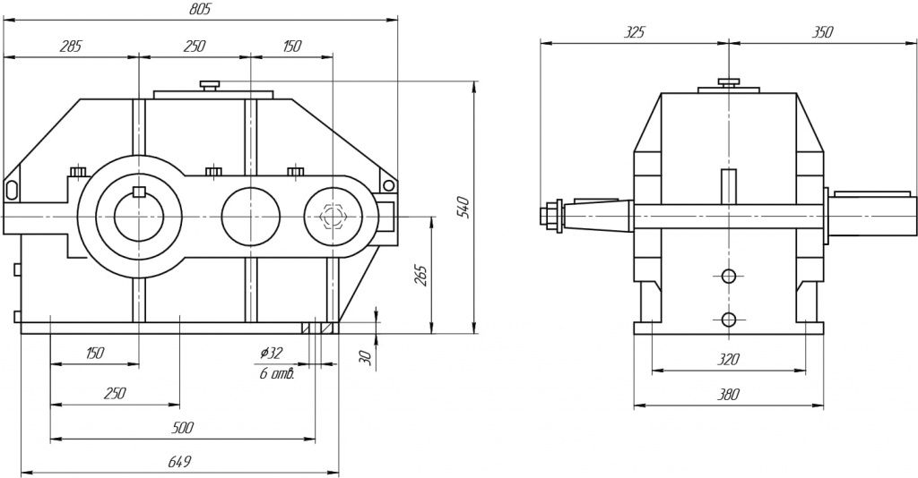
1. Модель редуктора, 2-число ступеней.
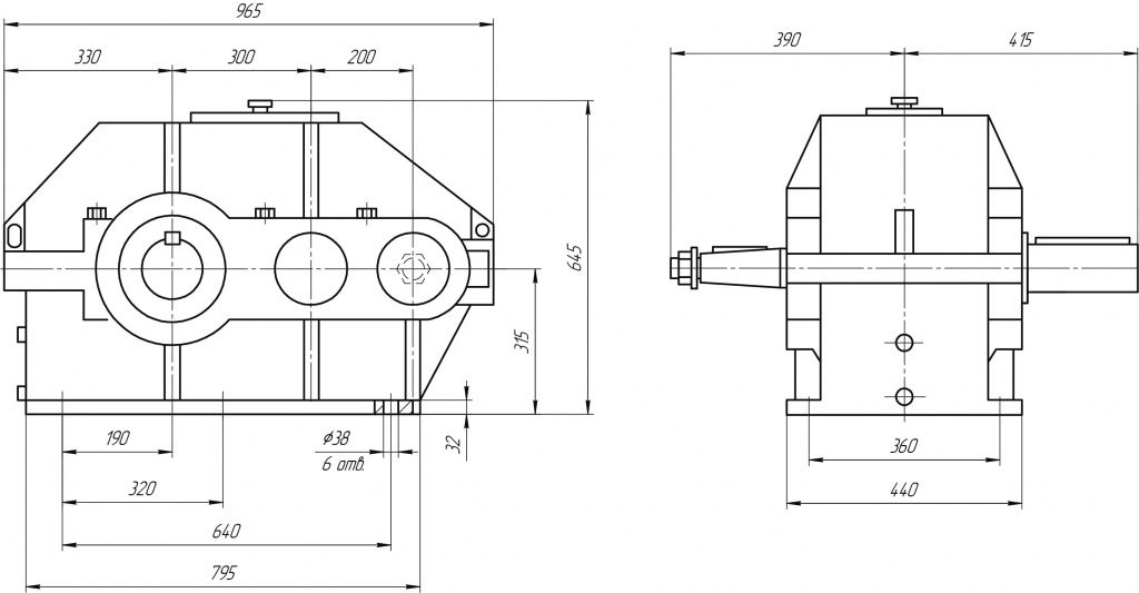
2. Габарит редуктора.
3. Передаточное число.
4. Вариант сборки.
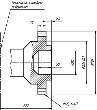
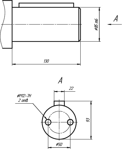
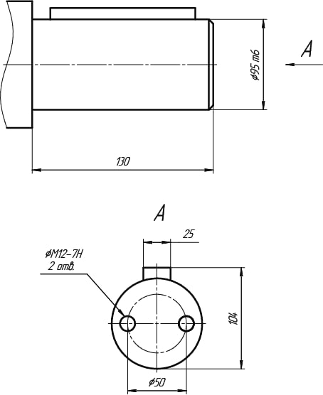
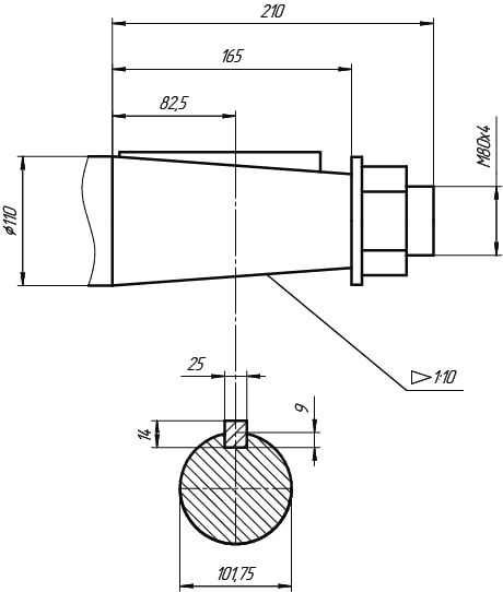
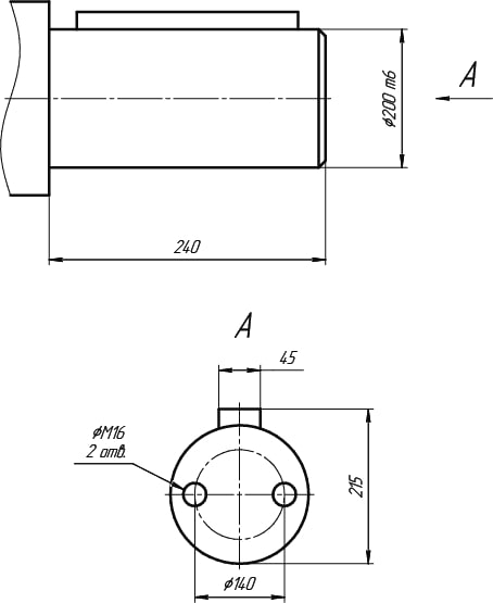
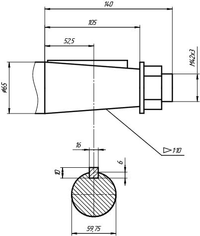
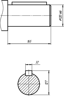
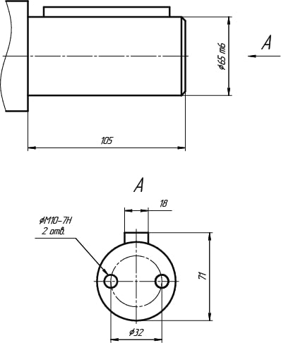
5. Исполнение, быстроходного/тихоходного вала
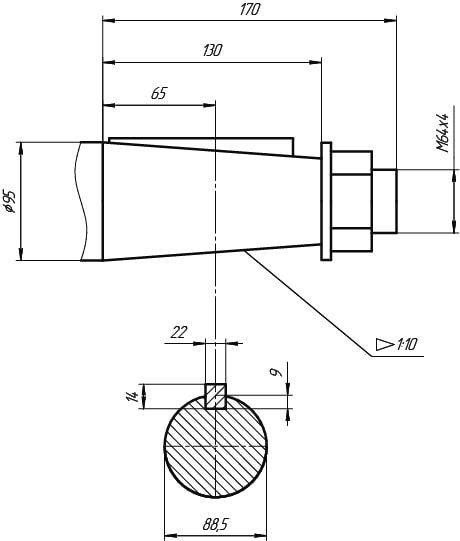
(Цвх - цилиндрический конец входного вала
Квх - конический конец входного вала
Цвых - цилиндрический конец выходного вала
Квых - конический конец выходного вала
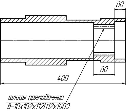
Пшл - с полым шлицевым выходным валом
Пшп- с полым выходным валом со шпоночным пазом).



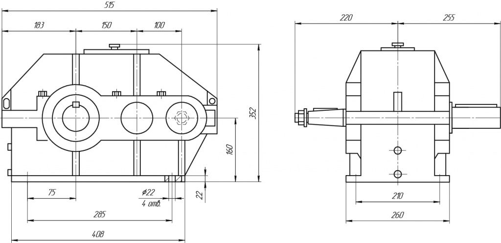
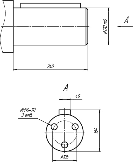
| Типоразмер редуктора | Передаточное число u | Мт, Н*м | Масса редуктора, кг | Awc | AwT | AwБ |
| редуктор Ц2-250 | 8, 10, 12.5, 16, 20, 25, 31.5, 40,50 | 5800 | 210 | 350 | 200 | 150 |

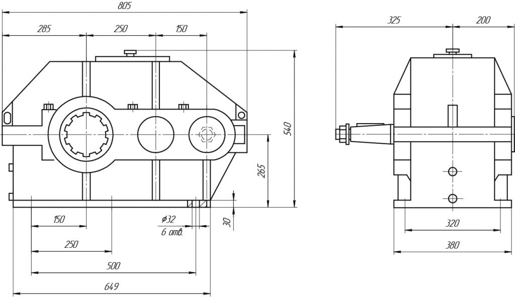
1. Модель редуктора, 2-число ступеней.
2. Габарит редуктора.
3. Передаточное число.
4. Вариант сборки.
5. Исполнение, быстроходного/тихоходного вала
(Цвх - цилиндрический конец входного вала
Квх - конический конец входного вала
Цвых - цилиндрический конец выходного вала
Квых - конический конец выходного вала
Пшл - с полым шлицевым выходным валом
Пшп- с полым выходным валом со шпоночным пазом).




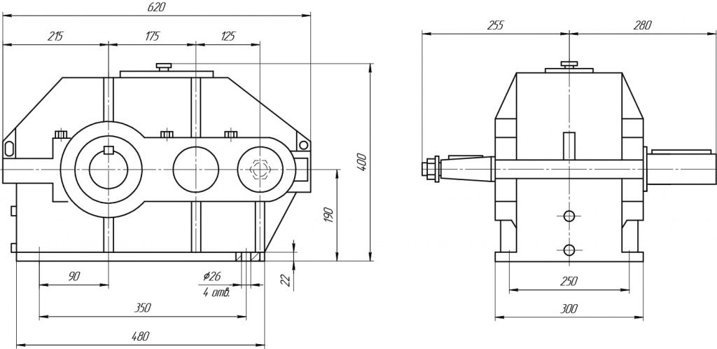
| Типоразмер редуктора | Передаточное число u | Мт, Н*м | Масса редуктора, кг | Awc | AwT | AwБ |
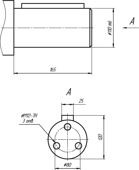
| редуктор Ц2-300 | 8, 10, 12.5, 16, 20, 25, 31.5, 40,50 | 3400 | 138 | 300 | 175 | 175 |


1. Модель редуктора, 2-число ступеней.
2. Габарит редуктора.
3. Передаточное число.
4. Вариант сборки.
5. Исполнение, быстроходного/тихоходного вала
(Цвх - цилиндрический конец входного вала
Квх - конический конец входного вала
Цвых - цилиндрический конец выходного вала
Квых - конический конец выходного вала
Пшл - с полым шлицевым выходным валом
Пшп- с полым выходным валом со шпоночным пазом).




| Типоразмер редуктора | Передаточное число u | Мт, Н*м | Масса редуктора, кг | Awc | AwT | AwБ |
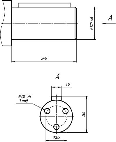
| редуктор Ц2-350 | 8, 10, 12.5, 16, 20, 25, 31.5, 40,50 | 5800 | 210 | 350 | 200 | 150 |


1. Модель редуктора, 2-число ступеней.
2. Габарит редуктора.
3. Передаточное число.
4. Вариант сборки.
5. Исполнение, быстроходного/тихоходного вала
(Цвх - цилиндрический конец входного вала
Квх - конический конец входного вала
Цвых - цилиндрический конец выходного вала
Квых - конический конец выходного вала
Пшл - с полым шлицевым выходным валом
Пшп- с полым выходным валом со шпоночным пазом).






| Типоразмер редуктора | Передаточное число u | Мт, Н*м | Масса редуктора, кг | Awc | AwT | AwБ |
| редуктор Ц2-400 редуктор Ц2-400П | 8, 10, 12.5, 16, 20, 25, 31.5, 40,50 | 8000 9200 | 315 290 | 400 | 250 | 100 |


1. Модель редуктора, 2-число ступеней.
2. Габарит редуктора.
3. Передаточное число.
4. Вариант сборки.
5. Исполнение, быстроходного/тихоходного вала
(Цвх - цилиндрический конец входного вала
Квх - конический конец входного вала
Цвых - цилиндрический конец выходного вала
Квых - конический конец выходного вала
Пшл - с полым шлицевым выходным валом
Пшп- с полым выходным валом со шпоночным пазом).




| Типоразмер редуктора | Передаточное число u | Мт, Н*м | Масса редуктора, кг | Awc | AwT | AwБ |
| редуктор Ц2-500 | 8, 10, 12.5, 16, 20, 25, 31.5, 40,50 | 18000 | 500 | 500 | 300 | 200 |


1. Модель редуктора, 2-число ступеней.
2. Габарит редуктора.
3. Передаточное число.
4. Вариант сборки.
5. Исполнение, быстроходного/тихоходного вала
(Цвх - цилиндрический конец входного вала
Квх - конический конец входного вала
Цвых - цилиндрический конец выходного вала
Квых - конический конец выходного вала
Пшл - с полым шлицевым выходным валом
Пшп- с полым выходным валом со шпоночным пазом).

| Номинальные передаточные отношения,i | Номинальная частота вращения быстроходного вала, об/мин | Номинальный крутящий момент на тихоходном валу, Нxм | Масса, кг |
| 8; 10; 12,5; 16; 20; 22,4; 25; 28; 31,5; 40 | 1000; 1500 | 54000 ¸ 63000 | 1200 |


1. Модель редуктора, 2-число ступеней.
2. Габарит редуктора.
3. Передаточное число.
4. Вариант сборки.
5. Исполнение, быстроходного/тихоходного вала
(Цвх - цилиндрический конец входного вала
Квх - конический конец входного вала
Цвых - цилиндрический конец выходного вала
Квых - конический конец выходного вала
Пшл - с полым шлицевым выходным валом
Пшп- с полым выходным валом со шпоночным пазом).



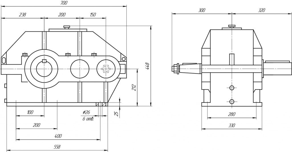
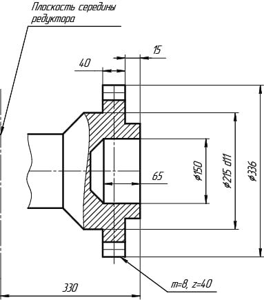
| Типоразмер | Передаточное число u | Мт, Н*м | Масса редуктора, кг | Awc | AwT | AwБ |
| редуктор Ц2-650 | 8, 10, 12.5, 16, 20, 25, 31.5, 40,50 | 33500 | 1100 | 650 | 400 | 250 |


1. Модель редуктора, 2-число ступеней.
2. Габарит редуктора.
3. Передаточное число.
4. Вариант сборки.
5. Исполнение, быстроходного/тихоходного вала
(Цвх - цилиндрический конец входного вала
Квх - конический конец входного вала
Цвых - цилиндрический конец выходного вала
Квых - конический конец выходного вала
Пшл - с полым шлицевым выходным валом
Пшп- с полым выходным валом со шпоночным пазом).



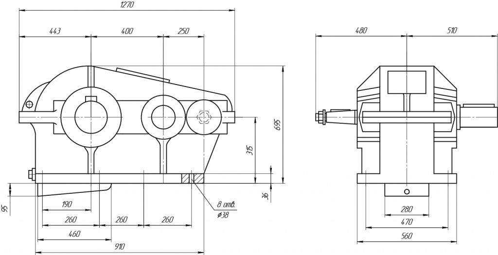
| Типоразмер редуктора | Передаточное число u | Мт, Н*м | Масса редуктора, кг |
| редуктор Ц2-750 | 8, 10, 12.5, 16, 20, 25, 31.5, 40,57 | 47500 | 1650 |


1. Модель редуктора, 2-число ступеней.
2. Габарит редуктора.
3. Передаточное число.
4. Вариант сборки.
5. Исполнение, быстроходного/тихоходного вала
(Цвх - цилиндрический конец входного вала
Квх - конический конец входного вала
Цвых - цилиндрический конец выходного вала
Квых - конический конец выходного вала
Пшл - с полым шлицевым выходным валом
Пшп- с полым выходным валом со шпоночным пазом).




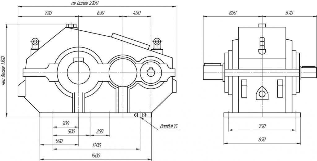
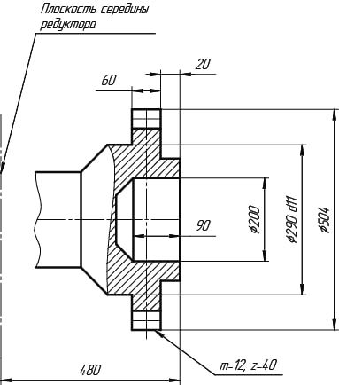
| Типоразмер редуктора | Передаточное число u | Мт, Н*м | Масса редуктора, кг |
| редуктор Ц2-1000 | 8, 10, 12.5, 16, 20, 25, 31.5, 40,58 | 128000 | 3700 |
