
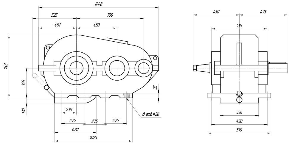
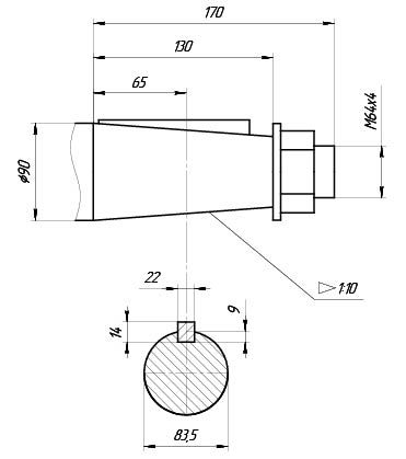
1. Модель редуктора.
2. Габарит редуктора.
3. Передаточное число.
4. Вариант сборки.
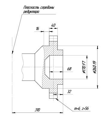
5. Исполнение валов, Цвх/Квых (вх- входной вал, вых- выходной вал),
(Ц - цилиндрический вал,
К - конический вал,
М- вал в виде части зубчатой муфты).



| Передаточное число | Номинальное | 8 | 10 | 12,5 | 16 | 20 | 22,4 | 31,5 | 40 | 50 |
| Фактическое | 8,23 | 10,35 | 12,64 | 15,75 | 20,49 | 23,34 | 31,5 | 41,52 | 48,57 | |
| Частота вращения, об/мин | Режим работы | Допускаемый крутящий момент на выходном валу редуктора, Нм | ||||||||
| 600 | Особо легкий | 25020 | 28840 | 33190 | 38330 | 39980 | 39990 | 42780 | 44560 | 48830 |
| ПВ-15% | 18430 | 19680 | 21940 | 23440 | 23800 | 23930 | 24510 | 23500 | 24420 | |
| ПВ-25% | 15990 | 17090 | 19070 | 20510 | 20750 | 20850 | 21150 | 20450 | 21360 | |
| ПВ-40% | 13550 | 14500 | 16210 | 17330 | 17700 | 17770 | 18030 | 17400 | 17930 | |
| 750 | Особо легкий | 22950 | 26250 | 30520 | 35550 | 38820 | 39100 | 32400 | 43950 | 45780 |
| ПВ-15% | 16410 | 17940 | 19380 | 20900 | 23190 | 22970 | 23070 | 23190 | 24410 | |
| ПВ-25% | 14260 | 15620 | 16780 | 18160 | 20260 | 19960 | 20000 | 20020 | 21060 | |
| ПВ-40% | 12100 | 13310 | 14340 | 15430 | 17090 | 16950 | 17110 | 17090 | 18010 | |
| 1000 | Особо легкий | - | 22890 | 26900 | 31500 | 37540 | 37530 | 40660 | 42530 | 44860 |
| ПВ-15% | - | 15380 | 17050 | 17780 | 19780 | 19890 | 20760 | 22730 | 23350 | |
| ПВ-25% | - | - | 14880 | 15530 | 17210 | 17430 | 18170 | 19800 | 20140 | |
| ПВ-40% | - | - | 12590 | 13180 | 14650 | 14770 | 15290 | 16860 | 16940 | |
| 1250 | Особо легкий | - | - | 23810 | 28130 | 33690 | 36100 | 39680 | 41900 | 43580 |
| ПВ-15% | - | - | 14830 | 16170 | 18020 | 17880 | 18460 | 21390 | 21240 | |
| ПВ-25% | - | - | 13000 | 14060 | 15820 | 15590 | 16150 | 18750 | 18680 | |
| ПВ-40% | - | - | 10990 | 11950 | 13480 | 13130 | 13610 | 15820 | 15750 | |
| 1500 | Особо легкий | - | - | - | 25880 | 31130 | 33500 | 38450 | 40280 | 43030 |
| ПВ-15% | - | - | - | 14650 | 16480 | 16410 | 16540 | 19290 | 19840 | |
| ПВ-25% | - | - | - | 12700 | 14400 | 14220 | 14420 | 16850 | 17090 | |
| ПВ-40% | - | - | - | 10840 | 12210 | 12170 | 12110 | 14400 | 14650 | |


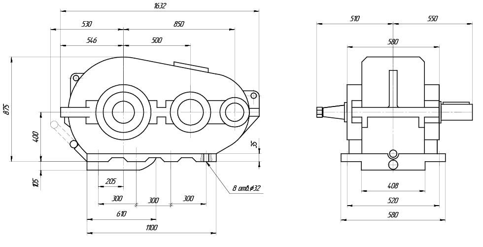
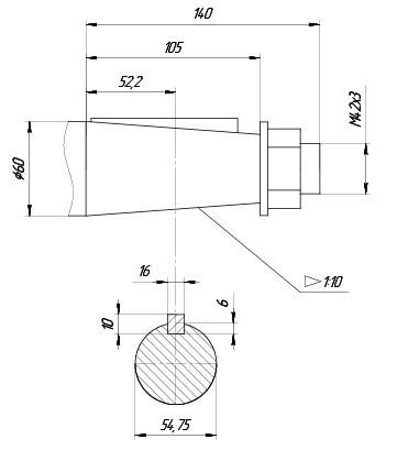
1. Модель редуктора.
2. Габарит редуктора.
3. Передаточное число.
4. Вариант сборки.
5. Исполнение валов, Цвх/Квых (вх- входной вал, вых- выходной вал),
(Ц - цилиндрический вал,
К - конический вал,
М- вал в виде части зубчатой муфты).



| Передаточное число | Номинальное | 8 | 10 | 12,5 | 16 | 20 | 22,4 | 31,5 | 40 | 50 |
| Фактическое | 8,23 | 10,35 | 12,64 | 15,75 | 20,49 | 23,34 | 31,5 | 41,52 | 48,57 | |
| Частота вращения, об/мин | Режим работы | Допускаемый крутящий момент на выходном валу редуктора, Нм | ||||||||
| 600 | Особо легкий | 51270 | 51880 | 54360 | 57380 | 58290 | 57770 | 59600 | 62870 | 64850 |
| ПВ-15% | 29540 | 30280 | 32810 | 35160 | 32960 | 32130 | 35090 | 32350 | 33570 | |
| ПВ-25% | 25630 | 26860 | 28610 | 30520 | 28690 | 28030 | 30280 | 28080 | 29370 | |
| ПВ-40% | 21730 | 22740 | 24220 | 25880 | 24420 | 23580 | 25960 | 23800 | 24800 | |
| 750 | Особо легкий | 48340 | 50660 | 53410 | 56640 | 57380 | 57420 | 60370 | 62010 | 64700 |
| ПВ-15% | 25780 | 28810 | 30520 | 33990 | 31980 | 31720 | 33840 | 32230 | 35570 | |
| ПВ-25% | 22460 | 25020 | 33990 | 29490 | 27830 | 27620 | 29610 | 27830 | 28990 | |
| ПВ-40% | 19040 | 21240 | 31980 | 23440 | 23680 | 23520 | 25000 | 23680 | 24270 | |
| 1000 | Особо легкий | - | - | 51500 | 54200 | 55850 | 55370 | 59120 | 61160 | 61160 |
| ПВ-15% | - | - | 27010 | 28270 | 29660 | 30350 | 33170 | 31490 | 31490 | |
| ПВ-25% | - | - | 23460 | 24610 | 25820 | 26460 | 28840 | 27470 | 27470 | |
| ПВ-40% | - | - | 19910 | 20950 | 21970 | 22560 | 24510 | 23440 | 23440 | |
| 1250 | Особо легкий | - | - | - | - | 54200 | 54140 | 57580 | 60060 | 63360 |
| ПВ-15% | - | - | - | - | 28710 | 28220 | 29300 | 30760 | 32590 | |
| ПВ-25% | - | - | - | - | 25050 | 24610 | 25610 | 26660 | 28570 | |
| ПВ-40% | - | - | - | - | 21240 | 21010 | 21920 | 22560 | 24170 | |
| 1500 | Особо легкий | - | - | - | - | - | 52640 | 57680 | 58600 | 62560 |
| ПВ-15% | - | - | - | - | - | 25430 | 26340 | 29790 | 31430 | |
| ПВ-25% | - | - | - | - | - | 22150 | 22880 | 25880 | 27470 | |
| ПВ-40% | - | - | - | - | - | 18770 | 19420 | 21970 | 23190 | |


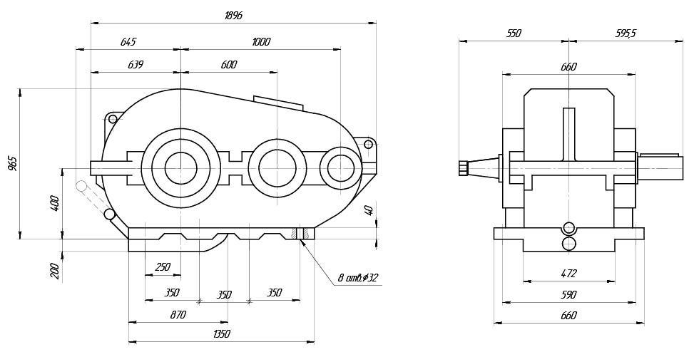
1. Модель редуктора.
2. Габарит редуктора.
3. Передаточное число.
4. Вариант сборки.
5. Исполнение валов, Цвх/Квых (вх- входной вал, вых- выходной вал),
(Ц - цилиндрический вал,
К - конический вал,
М- вал в виде части зубчатой муфты).



| Передаточное число | Номинальное | 8 | 10 | 12,5 | 16 | 20 | 22,4 | 31,5 | 40 | 50 |
| Фактическое | 8,23 | 10,35 | 12,64 | 15,75 | 20,49 | 23,34 | 31,5 | 41,52 | 48,57 | |
| Частота вращения, об/мин | Режим работы | Допускаемый крутящий момент на выходном валу редуктора, Нм | ||||||||
| 600 | Особо легкий | 51880 | 56460 | 69620 | 80570 | 90030 | 90580 | 96130 | 95220 | 101470 |
| ПВ-15% | 43340 | 46540 | 51500 | 54930 | 56460 | 56740 | 58160 | 55540 | 57220 | |
| ПВ-25% | 37840 | 40440 | 44280 | 48340 | 49130 | 49220 | 50950 | 48220 | 49590 | |
| ПВ-40% | 31740 | 34330 | 38150 | 41020 | 41810 | 41700 | 42780 | 40890 | 42730 | |
| 750 | Особо легкий | - | 51880 | 64090 | 74220 | 86670 | 88870 | 96130 | 94730 | 99460 |
| ПВ-15% | - | 42730 | 46540 | 49810 | 54930 | 53600 | 55370 | 54690 | 57380 | |
| ПВ-25% | - | 37230 | 39670 | 42970 | 47850 | 46760 | 47680 | 47850 | 50050 | |
| ПВ-40% | - | 31740 | 33570 | 36720 | 40530 | 39650 | 40380 | 40530 | 42120 | |
| 1000 | Особо легкий | - | - | - | 65920 | 77820 | 83060 | 90850 | 91560 | 96130 |
| ПВ-15% | - | - | - | 42480 | 46690 | 48200 | 49030 | 53470 | 53560 | |
| ПВ-25% | - | - | - | 36620 | 40280 | 42040 | 42680 | 46510 | 47610 | |
| ПВ-40% | - | - | - | 31500 | 34430 | 35480 | 36340 | 39550 | 40280 | |
| 1250 | Особо легкий | - | - | - | - | - | 73830 | 88830 | 87890 | 93390 |
| ПВ-15% | - | - | - | - | - | 41840 | 43840 | 49810 | 51270 | |
| ПВ-25% | - | - | - | - | - | 36100 | 37840 | 43950 | 43950 | |
| ПВ-40% | - | - | - | - | - | 31010 | 32070 | 37210 | 37350 | |
| 1500 | Особо легкий | - | - | - | - | - | - | 85560 | 85450 | 91560 |
| ПВ-15% | - | - | - | - | - | - | 38830 | 45900 | 46080 | |
| ПВ-25% | - | - | - | - | - | - | 33840 | 39800 | 40280 | |
| ПВ-40% | - | - | - | - | - | - | 28650 | 33690 | 34180 | |
