

| Типоразмер редуктора | РЦД-250 | ||||||||
| Номинальное передаточное отношение | 10 | 16 | 20 | 25 | 31,5 | 40 | |||
| Номинальный крутящий момент на тихоходном валу, Т, Нxм | режим работы | Средний (С), ПВ 25% | 768 | 760 | 840 | 895 | 858 | 844 | |
| Тяжелый (Т), ПВ 40% | 568 | 540 | 592 | 645 | 600 | 653 | |||
| Непрерывный (Н), ПВ 100% | 505 | 480 | 457 | 430 | |||||
| Номинальная частота вращения быстроходного вала, с-1 (об/мин) | 25 (1500) | ||||||||
| Номинальная радиальная консольная нагрузка, приложенная в середине посадочной части быстроходного вала Fб, Н | 1000 | ||||||||
| Номинальная радиальная консольная нагрузка, приложенная в середине посадочной части тихоходного вала Fт, Н | 6400 | ||||||||
| Масса, кг | 87 | ||||||||
| Ориентировочный объем масла, л. | 2,3 | ||||||||


1. Модель редуктора.
2. Габарит редуктора.
3. Передаточное число.
4. Вариант сборки.
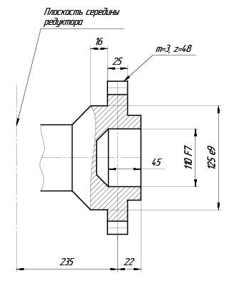
5. Исполнение тихоходного вала.



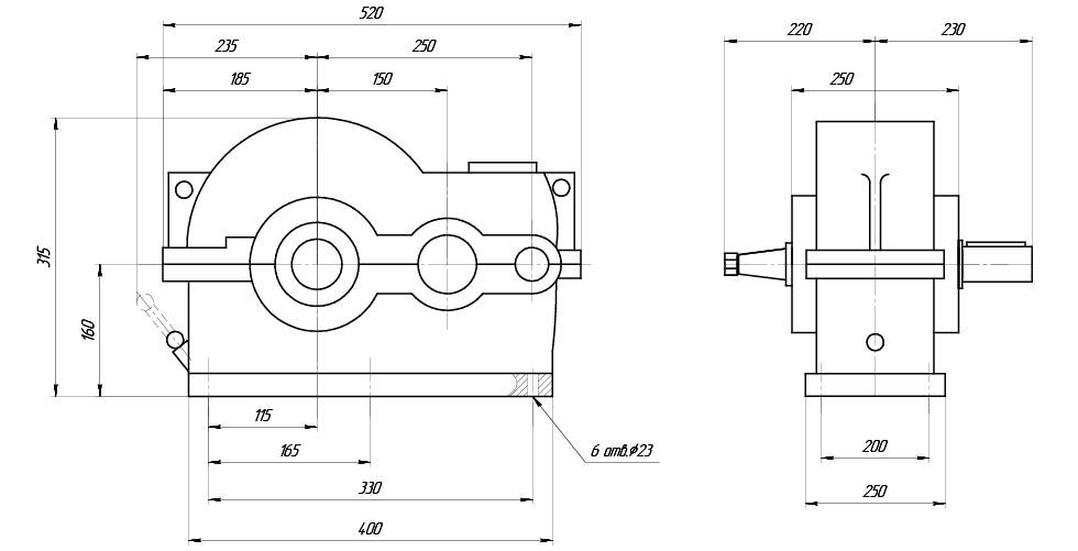
| Типоразмер редуктора | РЦД-350 | |||||||
| Номинальное передаточное отношение | 10 | 16 | 20 | 25 | 31,5 | 40 | ||
| Номинальный крутящий момент на тихоходном валу, Т, Нxм | режим работы | Средний (С), ПВ 25% | 1900 | 2340 | 2230 | 2120 | 2000 | |
| Тяжелый (Т), ПВ 40% | 1350 | 1530 | 1560 | 1640 | 1620 | |||
| Непрерывный (Н), ПВ 100% | 1200 | 1140 | 1080 | 1020 | ||||
| Номинальная частота вращения быстроходного вала, с-1 (об/мин) | 25 (1500) | |||||||
| Номинальная радиальная консольная нагрузка, приложенная в середине посадочной части быстроходного вала Fб, Н | 1800 | |||||||
| Номинальная радиальная консольная нагрузка, приложенная в середине посадочной части тихоходного вала Fт, Н | 10000 | |||||||
| Масса, кг | 175 | |||||||
| Ориентировочный объем масла, л. | 5,5 | |||||||


1. Модель редуктора.
2. Габарит редуктора.
3. Передаточное число.
4. Вариант сборки.
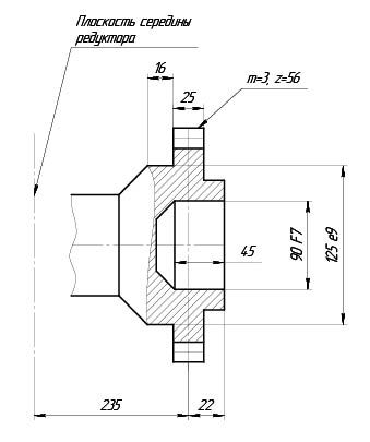
5. Исполнение тихоходного вала.



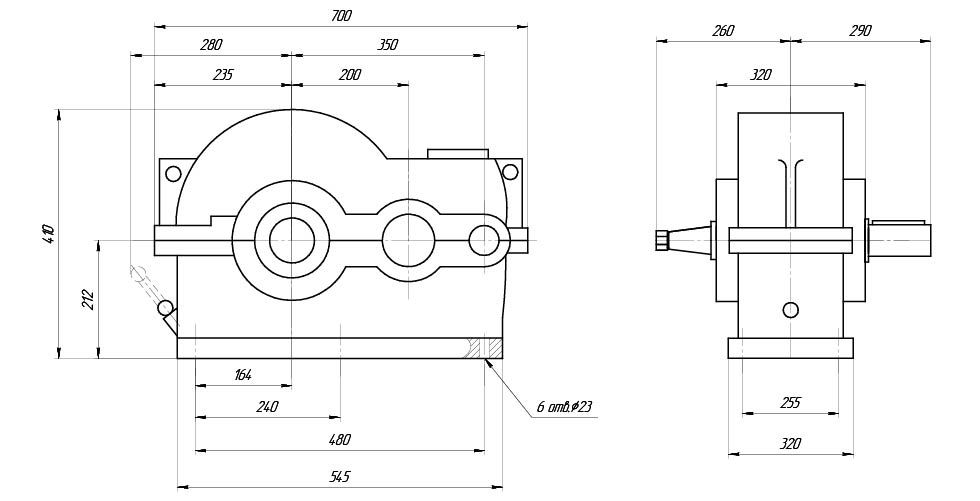
| Типоразмер редуктора | РЦД-400 | ||||||||
| Номинальное передаточное отношение | 10 | 16 | 20 | 25 | 31,5 | 40 | |||
| Номинальный крутящий момент на тихоходном валу, Т, Нxм | режим работы | Средний (С), ПВ 25% | 2580 | 2550 | 2820 | 3050 | 2890 | 3100 | |
| Тяжелый (Т), ПВ 40% | 2300 | 2020 | 2160 | 2020 | 2200 | ||||
| Непрерывный (Н), ПВ 100% | 2300 | 2020 | 2160 | 2110 | 2000 | 1990 | |||
| Номинальная частота вращения быстроходного вала, с-1 (об/мин) | 25 (1500) | ||||||||
| Номинальная радиальная консольная нагрузка, приложенная в середине посадочной части быстроходного вала Fб, Н | 2000 | ||||||||
| Номинальная радиальная консольная нагрузка, приложенная в середине посадочной части тихоходного вала Fт, Н | 13800 | ||||||||
| Масса, кг | 287 | ||||||||
| Ориентировочный объем масла, л. | 8,4 | ||||||||
