



| Передаточное число | Номинальное | 8 | 10 | 12,5 | 16 | 20 | 22,4 | 31,5 | 40 | 50 |
| Частота вращения, об/мин | Режим работы | Допускаемый крутящий момент на выходном валу редуктора, Нм | ||||||||
| 600 | Особо легкий | 1389 | 1549 | 1650 | 1655 | 1729 | 1747 | 1756 | 1791 | 1779 |
| ПВ-15% | 734 | 791 | 865 | 903 | 946 | 929 | 903 | 895 | 928 | |
| ПВ-25% | 642 | 692 | 745 | 777 | 816 | 818 | 802 | 768 | 773 | |
| ПВ-40% | 550 | 593 | 624 | 652 | 685 | 706 | 702 | 640 | 657 | |
| ПВ-100% | 288 | 297 | 302 | 301 | 277 | 279 | 276 | 256 | 271 | |
| 750 | Особо легкий | 1323 | 1492 | 1610 | 1628 | 1723 | 1693 | 1724 | 1792 | 1795 |
| ПВ-15% | 651 | 726 | 741 | 804 | 940 | 921 | 882 | 870 | 928 | |
| ПВ-25% | 567 | 634 | 644 | 704 | 809 | 802 | 762 | 768 | 805 | |
| ПВ-40% | 473 | 528 | 547 | 603 | 679 | 683 | 642 | 666 | 681 | |
| ПВ-100% | 294 | 290 | 290 | 281 | 261 | 267 | 281 | 256 | 248 | |
| 1000 | Особо легкий | 1240 | 1406 | 1549 | 1590 | 1705 | 1672 | 1716 | 1766 | 1670 |
| ПВ-15% | 537 | 614 | 666 | 690 | 784 | 803 | 783 | 922 | 835 | |
| ПВ-25% | 466 | 535 | 581 | 600 | 686 | 691 | 692 | 806 | 742 | |
| ПВ-40% | 395 | 455 | 496 | 510 | 588 | 647 | 602 | 691 | 650 | |
| ПВ-100% | 296 | 297 | 290 | 300 | 274 | 268 | 271 | 250 | 255 | |
| 1250 | Особо легкий | 1147 | 1311 | 1474 | 1560 | 1664 | 1638 | 1711 | 1781 | 1781 |
| ПВ-15% | 466 | 514 | 592 | 624 | 722 | 712 | 723 | 798 | 816 | |
| ПВ-25% | 403 | 450 | 514 | 540 | 628 | 623 | 627 | 706 | 705 | |
| ПВ-40% | 340 | 387 | 437 | 456 | 534 | 534 | 530 | 614 | 594 | |
| ПВ-100% | 296 | 292 | 301 | 288 | 267 | 267 | 265 | 246 | 260 | |
| 1500 | Особо легкий | 1056 | 1241 | 1401 | 1530 | 1598 | 1624 | 1688 | 1741 | 1761 |
| ПВ-15% | 400 | 462 | 559 | 550 | 668 | 641 | 623 | 742 | 742 | |
| ПВ-25% | 348 | 403 | 446 | 480 | 576 | 551 | 543 | 640 | 649 | |
| ПВ-40% | 296 | 343 | 381 | 410 | 485 | 462 | 462 | 538 | 556 | |
| ПВ-100% | 291 | 297 | 308 | 300 | 262 | 268 | 271 | 243 | 247 | |


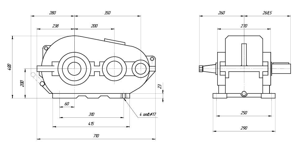
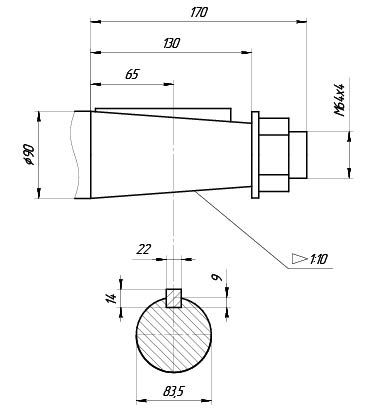
1. Модель редуктора.
2. Габарит редуктора.
3. Передаточное число.
4. Вариант сборки.
5. Исполнение валов, Цвх/Квых (вх- входной вал, вых- выходной вал),
(Ц - цилиндрический вал,
К - конический вал,
М- вал в виде части зубчатой муфты).



| Передаточное число | Номинальное | 8 | 10 | 12,5 | 16 | 20 | 22,4 | 31,5 | 40 | 50 |
| Частота вращения, об/мин | Режим работы | Допускаемый крутящий момент на выходном валу редуктора, Нм | ||||||||
| 600 | Особо легкий | 3460 | 3593 | 3643 | 3762 | 3817 | 3977 | 4113 | 4222 | 4254 |
| ПВ-15% | 2005 | 2142 | 2254 | 2332 | 2251 | 2304 | 2357 | 2175 | 2166 | |
| ПВ-25% | 1743 | 1862 | 1952 | 2031 | 1958 | 2007 | 2056 | 1855 | 1856 | |
| ПВ-40% | 1481 | 1582 | 1671 | 1730 | 1664 | 1710 | 1705 | 1599 | 1624 | |
| ПВ-100% | 695 | 692 | 684 | 677 | 587 | 595 | 602 | 608 | 657 | |
| 750 | Особо легкий | 3407 | 3428 | 3623 | 3692 | 3837 | 3925 | 4253 | 4145 | 3836 |
| ПВ-15% | 1835 | 2004 | 2109 | 2247 | 2140 | 2230 | 2327 | 2098 | 2166 | |
| ПВ-25% | 1594 | 1740 | 1836 | 1946 | 1853 | 1933 | 2006 | 1842 | 1856 | |
| ПВ-40% | 1352 | 1477 | 1562 | 1665 | 1592 | 1635 | 1725 | 1586 | 1609 | |
| ПВ-100% | 681 | 738 | 692 | 682 | 600 | 595 | 602 | 563 | 588 | |
| 1000 | Особо легкий | 3184 | 3362 | 3502 | 3611 | 3759 | 3835 | 3973 | 4068 | 4037 |
| ПВ-15% | 1691 | 1790 | 1944 | 2092 | 2055 | 2141 | 2257 | 2111 | 2135 | |
| ПВ-25% | 1463 | 1552 | 1691 | 1821 | 1801 | 1851 | 1956 | 1842 | 1856 | |
| ПВ-40% | 1242 | 1315 | 1437 | 1550 | 1527 | 1583 | 1655 | 1535 | 1624 | |
| ПВ-100% | 684 | 692 | 688 | 692 | 607 | 602 | 602 | 576 | 580 | |
| 1250 | Особо легкий | 3019 | 3204 | 3333 | 3491 | 3680 | 3746 | 3900 | 4053 | 4121 |
| ПВ-15% | 1541 | 1661 | 1710 | 1938 | 2020 | 2034 | 2167 | 2057 | 2116 | |
| ПВ-25% | 1352 | 1432 | 1488 | 1685 | 1754 | 1766 | 1878 | 1781 | 1819 | |
| ПВ-40% | 1151 | 1218 | 1266 | 1433 | 1488 | 1498 | 1589 | 1535 | 1633 | |
| ПВ-100% | 623 | 688 | 686 | 686 | 595 | 607 | 602 | 583 | 594 | |
| 1500 | Особо легкий | 2778 | 3164 | 3180 | 3361 | 3524 | 3642 | 3772 | 3889 | 4022 |
| ПВ-15% | 1415 | 1714 | 1691 | 1816 | 1932 | 1933 | 2147 | 1996 | 2042 | |
| ПВ-25% | 1232 | 1384 | 1465 | 1575 | 1684 | 1680 | 1866 | 1740 | 1794 | |
| ПВ-40% | 1059 | 1173 | 1248 | 1344 | 1436 | 1427 | 1585 | 1484 | 1516 | |
| ПВ-100% | 687 | 626 | 684 | 692 | 600 | 610 | 602 | 588 | 588 | |


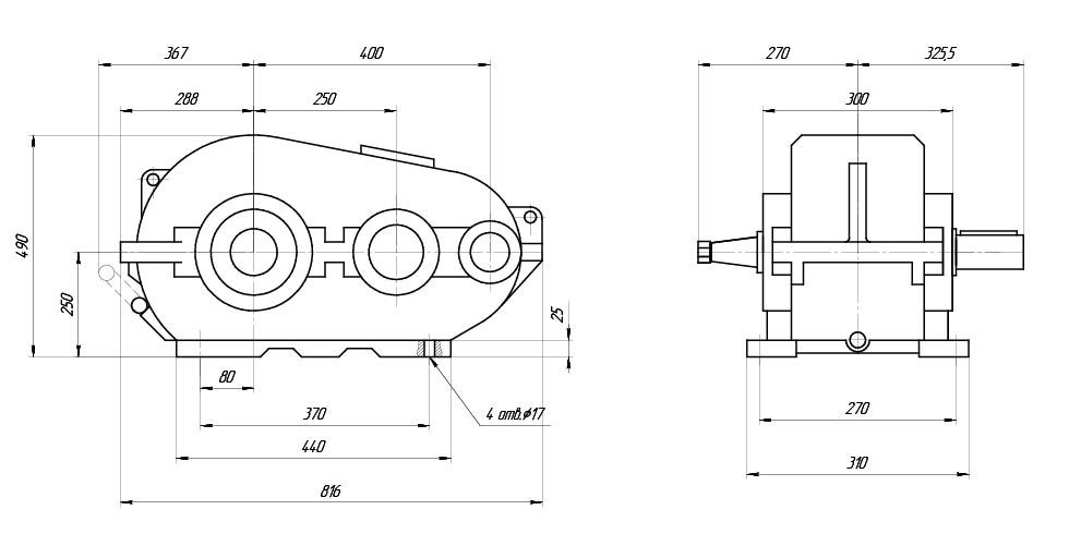
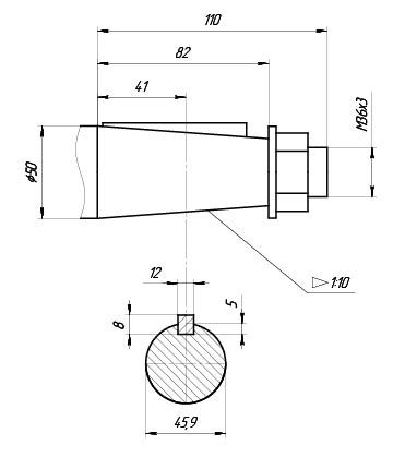
1. Модель редуктора.
2. Габарит редуктора.
3. Передаточное число.
4. Вариант сборки.
5. Исполнение валов, Цвх/Квых (вх- входной вал, вых- выходной вал),
(Ц - цилиндрический вал,
К - конический вал,
М- вал в виде части зубчатой муфты).



| Передаточное число | Номинальное | 8 | 10 | 12,5 | 16 | 20 | 22,4 | 31,5 | 40 | 50 |
| Частота вращения, об/мин | Режим работы | Допускаемый крутящий момент на выходном валу редуктора, Нм | ||||||||
| 600 | Особо легкий | 4259 | 4862 | 5233 | 5768 | 7015 | 7322 | 7875 | 8251 | 8507 |
| ПВ-15% | 2503 | 2670 | 2858 | 2984 | 9788 | 11150 | 3160 | 3710 | 3480 | |
| ПВ-25% | 2175 | 2324 | 2496 | 2608 | 3034 | 3010 | 2759 | 3198 | 3016 | |
| ПВ-40% | 1848 | 1978 | 2113 | 2207 | 2578 | 2564 | 2357 | 2750 | 2552 | |
| ПВ-100% | 1337 | 1351 | 1349 | 1329 | 1272 | 1264 | 1254 | 1215 | 1237 | |
| 750 | Особо легкий | 4036 | 4549 | 5072 | 5517 | 6656 | 6987 | 7785 | 8187 | 8476 |
| ПВ-15% | 2202 | 2360 | 2512 | 2648 | 3132 | 3092 | 3050 | 3377 | 3217 | |
| ПВ-25% | 3491 | 2057 | 2190 | 2307 | 2715 | 2706 | 2648 | 2917 | 2784 | |
| ПВ-40% | 1625 | 1754 | 1868 | 1966 | 2323 | 2289 | 2247 | 2507 | 2351 | |
| ПВ-100% | 1342 | 1345 | 1353 | 1344 | 1253 | 1249 | 1244 | 1126 | 1176 | |
| 1000 | Особо легкий | 3578 | 4153 | 4649 | 5191 | 6264 | 6690 | 7373 | 8059 | 8353 |
| ПВ-15% | 1769 | 2077 | 2246 | 2317 | 2643 | 2720 | 2739 | 3070 | 2691 | |
| ПВ-25% | 1549 | 1810 | 1956 | 2016 | 2290 | 2364 | 2378 | 2686 | 2320 | |
| ПВ-40% | 1282 | 1543 | 1667 | 1715 | 1860 | 2007 | 2016 | 2264 | 1995 | |
| ПВ-100% | 1337 | 1335 | 1340 | 1279 | 1253 | 1249 | 1234 | 1151 | 1160 | |
| 1250 | Особо легкий | 3271 | 3797 | 4299 | 4815 | 5873 | 6244 | 6982 | 7983 | 8353 |
| ПВ-15% | 1541 | 1819 | 1913 | 2095 | 2427 | 2408 | 2408 | 2825 | 2747 | |
| ПВ-25% | 1352 | 1519 | 1662 | 1830 | 2114 | 2105 | 2095 | 2456 | 2376 | |
| ПВ-40% | 1145 | 1329 | 1411 | 1553 | 1801 | 1784 | 1782 | 2088 | 2005 | |
| ПВ-100% | 1352 | 1345 | 1353 | 1264 | 1253 | 1249 | 1252 | 1136 | 1151 | |
| 1500 | Особо легкий | 3093 | 3527 | 3985 | 4514 | 5547 | 5946 | 6721 | 7804 | 8198 |
| ПВ-15% | 1363 | 1549 | 1731 | 1886 | 2127 | 2215 | 2147 | 2507 | 2475 | |
| ПВ-25% | 1179 | 1351 | 1497 | 1645 | 1918 | 1933 | 1886 | 2200 | 2166 | |
| ПВ-40% | 1006 | 1147 | 1272 | 1394 | 1631 | 1635 | 1605 | 1868 | 1825 | |
| ПВ-100% | 1195 | 1233 | 1296 | 1274 | 1266 | 1264 | 1244 | 1151 | 835 | |

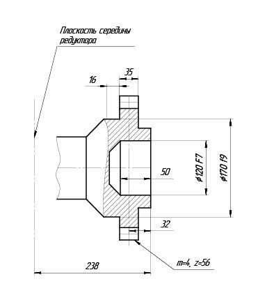
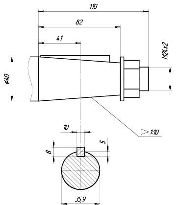
1. Модель редуктора.
2. Габарит редуктора.
3. Передаточное число.
4. Вариант сборки.
5. Исполнение валов, Цвх/Квых (вх- входной вал, вых- выходной вал),
(Ц - цилиндрический вал,
К - конический вал,
М- вал в виде части зубчатой муфты).



| Передаточное число | Номинальное | 8 | 10 | 12,5 | 16 | 20 | 22,4 | 31,5 | 40 | 50 |
| Частота вращения, об/мин | Режим работы | Допускаемый крутящий момент на выходном валу редуктора, Нм | ||||||||
| 600 | Особо легкий | 9304 | 10712 | 11875 | 12540 | 13051 | 13194 | 13292 | 13113 | 14230 |
| ПВ-15% | 5766 | 6180 | 6642 | 7022 | 7341 | 7805 | 7423 | 7100 | 7193 | |
| ПВ-25% | 4980 | 5439 | 5837 | 6144 | 6460 | 6541 | 6470 | 6205 | 6265 | |
| ПВ-40% | 4259 | 4532 | 4931 | 5141 | 5481 | 5575 | 5467 | 5245 | 5336 | |
| ПВ-100% | 2320 | 2324 | 2315 | 2332 | 2153 | 2156 | 2157 | 2047 | 2166 | |
| 750 | Особо легкий | 8597 | 9888 | 10949 | 12239 | 12920 | 13082 | 13442 | 14072 | 13921 |
| ПВ-15% | 5137 | 5669 | 5958 | 6220 | 7178 | 7284 | 6982 | 7062 | 7177 | |
| ПВ-25% | 4456 | 4878 | 5153 | 5417 | 6264 | 6244 | 6059 | 6141 | 6249 | |
| ПВ-40% | 3774 | 4153 | 4347 | 4615 | 5325 | 5382 | 5136 | 5219 | 5321 | |
| ПВ-100% | 2317 | 2320 | 2319 | 2307 | 2166 | 2170 | 2167 | 1945 | 2042 | |
| 1000 | Особо легкий | 7627 | 8900 | 10023 | 11286 | 12529 | 12710 | 13091 | 13624 | 13689 |
| ПВ-15% | 4128 | 4796 | 5193 | 5342 | 6166 | 6244 | 7223 | 6946 | 6775 | |
| ПВ-25% | 3617 | 4153 | 4529 | 4665 | 5383 | 5463 | 5447 | 6025 | 5893 | |
| ПВ-40% | 3067 | 3510 | 3864 | 3912 | 4503 | 4527 | 4635 | 5143 | 5012 | |
| ПВ-100% | 2107 | 2324 | 2319 | 2317 | 2153 | 2163 | 2167 | 1996 | 1995 | |
| 1250 | Особо легкий | 6856 | 8069 | 9178 | 10353 | 12685 | 12309 | 12760 | 13509 | 13550 |
| ПВ-15% | 3586 | 4114 | 4589 | 4815 | 5622 | 5619 | 5537 | 6601 | 6274 | |
| ПВ-25% | 3114 | 3520 | 4009 | 4213 | 4855 | 4906 | 4936 | 5680 | 5457 | |
| ПВ-40% | 2642 | 3006 | 3381 | 3551 | 3994 | 4192 | 4165 | 4820 | 4640 | |
| ПВ-100% | 2170 | 2096 | 2319 | 2323 | 2161 | 2159 | 2167 | 1996 | 2005 | |
| 1500 | Особо легкий | 5897 | 7317 | 8373 | 9630 | 11746 | 12041 | 12640 | 13305 | 13302 |
| ПВ-15% | 3171 | 3626 | 4025 | 4364 | 5220 | 5500 | 5216 | 5885 | 5816 | |
| ПВ-25% | 2752 | 3131 | 3502 | 3812 | 4503 | 4757 | 4514 | 5117 | 5043 | |
| ПВ-40% | 2333 | 2670 | 2979 | 3210 | 3785 | 4014 | 3852 | 4350 | 4300 | |
| ПВ-100% | 2097 | 2110 | 2013 | 2307 | 2166 | 2170 | 2167 | 1996 | 1980 | |


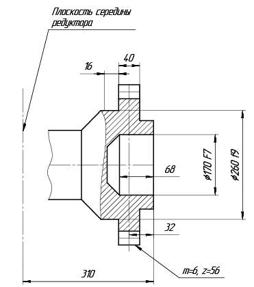
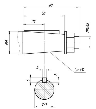
1. Модель редуктора.
2. Габарит редуктора.
3. Передаточное число.
4. Вариант сборки.
5. Исполнение валов, Цвх/Квых (вх- входной вал, вых- выходной вал),
(Ц - цилиндрический вал,
К - конический вал,
М- вал в виде части зубчатой муфты).



| Передаточное число | Номинальное | 8 | 10 | 12,5 | 16 | 20 | 22,4 | 31,5 | 40 | 50 |
| Частота вращения, об/мин | Режим работы | Допускаемый крутящий момент на выходном валу редуктора, Нм | ||||||||
| 600 | Особо легкий | 17561 | 19282 | 21536 | 24076 | 29690 | 30847 | 31600 | 32622 | 33256 |
| ПВ-15% | 11270 | 12360 | 13083 | 13794 | 15824 | 15609 | 14797 | 16631 | 15855 | |
| ПВ-25% | 9829 | 10712 | 11472 | 11913 | 13703 | 13565 | 12790 | 14392 | 13844 | |
| ПВ-40% | 8322 | 9064 | 9661 | 10032 | 11583 | 11521 | 10784 | 12281 | 11756 | |
| ПВ-100% | 5504 | 5521 | 5535 | 5517 | 5155 | 5129 | 5166 | 4925 | 5182 | |
| 750 | Особо легкий | 15307 | 17799 | 19966 | 22471 | 27668 | 29137 | 30898 | 32238 | 32792 |
| ПВ-15% | 9960 | 11075 | 11432 | 12038 | 14356 | 14123 | 13242 | 15351 | 14540 | |
| ПВ-25% | 8702 | 9625 | 9983 | 10634 | 12398 | 12190 | 11637 | 512 | 12684 | |
| ПВ-40% | 7339 | 8174 | 8453 | 8928 | 10571 | 10406 | 9831 | 11258 | 10766 | |
| ПВ-100% | 5032 | 5537 | 5636 | 5517 | 5090 | 5173 | 5136 | 4708 | 4764 | |
| 1000 | Особо легкий | 13839 | 15624 | 17873 | 20013 | 24862 | 26536 | 29794 | 31470 | 32483 |
| ПВ-15% | 8335 | 9394 | 10265 | 10383 | 12529 | 12264 | 12189 | 13816 | 13225 | |
| ПВ-25% | 7077 | 8207 | 8816 | 9029 | 10963 | 10704 | 10684 | 12089 | 11601 | |
| ПВ-40% | 5976 | 6922 | 7548 | 7674 | 9201 | 9031 | 9029 | 10170 | 9745 | |
| ПВ-100% | 5032 | 4994 | 5555 | 5568 | 5188 | 5129 | 5116 | 4912 | 4687 | |
| 1250 | Особо легкий | - | 14002 | 16134 | 18418 | 22708 | 24440 | 28410 | 30703 | 31555 |
| ПВ-15% | - | 8069 | 8888 | 9510 | 11432 | 10971 | 10955 | 12588 | 12251 | |
| ПВ-25% | - | 6922 | 7729 | 8246 | 9945 | 9544 | 9510 | 10899 | 10580 | |
| ПВ-40% | - | 5854 | 6569 | 6982 | 8457 | 8295 | 8065 | 9364 | 9095 | |
| ПВ-100% | - | 5023 | 5024 | 5537 | 5168 | 5173 | 5176 | 4759 | 4715 | |
| 1500 | Особо легкий | - | - | - | 16954 | 21012 | 22448 | 26484 | 29935 | 30781 |
| ПВ-15% | - | - | - | 8527 | 10506 | 10258 | 9731 | 11386 | 11292 | |
| ПВ-25% | - | - | - | 7423 | 9136 | 8920 | 8427 | 9850 | 9899 | |
| ПВ-40% | - | - | - | 6320 | 7830 | 7582 | 7223 | 8443 | 8353 | |
| ПВ-100% | - | - | - | 5016 | 5155 | 5129 | 5116 | 4708 | 4702 | |


1. Модель редуктора.
2. Габарит редуктора.
3. Передаточное число.
4. Вариант сборки.
5. Исполнение валов, Цвх/Квых (вх- входной вал, вых- выходной вал),
(Ц - цилиндрический вал,
К - конический вал,
М- вал в виде части зубчатой муфты).



| Передаточное число | Номинальное | 8 | 10 | 12,5 | 16 | 20 | 22,4 | 31,5 | 40 | 50 |
| Частота вращения, об/мин | Режим работы | Допускаемый крутящий момент на выходном валу редуктора, Нм | ||||||||
| 600 | Особо легкий | 26865 | 31148 | 35021 | 39374 | 42741 | 43483 | 44641 | 46694 | 49497 |
| ПВ-15% | 19788 | 21260 | 23146 | 24076 | 25449 | 26016 | 25581 | 24626 | 24749 | |
| ПВ-25% | 17167 | 18458 | 20127 | 21067 | 22186 | 22671 | 22070 | 21428 | 21655 | |
| ПВ-40% | 14546 | 15657 | 17108 | 17806 | 18924 | 19326 | 18809 | 18230 | 18175 | |
| ПВ-100% | 7863 | 7828 | 7850 | 7900 | 7341 | 7247 | 7273 | 7036 | 7347 | |
| 750 | Особо легкий | 24637 | 28347 | 32203 | 36515 | 41501 | 42517 | 44139 | 46054 | 46404 |
| ПВ-15% | 17613 | 19381 | 20449 | 21468 | 24796 | 24975 | 24076 | 24306 | 24749 | |
| ПВ-25% | 15307 | 16876 | 17712 | 18659 | 21664 | 21704 | 20866 | 20980 | 21346 | |
| ПВ-40% | 13000 | 14371 | 15136 | 15850 | 18271 | 18434 | 17856 | 17910 | 18258 | |
| ПВ-100% | 7129 | 7911 | 7809 | 7825 | 7308 | 7284 | 7303 | 6703 | 6806 | |
| 1000 | Особо легкий | - | 24721 | 28379 | 32352 | 40131 | 40807 | 42434 | 44519 | 45476 |
| ПВ-15% | - | 16612 | 17994 | 18358 | 21142 | 21630 | 21668 | 23795 | 23666 | |
| ПВ-25% | - | 14437 | 15699 | 15950 | 18402 | 18954 | 18960 | 20724 | 20418 | |
| ПВ-40% | - | 12262 | 13284 | 13543 | 15661 | 16055 | 15950 | 17654 | 17169 | |
| ПВ-100% | - | 7120 | 7125 | 7825 | 7341 | 7805 | 7163 | 6716 | 6729 | |
| 1250 | Особо легкий | - | - | 25119 | 28891 | 36020 | 39246 | 41411 | 43905 | 44176 |
| ПВ-15% | - | - | 15651 | 16612 | 19263 | 19445 | 19261 | 22413 | 21531 | |
| ПВ-25% | - | - | 13719 | 14446 | 16914 | 16947 | 16853 | 19650 | 18933 | |
| ПВ-40% | - | - | 11593 | 12279 | 14408 | 14271 | 14205 | 16579 | 15963 | |
| ПВ-100% | - | - | 7149 | 7102 | 7282 | 7314 | 7343 | 6755 | 6719 | |
| 1500 | Особо легкий | - | - | - | 26584 | 33279 | 36422 | 40127 | 42216 | 43620 |
| ПВ-15% | - | - | - | 15048 | 17619 | 17839 | 17255 | 20213 | 20108 | |
| ПВ-25% | - | - | - | 13041 | 15400 | 15461 | 15048 | 17654 | 17324 | |
| ПВ-40% | - | - | - | 11135 | 13051 | 13231 | 12640 | 15096 | 14849 | |
| ПВ-100% | - | - | - | 7123 | 7308 | 7136 | 7323 | 6780 | 6651 | |


1. Модель редуктора.
2. Габарит редуктора.
3. Передаточное число.
4. Вариант сборки.
5. Исполнение валов, Цвх/Квых (вх- входной вал, вых- выходной вал),
(Ц - цилиндрический вал,
К - конический вал,
М- вал в виде части зубчатой муфты).



| Передаточное число | Номинальное | 8 | 10 | 12,5 | 16 | 20 | 22,4 | 31,5 | 40 | 50 |
| Частота вращения, об/мин | Режим работы | Допускаемый крутящий момент на выходном валу редуктора, Нм | ||||||||
| 600 | Особо легкий | 55041 | 56034 | 57362 | 58936 | 62317 | 62809 | 62197 | 65883 | 65739 |
| ПВ-15% | 31714 | 33291 | 34619 | 36114 | 35237 | 34935 | 36616 | 33901 | 34029 | |
| ПВ-25% | 27520 | 29006 | 30191 | 31349 | 30669 | 30475 | 31600 | 29423 | 29776 | |
| ПВ-40% | 23327 | 24556 | 25561 | 26584 | 26102 | 25644 | 27086 | 24946 | 25135 | |
| ПВ-100% | 10877 | 10877 | 10768 | 10784 | 10114 | 10220 | 10032 | 9403 | 10131 | |
| 750 | Особо легкий | 51895 | 54716 | 56356 | 58184 | 61339 | 62437 | 62999 | 64987 | 65584 |
| ПВ-15% | 26904 | 31115 | 32203 | 34910 | 34193 | 34489 | 35312 | 33773 | 34029 | |
| ПВ-25% | 24113 | 27028 | 28017 | 30296 | 29756 | 30029 | 30898 | 29168 | 29389 | |
| ПВ-40% | 20444 | 22941 | 23830 | 24076 | 25318 | 25570 | 26082 | 24818 | 25058 | |
| ПВ-100% | 3565 | 9888 | 10788 | 10834 | 10049 | 9960 | 10032 | 9160 | 9404 | |
| 1000 | Особо легкий | - | - | 54343 | 55676 | 59707 | 60207 | 61695 | 64092 | 64965 |
| ПВ-15% | - | - | 28500 | 29042 | 31713 | 33003 | 34609 | 33005 | 33875 | |
| ПВ-25% | - | - | 24756 | 25280 | 27602 | 28766 | 30095 | 28784 | 29234 | |
| ПВ-40% | - | - | 21013 | 21518 | 23491 | 24529 | 25581 | 24562 | 25058 | |
| ПВ-100% | - | - | 9903 | 10834 | 9984 | 10035 | 9931 | 9211 | 9884 | |
| 1250 | Особо легкий | - | - | - | - | 57945 | 58869 | 60190 | 62941 | 64223 |
| ПВ-15% | - | - | - | - | 30695 | 30683 | 30577 | 32238 | 33039 | |
| ПВ-25% | - | - | - | - | 26780 | 26759 | 26724 | 27939 | 28956 | |
| ПВ-40% | - | - | - | - | 22708 | 22834 | 22872 | 23641 | 24501 | |
| ПВ-100% | - | - | - | - | 10023 | 9990 | 9992 | 9211 | 9132 | |
| 1500 | Особо легкий | - | - | - | - | - | 57234 | 60190 | 61405 | 63418 |
| ПВ-15% | - | - | - | - | - | 27651 | 27487 | 31214 | 31864 | |
| ПВ-25% | - | - | - | - | - | 24083 | 23875 | 27121 | 27842 | |
| ПВ-40% | - | - | - | - | - | 20515 | 20264 | 23027 | 23511 | |
| ПВ-100% | - | - | - | - | - | 10109 | 10032 | 9083 | 9157 | |


1. Модель редуктора.
2. Габарит редуктора.
3. Передаточное число.
4. Вариант сборки.
5. Исполнение валов, Цвх/Квых (вх- входной вал, вых- выходной вал),
(Ц - цилиндрический вал,
К - конический вал,
М- вал в виде части зубчатой муфты).



| Передаточное число | Номинальное | 8 | 10 | 12,5 | 16 | 20 | 22,4 | 31,5 | 40 | 50 |
| Частота вращения, об/мин | Режим работы | Допускаемый крутящий момент на выходном валу редуктора, Нм | ||||||||
| 600 | Особо легкий | 55696 | 60978 | 73464 | 82762 | 96249 | 98487 | 100317 | 99784 | 102862 |
| ПВ-15% | 46522 | 50266 | 54343 | 56428 | 60360 | 61694 | 60692 | 58207 | 58005 | |
| ПВ-25% | 40625 | 43674 | 47299 | 49657 | 52529 | 53518 | 53168 | 50532 | 50271 | |
| ПВ-40% | 34073 | 37081 | 40254 | 42133 | 44699 | 45341 | 44641 | 42856 | 43310 | |
| ПВ-100% | 16905 | 18623 | 18517 | 18559 | 17292 | 17468 | 17555 | 16631 | 17401 | |
| 750 | Особо легкий | - | 56034 | 67627 | 76241 | 92660 | 96629 | 100317 | 99272 | 100851 |
| ПВ-15% | - | 46146 | 49110 | 51162 | 58728 | 58275 | 57783 | 57312 | 58159 | |
| ПВ-25% | - | 40213 | 41864 | 44139 | 51159 | 50842 | 49757 | 50148 | 50735 | |
| ПВ-40% | - | 34280 | 35424 | 37719 | 43329 | 43111 | 42133 | 42472 | 42691 | |
| ПВ-100% | - | 17008 | 16907 | 18458 | 17227 | 17393 | 17455 | 16119 | 16149 | |
| 1000 | Особо легкий | - | - | - | 67714 | 83199 | 90311 | 94800 | 95946 | 97448 |
| ПВ-15% | - | - | - | 43638 | 49919 | 52403 | 51162 | 56032 | 54292 | |
| ПВ-25% | - | - | - | 37619 | 43068 | 45713 | 44541 | 48741 | 48260 | |
| ПВ-40% | - | - | - | 32352 | 36803 | 38577 | 37920 | 41449 | 40835 | |
| ПВ-100% | - | - | - | 17004 | 17423 | 17393 | 17455 | 15927 | 16009 | |
| 1250 | Особо легкий | - | - | - | - | - | 80277 | 92693 | 92108 | 94664 |
| ПВ-15% | - | - | - | - | - | 45490 | 45745 | 52195 | 51972 | |
| ПВ-25% | - | - | - | - | - | 39246 | 39485 | 46054 | 44548 | |
| ПВ-40% | - | - | - | - | - | 33716 | 33466 | 38992 | 37865 | |
| ПВ-100% | - | - | - | - | - | 17482 | 17335 | 15965 | 15963 | |
| 1500 | Особо легкий | - | - | - | - | - | - | 89282 | 89550 | 92808 |
| ПВ-15% | - | - | - | - | - | - | 40528 | 48101 | 46713 | |
| ПВ-25% | - | - | - | - | - | - | 35312 | 41705 | 40835 | |
| ПВ-40% | - | - | - | - | - | - | 29894 | 35308 | 34648 | |
| ПВ-100% | - | - | - | - | - | - | 17455 | 15863 | 15932 | |
