


| Типоразмер редуктора | Передаточное отношение | Частота вращения входного вала, мин-1 | Номинальный крутящий момент на выходном валу, Н*м |
| ГПШ-400 | 8; 10; 12,5; 16; 20; 25; 31,5; 40; 50 | 1000 | до 16,3 |
| 1500 | до 19,2 |


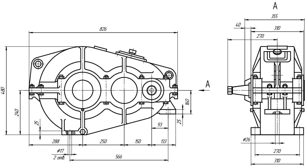
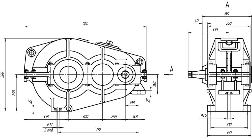
1. Модель редуктора.
2. Габарит редуктора.(М- означает модернизированный редуктор, что позволяет увеличить долговечность работы редуктора).
3. Передаточное число.
4. Вариант сборки.


| Типоразмер редуктора | Передаточное отношение | Частота вращения входного вала, мин-1 | Номинальный крутящий момент на выходном валу, Н*м |
| ГПШ-500 | 8; 10; 12,5; 16; 20; 25; 31,5; 40; 50 | 1000 | до 39 |
| 1500 | до 44,5 |
