
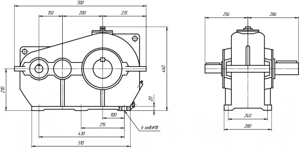
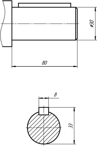
1. Модель редуктора.


| Типоразмер | Передаточное число | Скорость вращения быстроходного вала, об/мин | Мощность на быстроходном валу, кВт | Вес, кг | Обьем масла, л |
| ГД-III | 10.35 | 750 | 7.0 | 170 | 11.2 |
| 1000 | 6.6 | ||||
| 1500 | 14 | ||||
| 31.36 | 750 | 2.4 | 175 | 6.7 | |
| 1000 | 3.4 | ||||
| 1500 | 4.8 | ||||
| 49.84 | 750 | 1.5 | 180 | 6.7 | |
| 1000 | 2 | ||||
| 1500 | 3.4 |


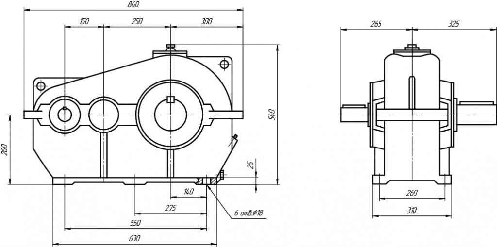
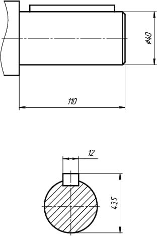
1. Модель редуктора.


| Типоразмер | Передаточное число | Скорость вращения быстроходного вала, об/мин | Мощность на быстроходном валу, кВт | Вес, кг | Обьем масла, л |
| ГД-IV | 10.35 | 750 | 10 | 230 | 19.5 |
| 1000 | 13.6 | ||||
| 1500 | 20 | ||||
| 31.36 | 750 | 3.4 | 240 | ||
| 1000 | 4.3 | ||||
| 1500 | 6.8 | ||||
| 49.84 | 750 | 2 | 260 | ||
| 1000 | 2.8 | ||||
| 1500 | 4.3 |


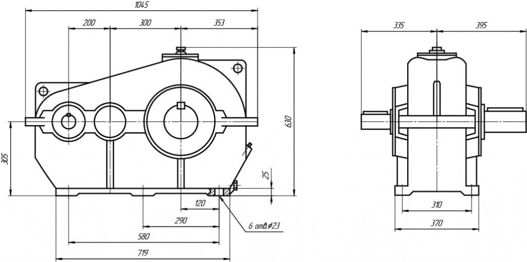
1. Модель редуктора.


| Типоразмер | Передаточное число | Скорость вращения быстроходного вала, об/мин | Мощность на быстроходном валу, кВт | Вес, кг | Обьем масла, л |
| ГД-V | 10.35 | 750 | 20 | 410 | 28.5 |
| 1000 | 27.2 | ||||
| 1500 | 40 | ||||
| 31.36 | 750 | 7 | 420 | 22.5 | |
| 1000 | 8.6 | ||||
| 1500 | 13.6 | ||||
| 49.84 | 750 | 4 | 430 | ||
| 1000 | 5.6 | ||||
| 1500 | 8.6 |
