Категория: Цилиндрические горизонтальные одноступенчатые
Редукторы цилиндрические одноступенчатые узкие горизонтальные общемашиностроительного применения типов 1ЦУ-100, 1ЦУ-160, 1ЦУ-200, 1ЦУ-250 предназначены для увеличения крутящего момента и уменьшения частоты вращения.
Условия применения редукторов 1ЦУ:



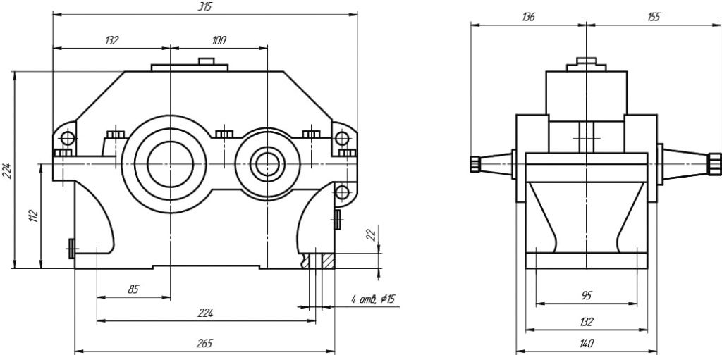
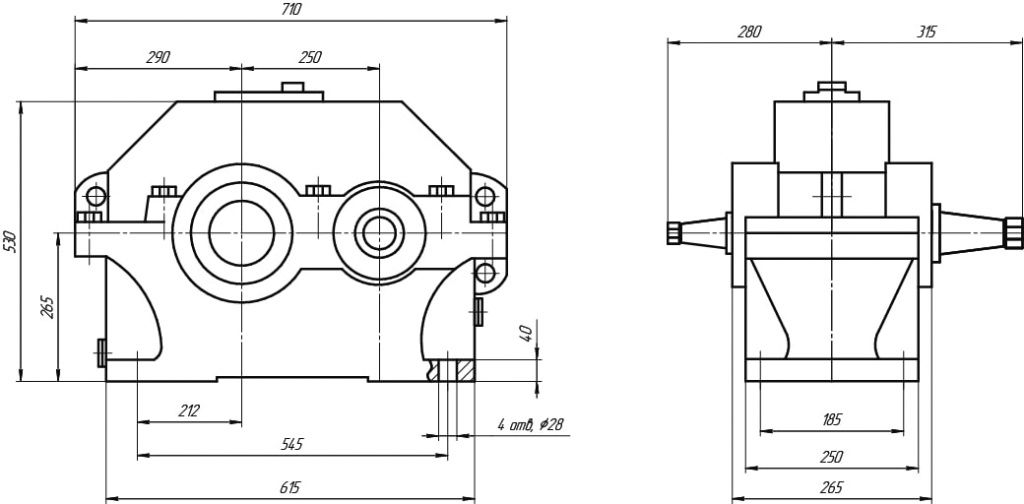
| Тип | Межосевое расстояние | Номинальное передаточное число | Номинальный крутящий момент, Нм | Номинальная радиальная нагрузка на валу, Н | Масса не более, кг | КПД | |
| вх | вых | ||||||
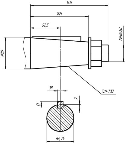
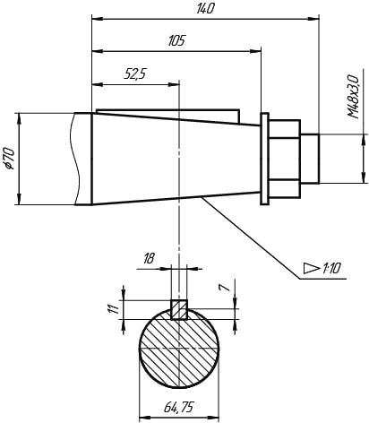
| редуктор 1ЦУ-100 | 100 | 2; 2,5; 3,15; 4; 5; 6,3 | 315 | 630 | 2240 | 27 | 0,98 |


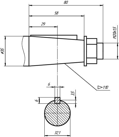
1. Модель редуктора.
2. Габарит редуктора.
3. Передаточное число.
4. Вариант сборки.
5. Исполнение тихоходного вала.


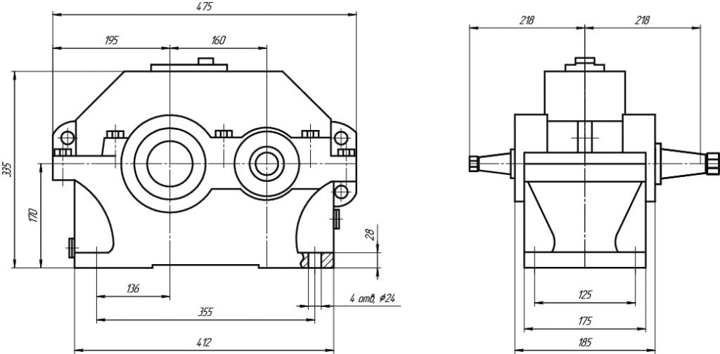
| Тип | Межосевое расстояние | Номинальное передаточное число | Номинальный крутящий момент, Нм | Номинальная радиальная нагрузка на валу, Н | Масса не более, кг | КПД | |
| вх | вых | ||||||
| редуктор 1ЦУ-160 | 160 | 2; 2,5; 3,15; 4; 5; 6,3 | 1250 | 1250 | 4500 | 77,5 | 0,98 |


1. Модель редуктора.
2. Габарит редуктора.
3. Передаточное число.
4. Вариант сборки.
5. Исполнение тихоходного вала.


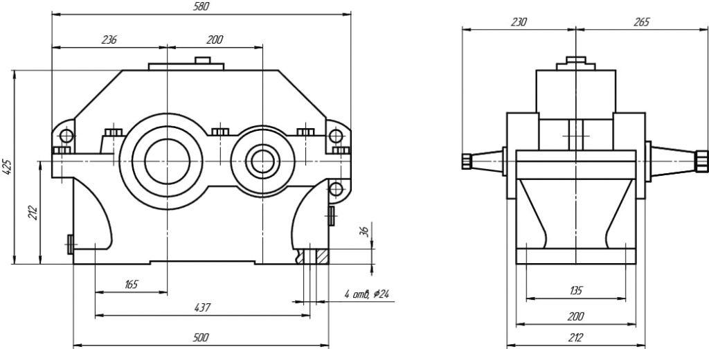
| Тип | Межосевое расстояние | Номинальное передаточное число | Номинальный крутящий момент, Нм | Номинальная радиальная нагрузка на валу, Н | Масса не более, кг | КПД | |
| вх | вых | ||||||
| редуктор 1ЦУ-200 | 200 | 2; 2,5; 3,15; 4; 5; 6,3 | 1250 | 1250 | 4500 | 77,5 | 0,98 |


1. Модель редуктора.
2. Габарит редуктора.
3. Передаточное число.
4. Вариант сборки.
5. Исполнение тихоходного вала.


| Тип | Межосевое расстояние | Номинальное передаточное число | Номинальный крутящий момент, Нм | Номинальная радиальная нагрузка на валу, Н | Масса не более, кг | КПД | |
| вх | вых | ||||||
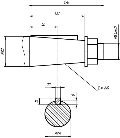
| редуктор 1ЦУ-250 | 250 | 2; 2,5; 3,15; 4; 5; 6,3 | 5000 (4500*) | 4000 | 9000 | 210 | 0,98 |
