


| показатель | тип редуктора | ||
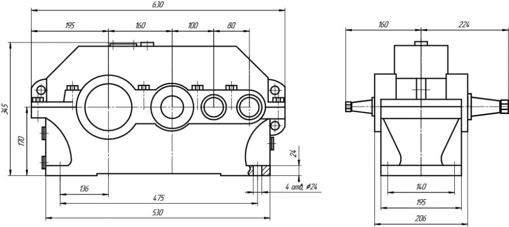
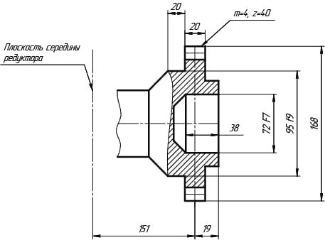
| 1ЦЗУ-160 | |||
| номинальные числа | 31,5; 40; 45; 50; 56; 63; 80; 100; 125; 160; 200 | ||
| номинальный крутящий момент на выходном валу при длительной работе с постоянной нагрузкой, Н•м | непрерывный (Н) ПВ=100% | 1250 | |
| номинальный крутящий момент на выходном валу при работе редуктора в пвторно-кратковременных режимах, H•м | номинальный крутящий момент тяжелый (Т) ПВ=40% | 1600 | |
| средний (С) ПВ=25% | 2000 | ||
| легкий (Л) ПВ=15% | 2500 | ||
| допускаемая радиальная консольная нагрузка, приложенная в середине посадочной части, Н | входного вала Fвх | непрерывный (Н) ПВ=100% | 630 |
| тяжелый (Т) ПВ=40% | 710 | ||
| средний (С) ПВ=25% | 800 | ||
| легкий (Л) ПВ=15% | 900 | ||
| выходного вала Fвых | непрерывный (Н) ПВ=100% | 9000 | |
| тяжелый (Т) ПВ=40% | 10000 | ||
| средний (С) ПВ=25% | 11200 | ||
| легкий (Л) ПВ=15% | 12500 | ||
| КПД, не менее | 0,97 | ||
| масса редуктора, кг, не более | с чугунным корпусом | 110 | |
| с алюминиевым корпусом | 64 | ||




| показатель | тип редуктора | ||
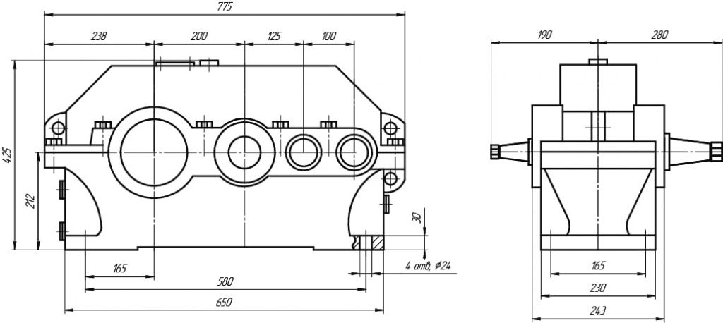
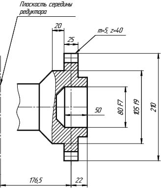
| 1ЦЗУ-200 | |||
| номинальные числа | 31,5; 40; 45; 50; 56; 63; 80; 100; 125; 160; 200 | ||
| номинальный крутящий момент на выходном валу при длительной работе с постоянной нагрузкой, Н•м | непрерывный (Н) ПВ=100% | 2500 | |
| номинальный крутящий момент на выходном валу при работе редуктора в пвторно-кратковременных режимах, H•м | номинальный крутящий момент тяжелый (Т) ПВ=40% | 3150 | |
| средний (С) ПВ=25% | 4000 | ||
| легкий (Л) ПВ=15% | 5000 | ||
| допускаемая радиальная консольная нагрузка, приложенная в середине посадочной части, Н | входного вала Fвх | непрерывный (Н) ПВ=100% | 1250 |
| тяжелый (Т) ПВ=40% | 1400 | ||
| средний (С) ПВ=25% | 1600 | ||
| легкий (Л) ПВ=15% | 1800 | ||
| выходного вала Fвых | непрерывный (Н) ПВ=100% | 12500 | |
| тяжелый (Т) ПВ=40% | 14000 | ||
| средний (С) ПВ=25% | 16000 | ||
| легкий (Л) ПВ=15% | 18000 | ||
| КПД, не менее | 0,97 | ||
| масса редуктора, кг, не более | с чугунным корпусом | 190 | |
| с алюминиевым корпусом | - | ||



| показатель | тип редуктора | ||
| 1ЦЗУ-250 | |||
| номинальные числа | 16; 20; 25; 31,5; 40; 45; 50; 56; 63; 80; 100; 125; 160; 200 | ||
| номинальный крутящий момент на выходном валу при длительной работе с постоянной нагрузкой, Н•м | непрерывный (Н) ПВ=100% | 5000 | |
| номинальный крутящий момент на выходном валу при работе редуктора в пвторно-кратковременных режимах, H•м | номинальный крутящий момент тяжелый (Т) ПВ=40% | 6300 | |
| средний (С) ПВ=25% | 8000 | ||
| легкий (Л) ПВ=15% | 10000 | ||
| допускаемая радиальная консольная нагрузка, приложенная в середине посадочной части, Н | входного вала Fвх | непрерывный (Н) ПВ=100% | 2240 |
| тяжелый (Т) ПВ=40% | 2500 | ||
| средний (С) ПВ=25% | 2800 | ||
| легкий (Л) ПВ=15% | 3150 | ||
| выходного вала Fвых | непрерывный (Н) ПВ=100% | 18000 | |
| тяжелый (Т) ПВ=40% | 20000 | ||
| средний (С) ПВ=25% | 22400 | ||
| легкий (Л) ПВ=15% | 25000 | ||
| КПД, не менее | 0,97 | ||
| масса редуктора, кг, не более | с чугунным корпусом | 335 | |
| с алюминиевым корпусом | - | ||
