Условное обозначение:

1. Модель редуктора, число ступеней-3.
2. Габарит редуктора. (Н- передача Новикова)
3. Передаточное число.
4. Вариант сборки.
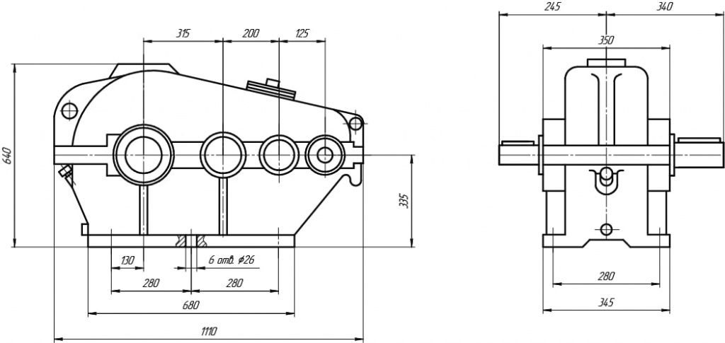
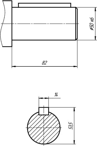
Габаритные и присоединительные размеры:

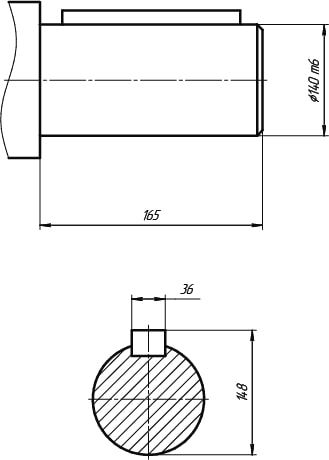
Исполнение входного вала (цилиндрический) Исполнение входного вала (цилиндрический)

Таблица подбора редуктора
Вариант сборки
Основной

Условное обозначение:

1. Модель редуктора, число ступеней-3.
2. Габарит редуктора. (Н- передача Новикова)
3. Передаточное число.
4. Вариант сборки.
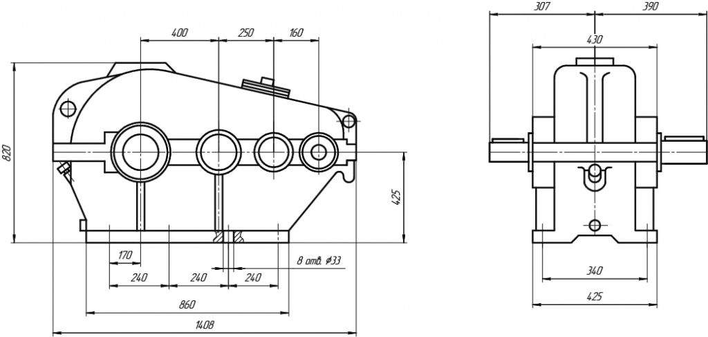
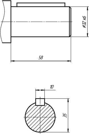
Габаритные и присоединительные размеры:

Исполнение входного вала (цилиндрический) Исполнение входного вала (цилиндрический)

Таблица подбора редуктора
Вариант сборки
Основной

Условное обозначение:

1. Модель редуктора, число ступеней-3.
2. Габарит редуктора. (Н- передача Новикова)
3. Передаточное число.
4. Вариант сборки.
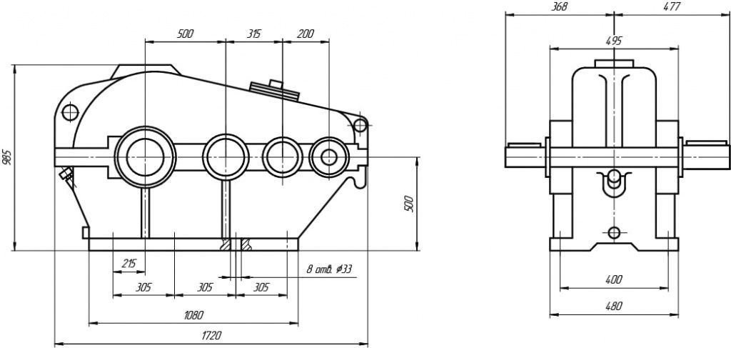
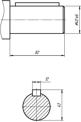
Габаритные и присоединительные размеры:

Исполнение входного вала (цилиндрический) Исполнение входного вала (цилиндрический)

Таблица подбора редуктора
Вариант сборки
Основной
