




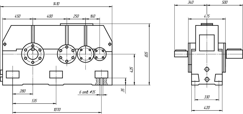
| Основные технические характеристики редукторов | ||
| Наименование технических характеристик | ЦЗУ-315Н | |
| Передаточные числа | 31,5; 40; 50; 63; 80; 100; 125; 160; 200 | |
| Допускаемая радиальная консольная нагрузка, Н |
на быстроходном валу | 1120 |
| на тихоходном валу | 31500 | |
| на т/х валу в виде зубчатой муфты | 40000 | |
| Номинальный крутящий момент на тихоходном валу, Н.м |
10000 | |
| КПД | 0,97 | |
| Масса, кг | 580 | |






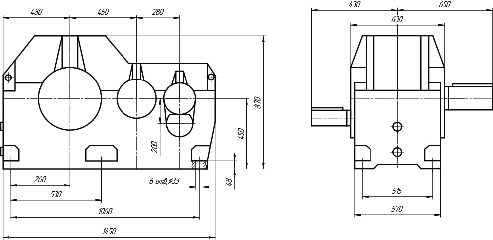
| Основные технические характеристики редукторов | ||
| Наименование технических характеристик | ЦЗУ-355Н | |
| Передаточные числа | 31,5; 40; 50; 63; 80; 100; 125; 160; 200 | |
| Допускаемая радиальная консольная нагрузка, Н |
на быстроходном валу | 1400 |
| на тихоходном валу | 40000 | |
| на т/х валу в виде зубчатой муфты | 50000 | |
| Номинальный крутящий момент на тихоходном валу, Н.м |
14000 | |
| КПД | 0,97 | |
| Масса, кг | 760 | |


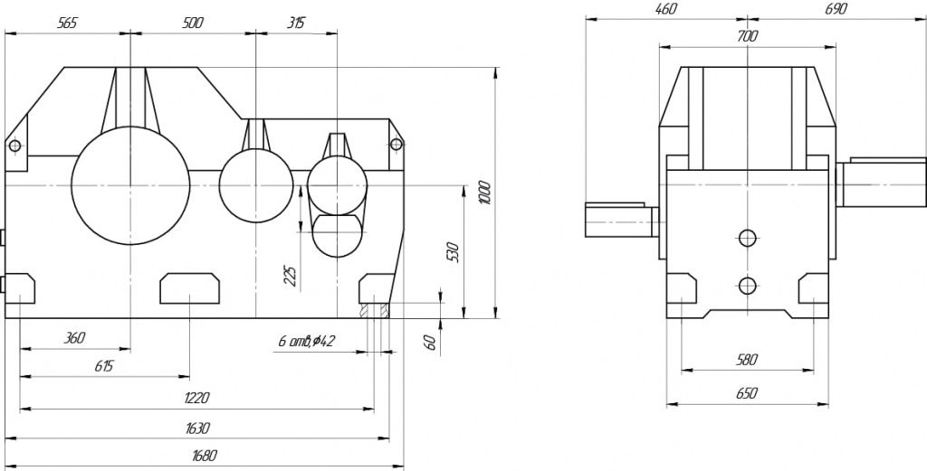
1. Модель редуктора.
2. Габарит редуктора.
3. Передаточное число.
4. Вариант сборки.
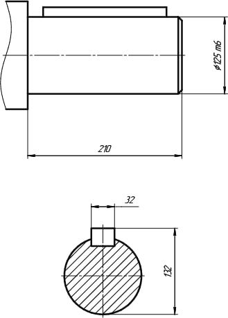
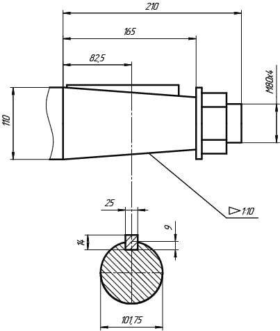
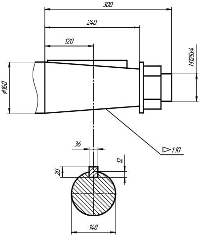
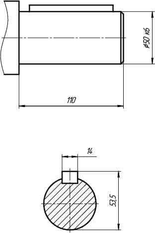
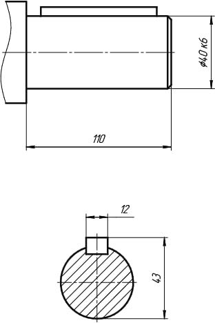
5. Исполнение валов, Цвх/Квых (вх- входной вал, вых- выходной вал),
(Ц - цилиндрический вал,
К - конический вал,
М- вал в виде части зубчатой муфты).




| Основные технические характеристики редукторов | ||
| Наименование технических характеристик | ЦЗУ-400Н | |
| Передаточные числа | 31,5; 40; 50; 63; 80; 100; 125; 160; 200 | |
| Допускаемая радиальная консольная нагрузка, Н |
на быстроходном валу | 2000 |
| на тихоходном валу | 45000 | |
| на т/х валу в виде зубчатой муфты | 56000 | |
| Номинальный крутящий момент на тихоходном валу, Н.м |
20000 | |
| КПД | 0,97 | |
| Масса, кг | 960 | |


1. Модель редуктора.
2. Габарит редуктора.
3. Передаточное число.
4. Вариант сборки.
5. Исполнение валов, Цвх/Квых (вх- входной вал, вых- выходной вал),
(Ц - цилиндрический вал,
К - конический вал,
М- вал в виде части зубчатой муфты).




| Основные технические характеристики редукторов | ||
| Наименование технических характеристик | 1Ц3Н-450 | |
| Передаточные числа | 31,5; 40; 50; 63; 80; 100; 125; 160; 200 | |
| Допускаемая радиальная консольная нагрузка, Н |
на быстроходном валу | 4000 |
| на тихоходном валу | 71000 | |
| на т/х валу в виде зубчатой муфты | 95000 | |
| Номинальный крутящий момент на тихоходном валу, Н.м |
40000 | |
| КПД | 0,96 | |
| Масса, кг | 1700 | |


1. Модель редуктора.
2. Габарит редуктора.
3. Передаточное число.
4. Вариант сборки.
5. Исполнение валов, Цвх/Квых (вх- входной вал, вых- выходной вал),
(Ц - цилиндрический вал,
К - конический вал,
М- вал в виде части зубчатой муфты).




| Основные технические характеристики редукторов | ||
| Наименование технических характеристик | редуктор 1Ц3Н 500 | |
| Передаточные числа | 31,5; 40; 50; 63; 80; 100; 125; 160; 200 | |
| Допускаемая радиальная консольная нагрузка, Н |
на быстроходном валу | 5000 |
| на тихоходном валу | 100000 | |
| на т/х валу в виде зубчатой муфты | 140000 | |
| Номинальный крутящий момент на тихоходном валу, Н.м |
56000 | |
| КПД | 0,96 | |
| Масса, кг | 2300 | |