Категория: Цилиндрические вертикальные крановые

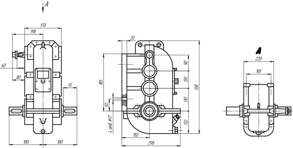
1. Модель редуктора.
2. Габарит редуктора.
3. Передаточное число.
4. Вариант сборки.


Типоразмер |
ВК-350 |
|||||
|
Номинальное передаточное |
10,0 |
14,0 |
31,5 |
50,0 |
||
|
Номинальный крутящий момент |
10 (600) |
Тяжелый |
398 |
423 |
501 |
478 |
|
Средний |
478 |
490 |
552 |
557 |
||
|
Легкий |
541 |
579 |
652 |
637 |
||
|
Особо легкий |
764 |
802 |
902 |
875 |
||
|
12,5 (750) |
Тяжелый |
369 |
410 |
481 |
478 |
|
|
Средний |
433 |
499 |
562 |
573 |
||
|
Легкий |
497 |
570 |
642 |
637 |
||
|
Особо легкий |
751 |
784 |
882 |
891 |
||
|
16,6 (1000) |
Тяжелый |
325 |
401 |
481 |
478 |
|
|
Средний |
382 |
468 |
541 |
573 |
||
|
Легкий |
449 |
535 |
632 |
621 |
||
|
Особо легкий |
716 |
762 |
872 |
860 |
||
|
Наибольший кратковременно допустимый крутящий момент на тихоходном валу, Тmax, Нxм |
13500 |
|||||
|
Масса, кг |
77 |
|||||


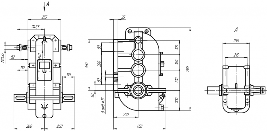
1. Модель редуктора.
2. Габарит редуктора.
3. Передаточное число.
4. Вариант сборки.


|
Типоразмер |
ВК-475 |
|||||
|
Номинальное передаточное |
20 |
28 |
50 |
112 |
||
|
Номинальный крутящий момент на тихоходном валу, Т, Нxм; при номинальной частоте вращения быстроходного вала, с-1 (об/мин) |
10 |
Тяжелый |
1550 |
1950 |
1600 |
1700 |
|
Средний |
1800 |
2300 |
2000 |
|||
|
Легкий |
2100 |
2600 |
2300 |
|||
|
12,5 |
Тяжелый |
1450 |
1950 |
1600 |
1700 |
|
|
Средний |
1700 |
2300 |
2000 |
|||
|
Легкий |
2000 |
2600 |
2300 |
|||
|
16,6 (1000) |
Тяжелый |
1300 |
1800 |
1600 |
1700 |
|
|
Средний |
1500 |
2150 |
1850 |
2000 |
||
|
Легкий |
1700 |
2400 |
2150 |
2300 |
||
|
Наибольший кратковременно допустимый крутящий момент на тихоходном валу,Тmax, Нxм; |
10 (600) |
6450 |
6500 |
7500 |
7900 |
|
|
12,5 (750) |
5150 |
8300 |
7400 |
7750 |
||
|
16,6 (1000) |
4800 |
6000 |
7100 |
7500 |
||
|
Масса, кг |
215 |
|||||


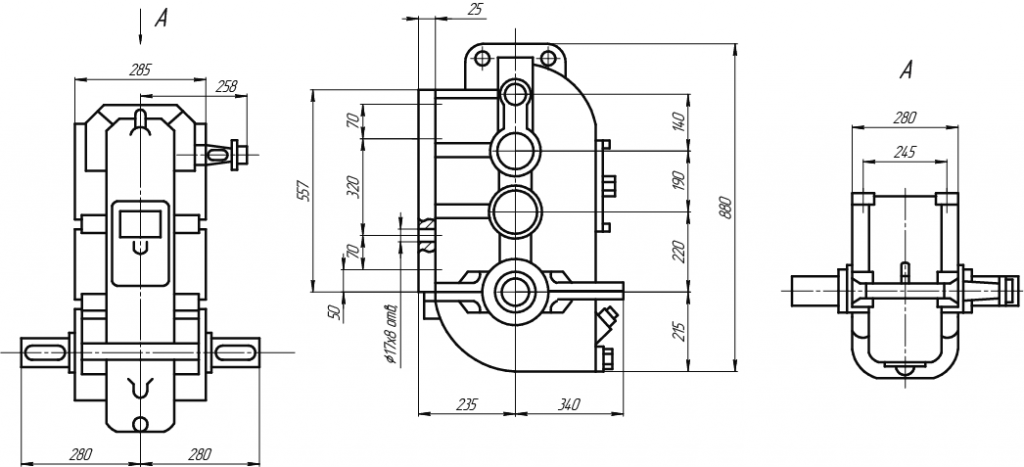
1. Модель редуктора.
2. Габарит редуктора.
3. Передаточное число.
4. Вариант сборки.


|
Типоразмер |
ВК-550 |
|||||
|
Номинальное передаточное |
18 |
31,5 |
71 |
125 |
||
|
Номинальный крутящий момент на тихоходном валу, Т, Нxм; при номинальной частоте вращения быстроходного вала, с-1 (об/мин) |
10 (600) |
Тяжелый |
2200 |
2300 |
2400 |
|
|
Средний |
2600 |
2700 |
2800 |
|||
|
Легкий |
3000 |
3100 |
3200 |
|||
|
12,5 |
Тяжелый |
2200 |
2400 |
|||
|
Средний |
2600 |
2800 |
||||
|
Легкий |
3000 |
3200 |
||||
|
16,6 (1000) |
Тяжелый |
2150 |
2000 |
2300 |
2400 |
|
|
Средний |
2600 |
2400 |
2700 |
2800 |
||
|
Легкий |
2900 |
2800 |
3150 |
3200 |
||
|
Наибольший кратковременно допустимый крутящий момент на тихоходном валу,Тmax, Н´м; |
10 (600) |
9250 |
10900 |
11200 |
||
|
12,5 (750) |
8500 |
|||||
|
16,6 (1000) |
7500 |
10600 |
||||
|
Масса, кг |
279 |
|||||
