Категория: Цилиндрические вертикальные крановые
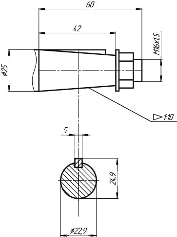
-100%20%D1%83%D1%81%D0%BB%D0%BE%D0%B2%D0%BD%D0%BE%D0%B5%20%D0%BE%D0%B1%D0%BE%D0%B7%D0%BD%D0%B0%D1%87%D0%B5%D0%BD%D0%B8%D0%B5.jpg)


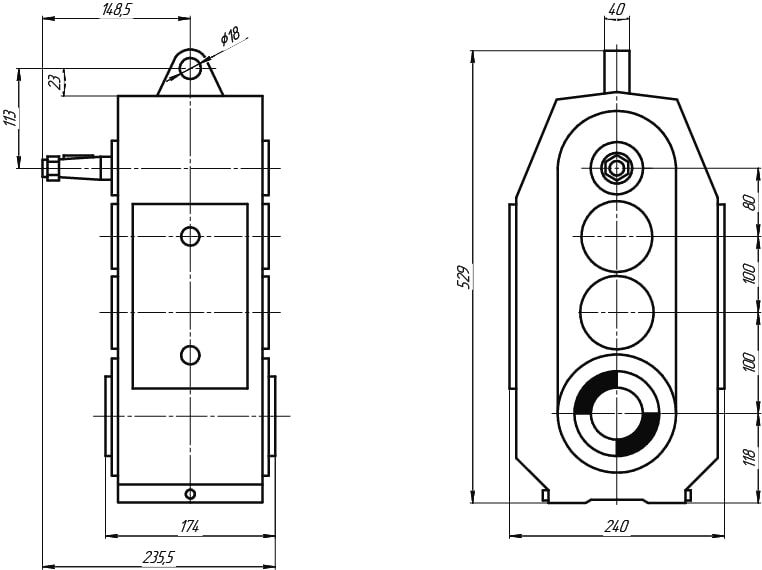
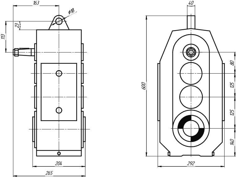
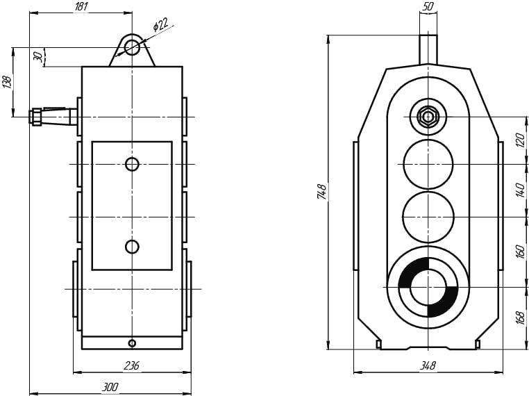
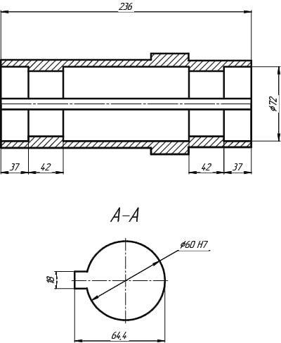
| Тип | Передаточное число | Номинальный крутящий момент на выходном валу при частоте вращения входного вала 1000 об/мин, Нм | КПД | Масса, кг | ||
| Номин. | Фактич. | |||||
| min | mаx | |||||
| редуктор Ц3ВКф 100 | 10; 12,5 | 10; 12,45 | 172 | 438 | 0,94 | 52 |
| 16 | 15,71 | 188 | 438 | |||
| 20; 25 | 20,28; 25,11 | 188 | 500 | |||
| 31,5; 40 | 32,02; 38,54 | 203 | 563 | |||

-100%20%D1%83%D1%81%D0%BB%D0%BE%D0%B2%D0%BD%D0%BE%D0%B5%20%D0%BE%D0%B1%D0%BE%D0%B7%D0%BD%D0%B0%D1%87%D0%B5%D0%BD%D0%B8%D0%B5.jpg)
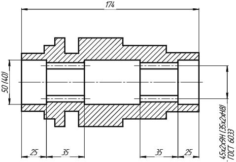
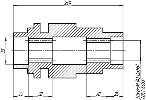
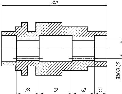
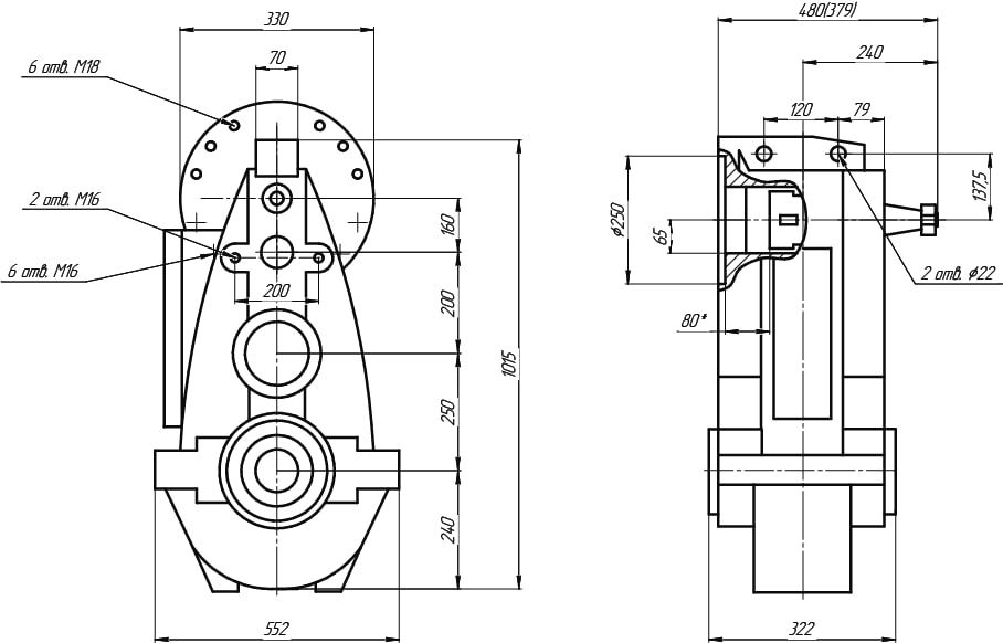
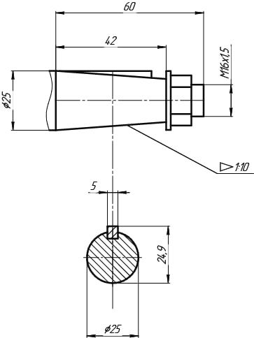
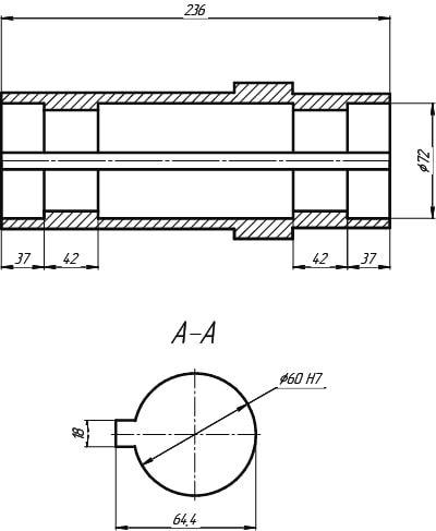
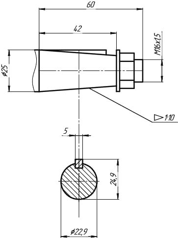
1. Модель редуктора (ф- фланцевое исполнение).
2. Габарит редуктора.
3. Передаточное число.
4. Вариант сборки.
5. Исполнение выходного вала
(Пшл- полый шлицевой вал,
Пшп- полый вал со шпоночным пазом).


| Тип | Передаточное число | Номинальный крутящий момент на выходном валу при частоте вращения входного вала 1000 об/мин, Нм | КПД | Масса, кг | ||
| Номин. | Фактич. | |||||
| min | mаx | |||||
| редуктор Ц3ВКф 100 | 10; 12,5 | 10; 12,45 | 172 | 438 | 0,94 | 52 |
| 16 | 15,71 | 188 | 438 | |||
| 20; 25 | 20,28; 25,11 | 188 | 500 | |||
| 31,5; 40 | 32,02; 38,54 | 203 | 563 | |||

-125%20%D1%83%D1%81%D0%BB%D0%BE%D0%B2%D0%BD%D0%BE%D0%B5%20%D0%BE%D0%B1%D0%BE%D0%B7%D0%BD%D0%B0%D1%87%D0%B5%D0%BD%D0%B8%D0%B5.jpg)
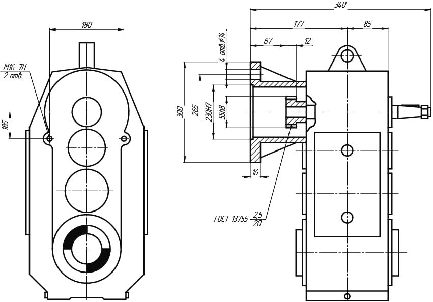
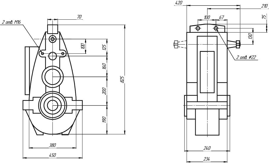
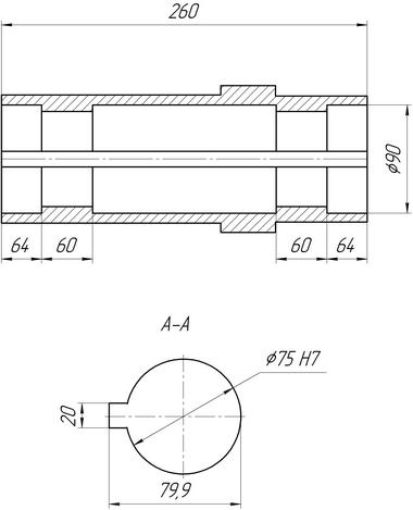
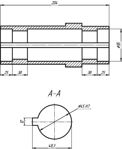
1. Модель редуктора.
2. Габарит редуктора.
3. Передаточное число.
4. Вариант сборки.
5. Исполнение выходного вала
(Пшл- полый шлицевой вал,
Пшп- полый вал со шпоночным пазом).


| Тип | Передаточное число | Номинальный крутящий момент на выходном валу при частоте вращения входного вала 1000 об/мин, Нм | КПД | Масса, кг | ||
| Номин. | Фактич. | |||||
| min | mаx | |||||
| редуктор Ц3ВК 125 | 10; 12,5 | 10,18; 12,66 | 344 | 875 | 0,94 | 79 |
| 16 | 15,98 | 375 | 875 | |||
| 20; 25 | 20,62; 25,54 | 375 | 1000 | |||
| 31,5; 40 | 32,57; 39,2 | 406 | 1125 | |||
| 50 | 48,88 | 406 | 1250 | |||

-125%20%D1%83%D1%81%D0%BB%D0%BE%D0%B2%D0%BD%D0%BE%D0%B5%20%D0%BE%D0%B1%D0%BE%D0%B7%D0%BD%D0%B0%D1%87%D0%B5%D0%BD%D0%B8%D0%B5.jpg)
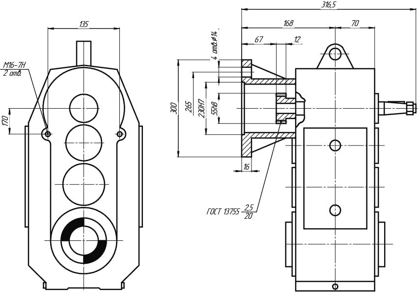
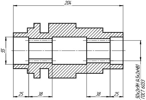
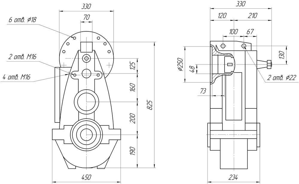
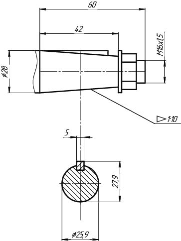
1. Модель редуктора (ф- фланцевое исполнение).
2. Габарит редуктора.
3. Передаточное число.
4. Вариант сборки.
5. Исполнение выходного вала
(Пшл- полый шлицевой вал,
Пшп- полый вал со шпоночным пазом).


| Тип | Передаточное число | Номинальный крутящий момент на выходном валу при частоте вращения входного вала 1000 об/мин, Нм | КПД | Масса, кг | ||
| Номин. | Фактич. | |||||
| min | mаx | |||||
| редуктор Ц3ВК 125ф | 10; 12,5 | 10,18; 12,66 | 344 | 875 | 0,94 | 79 |
| 16 | 15,98 | 375 | 875 | |||
| 20; 25 | 20,62; 25,54 | 375 | 1000 | |||
| 31,5; 40 | 32,57; 39,2 | 406 | 1125 | |||
| 50 | 48,88 | 406 | 1250 | |||

-160%20%D1%83%D1%81%D0%BB%D0%BE%D0%B2%D0%BD%D0%BE%D0%B5%20%D0%BE%D0%B1%D0%BE%D0%B7%D0%BD%D0%B0%D1%87%D0%B5%D0%BD%D0%B8%D0%B5.jpg)
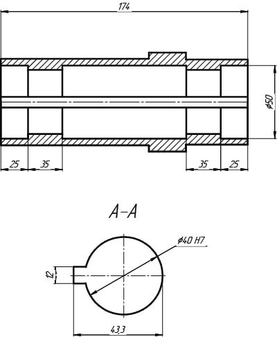
1. Модель редуктора.
2. Габарит редуктора.
3. Передаточное число.
4. Вариант сборки.
5. Исполнение выходного вала
(Пшл- полый шлицевой вал,
Пшп- полый вал со шпоночным пазом).


| Тип | Передаточное число | Номинальный крутящий момент на выходном валу при частоте вращения входного вала 1000 об/мин, Нм | КПД | Масса, кг | ||
| Номин. | Фактич. | |||||
| min | mаx | |||||
| редуктор Ц3ВК 160 | 10; 12,5 | 10,12; 12,6 | 668 | 2000 | 0,94 | 132 |
| 16 | 15,9 | 750 | 2250 | |||
| 20; 25 | 20,52; 25,41 | 750 | 2500 | |||
| 31,5; 40; 50 | 32,4; 39; 49,73 | 812,5 | 2500 | |||

-160%20%D1%83%D1%81%D0%BB%D0%BE%D0%B2%D0%BD%D0%BE%D0%B5%20%D0%BE%D0%B1%D0%BE%D0%B7%D0%BD%D0%B0%D1%87%D0%B5%D0%BD%D0%B8%D0%B5.png)
1. Модель редуктора (ф- фланцевое исполнение).
2. Габарит редуктора.
3. Передаточное число.
4. Вариант сборки.
5. Исполнение выходного вала
(Пшл- полый шлицевой вал,
Пшп- полый вал со шпоночным пазом).


| Тип | Передаточное число | Номинальный крутящий момент на выходном валу при частоте вращения входного вала 1000 об/мин, Нм | КПД | Масса, кг | ||
| Номин. | Фактич. | |||||
| min | mаx | |||||
| редуктор Ц3ВКф 160 | 10; 12,5 | 10,12; 12,6 | 668 | 2000 | 0,94 | 132 |
| 16 | 15,9 | 750 | 2250 | |||
| 20; 25 | 20,52; 25,41 | 750 | 2500 | |||
| 31,5; 40; 50 | 32,4; 39; 49,73 | 812,5 | 2500 | |||

-200%20%D1%83%D1%81%D0%BB%D0%BE%D0%B2%D0%BD%D0%BE%D0%B5%20%D0%BE%D0%B1%D0%BE%D0%B7%D0%BD%D0%B0%D1%87%D0%B5%D0%BD%D0%B8%D0%B5.png)
1. Модель редуктора.
2. Габарит редуктора.
3. Передаточное число.
4. Вариант сборки.
5. Исполнение выходного вала
(Пшл- полый шлицевой вал,
Пшп- полый вал со шпоночным пазом).


| Тип | Передаточное число | Номинальный крутящий момент на выходном валу при частоте вращения входного вала 1000 об/мин, Нм | КПД | Масса, кг | ||
| Номин. | Фактич. | |||||
| min | mаx | |||||
| редуктор Ц3ВК 200 |
10; 12,5 | 10,32; 12,74 | 1375 | 3750 | 0,94 | 200/210 |
| 16; 20 | 15,94; 20,01 | 1500 | 4000 | |||
| 25; 31,5 | 24,96; 31,4 | 1625 | 4500 | |||
| 40; 50 | 38,54; 51,66 | 1375 | 5000 | |||
| 63 | 64,86 | 1500 | 5000 | |||
| 80;100 | 80,89; 101,76 | 1625 | 5000 | |||

-200%20%D1%83%D1%81%D0%BB%D0%BE%D0%B2%D0%BD%D0%BE%D0%B5%20%D0%BE%D0%B1%D0%BE%D0%B7%D0%BD%D0%B0%D1%87%D0%B5%D0%BD%D0%B8%D0%B5.png)
1. Модель редуктора (ф- фланцевое исполнение).
2. Габарит редуктора.
3. Передаточное число.
4. Вариант сборки.
5. Исполнение выходного вала
(Пшл- полый шлицевой вал,
Пшп- полый вал со шпоночным пазом).


| Тип | Передаточное число | Номинальный крутящий момент на выходном валу при частоте вращения входного вала 1000 об/мин, Нм | КПД | Масса, кг | ||
| Номин. | Фактич. | |||||
| min | mаx | |||||
| редуктор Ц3ВКф 200 |
10; 12,5 | 10,32; 12,74 | 1375 | 3750 | 0,94 | 200/210 |
| 16; 20 | 15,94; 20,01 | 1500 | 4000 | |||
| 25; 31,5 | 24,96; 31,4 | 1625 | 4500 | |||
| 40; 50 | 38,54; 51,66 | 1375 | 5000 | |||
| 63 | 64,86 | 1500 | 5000 | |||
| 80;100 | 80,89; 101,76 | 1625 | 5000 | |||

-250%20%D1%83%D1%81%D0%BB%D0%BE%D0%B2%D0%BD%D0%BE%D0%B5%20%D0%BE%D0%B1%D0%BE%D0%B7%D0%BD%D0%B0%D1%87%D0%B5%D0%BD%D0%B8%D0%B5.jpg)
1. Модель редуктора.
2. Габарит редуктора.
3. Передаточное число.
4. Вариант сборки.
5. Исполнение выходного вала
(Пшл- полый шлицевой вал,
Пшп- полый вал со шпоночным пазом).


| Тип | Передаточное число | Номинальный крутящий момент на выходном валу при частоте вращения входного вала 1000 об/мин, Нм | КПД | Масса, кг | ||
| Номин. | Фактич. | |||||
| min | mаx | |||||
| редуктор Ц3ВК 250 |
12,5 | 12,87 | 2750 | 7500 | 0,94 | 310/320 |
| 16 | 15,65 | 3000 | 7500 | |||
| 20 | 20,20 | 3000 | 8000 | |||
| 25 | 25,02 | 3250 | 8000 | |||
| 31,5 | 31,9 | 3250 | 9000 | |||
| 40 | 40,84 | 2750 | 9000 | |||
| 50 | 49,68 | 2750 | 10000 | |||
| 63 | 64,13 | 3000 | 10000 | |||
| 80;100 | 79,4; 97,44 | 3250 | 10000 | |||

-250%20%D1%83%D1%81%D0%BB%D0%BE%D0%B2%D0%BD%D0%BE%D0%B5%20%D0%BE%D0%B1%D0%BE%D0%B7%D0%BD%D0%B0%D1%87%D0%B5%D0%BD%D0%B8%D0%B5.jpg)
1. Модель редуктора (ф- фланцевое исполнение).
2. Габарит редуктора.
3. Передаточное число.
4. Вариант сборки.
5. Исполнение выходного вала
(Пшл- полый шлицевой вал,
Пшп- полый вал со шпоночным пазом).


| Тип | Передаточное число | Номинальный крутящий момент на выходном валу при частоте вращения входного вала 1000 об/мин, Нм | КПД | Масса, кг | ||
| Номин. | Фактич. | |||||
| min | mаx | |||||
| редуктор Ц3ВКф 250 |
12,5 | 12,87 | 2750 | 7500 | 0,94 | 310/320 |
| 16 | 15,65 | 3000 | 7500 | |||
| 20 | 20,20 | 3000 | 8000 | |||
| 25 | 25,02 | 3250 | 8000 | |||
| 31,5 | 31,9 | 3250 | 9000 | |||
| 40 | 40,84 | 2750 | 9000 | |||
| 50 | 49,68 | 2750 | 10000 | |||
| 63 | 64,13 | 3000 | 10000 | |||
| 80;100 | 79,4; 97,44 | 3250 | 10000 | |||
