Категория: Цилиндро-червячные




| Исполнение 1 | Исполнение 2 | Исполнение 3 | |
| P, мм | 140 | 160 | 200 |
| Z5, мм | 50 | 55 | 60 |


| Мощность, кВт | Частота вращения выходного вала, об/мин | Передаточное число | Крутящий момент, Нм | Допустимая радиальная нагрузка, Н | Сервис- фактор | Частота вращения эл.двигателя |
| 0,12 | 5,7 | 157,43 | 107 | 3000 | 0,85 | 900 |
| 6,2 | 144,4 | 99 | 3000 | 0,95 | ||
| 7,3 | 122,94 | 86 | 3000 | 1,05 | ||
| 8,5 | 106 | 76 | 3000 | 1,2 | ||
| 9,1 | 98,8 | 71 | 3000 | 1,3 | ||
| 10,4 | 86,36 | 64 | 3000 | 1,45 | ||
| 8,9 | 157,43 | 74 | 3000 | 1,25 | 1400 | |
| 9,7 | 144,4 | 68 | 3000 | 1,35 | ||
| 11 | 122,94 | 60 | 3000 | 1,55 | ||
| 13 | 106 | 52 | 3000 | 1,7 | ||
| 14 | 98,8 | 49 | 3000 | 1,75 | ||
| 16 | 86,36 | 44 | 3000 | 1,95 | ||
| 17 | 80,96 | 41 | 3000 | 2,1 | ||
| 20 | 71,44 | 37 | 3000 | 2,3 | ||
| 22 | 63,33 | 33 | 3000 | 2,5 | ||
| 25 | 55,93 | 35 | 3000 | 2,3 | ||
| 27 | 51,3 | 33 | 3000 | 2,5 | ||
| 32 | 43,68 | 28 | 3000 | 2,9 | ||
| 37 | 37,66 | 25 | 3000 | 3,2 | ||
| 40 | 35,1 | 23 | 3000 | 3,4 | ||
| 46 | 30,68 | 20 | 3000 | 3,7 | ||
| 49 | 28,76 | 19 | 3000 | 3,9 | ||
| 55 | 25,38 | 17 | 3000 | 4,3 | ||
| 62 | 22,5 | 15 | 3000 | 4,8 | ||
| 70 | 19,89 | 14 | 3000 | 3,6 | ||
| 77 | 18,24 | 13 | 3000 | 3,9 | ||
| 90 | 15,53 | 11 | 2870 | 4,4 | ||
| 0,18 | 8,9 | 157,43 | 115 | 3000 | 0,8 | 1400 |
| 9,7 | 144,4 | 107 | 3000 | 0,85 | ||
| 11 | 122,94 | 93 | 3000 | 1 | ||
| 13 | 106 | 82 | 3000 | 1,1 | ||
| 14 | 98,8 | 77 | 3000 | 1,15 | ||
| 16 | 86,36 | 68 | 3000 | 1,25 | ||
| 17 | 80,96 | 64 | 3000 | 1,3 | ||
| 20 | 71,44 | 58 | 3000 | 1,45 | ||
| 22 | 63,33 | 52 | 3000 | 1,6 | ||
| 25 | 55,93 | 55 | 3000 | 1,45 | ||
| 27 | 51,3 | 51 | 3000 | 1,6 | ||
| 32 | 43,68 | 44 | 3000 | 1,85 | ||
| 37 | 37,66 | 38 | 3000 | 2,1 | ||
| 40 | 35,1 | 36 | 3000 | 2,2 | ||
| 46 | 30,68 | 32 | 3000 | 2,4 | ||
| 49 | 28,76 | 30 | 3000 | 2,5 | ||
| 0,18 | 55 | 25,38 | 27 | 3000 | 2,8 | 1400 |
| 62 | 22,5 | 24 | 3000 | 3,1 | ||
| 70 | 19,89 | 22 | 3000 | 2,3 | ||
| 77 | 18,24 | 21 | 2940 | 2,5 | ||
| 90 | 15,53 | 18 | 2810 | 2,8 | ||
| 105 | 13,39 | 15 | 2700 | 3,2 | ||
| 112 | 12,48 | 14 | 2650 | 3,4 | ||
| 128 | 10,91 | 13 | 2550 | 3,8 | ||
| 137 | 10,23 | 12 | 2500 | 4 | ||
| 0,25 | 14 | 98,8 | 108 | 3000 | 0,8 | 1400 |
| 16 | 86,36 | 96 | 3000 | 0,9 | ||
| 17 | 80,96 | 91 | 3000 | 0,95 | ||
| 20 | 71,44 | 81 | 3000 | 1,05 | ||
| 22 | 63,33 | 73 | 3000 | 1,1 | ||
| 25 | 55,93 | 78 | 3000 | 1,05 | ||
| 27 | 51,3 | 72 | 3000 | 1,15 | ||
| 32 | 43,68 | 62 | 3000 | 1,3 | ||
| 37 | 37,66 | 54 | 3000 | 1,45 | ||
| 40 | 35,1 | 51 | 3000 | 1,55 | ||
| 46 | 30,68 | 45 | 3000 | 1,7 | ||
| 49 | 28,76 | 42 | 3000 | 1,8 | ||
| 55 | 25,38 | 37 | 3000 | 2 | ||
| 62 | 22,5 | 33 | 3000 | 2,2 | ||
| 70 | 19,89 | 32 | 2870 | 1,65 | ||
| 77 | 18,24 | 29 | 2820 | 1,8 | ||
| 90 | 15,53 | 25 | 2710 | 2 | ||
| 105 | 13,39 | 22 | 2620 | 2,3 | ||
| 112 | 12,48 | 20 | 2570 | 2,4 | ||
| 128 | 10,91 | 18 | 2480 | 2,7 | ||
| 137 | 10,23 | 17 | 2440 | 2,8 | ||
| 155 | 9,02 | 15 | 2360 | 3,1 | ||
| 175 | 8 | 13 | 2290 | 3,4 | ||
| 206 | 6,8 | 11 | 2180 | 3,8 | ||
| 94 | 28,76 | 21 | 2740 | 3 | 2720 | |
| 107 | 25,3 | 19 | 2650 | 3,3 | ||
| 120 | 22,5 | 17 | 2560 | 3,4 | ||
| 136 | 19,89 | 16 | 2410 | 2,8 | ||
| 149 | 18,24 | 15 | 2350 | 3 | ||
| 175 | 15,53 | 13 | 2250 | 3,4 | ||
| 203 | 13,39 | 11 | 2160 | 3,8 | ||
| 217 | 12,48 | 10 | 2120 | 4 | ||
| 0,37 | 22 | 63,33 | 103 | 3000 | 0,8 | 1400 |
| 27 | 51,3 | 101 | 3000 | 0,8 | ||
| 32 | 43,68 | 87 | 3000 | 0,95 | ||
| 37 | 37,66 | 76 | 3000 | 1,05 | ||
| 40 | 35,1 | 71 | 3000 | 1,1 | ||
| 46 | 30,68 | 63 | 3000 | 1,2 | ||
| 49 | 28,76 | 59 | 3000 | 1,3 | ||
| 55 | 25,38 | 52 | 2940 | 1,4 | ||
| 62 | 22,5 | 47 | 2870 | 1,55 | ||
| 70 | 19,89 | 44 | 2610 | 1,2 | ||
| 77 | 18,24 | 41 | 2570 | 1,3 | ||
| | 90 | 15,53 | 35 | 2500 | 1,45 | ||
| 105 | 13,39 | 30 | 2420 | 1,6 | ||
| 112 | 12,48 | 28 | 2390 | 1,7 | ||
| 128 | 10,91 | 25 | 2320 | 1,95 | ||
| 137 | 10,23 | 23 | 2280 | 2 | ||
| 155 | 9,02 | 21 | 2220 | 2,2 | ||
| 175 | 8 | 18 | 2150 | 2,5 | ||
| 206 | 6,8 | 16 | 2070 | 2,7 | ||
| 107 | 25,38 | 28 | 2540 | 2,2 | 2720 | |
| 120 | 22,5 | 25 | 2460 | 2,3 | ||
| 136 | 19,89 | 24 | 2290 | 1,85 | ||
| 149 | 18,24 | 22 | 2250 | 2 | ||
| 175 | 15,53 | 19 | 2160 | 2,3 | ||
| 203 | 13,39 | 16 | 2080 | 2,5 | ||
| 217 | 12,48 | 15 | 2040 | 2,7 | ||
| 249 | 10,91 | 13 | 1970 | 3 | ||
| 265 | 10,23 | 12 | 1940 | 3,1 | ||
| 301 | 9,02 | 11 | 1870 | 3,3 | ||
| 0,55 | 46 | 30,68 | 94 | 2680 | 0,8 | 1400 |
| 49 | 28,76 | 89 | 2670 | 0,85 | ||
| 55 | 25,38 | 79 | 2630 | 0,95 | ||
| 62 | 22,5 | 70 | 2600 | 1,05 | ||
| 70 | 19,13 | 60 | 2540 | 1,2 | ||
| 90 | 15,53 | 53 | 2230 | 0,95 | ||
| 105 | 13,39 | 46 | 2200 | 1,1 | ||
| 112 | 12,48 | 43 | 2180 | 1,15 | ||
| 128 | 10,91 | 37 | 2130 | 1,3 | ||
| 137 | 10,23 | 35 | 2110 | 1,35 | ||
| 155 | 9,02 | 31 | 2070 | 1,5 | ||
| 175 | 8 | 128 | 2020 | 1,6 | ||
| 206 | 6,8 | 24 | 1950 | 1,8 | ||
| 94 | 28,76 | 46 | 2420 | 1,4 | 2720 | |
| 107 | 25,38 | 41 | 2360 | 1,5 | ||
| 120 | 22,5 | 37 | 2310 | 1,55 | ||
| 136 | 19,89 | 34 | 2100 | 1,3 | ||
| 149 | 18,24 | 32 | 2070 | 1,4 | ||
| 175 | 15,53 | 27 | 2010 | 1,55 | ||
| 203 | 13,39 | 24 | 1950 | 1,75 | ||
| 217 | 12,48 | 22 | 1920 | 1,85 | ||
| 249 | 10,91 | 19 | 1870 | 2 | ||
| 265 | 10,23 | 18 | 1840 | 2,1 | ||
| 301 | 9,02 | 116 | 1780 | 2,2 | ||
| 340 | 8 | 14 | 1730 | 2,5 | ||
| 400 | 6,8 | 12 | 1660 | 2,4 | ||
| 0,75 | 70 | 19,13 | 81 | 2270 | 0,85 | 1400 |
| 112 | 12,48 | 57 | 1930 | 0,85 | ||
| 128 | 10,91 | 50 | 1920 | 0,95 | ||
| 137 | 10,23 | 47 | 1910 | 1 | ||
| 155 | 9,02 | 42 | 1890 | 1,1 | ||
| 175 | 8 | 37 | 1860 | 1,2 | ||
| 206 | 6,8 | 32 | 1820 | 1,35 | ||
| 142 | 19,13 | 43 | 2090 | 1,05 | 2720 | |
| 175 | 15,53 | 37 | 1860 | 1,15 | ||
| 203 | 13,39 | 32 | 1820 | 1,3 | ||
| 217 | 12,48 | 30 | 1800 | 1,35 | ||
| 249 | 10,91 | 26 | 1760 | 1,5 | ||
| 265 | 10,23 | 25 | 1740 | 1,55 | ||
| 301 | 9,02 | 22 | 1690 | 1,65 | ||
| 340 | 8 | 19 | 1650 | 1,8 | ||
| 400 | 6,8 | 17 | 1590 | 1,75 | ||
| 1,1 | 175 | 8 | 54 | 1570 | 0,85 | 1400 |
| 206 | 6,8 | 46 | 1580 | 0,95 | ||
| 203 | 13,39 | 47 | 1590 | 0,85 | 2720 | |
| 217 | 12,48 | 44 | 1580 | 0,9 | ||
| 249 | 10,91 | 39 | 1570 | 1 | ||
| 265 | 10,23 | 36 | 1560 | 1,05 | ||
| 301 | 9,02 | 32 | 1540 | 1,1 | ||
| 340 | 8 | 28 | 1510 | 1,25 | ||
| 400 | 6,8 | 24 | 1470 | 1,2 | ||
| 1,5 | 301 | 9,02 | 44 | 1330 | 0,85 | |
| 340 | 8 | 39 | 1350 | 0,9 | ||
| 400 | 6,8 | 33 | 1340 | 0,9 |


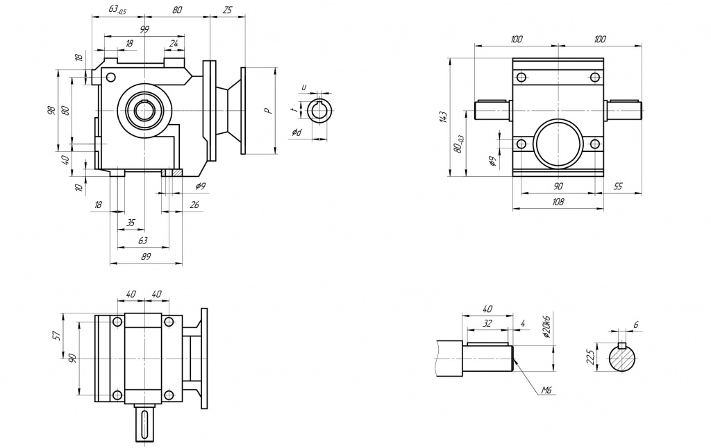
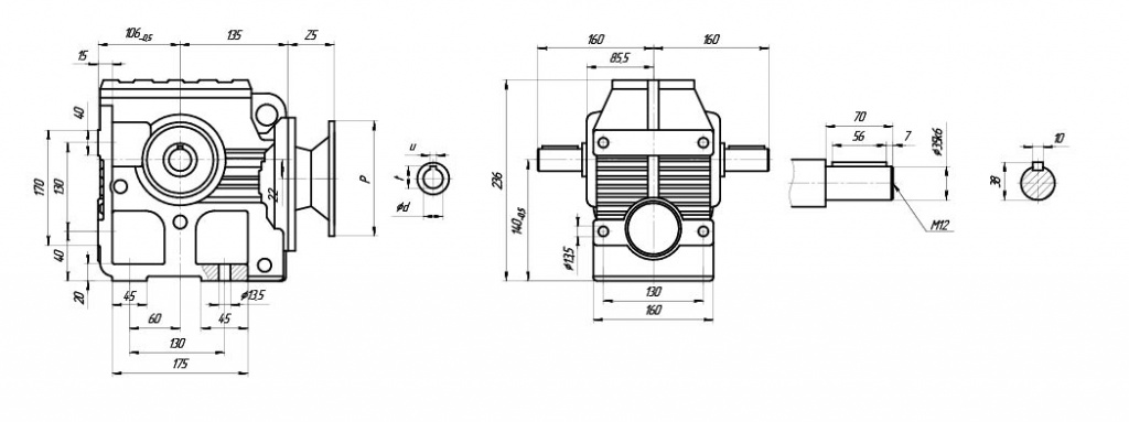
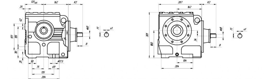
1. Модель редуктора
(S-исполнение на лапах с цельными валом и сквозными отверстиями,
SA-исполнение с полым валом и резьбовыми отверстиями,
SF- исполнение на фланце с цельным валом,
SAF-исполнение на фланце с полым валом).
2. Габарит редуктора (37,47,57,67,77,87,97).
3. Передаточное число.
4. (PAM 28/250)
28- диаметр полого входного вала редуктора (мм),
250- наружный диаметр входного фланца редуктора (мм).
5. Монтажная позиция редуктора (M1, M2, M3, M4, M5, M6).



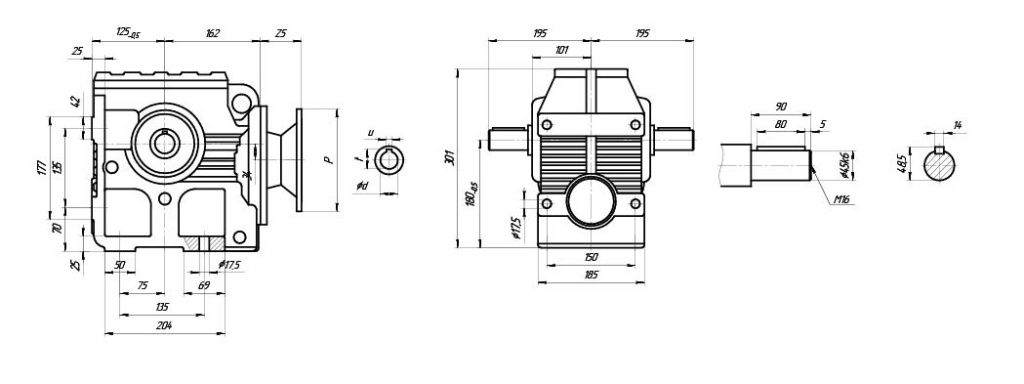
| Исполнение 1 | Исполнение 2 | Исполнение 3 | |
| P, мм | 140 | 160 | 200 |
| Z5, мм | 50 | 55 | 60 |


| Мощность, кВт | Частота вращения выходного вала, об/мин | Передаточное число | Крутящий момент, Нм | Допустимая радиальная нагрузка, Н | Сервис- фактор | Частота вращения эл.двигателя |
| 0,12 | 4,5 | 201,1 | 138 | 5490 | 1,3 | 900 |
| 4,9 | 184,8 | 129 | 5540 | 1,4 | ||
| 5,7 | 158,12 | 112 | 5610 | 1,55 | ||
| 6,6 | 137,05 | 99 | 5660 | 1,75 | ||
| 7 | 128,1 | 93 | 5680 | 1,85 | ||
| 7 | 201 | 95 | 5680 | 1,8 | 1400 | |
| 7,6 | 184,8 | 89 | 5700 | 1,9 | ||
| 8,9 | 158,12 | 77 | 5740 | 2,2 | ||
| 10 | 137,05 | 68 | 5780 | 2,5 | ||
| 11 | 128,1 | 64 | 5790 | 2,6 | ||
| 13 | 110,73 | 57 | 5810 | 3 | ||
| 0,18 | 4,5 | 201,1 | 215 | 5090 | 0,85 | 900 |
| 4,9 | 184,8 | 199 | 5180 | 0,9 | ||
| 5,7 | 158,12 | 173 | 5320 | 1 | ||
| 6,6 | 137,05 | 153 | 5420 | 1,1 | ||
| 7 | 128,1 | 144 | 5470 | 1,2 | ||
| 7 | 201 | 149 | 5440 | 1,15 | 1400 | |
| 7,6 | 184,8 | 138 | 5490 | 1,25 | ||
| 8,9 | 158,12 | 121 | 5570 | 1,4 | ||
| 10 | 137,05 | 107 | 5630 | 1,6 | ||
| 11 | 128,1 | 100 | 5660 | 1,65 | ||
| 13 | 110,73 | 88 | 5700 | 1,9 | ||
| 15 | 94,08 | 77 | 5750 | 2,2 | ||
| 17 | 84 | 69 | 5770 | 2,4 | ||
| 20 | 71,75 | 60 | 5800 | 2,8 | ||
| 20 | 69,39 | 69 | 5750 | 2,2 | ||
| 0,25 | 7 | 201 | 210 | 5120 | 0,8 | 1400 |
| 7,6 | 184,8 | 195 | 5210 | 0,85 | ||
| 8,9 | 158,12 | 170 | 5340 | 1 | ||
| 10 | 137,05 | 150 | 5440 | 1,1 | ||
| 11 | 128,1 | 141 | 5480 | 1,2 | ||
| 13 | 110,73 | 124 | 5560 | 1,35 | ||
| 15 | 94,08 | 108 | 5630 | 1,55 | ||
| 17 | 84 | 98 | 5670 | 1,7 | ||
| 20 | 71,75 | 85 | 5720 | 1,95 | ||
| 20 | 69,39 | 97 | 5640 | 1,6 | ||
| 21 | 67,2 | 80 | 5740 | 2,1 | ||
| 22 | 63,8 | 90 | 5670 | 1,7 | ||
| 26 | 54,59 | 78 | 5720 | 2 | ||
| 30 | 47,32 | 68 | 5760 | 2,3 | ||
| 0,37 | 10 | 137,05 | 210 | 5110 | 0,8 | 1400 |
| 11 | 128,1 | 199 | 5190 | 0,85 | ||
| 13 | 110,73 | 175 | 5320 | 0,95 | ||
| 15 | 94,08 | 151 | 5430 | 1,1 | ||
| 17 | 84 | 137 | 5500 | 1,2 | ||
| 20 | 71,75 | 119 | 5580 | 1,4 | ||
| 20 | 69,39 | 136 | 5460 | 1,15 | ||
| 21 | 67,2 | 112 | 5610 | 1,5 | ||
| 22 | 63,8 | 126 | 5510 | 1,25 | ||
| 26 | 54,59 | 109 | 5590 | 1,4 | ||
| 30 | 47,32 | 96 | 5410 | 1,6 | ||
| 32 | 44,22 | 90 | 5330 | 1,75 | ||
| 37 | 38,23 | 78 | 5140 | 2 | ||
| 43 | 32,48 | 67 | 4930 | 2,3 | ||
| 48 | 29 | 60 | 4790 | 2,6 | ||
| 57 | 24,77 | 52 | 4590 | 3 | ||
| 60 | 23,2 | 49 | 4510 | 3,1 | ||
| 69 | 20,33 | 46 | 4180 | 2,4 | ||
| 72 | 17,62 | 40 | 4030 | 2,8 | ||
| 79 | 16,47 | 37 | 3960 | 3 | ||
| 0,55 | 17 | 84 | 205 | 5140 | 0,8 | 1400 |
| 20 | 71,75 | 179 | 5290 | 0,95 | ||
| 21 | 67,2 | 169 | 5350 | 1 | ||
| 26 | 54,59 | 165 | 5130 | 0,95 | ||
| 30 | 47,32 | 144 | 5010 | 1 | ||
| 32 | 44,22 | 135 | 4950 | 1,15 | ||
| 37 | 38,23 | 118 | 4810 | 1,3 | ||
| 43 | 32,48 | 101 | 4650 | 1,55 | ||
| 48 | 29 | 91 | 4540 | 1,7 | ||
| 57 | 24,77 | 78 | 4380 | 2 | ||
| 60 | 23,2 | 74 | 4310 | 2,1 | ||
| 69 | 20,33 | 69 | 3920 | 1,6 | ||
| 79 | 17,62 | 60 | 3810 | 1,85 | ||
| 85 | 16,47 | 56 | 3750 | 1,95 | ||
| 98 | 14,24 | 49 | 3630 | 2,2 | ||
| 116 | 12,1 | 42 | 3500 | 2,6 | ||
| 130 | 10,8 | 37 | 3400 | 2,9 | ||
| 152 | 9,23 | 32 | 3270 | 3,4 | ||
| 0,75 | 30 | 47,32 | 194 | 4530 | 0,8 | 1400 |
| 32 | 44,22 | 182 | 4500 | 0,85 | ||
| 37 | 38,23 | 159 | 4420 | 1 | ||
| 43 | 32,48 | 136 | 4310 | 1,15 | ||
| 48 | 29 | 122 | 4230 | 1,25 | ||
| 57 | 24,77 | 106 | 4110 | 1,45 | ||
| 60 | 23,2 | 99 | 4060 | 1,55 | ||
| 69 | 20,33 | 93 | 3610 | 1,2 | ||
| 79 | 17,62 | 81 | 3530 | 1,35 | ||
| 85 | 16,47 | 76 | 3490 | 1,45 | ||
| 98 | 14,24 | 66 | 3410 | 1,65 | ||
| 116 | 12,1 | 56 | 3300 | 1,95 | ||
| 130 | 10,8 | 50 | 3230 | 2,2 | ||
| 152 | 9,23 | 43 | 3120 | 2,5 | ||
| 162 | 8,64 | 41 | 3070 | 2,7 | ||
| 192 | 7,28 | 34 | 2950 | 3 | ||
| 1,1 | 48 | 29 | 177 | 3720 | 0,9 | 1400 |
| 57 | 24,77 | 153 | 3670 | 1 | ||
| 60 | 23,2 | 143 | 3640 | 1,05 | ||
| 72 | 19,54 | 122 | 3560 | 1,2 | ||
| 79 | 17,62 | 117 | 3070 | 0,95 | ||
| 85 | 16,47 | 109 | 3060 | 1 | ||
| 98 | 14,24 | 95 | 3030 | 1,15 | ||
| 116 | 12,1 | 81 | 2980 | 1,35 | ||
| 130 | 10,8 | 73 | 2940 | 1,5 | ||
| 152 | 9,23 | 63 | 2870 | 1,75 | ||
| 162 | 8,64 | 59 | 2840 | 1,85 | ||
| 192 | 7,28 | 50 | 2750 | 2,1 | ||
| 1,5 | 98 | 14,24 | 19 | 2610 | 0,85 | 1400 |
| 116 | 12,1 | 110 | 2620 | 1 | ||
| 130 | 10,8 | 99 | 2620 | 1,1 | ||
| 152 | 9,23 | 85 | 2590 | 1,3 | ||
| 162 | 8,64 | 79 | 2580 | 1,35 | ||
| 192 | 7,28 | 67 | 2530 | 1,55 |


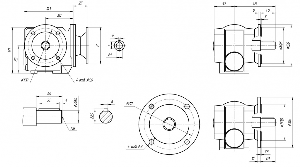
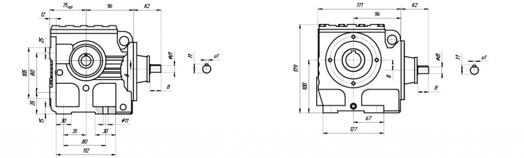
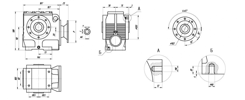
1. Модель редуктора
(S-исполнение на лапах с цельными валом и сквозными отверстиями,
SA-исполнение с полым валом и резьбовыми отверстиями,
SF- исполнение на фланце с цельным валом,
SAF-исполнение на фланце с полым валом).
2. Габарит редуктора (37,47,57,67,77,87,97).
3. Передаточное число.
4. (PAM 28/250)
28- диаметр полого входного вала редуктора (мм),
250- наружный диаметр входного фланца редуктора (мм).
5. Монтажная позиция редуктора (M1, M2, M3, M4, M5, M6).




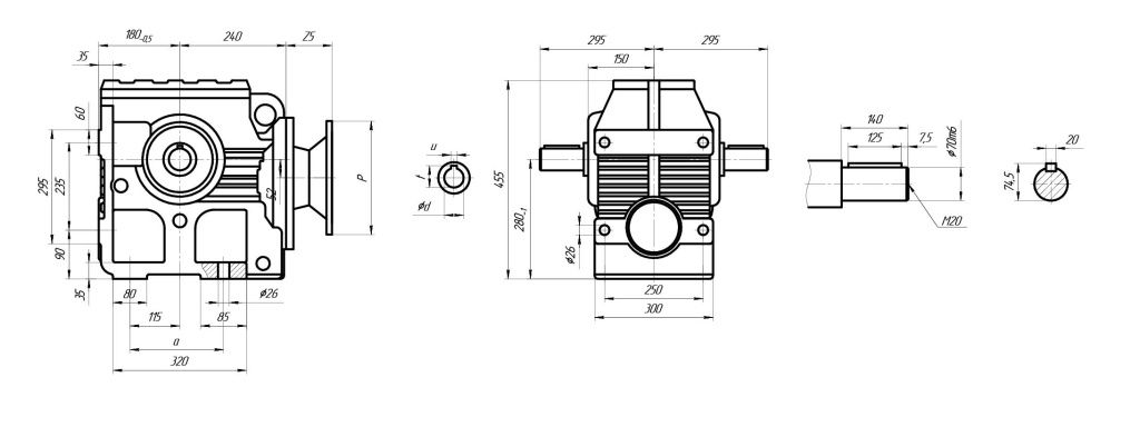
| Исполнение 1 | Исполнение 2 | Исполнение 3 | Исполнение 4 | Исполнение 5 | |
| P, мм | 140 | 160 | 200 | 250 | 300 |
| Z5, мм | 50 | 55 | 60 | 80 | 90 |



| Мощность, кВт | Частота вращения выходного вала, об/мин | Передаточное число | Крутящий момент, Нм | Допустимая радиальная нагрузка, Н | Сервис- фактор | Частота вращения эл.двигателя | |
| 0,12 | 4,5 | 201 | 143 | 8050 | 2,1 | 900 | |
| 4,9 | 184,8 | 133 | 8090 | 2,2 | |||
| 5,7 | 158,12 | 116 | 8150 | 2,5 | |||
| 6,6 | 137,05 | 103 | 8180 | 2,9 | |||
| 0,18 | 4,5 | 201 | 220 | 7670 | 1,35 | 900 | |
| 4,9 | 184,8 | 205 | 7760 | 1,45 | |||
| 5,7 | 158,12 | 180 | 7900 | 1,65 | |||
| 6,6 | 137,05 | 159 | 7990 | 1,85 | |||
| 7 | 201 | 154 | 8010 | 1,9 | 1400 | ||
| 7,6 | 184,8 | 143 | 8050 | 2,1 | |||
| 8,9 | 158,12 | 125 | 8120 | 2,4 | |||
| 10 | 137,05 | 110 | 8160 | 2,7 | |||
| 0,25 | 4,5 | 201 | 305 | 7050 | 1 | 900 | |
| 4,9 | 184,8 | 285 | 7230 | 1,05 | |||
| 5,7 | 158,12 | 245 | 7510 | 1,2 | |||
| 6,6 | 137,05 | 220 | 7690 | 1,35 | |||
| 7 | 128,1 | 205 | 7760 | 1,45 | |||
| 7 | 201 | 215 | 7700 | 1,35 | 1400 | ||
| 7,6 | 184,8 | 200 | 7790 | 1,45 | |||
| 8,9 | 158,12 | 176 | 7920 | 1,7 | |||
| 10 | 137,05 | 155 | 8010 | 1,9 | |||
| 11 | 128,1 | 146 | 8040 | 2 | |||
| 13 | 110,73 | 129 | 8110 | 2,3 | |||
| 15 | 94,08 | 111 | 8160 | 2,7 | |||
| 17 | 84 | 101 | 8190 | 2,9 | |||
| 0,37 | 5,7 | 158,12 | 360 | 6490 | 0,8 | 900 | |
| 6,6 | 137,05 | 315 | 6930 | 0,95 | |||
| 7 | 128,1 | 300 | 7100 | 1 | |||
| 8,1 | 110,73 | 265 | 7390 | 1,1 | |||
| 9,6 | 94,08 | 230 | 7630 | 1,3 | |||
| 11 | 84 | 205 | 7760 | 1,45 | |||
| 7 | 201 | 305 | 7050 | 0,95 | 1400 | ||
| 7,6 | 184,8 | 285 | 7230 | 1,05 | |||
| 8,9 | 158,12 | 245 | 7510 | 1,2 | |||
| 10 | 137,05 | 220 | 7690 | 1,35 | |||
| 11 | 128,1 | 205 | 7770 | 1,45 | |||
| 0,37 | 13 | 110,73 | 180 | 7900 | 1,65 | 1400 | |
| 15 | 94,08 | 156 | 8000 | 1,9 | |||
| 17 | 84 | 141 | 8060 | 2,1 | |||
| 20 | 71,75 | 122 | 8130 | 2,4 | |||
| 20 | 69,39 | 139 | 8070 | 1,75 | |||
| 21 | 67,2 | 115 | 8150 | 2,5 | |||
| 22 | 63,8 | 128 | 8110 | 1,9 | |||
|
9,6 | 94,08 | 340 | 6710 | 0,85 | 1400 | |
| 11 | 84 | 305 | 7030 | 0,95 | |||
| 13 | 71,75 | 265 | 7360 | 1,1 | |||
| 13 | 67,2 | 250 | 7470 | 1,15 | |||
| 16 | 54,59 | 245 | 7520 | 1,1 | |||
| 19 | 47,32 | 215 | 7710 | 1,25 | |||
| 20 | 44,22 | 200 | 7790 | 1,35 | |||
| 24 | 38,23 | 176 | 7920 | 1,55 | |||
| 8,9 | 158,12 | 370 | 6330 | 0,8 | |||
| 10 | 137,05 | 330 | 6820 | 0,9 | |||
| 11 | 128,1 | 310 | 7010 | 0,95 | |||
| 13 | 110,73 | 270 | 7320 | 1,1 | |||
| 15 | 94,08 | 235 | 7590 | 1,25 | |||
| 17 | 84 | 210 | 7730 | 1,4 | |||
| 20 | 71,75 | 184 | 7880 | 1,55 | |||
| 21 | 67,2 | 174 | 7930 | 1,65 | |||
| 26 | 54,59 | 167 | 7960 | 1,45 | |||
| 30 | 47,32 | 146 | 8040 | 1,7 | |||
| 32 | 44,22 | 137 | 8080 | 1,8 | |||
| 37 | 38,23 | 120 | 8130 | 2 | |||
| 43 | 32,48 | 103 | 7970 | 2,4 | |||
| 48 | 29 | 92 | 7730 | 2,7 | |||
| 57 | 24,77 | 79 | 7390 | 3,1 | |||
| 60 | 23,2 | 75 | 7250 | 3,3 | |||
| 69 | 20,33 | 69 | 6760 | 2,4 | |||
| 0,75 | 13 | 71,75 | 365 | 6430 | 0,8 | 900 | |
| 13 | 67,2 | 345 | 6660 | 0,85 | |||
| 16 | 56,6 | 295 | 7140 | 1 | |||
| 19 | 47,32 | 295 | 7150 | 0,9 | |||
| 20 | 44,22 | 275 | 7300 | 1 | |||
| 13 | 110,73 | 365 | 6400 | 0,8 | 1400 | ||
| 15 | 94,08 | 315 | 6930 | 0,95 | |||
| 17 | 84 | 285 | 7210 | 1,05 | |||
| 20 | 71,75 | 250 | 7500 | 1,15 | |||
| 21 | 67,2 | 235 | 7590 | 1,2 | |||
| 26 | 54,59 | 225 | 7650 | 1,1 | |||
| 30 | 47,32 | 197 | 7810 | 1,25 | |||
| 32 | 44,22 | 185 | 7870 | 1,35 | |||
| 37 | 38,23 | 161 | 7980 | 1,5 | |||
| 43 | 32,48 | 138 | 7670 | 1,8 | |||
| 48 | 29 | 124 | 7450 | 2 | |||
| 57 | 24,77 | 107 | 7150 | 2,3 | |||
| 60 | 23,2 | 100 | 7030 | 2,5 | |||
| 69 | 20,33 | 93 | 6490 | 1,8 | |||
| 79 | 17,62 | 81 | 6260 | 2,1 | |||
| 85 | 16,47 | 76 | 6160 | 2,2 | |||
| 98 | 14,24 | 66 | 5930 | 2,6 | |||
| 1,1 | 20 | 71,75 | 360 | 6480 | 0,8 | 1400 | |
| 21 | 67,2 | 340 | 6710 | 0,85 | |||
| 26 | 54,59 | 290 | 7180 | 0,9 | |||
| 30 | 47,32 | 285 | 7220 | 0,85 | |||
| 32 | 44,22 | 265 | 7360 | 0,9 | |||
| 37 | 38,23 | 235 | 7410 | 1,05 | |||
| 43 | 32,48 | 200 | 7170 | 1,25 | |||
| 48 | 29 | 179 | 7000 | 1,35 | |||
| 57 | 24,77 | 154 | 6760 | 1,6 | |||
| 60 | 23,2 | 145 | 6660 | 1,7 | |||
| 69 | 20,33 | 123 | 6390 | 1,75 | |||
| 79 | 17,62 | 117 | 5870 | 1,45 | |||
| 85 | 16,47 | 110 | 5780 | 1,55 | |||
| 98 | 14,24 | 95 | 5610 | 1,75 | |||
| 116 | 12,1 | 82 | 5400 | 2,1 | |||
| 130 | 10,8 | 73 | 5260 | 2,3 | |||
| 152 | 9,23 | 63 | 5050 | 2,7 | |||
| 1,5 | 43 | 32,48 | 270 | 6630 | 0,9 | 1400 | |
| 48 | 29 | 245 | 6520 | 1 | |||
| 57 | 24,77 | 210 | 6340 | 1,15 | |||
| 60 | 23,2 | 196 | 6270 | 1,25 | |||
| 69 | 20,33 | 167 | 6060 | 1,3 | |||
| 79 | 17,62 | 159 | 5430 | 1,05 | |||
| 85 | 16,47 | 149 | 5380 | 1,15 | |||
| 98 | 14,24 | 129 | 5250 | 1,3 | |||
| 116 | 12,1 | 110 | 5100 | 1,55 | |||
| 130 | 10,8 | 99 | 4980 | 1,7 | |||
| 152 | 9,23 | 85 | 4820 | 2 | |||
| 2,2 | 98 | 14,24 | 190 | 4640 | 0,9 | 1400 | |
| 116 | 12,1 | 162 | 4580 | 1,05 | |||
| 130 | 10,8 | 145 | 4520 | 1,15 | |||
| 152 | 9,23 | 124 | 4420 | 1,35 | |||
| 162 | 8,64 | 117 | 4380 | 1,4 | |||
| 192 | 7,28 | 99 | 4250 | 1,5 | |||
| 3 | 130 | 10,8 | 199 | 3990 | 0,85 | 1400 | |
| 152 | 9,23 | 171 | 3970 | 1 | |||
| 162 | 8,64 | 160 | 3960 | 1,05 | |||
| 192 | 7,28 | 136 | 3900 | 1,1 |

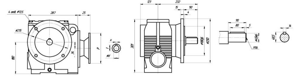
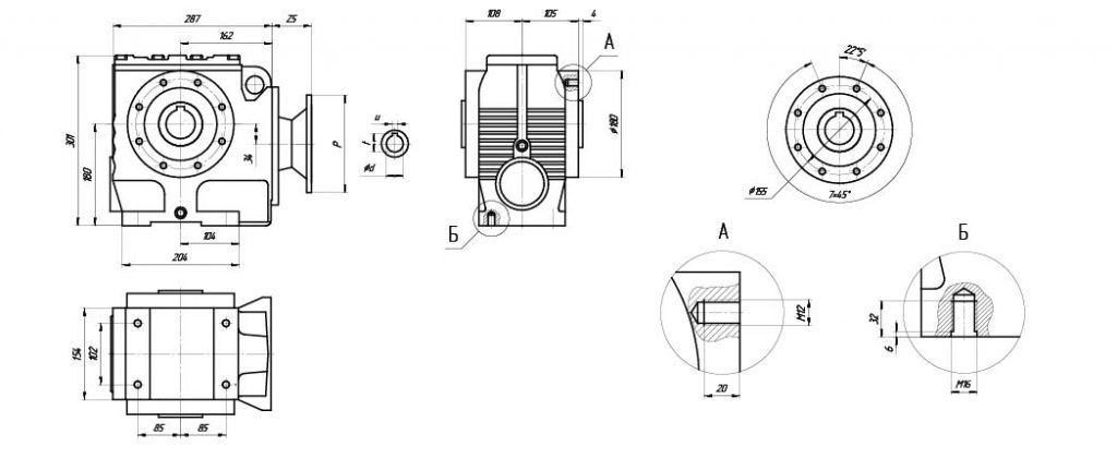
1. Модель редуктора
(S-исполнение на лапах с цельными валом и сквозными отверстиями,
SA-исполнение с полым валом и резьбовыми отверстиями,
SF- исполнение на фланце с цельным валом,
SAF-исполнение на фланце с полым валом).
2. Габарит редуктора (37,47,57,67,77,87,97).
3. Передаточное число.
4. (PAM 28/250)
28- диаметр полого входного вала редуктора (мм),
250- наружный диаметр входного фланца редуктора (мм).
5. Монтажная позиция редуктора (M1, M2, M3, M4, M5, M6).



| Исполнение 1 | Исполнение 2 | Исполнение 3 | Исполнение 4 | Исполнение 5 | |
| P, мм | 140 | 160 | 200 | 250 | 300 |
| Z5, мм | 50 | 55 | 60 | 80 | 90 |



| Мощность, кВт | Частота вращения выходного вала, об/мин | Передаточное число | Крутящий момент, Нм | Допустимая радиальная нагрузка, Н | Сервис- фактор | Частота вращения эл.двигателя |
| 0,18 | 4,1 | 217,41 | 255 | 10300 | 2,2 | 900 |
| 4,7 | 190,11 | 225 | 10400 | 2,5 | ||
| 5 | 180,6 | 215 | 10400 | 2,6 | ||
| 0,25 | 3,1 | 217,41 | 435 | 9350 | 1,3 | 690 |
| 3,6 | 190,11 | 390 | 9670 | 1,45 | ||
| 3,8 | 180,6 | 370 | 9770 | 1,5 | ||
| 4,3 | 158,45 | 330 | 9980 | 1,7 | ||
| 4,1 | 217,41 | 350 | 9890 | 1,6 | 900 | |
| 4,7 | 190,11 | 310 | 10100 | 1,8 | ||
| 5 | 180,6 | 295 | 10100 | 1,9 | ||
| 5,7 | 158,45 | 265 | 10300 | 2,1 | ||
| 6,4 | 217,41 | 245 | 10300 | 2,1 | 1400 | |
| 7,4 | 190,11 | 220 | 10400 | 2,4 | ||
| 7,8 | 180,6 | 210 | 10500 | 2,5 | ||
| 8,8 | 158,45 | 187 | 10500 | 2,8 | ||
| 10,4 | 134,4 | 161 | 10600 | 3,2 | ||
| 11,5 | 121,33 | 147 | 10600 | 3,5 | ||
| 13,1 | 106,75 | 131 | 10700 | 4 | ||
| 0,37 | 4,1 | 217,41 | 505 | 8810 | 1,1 | 900 |
| 4,7 | 190,11 | 450 | 9260 | 1,25 | ||
| 5 | 180,6 | 430 | 9400 | 1,3 | ||
| 5,7 | 158,45 | 380 | 9700 | 1,45 | ||
| 6,4 | 217,41 | 345 | 9900 | 1,5 | 1400 | |
| 7,4 | 190,11 | 310 | 10100 | 1,7 | ||
| 7,8 | 180,6 | 295 | 10200 | 1,75 | ||
| 8,8 | 158,45 | 260 | 10300 | 2 | ||
| 10,4 | 134,4 | 225 | 10400 | 2,3 | ||
| 11,5 | 121,33 | 205 | 10500 | 2,5 | ||
| 0,55 | 6,4 | 217,41 | 520 | 8660 | 1 | 1400 |
| 7,4 | 190,11 | 465 | 9150 | 1,1 | ||
| 7,8 | 180,6 | 445 | 9300 | 1,15 | ||
| 8,8 | 158,45 | 395 | 9620 | 1,3 | ||
| 10,4 | 134,4 | 340 | 9930 | 1,55 | ||
| 11,5 | 121,33 | 310 | 10100 | 1,65 | ||
| 13,1 | 106,75 | 275 | 10200 | 1,85 | ||
| 13,9 | 100,8 | 265 | 10300 | 1,95 | ||
| 16,3 | 85,83 | 230 | 10400 | 2,3 | ||
| 18,7 | 75,06 | 230 | 10400 | 2,1 | ||
| 21,3 | 65,63 | 205 | 10500 | 2,3 | ||
| 0,75 | 7,4 | 190,11 | 625 | 7570 | 0,85 | 1400 |
| 7,8 | 180,6 | 595 | 7900 | 0,85 | ||
| 8,8 | 158,45 | 530 | 8570 | 1 | ||
| 10,4 | 134,4 | 460 | 9180 | 1,15 | ||
| 11,5 | 121,33 | 420 | 9470 | 1,25 | ||
| 13,1 | 106,75 | 375 | 9750 | 1,4 | ||
| 13,9 | 100,8 | 355 | 9860 | 1,45 | ||
| 16,3 | 85,83 | 305 | 10100 | 1,7 | ||
| 18,7 | 75,06 | 310 | 10100 | 1,55 | ||
| 21,3 | 65,63 | 275 | 10200 | 1,75 | ||
| 22,5 | 62,35 | 260 | 10300 | 1,85 | ||
| 25,6 | 54,7 | 230 | 10300 | 2,1 | ||
| 30,2 | 46,4 | 198 | 9840 | 2,4 | ||
| 1,1 | 11,5 | 121,33 | 605 | 7790 | 0,85 | 1400 |
| 13,1 | 106,75 | 540 | 8490 | 0,95 | ||
| 13,9 | 100,8 | 515 | 8740 | 1 | ||
| 16,3 | 85,83 | 445 | 9300 | 1,15 | ||
| 18,7 | 75,06 | 405 | 9550 | 1,3 | ||
| 21 | 65,63 | 400 | 9610 | 1,2 | ||
| 23 | 62,35 | 380 | 9720 | 1,25 | ||
| 26 | 54,7 | 335 | 9560 | 1,45 | ||
| 30 | 46,4 | 285 | 9240 | 1,65 | ||
| 33 | 41,89 | 260 | 9040 | 1,85 | ||
| 38 | 36,85 | 230 | 8780 | 2,1 | ||
| 40 | 34,8 | 220 | 8660 | 2,2 | ||
| 47 | 29,63 | 187 | 8330 | 2,6 | ||
| 1,5 | 16,3 | 85,83 | 600 | 7850 | 0,85 | 1400 |
| 18,7 | 75,06 | 550 | 8390 | 0,95 | ||
| 21 | 65,63 | 540 | 8510 | 0,9 | ||
| 23 | 62,35 | 515 | 8740 | 0,95 | ||
| 26 | 54,7 | 455 | 8810 | 1,05 | ||
| 30 | 46,4 | 390 | 8590 | 1,25 | ||
| 33 | 41,89 | 355 | 8450 | 1,35 | ||
| 38 | 36,85 | 310 | 8250 | 1,55 | ||
| 40 | 34,8 | 295 | 8160 | 1,6 | ||
| 47 | 29,63 | 255 | 7900 | 1,9 | ||
| 52 | 26,93 | 230 | 7740 | 2,1 | ||
| 57 | 24,44 | 220 | 7000 | 1,55 | ||
| 60 | 23,22 | 210 | 6950 | 1,6 | ||
| 69 | 20,37 | 186 | 6790 | 1,85 | ||
| 81 | 17,28 | 159 | 6580 | 2,1 | ||
| 90 | 15,6 | 144 | 6440 | 2,4 | ||
| 102 | 13,73 | 127 | 6260 | 2,7 | ||
| 2,2 | 30 | 46,4 | 570 | 7480 | 0,85 | 1400 |
| 33 | 41,89 | 515 | 7440 | 0,95 | ||
| 38 | 36,85 | 460 | 7360 | 1,05 | ||
| 40 | 34,8 | 435 | 7320 | 1,1 | ||
| 47 | 29,63 | 370 | 7180 | 1,3 | ||
| 52 | 26,93 | 340 | 7080 | 1,4 | ||
| 60 | 23,22 | 295 | 6920 | 1,6 | ||
| 69 | 20,37 | 275 | 6060 | 1,25 | ||
| 81 | 17,28 | 235 | 5960 | 1,45 | ||
| 90 | 15,6 | 210 | 5880 | 1,6 | ||
| 102 | 13,73 | 186 | 5770 | 1,85 | ||
| 108 | 12,96 | 176 | 5710 | 1,95 | ||
| 127 | 11,03 | 151 | 5550 | 2,3 | ||
| 140 | 10,03 | 137 | 5450 | 2,5 | ||
| 161 | 8,69 | 119 | 5300 | 2,8 | ||
| 3 | 40 | 34,8 | 595 | 6350 | 0,8 | 1400 |
| 47 | 29,63 | 510 | 6350 | 0,95 | ||
| 52 | 26,93 | 465 | 6330 | 1,05 | ||
| 60 | 23,22 | 405 | 6270 | 1,2 | ||
| 69 | 20,37 | 375 | 5230 | 0,9 | ||
| 81 | 17,28 | 320 | 5250 | 1,05 | ||
| 90 | 15,6 | 290 | 5240 | 1,15 | ||
| 102 | 13,73 | 255 | 5210 | 1,35 | ||
| 108 | 12,96 | 240 | 5190 | 1,4 | ||
| 127 | 11,03 | 205 | 5100 | 1,65 | ||
| 140 | 10,03 | 188 | 5050 | 1,8 | ||
| 161 | 8,69 | 164 | 4940 | 2 | ||
| 185 | 7,56 | 143 | 4830 | 2,1 | ||
| 4 | 81 | 17,28 | 420 | 3810 | 0,8 | 1400 |
| 90 | 15,6 | 380 | 4180 | 0,9 | ||
| 102 | 13,73 | 335 | 4500 | 1 | ||
| 108 | 12,96 | 320 | 4520 | 1,05 | ||
| 127 | 11,03 | 270 | 4530 | 1,25 | ||
| 140 | 10,03 | 245 | 4520 | 1,35 | ||
| 161 | 8,69 | 215 | 4490 | 1,55 | ||
| 185 | 7,56 | 188 | 4430 | 1,55 | ||
| 5,5 | 127 | 11,03 | 370 | 2930 | 0,9 | 1400 |
| 140 | 10,03 | 340 | 3260 | 1 | ||
| 161 | 8,69 | 295 | 3670 | 1,15 | ||
| 185 | 7,56 | 255 | 3850 | 1,15 |


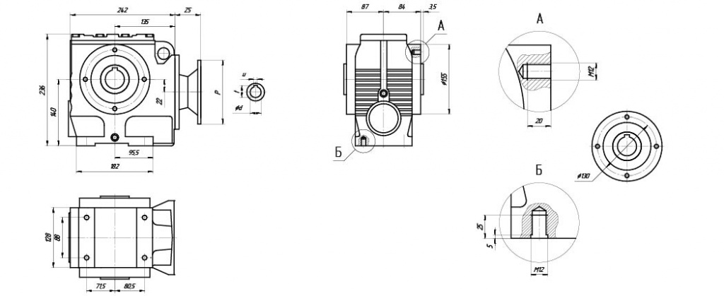
1. Модель редуктора
(S-исполнение на лапах с цельными валом и сквозными отверстиями,
SA-исполнение с полым валом и резьбовыми отверстиями,
SF- исполнение на фланце с цельным валом,
SAF-исполнение на фланце с полым валом).
2. Габарит редуктора (37,47,57,67,77,87,97).
3. Передаточное число.
4. (PAM 28/250)
28- диаметр полого входного вала редуктора (мм),
250- наружный диаметр входного фланца редуктора (мм).
5. Монтажная позиция редуктора (M1, M2, M3, M4, M5, M6).




| Исполнение 1 | Исполнение 2 | Исполнение 3 | Исполнение 4 | Исполнение 5 | |
| P, мм | 160 | 200 | 250 | 300 | 350 |
| Z5, мм | 55 | 60 | 80 | 90 | 90 |


Размеры K2, B, d1, u1, t1 по требованию Заказчика.

| Мощность, кВт | Частота вращения выходного вала, об/мин | Передаточное число | Крутящий момент, Нм | Допустимая радиальная нагрузка, Н | Сервис- фактор | Частота вращения эл.двигателя |
| 0,37 | 3,1 | 225,26 | 735 | 15200 | 1,75 | 700 |
| 3,2 | 214 | 700 | 15300 | 1,8 | ||
| 3,6 | 189,09 | 630 | 15600 | 2 | ||
| 4,3 | 161,6 | 545 | 15900 | 2,3 | ||
| 3,5 | 256,47 | 645 | 15600 | 2 | 900 | |
| 4 | 225,26 | 575 | 15800 | 2,2 | ||
| 4,2 | 214 | 545 | 15900 | 2,3 | ||
| 0,55 | 3,1 | 225,26 | 1090 | 13200 | 1,15 | 700 |
| 3,2 | 214 | 1040 | 13500 | 1,2 | ||
| 3,6 | 189,09 | 930 | 14200 | 1,35 | ||
| 4,3 | 161,6 | 810 | 14900 | 1,55 | ||
| 3,5 | 256,47 | 960 | 14100 | 1,35 | 900 | |
| 4 | 225,26 | 850 | 14700 | 1,5 | ||
| 4,2 | 214 | 810 | 14800 | 1,55 | ||
| 4,8 | 189,09 | 730 | 15200 | 1,75 | ||
| 5,6 | 161,6 | 635 | 15600 | 2 | ||
| 5,5 | 256,47 | 660 | 15500 | 1,9 | 1400 | |
| 6,2 | 225,26 | 590 | 15800 | 2,2 | ||
| 6,5 | 214 | 560 | 15800 | 2,3 | ||
| 7,4 | 189,09 | 505 | 16000 | 2,5 | ||
| 0,75 | 4 | 225,26 | 1160 | 12700 | 1,1 | 900 |
| 4,2 | 214 | 1110 | 13100 | 1,15 | ||
| 4,8 | 189,09 | 990 | 13900 | 1,3 | ||
| 5,6 | 161,6 | 860 | 14600 | 1,45 | ||
| 5,5 | 256,47 | 890 | 14500 | 1,45 | 1400 | |
| 6,2 | 225,26 | 790 | 14900 | 1,6 | ||
| 6,5 | 214 | 755 | 15100 | 1,7 | ||
| 7,4 | 189,09 | 675 | 15400 | 1,9 | ||
| 8,7 | 161,6 | 585 | 15800 | 2,2 | ||
| 9,4 | 148,15 | 545 | 15900 | 2,3 | ||
| 11 | 130 | 480 | 16000 | 2,5 | ||
| 11 | 123,2 | 460 | 16000 | 2,6 | ||
| 13 | 107,83 | 405 | 16000 | 2,9 | ||
| 1,1 | 6,2 | 225,26 | 1150 | 12800 | 1,1 | 1400 |
| 6,5 | 214 | 1100 | 13200 | 1,15 | ||
| 7,4 | 189,09 | 980 | 13900 | 1,3 | ||
| 8,7 | 161,6 | 850 | 14700 | 1,5 | ||
| 9,4 | 148,15 | 785 | 15000 | 1,6 | ||
| 11 | 130 | 695 | 15400 | 1,75 | ||
| 11 | 123,2 | 665 | 15500 | 1,8 | ||
| 13 | 107,83 | 585 | 15800 | 2 | ||
| 14 | 97,14 | 535 | 15900 | 2,1 | ||
| 16 | 85,22 | 470 | 16000 | 2,3 | ||
| 1,5 | 7,4 | 189,09 | 1330 | 10600 | 0,95 | 1400 |
| 8,7 | 161,6 | 1150 | 12700 | 1,1 | ||
| 9,4 | 148,15 | 1060 | 13400 | 1,15 | ||
| 11 | 130 | 940 | 14100 | 1,3 | ||
| 11 | 123,2 | 900 | 14400 | 1,35 | ||
| 13 | 107,83 | 795 | 14900 | 1,45 | ||
| 14 | 97,14 | 725 | 15300 | 1,6 | ||
| 16 | 85,22 | 640 | 15400 | 1,7 | ||
| 19 | 75,09 | 650 | 14100 | 1,7 | ||
| 20 | 71,33 | 620 | 14000 | 1,8 | ||
| 21 | 66,67 | 510 | 14600 | 2 | ||
| 22 | 63,03 | 550 | 13700 | 2 | ||
| 25 | 56,92 | 440 | 14000 | 2,3 | ||
| 26 | 53,87 | 470 | 13200 | 2,3 | ||
| 28 | 49,38 | 435 | 13000 | 2,5 | ||
| 32 | 43,33 | 385 | 12600 | 2,9 | ||
| 2,2 | 11 | 130 | 1390 | 6140 | 0,85 | 1400 |
| 11 | 123,2 | 1320 | 11100 | 0,9 | ||
| 13 | 107,83 | 1170 | 12600 | 1 | ||
| 14 | 97,14 | 1060 | 13400 | 1,1 | ||
| 16 | 85,22 | 940 | 14100 | 1,15 | ||
| 19 | 75,09 | 840 | 13800 | 1,4 | ||
| 21 | 66,67 | 745 | 13500 | 1,3 | ||
| 22 | 63,03 | 810 | 12400 | 1,35 | ||
| 25 | 56,92 | 645 | 13100 | 1,55 | ||
| 26 | 53,87 | 695 | 12100 | 1,6 | ||
| 28 | 49,38 | 635 | 11900 | 1,75 | ||
| 32 | 43,33 | 560 | 11700 | 1,95 | ||
| 34 | 41,07 | 535 | 11600 | 2,1 | ||
| 39 | 35,94 | 470 | 11300 | 2,3 | ||
| 43 | 32,38 | 425 | 11000 | 2,6 | ||
| 49 | 28,41 | 375 | 10700 | 2,8 | ||
| 56 | 25,07 | 330 | 10400 | 3,1 | ||
| 61 | 22,89 | 310 | 9490 | 2,3 | ||
| 67 | 20,99 | 285 | 9340 | 2,5 | ||
| 3 | 16 | 85,22 | 1290 | 11500 | 0,85 | 1400 |
| 19 | 75,09 | 1150 | 12500 | 0,95 | ||
| 21 | 66,67 | 1020 | 12400 | 1 | ||
| 22 | 63,03 | 1110 | 10900 | 1 | ||
| 25 | 56,92 | 880 | 12100 | 1,1 | ||
| 26 | 53,87 | 950 | 10800 | 1,15 | ||
| 28 | 49,38 | 880 | 10800 | 1,25 | ||
| 32 | 43,33 | 770 | 10700 | 1,4 | ||
| 34 | 41,07 | 735 | 10600 | 1,5 | ||
| 39 | 35,94 | 645 | 10400 | 1,7 | ||
| 43 | 32,38 | 585 | 10300 | 1,85 | ||
| 49 | 28,41 | 515 | 10100 | 2 | ||
| 56 | 25,07 | 455 | 9840 | 2,2 | ||
| 61 | 22,89 | 430 | 8680 | 1,65 | ||
| 67 | 20,99 | 395 | 8590 | 1,8 | ||
| 76 | 18,42 | 345 | 8450 | 2 | ||
| 80 | 17,45 | 330 | 8390 | 2,2 | ||
| 92 | 15,28 | 290 | 8210 | 2,5 | ||
| 102 | 13,76 | 260 | 8060 | 2,7 | ||
| 116 | 12,07 | 230 | 7870 | 3,1 | ||
| 131 | 10,65 | 205 | 7670 | 3,5 | ||
| 4 | 25 | 56,92 | 1160 | 10800 | 0,85 | 1400 |
| 26 | 53,87 | 1250 | 9250 | 0,9 | ||
| 28 | 49,38 | 1150 | 9320 | 0,95 | ||
| 32 | 43,33 | 1020 | 9370 | 1,1 | ||
| 34 | 41,07 | 960 | 9370 | 1,15 | ||
| 39 | 35,94 | 850 | 9340 | 1,3 | ||
| 43 | 32,38 | 765 | 9290 | 1,4 | ||
| 49 | 28,41 | 1675 | 9190 | 1,55 | ||
| 56 | 25,07 | 600 | 9070 | 1,7 | ||
| 61 | 22,89 | 565 | 7650 | 1,25 | ||
| 67 | 20,99 | 520 | 7650 | 1,35 | ||
| 76 | 18,42 | 455 | 7620 | 1,55 | ||
| 80 | 17,45 | 435 | 7590 | 1,65 | ||
| 92 | 15,28 | 380 | 7510 | 1,85 | ||
| 102 | 13,76 | 345 | 7430 | 2,1 | ||
| 116 | 12,07 | 300 | 7310 | 2,4 | ||
| 131 | 10,65 | 265 | 7170 | 2,7 | ||
| 148 | 9,44 | 235 | 7030 | 3,1 | ||
| 174 | 8,06 | 1205 | 6830 | 3,3 | ||
| 5,5 | 34 | 41,07 | 1320 | 7560 | 0,85 | 1400 |
| 39 | 35,94 | 1160 | 7750 | 0,95 | ||
| 43 | 32,38 | 1050 | 7850 | 1,05 | ||
| 49 | 28,41 | 920 | 7920 | 1,15 | ||
| 56 | 25,07 | 820 | 7940 | 1,25 | ||
| 63 | 22,22 | 725 | 7920 | 1,35 | ||
| 76 | 18,42 | 625 | 5920 | 1,15 | ||
| 80 | 17,45 | 590 | 6170 | 1,2 | ||
| 92 | 15,28 | 520 | 6490 | 1,35 | ||
| 102 | 13,76 | 470 | 6510 | 1,5 | ||
| 116 | 12,07 | 410 | 6500 | 1,75 | ||
| 131 | 10,65 | 365 | 6450 | 2 | ||
| 148 | 9,44 | 325 | 6390 | 2,2 | ||
| 174 | 8,06 | 275 | 6280 | 2,5 | ||
| 7,5 | 49 | 28,41 | 1260 | 6240 | 0,85 | 1400 |
| 56 | 25,07 | 1110 | 6450 | 0,9 | ||
| 63 | 22,22 | 990 | 6600 | 1 | ||
| 76 | 18,42 | 850 | 1860 | 0,85 | ||
| 80 | 17,45 | 810 | 2290 | 0,9 | ||
| 92 | 15,28 | 705 | 3250 | 1 | ||
| 102 | 13,76 | 640 | 3890 | 1,1 | ||
| 116 | 12,07 | 560 | 4570 | 1,3 | ||
| 131 | 10,65 | 1495 | 5110 | 1,45 | ||
| 148 | 9,44 | 440 | 5540 | 1,65 | ||
| 174 | 8,06 | 380 | 5560 | 1,8 |


1. Модель редуктора
(S-исполнение на лапах с цельными валом и сквозными отверстиями,
SA-исполнение с полым валом и резьбовыми отверстиями,
SF- исполнение на фланце с цельным валом,
SAF-исполнение на фланце с полым валом).
2. Габарит редуктора (37,47,57,67,77,87,97).
3. Передаточное число.
4. (PAM 28/250)
28- диаметр полого входного вала редуктора (мм),
250- наружный диаметр входного фланца редуктора (мм).
5. Монтажная позиция редуктора (M1, M2, M3, M4, M5, M6).




| Исполнение 1 | Исполнение 2 | Исполнение 3 | Исполнение 4 | Исполнение 5 | |
| P, мм | 160 | 200 | 250 | 300 | 350 |
| Z5, мм | 55 | 60 | 80 | 90 | 90 |


Размеры K2, B, d1, u1, t1 по требованию Заказчика.

| Мощность, кВт | Частота вращения выходного вала, об/мин | Передаточное число | Крутящий момент, Нм | Допустимая радиальная нагрузка, Н | Сервис- фактор | Частота вращения эл.двигателя |
| 0,37 | 2,4 | 288 | 980 | 29700 | 2,5 | 700 |
| 2,7 | 258,18 | 890 | 29800 | 2,8 | ||
| 3,1 | 222,4 | 775 | 29900 | 3,2 | ||
| 0,55 | 2,4 | 288 | 1450 | 29200 | 1,7 | |
| 2,7 | 258,18 | 1320 | 29400 | 1,85 | ||
| 3,1 | 222,4 | 1150 | 29600 | 2,1 | ||
| 3,1 | 288 | 1130 | 29600 | 2,2 | 900 | |
| 3,5 | 258,18 | 1020 | 29700 | 2,4 | ||
| 4 | 222,4 | 900 | 29800 | 2,7 | ||
| 4,4 | 202,96 | 820 | 29800 | 2,9 | ||
| 0,75 | 3,1 | 288 | 1540 | 29100 | 1,6 | |
| 3,5 | 258,18 | 1400 | 29300 | 1,75 | ||
| 4 | 222,4 | 1220 | 29500 | 1,95 | ||
| 4,4 | 202,96 | 1120 | 29600 | 2,1 | ||
| 4,9 | 288 | 1050 | 29600 | 2,2 | 1400 | |
| 5,4 | 258,18 | 950 | 29700 | 2,4 | ||
| 6,3 | 222,4 | 830 | 29800 | 2,8 | ||
| 6,9 | 202,96 | 765 | 29900 | 3 | ||
| 1,1 | 3,1 | 288 | 2220 | 28100 | 1,1 | 900 |
| 3,5 | 258,18 | 2010 | 28400 | 1,2 | ||
| 4 | 222,4 | 1760 | 28800 | 1,35 | ||
| 4,4 | 202,96 | 1620 | 29000 | 1,45 | ||
| 4,9 | 288 | 1520 | 29100 | 1,5 | 1400 | |
| 5,4 | 258,18 | 1370 | 29300 | 1,65 | ||
| 6,3 | 222,4 | 1200 | 29500 | 1,9 | ||
| 6,9 | 202,96 | 1100 | 29600 | 2 | ||
| 7,8 | 180 | 990 | 29700 | 2,2 | ||
| 9,3 | 151,3 | 840 | 29800 | 2,5 | ||
| 1,5 | 3,5 | 258,18 | 2740 | 26600 | 0,9 | 900 |
| 4 | 222,4 | 2390 | 27700 | 1 | ||
| 4,4 | 202,96 | 2200 | 28100 | 1,1 | ||
| 5 | 180 | 1980 | 28500 | 1,2 | ||
| 4,9 | 288 | 2060 | 28300 | 1,1 | 1400 | |
| 5,4 | 258,18 | 1860 | 28700 | 1,2 | ||
| 6,3 | 222,4 | 1630 | 29000 | 1,4 | ||
| 6,9 | 202,96 | 1500 | 29200 | 1,5 | ||
| 7,8 | 180 | 1340 | 29400 | 1,65 | ||
| 9,3 | 151,3 | 1140 | 29600 | 1,9 | ||
| 10 | 139,05 | 1060 | 29600 | 2 | ||
| 11 | 123,48 | 950 | 29700 | 2,2 | ||
| 13 | 110,4 | 850 | 29800 | 2,3 | ||
| 14 | 99,26 | 770 | 29900 | 2,5 | ||
| 2,2 | 5,4 | 258,18 | 2730 | 26800 | 0,85 | 1400 |
| 6,3 | 222,4 | 2380 | 27700 | 0,95 | ||
| 6,9 | 202,96 | 2190 | 28100 | 1,05 | ||
| 7,8 | 180 | 1970 | 28500 | 1,1 | ||
| 9,3 | 151,3 | 1680 | 28900 | 1,3 | ||
| 10 | 139,05 | 1550 | 29100 | 1,35 | ||
| 11 | 123,48 | 1390 | 29300 | 1,5 | ||
| 13 | 110,4 | 1250 | 29500 | 1,6 | ||
| 14 | 99,26 | 1130 | 29600 | 1,75 | ||
| 16 | 86,15 | 990 | 29700 | 1,9 | ||
| 17 | 81,76 | 1060 | 29600 | 1,5 | ||
| 18 | 77,14 | 890 | 29800 | 2 | ||
| 20 | 70,43 | 920 | 29700 | 1,75 | ||
| 22 | 64,27 | 840 | 29800 | 1,9 | ||
| 25 | 57 | 750 | 29900 | 2,1 | ||
| 3 | 7,8 | 180 | 2700 | 27100 | 0,8 | 1400 |
| 9,3 | 151,3 | 2300 | 27900 | 0,95 | ||
| 10 | 139,05 | 2130 | 28200 | 1 | ||
| 11 | 123,48 | 1900 | 28600 | 1,1 | ||
| 13 | 110,4 | 1720 | 28900 | 1,15 | ||
| 14 | 99,26 | 1550 | 29100 | 1,25 | ||
| 16 | 86,15 | 1360 | 29300 | 1,4 | ||
| 17 | 81,76 | 1460 | 29200 | 1,1 | ||
| 18 | 77,14 | 1230 | 29500 | 1,5 | ||
| 20 | 70,43 | 1260 | 29400 | 1,25 | ||
| 22 | 64,27 | 1160 | 29500 | 1,4 | ||
| 25 | 57 | 1030 | 29700 | 1,55 | ||
| 29 | 47,91 | 870 | 29800 | 1,85 | ||
| 32 | 44,03 | 800 | 29800 | 2 | ||
| 36 | 39,1 | 715 | 29900 | 2,2 | ||
| 40 | 34,96 | 640 | 29900 | 2,5 | ||
| 4 | 11 | 123,48 | 2510 | 27500 | 0,8 | 1400 |
| 13 | 110,4 | 2260 | 28000 | 0,9 | ||
| 14 | 99,26 | 2040 | 28400 | 0,95 | ||
| 16 | 86,15 | 1790 | 28800 | 1,05 | ||
| 18 | 77,14 | 1610 | 29000 | 1,15 | ||
| 20 | 70,43 | 1660 | 28900 | 0,95 | ||
| 22 | 64,27 | 1520 | 29100 | 1,05 | ||
| 25 | 57 | 1350 | 29300 | 1,2 | ||
| 29 | 47,91 | 1150 | 29500 | 1,4 | ||
| 32 | 44,03 | 1060 | 29600 | 1,5 | ||
| 36 | 39,1 | 940 | 29700 | 1,7 | ||
| 40 | 34,96 | 840 | 29800 | 1,9 | ||
| 45 | 31,43 | 760 | 29100 | 2,1 | ||
| 51 | 27,28 | 1665 | 28200 | 2,4 | ||
| 55 | 25,5 | 635 | 26600 | 1,95 | ||
| 5,5 | 18 | 77,14 | 2200 | 28100 | 0,85 | 1400 |
| 22 | 64 | 1850 | 28700 | 0,9 | ||
| 25 | 57 | 1850 | 28700 | 0,85 | ||
| 29 | 47,91 | 1560 | 29100 | 1 | ||
| 32 | 44,03 | 1440 | 29200 | 1,1 | ||
| 36 | 39,1 | 1280 | 29200 | 1,25 | ||
| 40 | 34,96 | 1150 | 28600 | 1,4 | ||
| 45 | 31,43 | 1040 | 28000 | 1,55 | ||
| 51 | 27,28 | 910 | 27200 | 1,75 | ||
| 55 | 25,5 | 870 | 25200 | 1,45 | ||
| 57 | 21,43 | 730 | 24500 | 1,7 | ||
| 71 | 19,7 | 675 | 24100 | 1,85 | ||
| 80 | 17,49 | 600 | 23500 | 2,1 | ||
| 90 | 15,64 | 535 | 23000 | 2,3 | ||
| 100 | 14,06 | 485 | 22500 | 2,6 | ||
| 115 | 12,21 | 420 | 21800 | 3 | ||
| 128 | 10,93 | 375 | 21200 | 3,3 | ||
| 7,5 | 32 | 44,03 | 1970 | 27800 | 0,8 | |
| 36 | 39,1 | 1750 | 27400 | 0,9 | ||
| 40 | 34,96 | 1570 | 27000 | 1 | ||
| 45 | 31,43 | 1420 | 26500 | 1,15 | ||
| 51 | 27,28 | 1230 | 25900 | 1,3 | ||
| 55 | 25,5 | 1180 | 23500 | 1,05 | ||
| 57 | 21,43 | 1000 | 23000 | 1,25 | ||
| 71 | 19,7 | 920 | 22700 | 1,35 | ||
| 80 | 17,49 | 820 | 22300 | 1,5 | ||
| 90 | 15,64 | 730 | 21900 | 1,7 | ||
| 100 | 14,06 | 660 | 21500 | 1,9 | ||
| 115 | 12,21 | 575 | 20900 | 2,2 | ||
| 128 | 10,93 | 515 | 20500 | 2,4 | ||
| 154 | 9,07 | 430 | 19700 | 2,7 | ||
| 178 | 7,88 | 375 | 19100 | 2,7 | ||
| 11 | 51 | 27,28 | 1800 | 23700 | 0,9 | 1400 |
| 57 | 24,43 | 1610 | 23400 | 1,1 | ||
| 69 | 20,27 | 1340 | 22800 | 1,2 | ||
| 71 | 19,7 | 1340 | 20400 | 0,95 | ||
| 80 | 17,49 | 1190 | 20200 | 1,05 | ||
| 90 | 15,64 | 1070 | 20000 | 1,15 | ||
| 100 | 14,06 | 960 | 19800 | 1,3 | ||
| 115 | 12,21 | 840 | 19400 | 1,5 | ||
| 128 | 10,93 | 750 | 19100 | 1,65 | ||
| 154 | 9,07 | 625 | 18600 | 1,85 | ||
| 178 | 7,88 | 545 | 18100 | 1,85 | ||
| 15 | 90 | 15,64 | 1430 | 17900 | 0,85 | 1400 |
| 100 | 14,06 | 1290 | 17900 | 0,95 | ||
| 115 | 12,21 | 1120 | 17800 | 1,1 | ||
| 128 | 10,93 | 1010 | 17600 | 1,25 | ||
| 154 | 9,07 | 840 | 17300 | 1,35 | ||
| 178 | 7,88 | 730 | 17000 | 1,4 |


1. Модель редуктора
(S-исполнение на лапах с цельными валом и сквозными отверстиями,
SA-исполнение с полым валом и резьбовыми отверстиями,
SF- исполнение на фланце с цельным валом,
SAF-исполнение на фланце с полым валом).
2. Габарит редуктора (37,47,57,67,77,87,97).
3. Передаточное число.
4. (PAM 28/250)
28- диаметр полого входного вала редуктора (мм),
250- наружный диаметр входного фланца редуктора (мм).
5. Монтажная позиция редуктора (M1, M2, M3, M4, M5, M6).




| Исполнение 1 | Исполнение 2 | Исполнение 3 | Исполнение 4 | Исполнение 5 | |
| P, мм | 200 | 250 | 300 | 350 | 400 |
| Z5, мм | 60 | 80 | 90 | 90 | 145 |


Размеры K2, B, d1, u1, t1 по требованию Заказчика.

| Мощность, кВт | Частота вращения выходного вала, об/мин | Передаточное число | Крутящий момент, Нм | Допустимая радиальная нагрузка, Н | Сервис- фактор | Частота вращения эл.двигателя |
| 0,75 | 2,4 | 286,4 | 2040 | 36100 | 2,1 | 700 |
| 2,6 | 262,22 | 1890 | 36300 | 2,2 | ||
| 3 | 231,67 | 1690 | 36400 | 2,5 | ||
| 1,1 | 2,4 | 286,4 | 3030 | 34900 | 1,4 | |
| 2,6 | 262,22 | 2800 | 35200 | 1,5 | ||
| 3 | 231,67 | 2500 | 35600 | 1,7 | ||
| 3,5 | 196,52 | 2160 | 36000 | 1,95 | ||
| 3,1 | 286,4 | 2310 | 35900 | 1,8 | 900 | |
| 3,4 | 262,22 | 2130 | 36000 | 1,95 | ||
| 3,9 | 231,67 | 1900 | 36300 | 2,2 | ||
| 1,5 | 2,4 | 286,4 | 4030 | 33100 | 1,05 | 700 |
| 2,6 | 262,22 | 3720 | 33700 | 1,15 | ||
| 3 | 231,67 | 3330 | 34400 | 1,25 | ||
| 3,5 | 196,52 | 2870 | 35200 | 1,45 | ||
| 3,1 | 286,4 | 3150 | 34700 | 1,35 | 900 | |
| 3,4 | 262,22 | 2910 | 35100 | 1,45 | ||
| 3,9 | 231,67 | 2600 | 35500 | 1,6 | ||
| 4,6 | 196,52 | 2230 | 35900 | 1,9 | ||
| 4,9 | 286,4 | 2130 | 36000 | 1,9 | 1400 | |
| 5,3 | 262,22 | 1970 | 36200 | 2 | ||
| 6 | 231,67 | 1760 | 36400 | 2,3 | ||
| 7,1 | 196,52 | 1510 | 36600 | 2,7 | ||
| 2,2 | 3,1 | 286,4 | 4530 | 30200 | 0,95 | 900 |
| 3,4 | 262,22 | 4180 | 32800 | 1 | ||
| 3,9 | 231,67 | 3730 | 33700 | 1,15 | ||
| 4,6 | 196,52 | 3210 | 34600 | 1,3 | ||
| 4,9 | 286,4 | 3130 | 34800 | 1,3 | 1400 | |
| 5,3 | 262,22 | 2890 | 35100 | 1,4 | ||
| 6 | 231,67 | 2570 | 35500 | 1,55 | ||
| 7,1 | 196,52 | 2210 | 36000 | 1,8 | ||
| 7,7 | 180,95 | 2050 | 36100 | 1,9 | ||
| 8,7 | 161,74 | 1840 | 36300 | 2,1 | ||
| 9,6 | 145,6 | 1670 | 36500 | 2,2 | ||
| 11 | 131,85 | 1520 | 36600 | 2,4 | ||
| 12 | 116,92 | 1360 | 36700 | 2,6 | ||
| 13 | 105,71 | 1240 | 36800 | 2,8 | ||
| 16 | 89,6 | 1060 | 36900 | 3,1 | ||
| 3 | 4,9 | 286,4 | 4290 | 32600 | 0,95 | 1400 |
| 5,3 | 262,22 | 3960 | 33300 | 1 | ||
| 6 | 231,67 | 3530 | 34100 | 1,15 | ||
| 7,1 | 196,52 | 3040 | 34900 | 1,3 | ||
| 7,7 | 180,95 | 2810 | 35200 | 1,4 | ||
| 8,7 | 161,74 | 2530 | 35600 | 1,5 | ||
| 9,6 | 145,6 | 2300 | 35900 | 1,65 | ||
| 11 | 131,85 | 2090 | 36100 | 1,75 | ||
| 12 | 116,92 | 1870 | 36300 | 1,9 | ||
| 13 | 105,71 | 1700 | 36400 | 2 | ||
| 16 | 89,6 | 1450 | 36600 | 2,2 | ||
| 17 | 80,85 | 1470 | 36600 | 2,2 | ||
| 4 | 6 | 231,67 | 4650 | 28300 | 0,85 | 1400 |
| 7,1 | 196,52 | 3990 | 33200 | 1 | ||
| 7,7 | 180,95 | 3700 | 33800 | 1,05 | ||
| 8,7 | 161,74 | 3330 | 34400 | 1,15 | ||
| 9,6 | 145,6 | 3020 | 34900 | 1,25 | ||
| 11 | 131,85 | 2750 | 35300 | 1,35 | ||
| 12 | 116,92 | 2460 | 35700 | 1,45 | ||
| 13 | 105,71 | 2230 | 35900 | 1,55 | ||
| 16 | 89,6 | 1910 | 36300 | 1,7 | ||
| 17 | 80,85 | 1940 | 36200 | 1,65 | ||
| 20 | 71,43 | 1720 | 36400 | 1,9 | ||
| 23 | 60,59 | 1470 | 36600 | 2,2 | ||
| 25 | 55,79 | 1350 | 36700 | 2,4 | ||
| 5,5 | 8,7 | 161,74 | 4550 | 29900 | 0,85 | 1400 |
| 9,6 | 145,6 | 4130 | 32900 | 0,9 | ||
| 11 | 131,85 | 3760 | 33700 | 0,95 | ||
| 12 | 116,92 | 3360 | 34400 | 1,05 | ||
| 13 | 105,71 | 3050 | 34900 | 1,15 | ||
| 16 | 89,6 | 2610 | 35500 | 1,25 | ||
| 18 | 78,26 | 2290 | 35900 | 1,35 | ||
| 20 | 71,43 | 2350 | 35800 | 1,4 | ||
| 21 | 65,45 | 1930 | 36200 | 1,5 | ||
| 23 | 60,59 | 2000 | 36200 | 1,65 | ||
| 25 | 55,79 | 1850 | 36300 | 1,8 | ||
| 28 | 49,87 | 1660 | 36500 | 2 | ||
| 31 | 44,89 | 1500 | 36600 | 2,2 | ||
| 34 | 40,65 | 1360 | 36700 | 2,4 | ||
| 7,5 | 13 | 105,71 | 4160 | 32900 | 0,85 | 1400 |
| 16 | 89,6 | 3560 | 34100 | 0,9 | ||
| 18 | 78,26 | 3130 | 34800 | 1 | ||
| 20 | 71,43 | 3200 | 34600 | 1,05 | ||
| 21 | 65,45 | 2630 | 35500 | 1,1 | ||
| 23 | 60,59 | 2730 | 35300 | 1,2 | ||
| 25 | 55,79 | 2520 | 35600 | 1,3 | ||
| 28 | 49,87 | 2260 | 35900 | 1,45 | ||
| 31 | 44,89 | 2040 | 36100 | 1,6 | ||
| 34 | 40,6 | 1850 | 36300 | 1,8 | ||
| 39 | 36,05 | 1650 | 36200 | 2 | ||
| 43 | 32,6 | 1490 | 35500 | 2,2 | ||
| 53 | 26,39 | 1240 | 32000 | 2,1 | ||
| 59 | 23,59 | 1110 | 31400 | 2,3 | ||
| 66 | 21,23 | 1000 | 30700 | 2,6 | ||
| 73 | 19,23 | 910 | 30100 | 2,9 | ||
| 11 | 25 | 55,79 | 3670 | 33800 | 0,9 | 1400 |
| 28 | 49,87 | 3290 | 34500 | 1 | ||
| 31 | 44,89 | 2970 | 34800 | 1,1 | ||
| 34 | 40,65 | 2700 | 34400 | 1,2 | ||
| 39 | 36,05 | 2400 | 33800 | 1,4 | ||
| 43 | 32,6 | 2170 | 33300 | 1,45 | ||
| 53 | 26,39 | 1810 | 29400 | 1,45 | ||
| 59 | 23,59 | 1620 | 29000 | 1,6 | ||
| 66 | 21,23 | 1460 | 28600 | 1,8 | ||
| 73 | 19,23 | 1320 | 28200 | 1,95 | ||
| 82 | 17,05 | 1180 | 27600 | 2,2 | ||
| 91 | 15,42 | 1070 | 27200 | 2,3 | ||
| 107 | 13,07 | 900 | 26400 | 2,6 | ||
| 123 | 11,41 | 790 | 25700 | 2,8 | ||
| 15 | 31 | 44,89 | 4000 | 31400 | 0,85 | 1400 |
| 34 | 40,65 | 3630 | 31300 | 0,9 | ||
| 39 | 36,05 | 3230 | 31000 | 1 | ||
| 43 | 32,6 | 2920 | 30800 | 1,1 | ||
| 53 | 26,39 | 2430 | 26400 | 1,05 | ||
| 59 | 23,59 | 2180 | 26300 | 1,2 | ||
| 66 | 21,23 | 1970 | 26200 | 1,3 | ||
| 73 | 19,23 | 1780 | 26000 | 1,45 | ||
| 82 | 17,05 | 1580 | 25700 | 1,6 | ||
| 91 | 15,42 | 1430 | 25400 | 1,7 | ||
| 107 | 13,07 | 1220 | 24800 | 1,9 | ||
| 123 | 11,41 | 1060 | 24300 | 2,1 | ||
| 147 | 9,55 | 890 | 23600 | 2,3 | ||
| 169 | 8,26 | 775 | 22900 | 2,3 | ||
| 18,5 | 39 | 36,05 | 3970 | 28700 | 0,85 | 1400 |
| 43 | 32,6 | 3590 | 28600 | 0,9 | ||
| 53 | 26,39 | 3060 | 28400 | 1 | ||
| 59 | 23,59 | 2680 | 28100 | 1,05 | ||
| 66 | 21,23 | 2420 | 24100 | 1,1 | ||
| 73 | 19,23 | 2190 | 24100 | 1,2 | ||
| 82 | 17,05 | 1950 | 24000 | 1,3 | ||
| 91 | 15,42 | 1760 | 23900 | 1,4 | ||
| 107 | 13,07 | 1500 | 23500 | 1,55 | ||
| 123 | 11,41 | 1310 | 23200 | 1,7 | ||
| 147 | 9,55 | 1100 | 22600 | 1,85 | ||
| 169 | 8,26 | 950 | 22100 | 1,85 | ||
| 22 | 51 | 27,63 | 3630 | 26600 | 0,85 | 1400 |
| 58 | 24,13 | 3180 | 26500 | 0,9 | ||
| 66 | 21,23 | 2870 | 19800 | 0,9 | ||
| 73 | 19,23 | 2600 | 21800 | 1 | ||
| 82 | 17,05 | 2310 | 22300 | 1,1 | ||
| 91 | 15,42 | 2090 | 22400 | 1,2 | ||
| 107 | 13,07 | 1780 | 22300 | 1,3 | ||
| 123 | 11,41 | 1560 | 22100 | 1,4 | ||
| 147 | 9,55 | 1300 | 21700 | 1,55 | ||
| 169 | 8,26 | 1130 | 21300 | 1,55 |
