Категория: Редукторы червячные глобоидные



| Размер редуктора | Передаточное число | Частота вращения входного вала, об/мин | ||||||||
| 750 | 1000 | 1500 | ||||||||
| Мощность на вход. кВт | Момент на выходном валу Н.м | η | Мощность на вход. кВт | Момент на выходном валу Н.м | η | Мощность на вход. кВт | Момент на выходном валу Н.м | η | ||
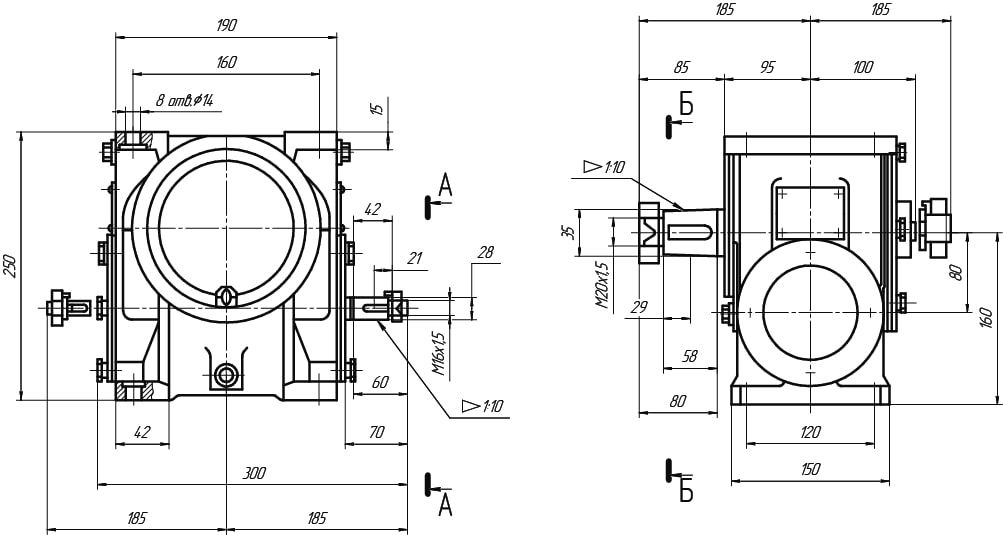
| Чг-80 | 10 | 3,75 | 400 | 0,82 | 4,02 | 325 | 0,83 | 5,05 | 275 | 0,84 |
| 12,5 | 3,62 | 475 | 0,81 | 3,75 | 375 | 0,82 | 4,45 | 300 | 0,83 | |
| 16 | 2,86 | 476 | 0,8 | 3,55 | 450 | 0,81 | 3,84 | 333 | 0,82 | |
| 20 | 2,48 | 508 | 0,79 | 3,15 | 492 | 0,8 | 3,46 | 365 | 0,81 | |
| 25 | 2,04 | 508 | 0,77 | 2,48 | 476 | 0,79 | 3,15 | 412 | 0,81 | |
| 31,5 | 1,78 | 540 | 0,74 | 2,18 | 508 | 0,76 | 2,32 | 380 | 0,8 | |
| 40 | 1,32 | 492 | 0,72 | 1,65 | 476 | 0,74 | 1,75 | 350 | 0,77 | |
| 50 | 0,89 | 397 | 0,69 | 1,05 | 365 | 0,71 | 1,25 | 300 | 0,74 | |
| 63 | 0,67 | 349 | 0,63 | 0,73 | 302 | 0,67 | 0,9 | 260 | 0,69 | |


1. Модель редуктора.
2. Габарит редуктора.
3. Передаточное число.
4. Вариант сборки.


| Типоразмер редуктора | Передаточное число | Частота вращения входного вала, об/мин | ||||||||||
| 750 | 1000 | 1500 | ||||||||||
| Мощность на вход. кВт | Момент на выходном валу Н.м | η | Мощность на вход. кВт | Момент на выходном валу Н.м | η | Мощность на вход. кВт | Момент на выходном валу Н.м | η | ||||
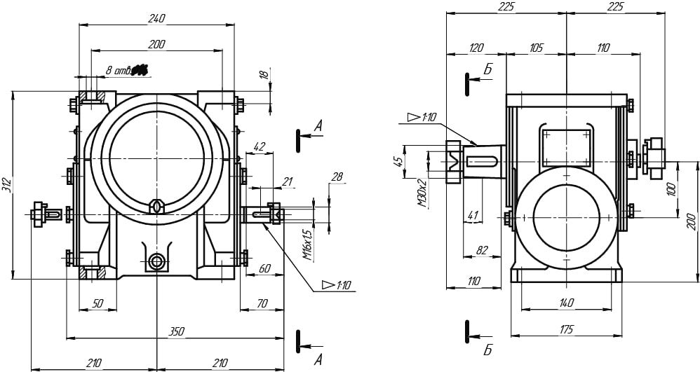
| Чг-100 | 10 | 5,95 | 650 | 0,84 | 6,35 | 600 | 0,84 | 8,05 | 450 | 0,86 | ||
| 12,5 | 5,57 | 750 | 0,83 | 5,88 | 600 | 0,84 | 7,25 | 500 | 0,85 | |||
| 16 | 4,84 | 825 | 0,82 | 5,5 | 714 | 0,83 | 6,88 | 600 | 0,48 | |||
| 20 | 4,16 | 873 | 0,81 | 4,96 | 794 | 0,82 | 6,5 | 700 | 0,83 | |||
| 25 | 3,26 | 825 | 0,78 | 4,06 | 794 | 0,8 | 5,6 | 746 | 0,82 | |||
| 31,5 | 2,68 | 825 | 0,75 | 3,38 | 809 | 0,78 | 4,8 | 794 | 0,81 | |||
| 40 | 2,02 | 762 | 0,73 | 2,5 | 730 | 0,75 | 3,53 | 714 | 0,78 | |||
| 50 | 1,45 | 651 | 0,69 | 1,75 | 619 | 0,72 | 2,48 | 603 | 0,75 | |||
| 63 | 1,14 | 603 | 0,65 | 1,09 | 508 | 0,68 | 1,68 | 492 | 0,71 | |||


1. Модель редуктора.
2. Габарит редуктора.
3. Передаточное число.
4. Вариант сборки.


| Типоразмер редуктора | Передаточное число | Частота вращения входного вала, об/мин | ||||||||||
| 750 | 1000 | 1500 | ||||||||||
| Мощность на вход. кВт | Момент на выходном валу Н.м | η | Мощность на вход. кВт | Момент на выходном валу Н.м | η | Мощность на вход. кВт | Момент на выходном валу Н.м | η | ||||
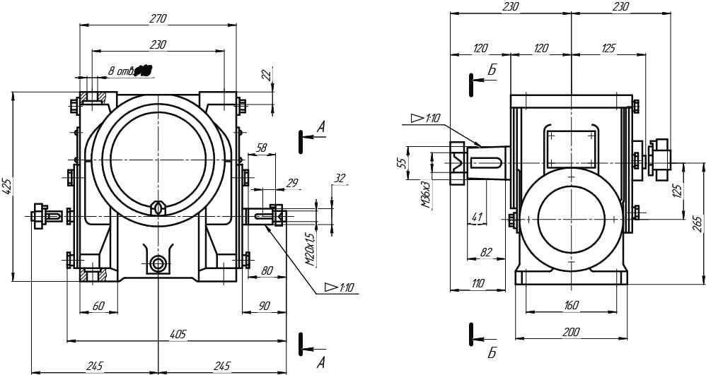
| Чг-125 | 10 | 9,5 | 1050 | 0,85 | 9,86 | 825 | 0,86 | 12,7 | 725 | 0,88 | ||
| 12,5 | 9 | 1225 | 0,84 | 9,44 | 975 | 0,85 | 11,7 | 825 | 0,87 | |||
| 16 | 8,4 | 1450 | 0,83 | 8,8 | 1150 | 0,84 | 10,8 | 975 | 0,87 | |||
| 20 | 7,5 | 1600 | 0,82 | 8,36 | 1350 | 0,83 | 10,1 | 1125 | 0,86 | |||
| 25 | 6,2 | 1587 | 0,78 | 7,62 | 1510 | 0,81 | 9,54 | 1300 | 0,84 | |||
| 31,5 | 4,77 | 1492 | 0,76 | 6,1 | 1460 | 0,78 | 8,5 | 1428 | 0,82 | |||
| 40 | 3,72 | 1428 | 0,74 | 4,72 | 1398 | 0,76 | 6,5 | 1350 | 0,8 | |||
| 50 | 2,86 | 1302 | 0,7 | 3,45 | 1238 | 0,73 | 4,77 | 1190 | 0,77 | |||
| 63 | 2,18 | 1190 | 0,66 | 2,6 | 1110 | 0,7 | 3,68 | 1080 | 0,72 | |||
