Условное обозначение

1. Модель редуктора.
2. Габарит редуктора.
3. Передаточное число.
4. Вариант сборки.
5. Исполнение тихоходного вала.
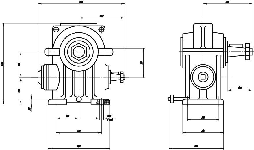
Вес редуктора: 210 кг
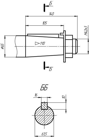
Габаритные и присоединительные размеры

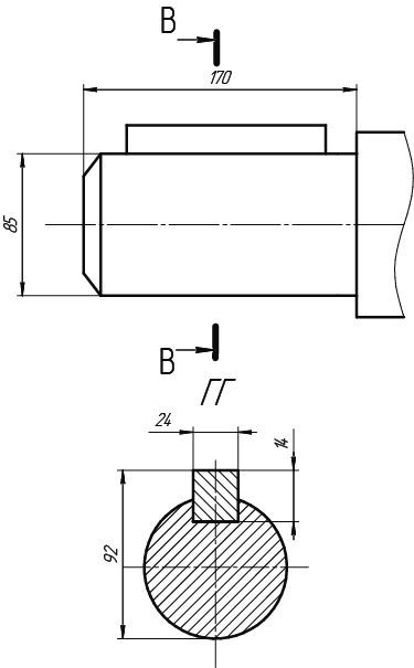
Размеры валов
Входной конический вал Выходной конический вал

Таблица подбора редуктора
| Типоразмер |
iN |
n1, мин1 |
Р1, кВт |
Т2, Н.м |
FRA, H |
| РГЛ; РГСЛ; РГС160М |
10 |
1000 |
17,1 |
1500 |
32000 |
| 16 |
10,9 |
| 20 |
8,6 |
| 25 |
7,2 |
| 31,5 |
6,2 |
| 40 |
5 |
| 50 |
4,1 |
| 63 |
3,5 |
Варианты сборки

Условное обозначение
160%D0%9C.png)
1. Модель редуктора.
2. Габарит редуктора.
3. Передаточное число.
4. Вариант сборки.
5. Исполнение тихоходного вала.
Вес редуктора: 230 кг
Габаритные и присоединительные размеры

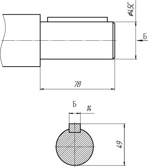
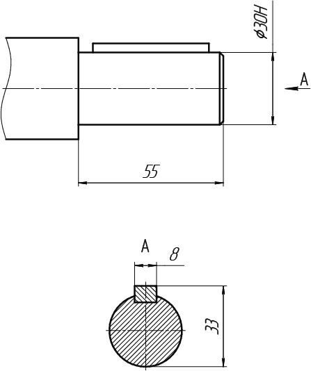
Размеры валов
Входной конический вал Выходной конический вал

Выходной цилиндрический вал

Таблица подбора редуктора
| Типоразмер |
iN |
n1, мин1 |
Р1, кВт |
Т2, Н.м |
FRA, H |
| РГЛ; РГСЛ; РГС160М |
10 |
1000 |
17,1 |
1500 |
32000 |
| 16 |
10,9 |
| 20 |
8,6 |
| 25 |
7,2 |
| 31,5 |
6,2 |
| 40 |
5 |
| 50 |
4,1 |
| 63 |
3,5 |
Варианты сборки

Условное обозначение

1. Модель редуктора.
2. Габарит редуктора.
3. Передаточное число.
4. Вариант сборки.
5. Исполнение тихоходного вала.
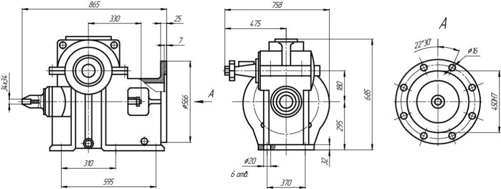
Вес редуктора: 450 кг
Габаритные и присоединительные размеры

Размеры валов
Входной конический вал Выходной конический вал

Таблица подбора редуктора
| Типоразмер |
iN |
n1, мин1 |
Р1, кВт |
Т2, Н.м |
FRA, H |
| РГЛ180М |
28,5 |
1000 |
7,1 |
1300 |
50000 |
| 35 |
9 |
1680 |
| 45 |
7 |
2020 |
Варианты сборки

Условное обозначение

1. Модель редуктора.
2. Габарит редуктора.
3. Передаточное число.
4. Вариант сборки.
5. Исполнение тихоходного вала.
Вес редуктора: 630 кг
Габаритные и присоединительные размеры
Размеры валов
Входной конический вал Выходной конический вал

Таблица подбора редуктора
| Типоразмер |
iN |
n1, мин1 |
Р1, кВт |
Т2, Н.м |
FRA, H |
| РГЛ225М |
35 |
1000 |
17 |
4500 |
65000 |
| 45 |
15 |
Варианты сборки
