Условное обозначение:

1. Модель редуктора.
2. Габарит редуктора I ступени.
3. Габарит редуктора 2 ступени.
4. Передаточное число.
5. Вариант сборки.
6. Исполнение по схеме расположения червячной пары.
7. Исполнение валов, Цвх/Квых (вх- входной вал, вых- выходной вал),
(Ц- цилиндрический вал,
К - конический вал, К2- конический вал с наружней резьбой,
Пшл- полый шлицевой вал,
Пшп- полый вал со шпоночным пазом).
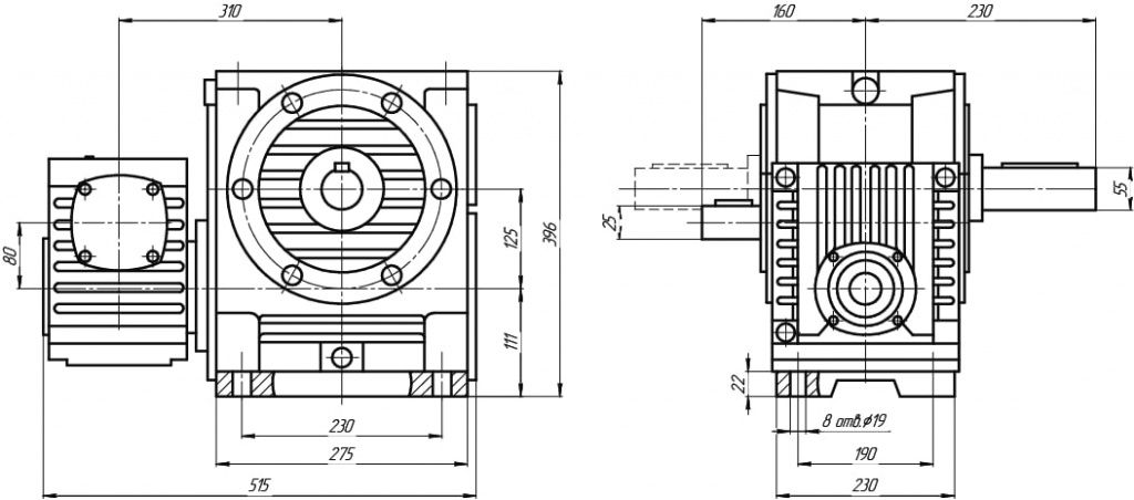
Вес редуктора: 21 кг
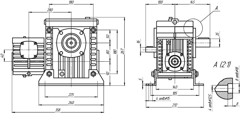
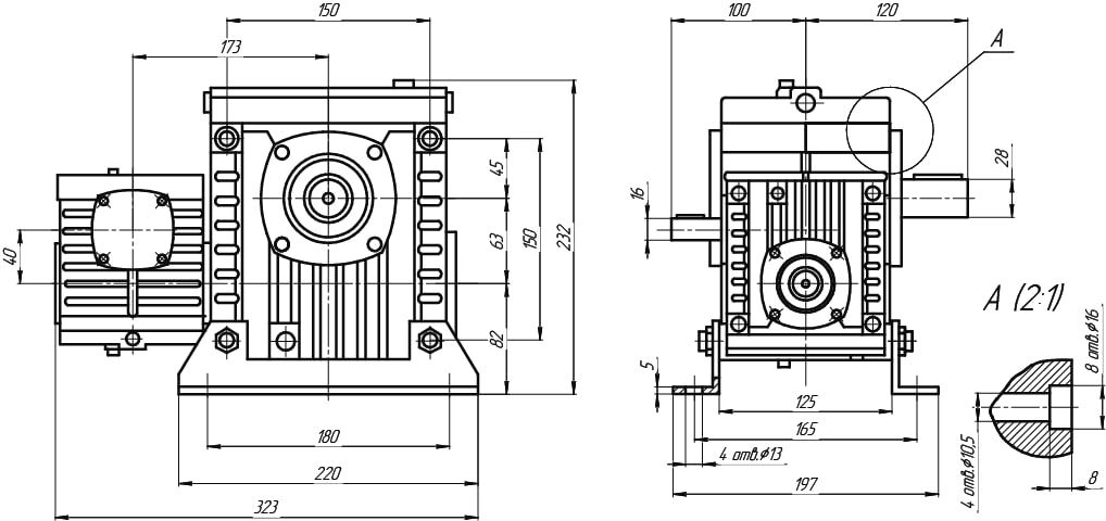
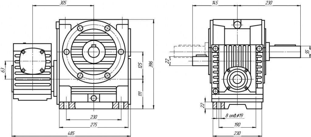
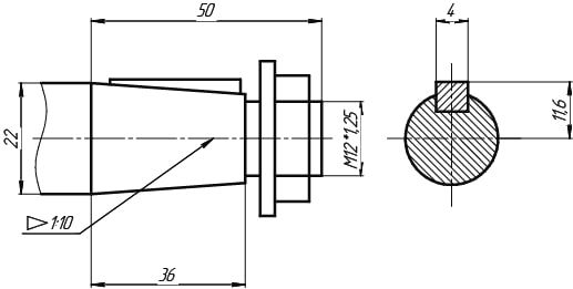
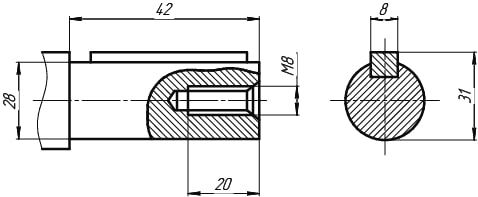
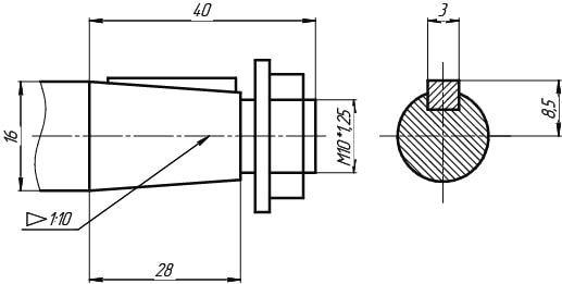
Габаритные и присоединительные размеры

Исполнение валов
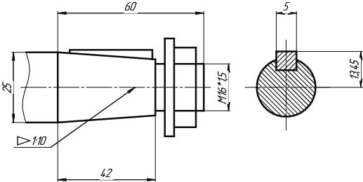
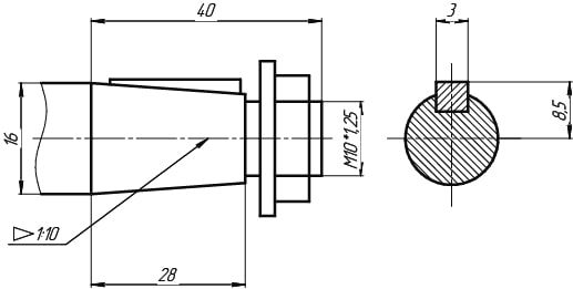
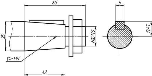
Входной конический вал с внутренней резьбой Выходной конический вал с внутренней резьбой

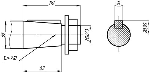
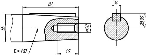
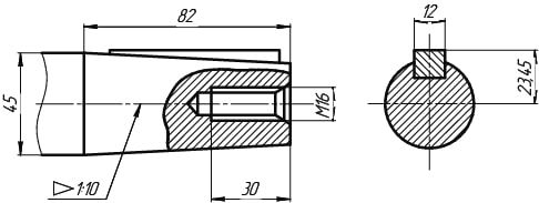
Входной конический вал с наружной резьбой Выходной конический вал с наружной резьбой

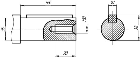
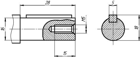
Входной цилиндрический вал с внутренней резьбой Выходной цилиндрический вал с внутренней резьбой

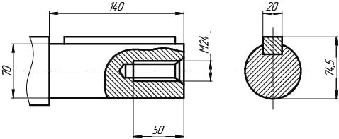
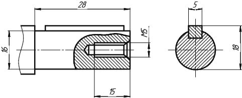
Выходной полый вал со шпоночным пазом

Варианты сборки
С валами под элементы привода С полыми выходными валами


Вариант исполнение по схеме расположения червячной пары

Условное обозначение

1. Модель редуктора.
2. Габарит редуктора I ступени.
3. Габарит редуктора 2 ступени.
4. Передаточное число.
5. Вариант сборки.
6. Исполнение по схеме расположения червячной пары.
7. Исполнение валов, Цвх/Квых (вх- входной вал, вых- выходной вал),
(Ц- цилиндрический вал,
К - конический вал, К2- конический вал с наружней резьбой,
Пшл- полый шлицевой вал,
Пшп- полый вал со шпоночным пазом).
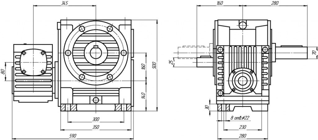
Вес редуктора: 28 кг
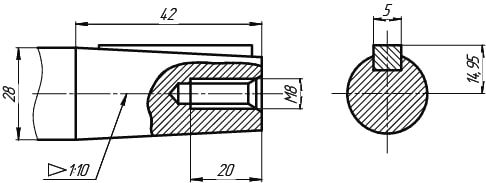
Габаритные и присоединительные размеры

Исполнение валов
Входной конический вал с внутренней резьбой Выходной конический вал с внутренней резьбой

Входной конический вал с наружной резьбой Выходной конический вал с наружной резьбой

Входной цилиндрический вал с внутренней резьбой Выходной цилиндрический вал с внутренней резьбой

Выходной полый вал со шпоночным пазом

Варианты сборки
С валами под элементы привода С полыми выходными валами

Вариант исполнение по схеме расположения червячной пары

Условное обозначение

1. Модель редуктора.
2. Габарит редуктора I ступени.
3. Габарит редуктора 2 ступени.
4. Передаточное число.
5. Вариант сборки.
6. Исполнение по схеме расположения червячной пары.
7. Исполнение валов, Цвх/Квых (вх- входной вал, вых- выходной вал),
(Ц- цилиндрический вал,
К - конический вал, К2- конический вал с наружней резьбой,
Пшл- полый шлицевой вал,
Пшп- полый вал со шпоночным пазом).
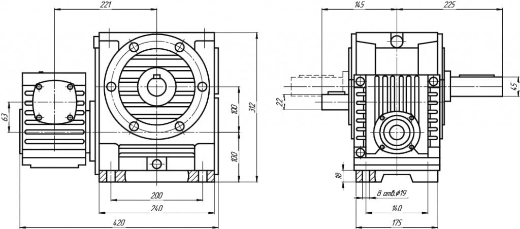
Вес редуктора: 73 кг
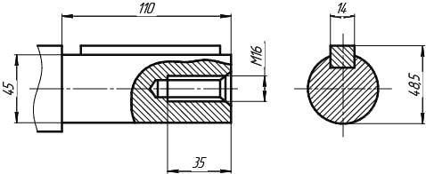
Габаритные и присоединительные размеры

Исполнение валов
Входной конический вал с внутренней резьбой Выходной конический вал с внутренней резьбой

Входной конический вал с наружной резьбой Выходной конический вал с наружной резьбой

Входной цилиндрический вал с внутренней резьбой Выходной цилиндрический вал с внутренней резьбой

Выходной полый вал со шпоночным пазом

Варианты сборки
С валами под элементы привода С полыми выходными валами

Вариант исполнение по схеме расположения червячной пары

Условное обозначение

1. Модель редуктора.
2. Габарит редуктора I ступени.
3. Габарит редуктора 2 ступени.
4. Передаточное число.
5. Вариант сборки.
6. Исполнение по схеме расположения червячной пары.
7. Исполнение валов, Цвх/Квых (вх- входной вал, вых- выходной вал),
(Ц- цилиндрический вал,
К - конический вал, К2- конический вал с наружней резьбой,
Пшл- полый шлицевой вал,
Пшп- полый вал со шпоночным пазом).
Вес редуктора: 104 кг
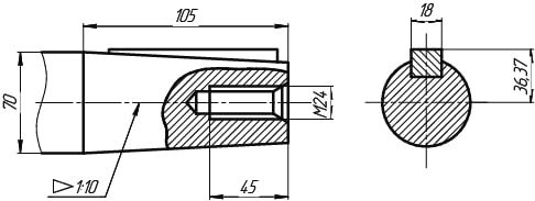
Габаритные и присоединительные размеры

Исполнение валов
Входной конический вал с внутренней резьбой Выходной конический вал с внутренней резьбой

Входной конический вал с наружной резьбой Выходной конический вал с наружной резьбой

Входной цилиндрический вал с внутренней резьбой Выходной цилиндрический вал с внутренней резьбой

Выходной полый вал со шпоночным пазом

Варианты сборки
С валами под элементы привода С полыми выходными валами


Вариант исполнение по схеме расположения червячной пары

Условное обозначение

1. Модель редуктора.
2. Габарит редуктора I ступени.
3. Габарит редуктора 2 ступени.
4. Передаточное число.
5. Вариант сборки.
6. Исполнение по схеме расположения червячной пары.
7. Исполнение валов, Цвх/Квых (вх- входной вал, вых- выходной вал),
(Ц- цилиндрический вал,
К - конический вал, К2- конический вал с наружней резьбой,
Пшл- полый шлицевой вал,
Пшп- полый вал со шпоночным пазом).
Вес редуктора: 111 кг
Габаритные и присоединительные размеры

Исполнение валов
Входной конический вал с внутренней резьбой Выходной конический вал с внутренней резьбой

Входной конический вал с наружной резьбой Выходной конический вал с наружной резьбой

Входной цилиндрический вал с внутренней резьбой Выходной цилиндрический вал с внутренней резьбой

Выходной полый вал со шпоночным пазом

Варианты сборки
С валами под элементы привода С полыми выходными валами


Вариант исполнение по схеме расположения червячной пары

Условное обозначение

1. Модель редуктора.
2. Габарит редуктора I ступени.
3. Габарит редуктора 2 ступени.
4. Передаточное число.
5. Вариант сборки.
6. Исполнение по схеме расположения червячной пары.
7. Исполнение валов, Цвх/Квых (вх- входной вал, вых- выходной вал),
(Ц- цилиндрический вал,
К - конический вал, К2- конический вал с наружней резьбой,
Пшл- полый шлицевой вал,
Пшп- полый вал со шпоночным пазом).
Вес редуктора: 190 кг
Габаритные и присоединительные размеры

Исполнение валов
Входной конический вал с внутренней резьбой Выходной конический вал с внутренней резьбой

Входной конический вал с наружной резьбой Выходной конический вал с наружной резьбой

Входной цилиндрический вал с внутренней резьбой Выходной цилиндрический вал с внутренней резьбой

Выходной полый вал со шпоночным пазом

Варианты сборки
С валами под элементы привода С полыми выходными валами


Вариант исполнение по схеме расположения червячной пары
