Категория: Червячные одноступенчатые редукторы

1. Модель редуктора.
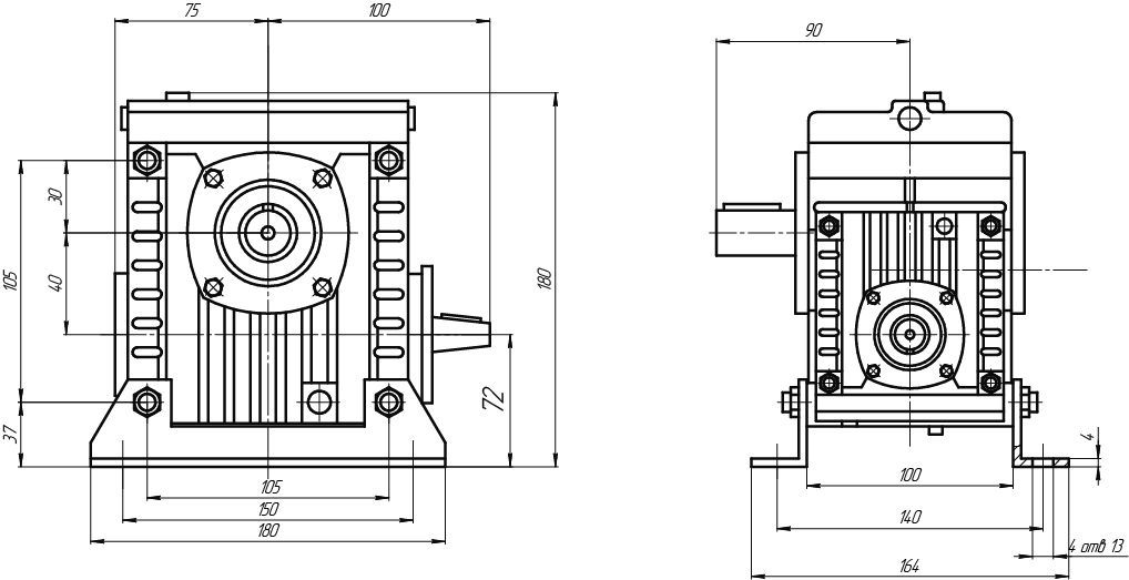
2. Габарит редуктора.
3. Передаточное число
4. Вариант сборки.
5. Вариант расположения червячной пары.
6. Вариант крепления.
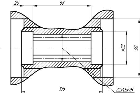
7. Исполнение валов, Цвх/Квых (вх- входной вал, вых- выходной вал),
(Ц- цилиндрический вал,
К - конический вал, К2- конический вал с наружней резьбой,
Пшл- полый шлицевой вал,
Пшп- полый вал со шпоночным пазом).



| Передаточное число | 8 | 10 | 12,5 | 16 | 20 | 25 | 31,5 | 40 | 50 | 63 | |
| Частота вращения входного вала, об/мин | 1500 | ||||||||||
| Номинальный крутящий момент на выходном валу, Н·м | 31 | 31 | 28 | 31 | 31 | 29 | 37 | 34 | 32 | 28 | |
| КПД, % | 85 | 83 | 81 | 77 | 72 | 70 | 65 | 58 | 54 | 52 | |
| Допускаемая радиальная нагрузка, Н | Входной вал | 150 | |||||||||
| Выходной вал | 1500 | ||||||||||
| Корректированный уровень звуковой мощности, дБА | 82 | ||||||||||
| Масса, кг не более | 6,5 | ||||||||||






| Номинальная частота вращения входного вала, об/мин | 1500 | ||||||||||||
| Передаточное число номинальное | 8 | 10 | 12,5 | 16 | 20 | 25 | 31,5 | 40 | 50 | 63 | 80 | ||
| Номинальный крутящий момент | ПВ=40 | 125 | 112 | 140 | 125 | 112 | 140 | 112 | |||||
| на выходном валу, Н·м | ПВ=100 | 105 | 100 | 90 | 120 | 112 | 100 | 125 | 90 | 80 | |||
| КПД, % | 89 | 88 | 84 | 83 | 81 | 74 | 73 | 68 | 62 | 60 | |||
| Допускаемая радиальная консольная | Входном | ПВ=40 | 310 | ||||||||||
| нагрузка на валу, Н | ПВ=100 | 250 | |||||||||||
| Выходном | ПВ=40 | 2800 | |||||||||||
| ПВ=100 | 2400 | ||||||||||||
| Корректированный уровень звуковой мощности, дБА | 85 | ||||||||||||
| Масса, кг | 12,5 | ||||||||||||



1. Модель редуктора.
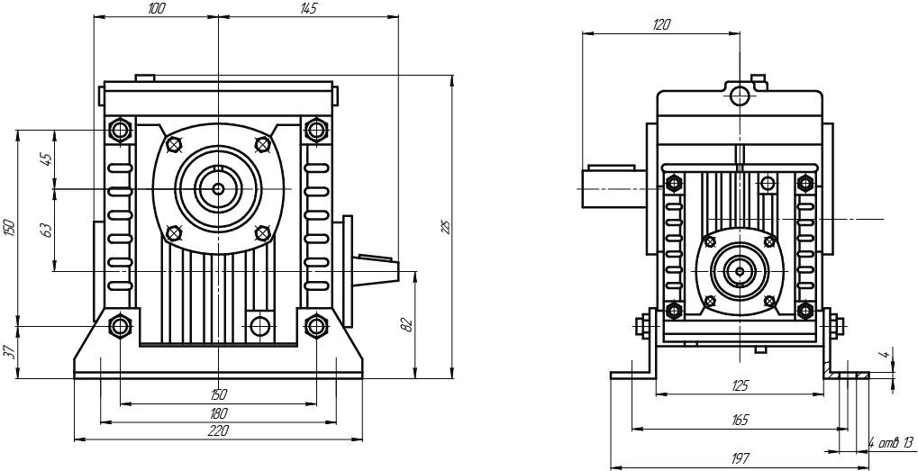
2. Габарит редуктора.
3. Передаточное число
4. Вариант сборки.
5. Вариант расположения червячной пары.
6. Вариант крепления.
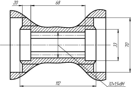
7. Исполнение валов, Цвх/Квых (вх- входной вал, вых- выходной вал),
(Ц- цилиндрический вал,
К - конический вал, К2- конический вал с наружней резьбой,
Пшл- полый шлицевой вал,
Пшп- полый вал со шпоночным пазом)



| Передаточное число | Значения допустимых крутящих моментов на выходном валу МT, КПД и термической мощности NT при частоте вращения входного вала n, об/мин | Допускаемая консольная нагрузка на валу, H | Масса, кг | |||||||||
| 750 | 1000 | 1500 | входном | выходном | ||||||||
| МT, Н·м | КПД | NT, кВт | МT, Н·м | КПД | NT, кВт | МT, Н·м | КПД | NT, кВт | ||||
| 8 | 280 | 0,89 | 3,1 | 250 | 0,9 | 3,6 | 212 | 0,91 | 4,6 | 500 | 4000 | 19 |
| 10 | 250 | 0,88 | 2,2 | 224 | 0,89 | 2,6 | 190 | 0,9 | 3,4 | |||
| 12 | 250 | 0,86 | 1,8 | 230 | 0,87 | 2,2 | 195 | 0,89 | 2,8 | |||
| 16 | 280 | 0,83 | 1,7 | 250 | 0,85 | 1,9 | 218 | 0,86 | 2,5 | |||
| 20 | 243 | 0,79 | 1,2 | 224 | 0,81 | 1,5 | 195 | 0,84 | 1,9 | |||
| 25 | 243 | 0,78 | 1 | 224 | 0,79 | 1,2 | 195 | 0,83 | 1,5 | |||
| 31,5 | 300 | 0,72 | 1,1 | 280 | 0,75 | 1 | 250 | 0,78 | 1,7 | |||
| 40 | 243 | 0,67 | 0,7 | 218 | 0,71 | 0,9 | 195 | 0,73 | 1,1 | |||
| 50 | 243 | 0,65 | 0,6 | 230 | 0,66 | 0,8 | 206 | 0,71 | 0,9 | |||
| 63 | 224 | 0,6 | 0,5 | 212 | 0,62 | 0,6 | 190 | 0,64 | 0,8 | |||
| 80 | 200 | 0,55 | 0,4 | 190 | 0,58 | 0,5 | 175 | 0,61 | 0,6 | |||


1. Без лап с привалочной плоскостью
2. На лапах со стороны червяка
3. На лапах со стороны колеса
4. На лапах со стороны, противоположной входному концу червяка
5. На лапах со стороны входного конца червяка
6. На фланце справа
7. На фланце слева
8. С реактивной штангой справа
9. С реактивной штангой слева