Категория: Червячные одноступенчатые редукторы

1. Модель редуктора.
2. Габарит редуктора.
3. Передаточное число
4. Вариант сборки.
5. Вариант расположения червячной пары.
6. Вариант крепления.
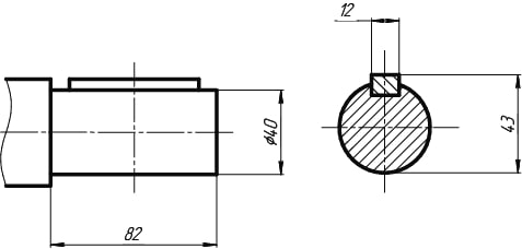
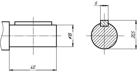
7. Исполнение валов, Цвх/Квых (вх- входной вал, вых- выходной вал),
(Ц- цилиндрический вал,
К - конический вал, К2- конический вал с наружней резьбой,
Пшл- полый шлицевой вал,
Пшп- полый вал со шпоночным пазом).
,%20%D0%B2%D0%B0%D1%80%D0%B8%D0%B0%D0%BD%D1%82%20%D0%BA%D1%80%D0%B5%D0%BF%D0%BB%D0%B5%D0%BD%D0%B8%D1%8F%201,%20%D0%B2%D0%B0%D1%80%D0%B8%D0%B0%D0%BD%D1%82%20%D1%80%D0%B0%D1%81%D0%BF%D0%BE%D0%BB%D0%BE%D0%B6%D0%B5%D0%BD%D0%B8%D1%8F%20%D1%87%D0%B5%D1%80%D0%B2%D1%8F%D1%87%D0%BD%D0%BE%D0%B9%20%D0%BF%D0%B0%D1%80%D1%8B%201.jpg)
,%20%D0%B2%D0%B0%D1%80%D0%B8%D0%B0%D0%BD%D1%82%20%D0%BA%D1%80%D0%B5%D0%BF%D0%BB%D0%B5%D0%BD%D0%B8%D1%8F%202,%20%D0%B2%D0%B0%D1%80%D0%B8%D0%B0%D0%BD%D1%82%20%D1%80%D0%B0%D1%81%D0%BF%D0%BE%D0%BB%D0%BE%D0%B6%D0%B5%D0%BD%D0%B8%D1%8F%20%D1%87%D0%B5%D1%80%D0%B2%D1%8F%D1%87%D0%BD%D0%BE%D0%B9%20%D0%BF%D0%B0%D1%80%D1%8B%201.jpg)
,%20%D0%B2%D0%B0%D1%80%D0%B8%D0%B0%D0%BD%D1%82%20%D0%BA%D1%80%D0%B5%D0%BF%D0%BB%D0%B5%D0%BD%D0%B8%D1%8F%203(4),%20%D0%B2%D0%B0%D1%80%D0%B8%D0%B0%D0%BD%D1%82%20%D1%80%D0%B0%D1%81%D0%BF%D0%BE%D0%BB%D0%BE%D0%B6%D0%B5%D0%BD%D0%B8%D1%8F%20%D1%87%D0%B5%D1%80%D0%B2%D1%8F%D1%87%D0%BD%D0%BE%D0%B9%20%D0%BF%D0%B0%D1%80%D1%8B%201.jpg)

| Частота вращения входного вала, об/мин | Режим работы редуктора | Допускаемый крутящий момент на выходном валу, Н . м | ||||||||||
| при номинальных передаточных числах | ||||||||||||
| 8,0 | 10,0 | 12,5 | 16,0 | 20,0 | 25,0 | 31,5 | 40,0 | 50,0 | 63,0 | 80,0 | ||
| 1500 | ПВ>63% | 130 | 130 | 120 | 130 | 130 | 120 | 130 | 130 | 125 | 110 | 105 |
| ПВ=63% | 140 | 125 | 125 | 150 | 132 | 125 | 170 | 160 | 132 | 106 | 100 | |
| ПВ=40% | 160 | 132 | 132 | 160 | 140 | 132 | 200 | 170 | 140 | 106 | 100 | |
| ПВ=25% | 160 | 140 | 132 | 180 | 140 | 132 | 200 | 180 | 150 | 112 | 106 | |
| ПВ=16% | 170 | 150 | 132 | 190 | 150 | 140 | 200 | 190 | 150 | 112 | 106 | |
| 1000 | ПВ>63% | 145 | 145 | 140 | 145 | 145 | 140 | 145 | 145 | 140 | 120 | 115 |
| ПВ=63% | 160 | 140 | 140 | 170 | 150 | 140 | 100 | 180 | 150 | 120 | 110 | |
| ПВ=40% | 180 | 150 | 150 | 180 | 160 | 150 | 200 | 190 | 160 | 120 | 110 | |
| ПВ=25% | 180 | 160 | 150 | 200 | 160 | 150 | 210 | 200 | 170 | 125 | 120 | |
| ПВ=16% | 190 | 170 | 150 | 210 | 170 | 160 | 220 | 210 | 170 | 125 | 120 | |
| 750 | ПВ>63% | 160 | 160 | 155 | 160 | 160 | 155 | 160 | 160 | 150 | 135 | 130 |
| ПВ=63% | 180 | 180 | 160 | 190 | 170 | 160 | 220 | 210 | 170 | 130 | 130 | |
| ПВ=40% | 210 | 170 | 170 | 210 | 180 | 170 | 240 | 220 | 180 | 130 | 130 | |
| ПВ=25% | 210 | 180 | 170 | 240 | 180 | 170 | 250 | 240 | 190 | 140 | 140 | |
| ПВ=16% | 220 | 190 | 170 | 250 | 190 | 180 | 260 | 250 | 190 | 140 | 140 | |
| Частота вращения входного вала, об/мин | Коэффициент полезного действия, % | ||||||||||
| при номинальных передаточных числах | |||||||||||
| 8,0 | 10,0 | 12,5 | 16,0 | 20,0 | 25,0 | 31,5 | 40,0 | 50,0 | 63,0 | 80,0 | |
| 1500 | 89 | 88 | 87 | 84 | 83 | 81 | 74 | 73 | 68 | 62 | 60 |
| 1000 | 88 | 87 | 86 | 82 | 81 | 79 | 71 | 69 | 65 | 59 | 57 |
| 750 | 87 | 86 | 85 | 82 | 80 | 78 | 69 | 67 | 63 | 56 | 54 |
| Допускаемая радиальная консольная нагрузка на входном валу 340 Н | |
| Допускаемая радиальная консольная нагрузка на выходном валу | |
| при вариантах сборки 51, 52 - 3000 Н | при вариантах сборки 53, 56 - 1500 Н |


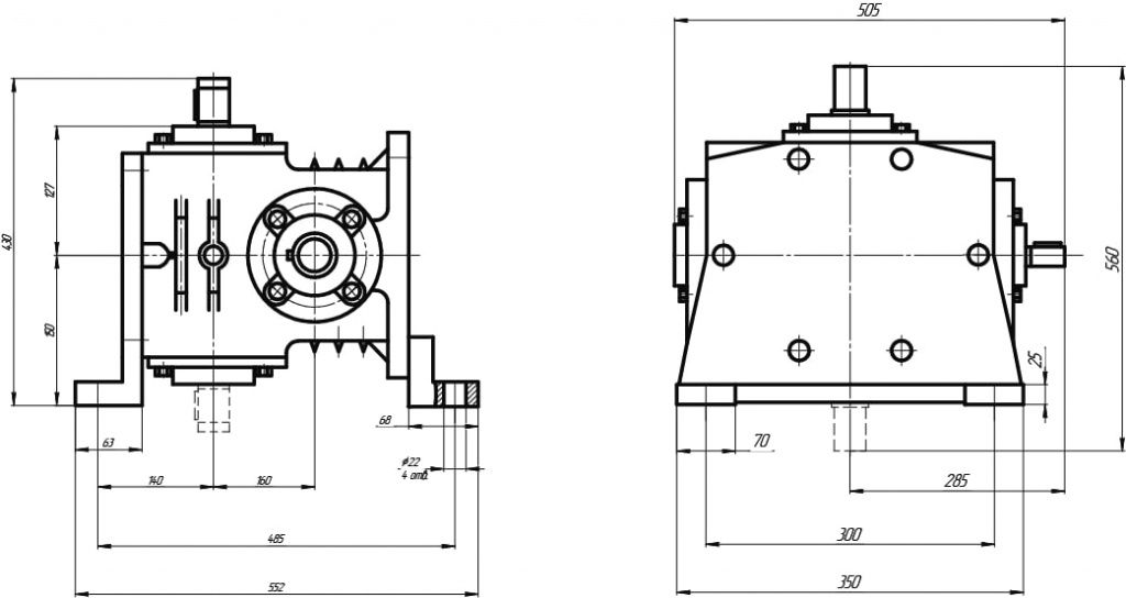
1. Без лап с привалочной плоскостью
2. На лапах со стороны червяка
3. На лапах со стороны колеса
4. На лапах со стороны, противоположной входному концу червяка
5. На лапах со стороны входного конца червяка
6. На фланце справа
7. На фланце слева
8. С реактивной штангой справа
9. С реактивной штангой слева



| Наименование параметров | Техническая характеристикам | ||||||||||||||||||||||
| Номинальная частота вращения входного вала, об/мин | |||||||||||||||||||||||
| Передаточное число номинальное | 8,0 | 10,0 | 12,5 | 16,0 | 20,0 | 25,0 | 31,5 | 40,0 | 50,0 | 63,0 | 80,0 | ||||||||||||
| Номинальный крутящий момент на выходном валу при основном, повторно-кратковременном режиме с продолжительностью включения ПВ=40%, Нм | 250 | 224 | 250 | 224 | |||||||||||||||||||
| Номинальный крутящий момент на выходном валу в непрерывном режиме с продолжительностью включения ПВ=100%, Нм | 180 | 160 | 180 | 200 | 180 | 160 | |||||||||||||||||
| Допускаемая радиальная консольная нагрузка, приложенная к середине посадочной части входного вала, Н в режиме: | 40% | 500 | |||||||||||||||||||||
| 100% | 450 | ||||||||||||||||||||||
| Допускаемая радиальная консольная нагрузка, приложенная к середине посадочной части выходного вала, Н в режиме: | 40% | 4200 | |||||||||||||||||||||
| 100% | 4000 | ||||||||||||||||||||||
| КПД в непрерывном режиме с ПВ=100%, не менее | 91 | 90 | 89 | 86 | 84 | 83 | 78 | 73 | 71 | 64 | 61 | ||||||||||||
| Корректированный уровень звуковой мощности, дБА, не более | 83 | ||||||||||||||||||||||
| Масса, кг по вариантам сборки | 51, 52 | 19,5 | |||||||||||||||||||||
| 53 | 21,0 | ||||||||||||||||||||||
| 56 | 18,5 | ||||||||||||||||||||||


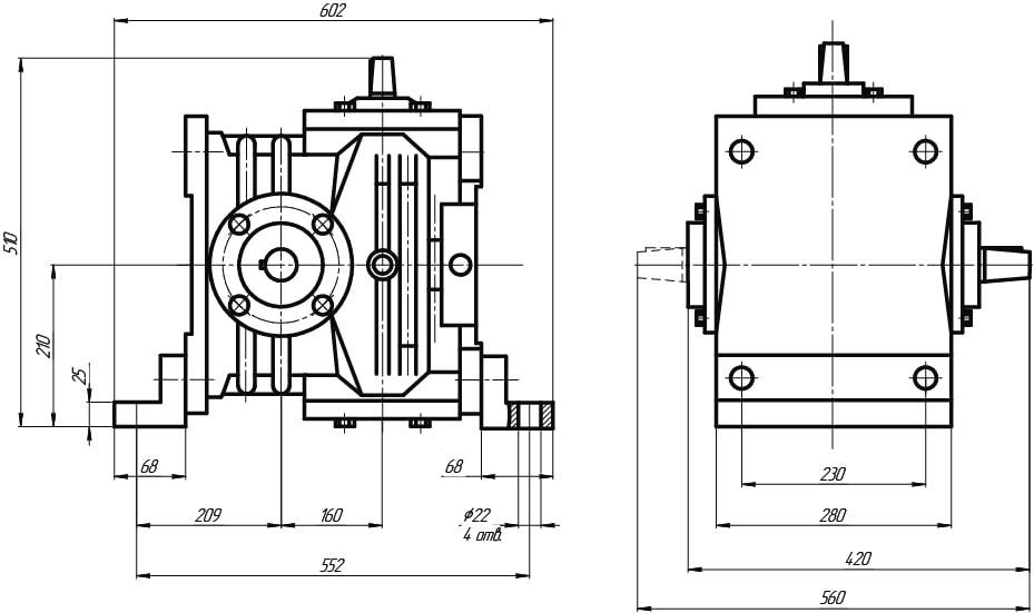
1. Без лап с привалочной плоскостью
2. На лапах со стороны червяка
3. На лапах со стороны колеса
4. На лапах со стороны, противоположной входному концу червяка
5. На лапах со стороны входного конца червяка
6. На фланце справа
7. На фланце слева
8. С реактивной штангой справа
9. С реактивной штангой слева

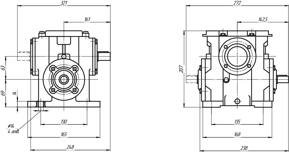
Варианты сборки 52 (51,53,56,61,62,63,66), вариант крепления 1(2), вариант расположения червячной пары 1
,%20%D0%B2%D0%B0%D1%80%D0%B8%D0%B0%D0%BD%D1%82%20%D0%BA%D1%80%D0%B5%D0%BF%D0%BB%D0%B5%D0%BD%D0%B8%D1%8F%201(2),%D0%B2%D0%B0%D1%80%D0%B8%D0%B0%D0%BD%D1%82%20%D1%80%D0%B0%D1%81%D0%BF%D0%BE%D0%BB%D0%BE%D0%B6%D0%B5%D0%BD%D0%B8%D1%8F%20%D1%87%D0%B5%D1%80%D0%B2%D1%8F%D1%87%D0%BD%D0%BE%D0%B9%20%D0%BF%D0%B0%D1%80%D1%8B%201.jpg)
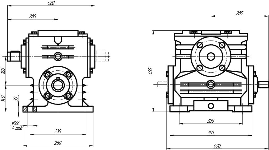
1Ч-160
Варианты сборки 51 (52,53,56,61,62,63,66), вариант крепления 2, вариант расположения червячной пары 1

1Ч-160
Варианты сборки 51 (52,53,56,61,62,63,66), вариант крепления 3(4), вариант расположения червячной пары 4(3)
,%20%D0%B2%D0%B0%D1%80%D0%B8%D0%B0%D0%BD%D1%82%20%D0%BA%D1%80%D0%B5%D0%BF%D0%BB%D0%B5%D0%BD%D0%B8%D1%8F%203(4),%20%D0%B2%D0%B0%D1%80%D0%B8%D0%B0%D0%BD%D1%82%20%D1%80%D0%B0%D1%81%D0%BF%D0%BE%D0%BB%D0%BE%D0%B6%D0%B5%D0%BD%D0%B8%D1%8F%20%D1%87%D0%B5%D1%80%D0%B2%D1%8F%D1%87%D0%BD%D0%BE%D0%B9%20%D0%BF%D0%B0%D1%80%D1%8B%204(3).jpg)
1Ч-160
Варианты сборки 52 (51,53,56,61,62,63,66), вариант крепления 5, вариант расположения червячной пары 5
,%20%D0%B2%D0%B0%D1%80%D0%B8%D0%B0%D0%BD%D1%82%20%D0%BA%D1%80%D0%B5%D0%BF%D0%BB%D0%B5%D0%BD%D0%B8%D1%8F%205,%20%D0%B2%D0%B0%D1%80%D0%B8%D0%B0%D0%BD%D1%82%20%D1%80%D0%B0%D1%81%D0%BF%D0%BE%D0%BB%D0%BE%D0%B6%D0%B5%D0%BD%D0%B8%D1%8F%20%D1%87%D0%B5%D1%80%D0%B2%D1%8F%D1%87%D0%BD%D0%BE%D0%B9%20%D0%BF%D0%B0%D1%80%D1%8B%205.jpg)
1Ч-160
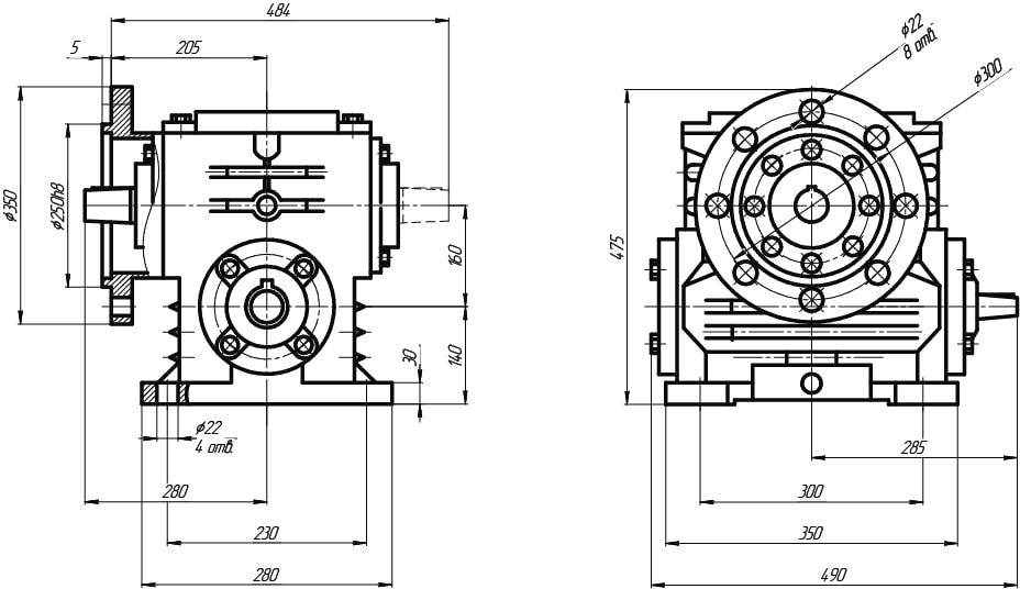
Варианты сборки 52 (51,53,56,61,62,63,66), вариант крепления 1, вариант расположения червячной пары 1, исполнение с опорным фланцем




| Передаточное число, ном. | 8 | 10 | 12,5 | 16 | 20 | 25 | 31,5 | 40 | 50 | 63 | 80 | 100 | 110 | |
| Частота вращения входного вала,об/мин | 1500 | |||||||||||||
| Номинальный крутящий момент на выходном валу, Тном, Н*м | 1860 | 1760 | 1670 | 2190 | 1860 | 1860 | 2460 | 2080 | 1860 | 1760 | 1480 | 1200 | 1100 | |
| Подводимая расчетная мощность, кВт | 37,1 | 28,3 | 21,8 | 22,5 | 15,7 | 12,9 | 14,1 | 9,7 | 7,3 | 5,7 | 3,9 | 3,8 | 3,3 | |
| КПД, % | 94 | 93 | 92 | 91 | 89 | 86 | 83 | 80 | 76 | 73 | 71 | 58 | 47 | |
| Допускаемая радиальная нагрузка, Н | Входной вал | 1200 | 1200 | 1200 | 1200 | 1200 | 1200 | 1200 | 1200 | 1200 | 1200 | 1200 | 433 | 395 |
| Выходной вал | 12150 | 12150 | 12150 | 12150 | 12150 | 12150 | 12150 | 12150 | 12150 | 12150 | 12150 | 8660 | 8291 | |
| Корректированный уровень звуковой мощности, дБА | 94 | |||||||||||||
| Масса, кг не более | 120 | |||||||||||||
| Номинальный крутящий момент на выходном валу дан при повторно кратковременном режиме ПВ 40% | ||||||||||||||


1. Без лап с привалочной плоскостью
2. На лапах со стороны червяка
3. На лапах со стороны колеса
4. На лапах со стороны, противоположной входному концу червяка
5. На лапах со стороны входного конца червяка
6. На фланце справа
7. На фланце слева
8. С реактивной штангой справа
9. С реактивной штангой слева