Категория: Червячные одноступенчатые редукторы



| Типоразмер редуктора | Передаточ-ное число | Номинальная мощность на быстроходном валу, кВт, при об/мин | Номинальный крутящий момент на тихоходном валу, Н.м | Номинальная радиальная консольная нагрузка, приложенная в середине посадочной пов-ти тихоходного вала, кгс | КПД | Вес | ||
| 750 | 1000 | 1500 | ||||||
| РЧН-80 | 10,25 | 0,5 | 0,55 | 0,68 | 42 | 280 | 0,87 | 26 |
| 13,66 | 0,42 | 0,5 | 0,65 | 54 | 0,85 | |||
| 20,5 | 0,25 | 0,3 | 0,37 | 63 | 0,81 | |||
| 41 | 0,25 | 0,3 | 0,37 | 83 | 0,72 | |||

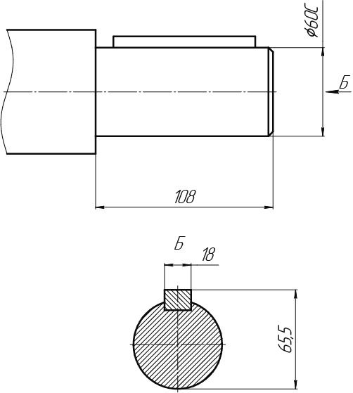
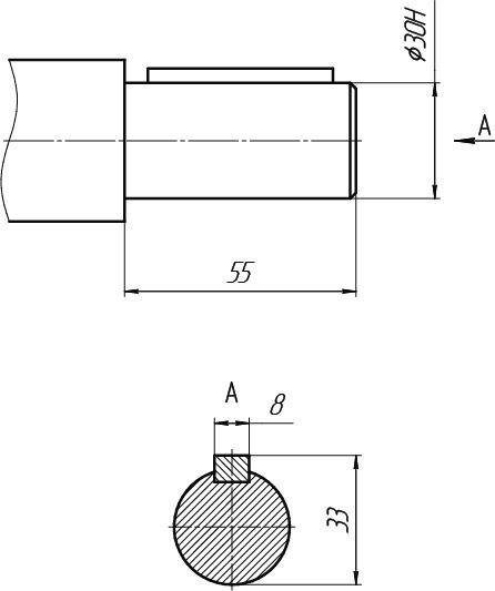
%20120%20%D0%A3%D1%81%D0%BB%D0%BE%D0%B2%D0%BD%D0%BE%D0%B5%20%D0%BE%D0%B1%D0%BE%D0%B7%D0%BD%D0%B0%D1%87%D0%B5%D0%BD%D0%B8%D0%B5.png)


| Типоразмер редуктора | Передаточ-ное число | Номинальная мощность на быстроходном валу, кВт, при об/мин | Номинальный крутящий момент на тихоходном валу, Н.м | Номинальная радиальная консольная нагрузка, приложенная в середине посадочной пов-ти тихоходного вала, кгс | КПД | Вес | ||
| 750 | 1000 | 1500 | ||||||
| РЧН-120 РЧП-120 |
10,33 | - | - | 3,99 | 231 | 440 | 0,88 | 62 |
| 15,5 | 2,94 | 241 | 0,83 | |||||
| 19,5 31 | 2,21 | 222 | 0,74 | |||||
| 31 | 1,84 | 269 | 0,81 | |||||
| 39 | 1,47 | 270 | 0,74 | |||||

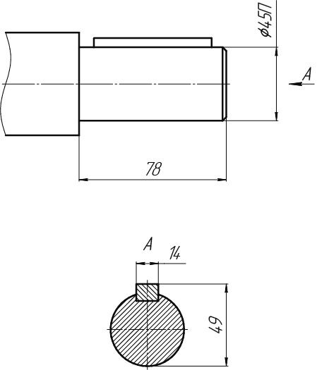
%20180%20%D0%A3%D1%81%D0%BB%D0%BE%D0%B2%D0%BD%D0%BE%D0%B5%20%D0%BE%D0%B1%D0%BE%D0%B7%D0%BD%D0%B0%D1%87%D0%B5%D0%BD%D0%B8%D0%B5.png)


| Типоразмер редуктора | Передаточ-ное число | Номинальная мощность на быстроходном валу, кВт, при об/мин | Номинальный крутящий момент на тихоходном валу, Н.м | Номинальная радиальная консольная нагрузка, приложенная в середине посадочной пов-ти тихоходного вала, кгс | КПД | Вес | ||
| 750 | 1000 | 1500 | ||||||
| РЧН-180 РЧП-180 |
12,33 | - | 11 | 8,9 | 1250 | 1070 | 0,89 | 177 |
| 18,5 37 | 8,1 | 5,9 | 1450 | 0,86 | ||||
| 51 | 5,16 | 4,7 | 1500 | 0,78 | ||||
| 3,68 | 3,3 | 1600 | 0,74 | |||||

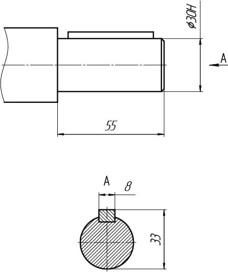
%20120%20%D0%A3%D1%81%D0%BB%D0%BE%D0%B2%D0%BD%D0%BE%D0%B5%20%D0%BE%D0%B1%D0%BE%D0%B7%D0%BD%D0%B0%D1%87%D0%B5%D0%BD%D0%B8%D0%B5.png)


| Типоразмер редуктора | Передаточ-ное число | Номинальная мощность на быстроходном валу, кВт, при об/мин | Номинальный крутящий момент на тихоходном валу, Н.м | Номинальная радиальная консольная нагрузка, приложенная в середине посадочной пов-ти тихоходного вала, кгс | КПД | Вес | ||
| 750 | 1000 | 1500 | ||||||
| РЧН-120 РЧП-120 |
10,33 | - | - | 3,99 | 231 | 440 | 0,88 | 62 |
| 15,5 | 2,94 | 241 | 0,83 | |||||
| 19,5 31 | 2,21 | 222 | 0,74 | |||||
| 31 | 1,84 | 269 | 0,81 | |||||
| 39 | 1,47 | 270 | 0,74 | |||||

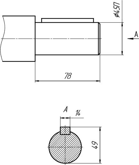
%20180%20%D0%A3%D1%81%D0%BB%D0%BE%D0%B2%D0%BD%D0%BE%D0%B5%20%D0%BE%D0%B1%D0%BE%D0%B7%D0%BD%D0%B0%D1%87%D0%B5%D0%BD%D0%B8%D0%B5.png)


| Типоразмер редуктора | Передаточ-ное число | Номинальная мощность на быстроходном валу, кВт, при об/мин | Номинальный крутящий момент на тихоходном валу, Н.м | Номинальная радиальная консольная нагрузка, приложенная в середине посадочной пов-ти тихоходного вала, кгс | КПД | Вес | ||
| 750 | 1000 | 1500 | ||||||
| РЧН-180 РЧП-180 |
12,33 | - | 11 | 8,9 | 1250 | 1070 | 0,89 | 177 |
| 18,5 37 | 8,1 | 5,9 | 1450 | 0,86 | ||||
| 51 | 5,16 | 4,7 | 1500 | 0,78 | ||||
| 3,68 | 3,3 | 1600 | 0,74 | |||||
