Категория: Червячные одноступенчатые редукторы



| Передаточные отношения(числа) | Крутящий момент на тихом валу, (Нм) при 1500 об | КПД,в процентах при 1500 об | Вращ. момент на быстром валу, (Нм) при 1000 об | КПД, в процентах при 1000 об | Вращ. момент на быстр. валу, Нм при 750 об | КПД, в процентах при 750 об | Допустимая радиальная консольная нагрузка, приложенная к середине входного вала, Н | Допустимая радиальная консольная нагрузка, приложенная к середине выходного вала, Н |
| 8 | 447 | 91% | 425 | 92% | 380 | 93% | 200 | 1800 |
| 10 | 460 | 90% | 410 | 91% | 367 | 93% | ||
| 12,5 | 470 | 89% | 420 | 90% | 374 | 92% | ||
| 16 | 492 | 85% | 440 | 87% | 392 | 89% | ||
| 20 | 464 | 83% | 414 | 85% | 389 | 87% | ||
| 25 | 466 | 83% | 417 | 84% | 372 | 87% | ||
| 31,5 | 500 | 63% | 448 | 66% | 400 | 70% | ||
| 40 | 485 | 71% | 433 | 74% | 387 | 78% | ||
| 50 | 483 | 71% | 436 | 73% | 389 | 77% | ||
| 63 | 396 | 60% | 350 | 64% | 313 | 69% | ||
| 80 | 366 | 58% | 327 | 61% | 292 | 67% |




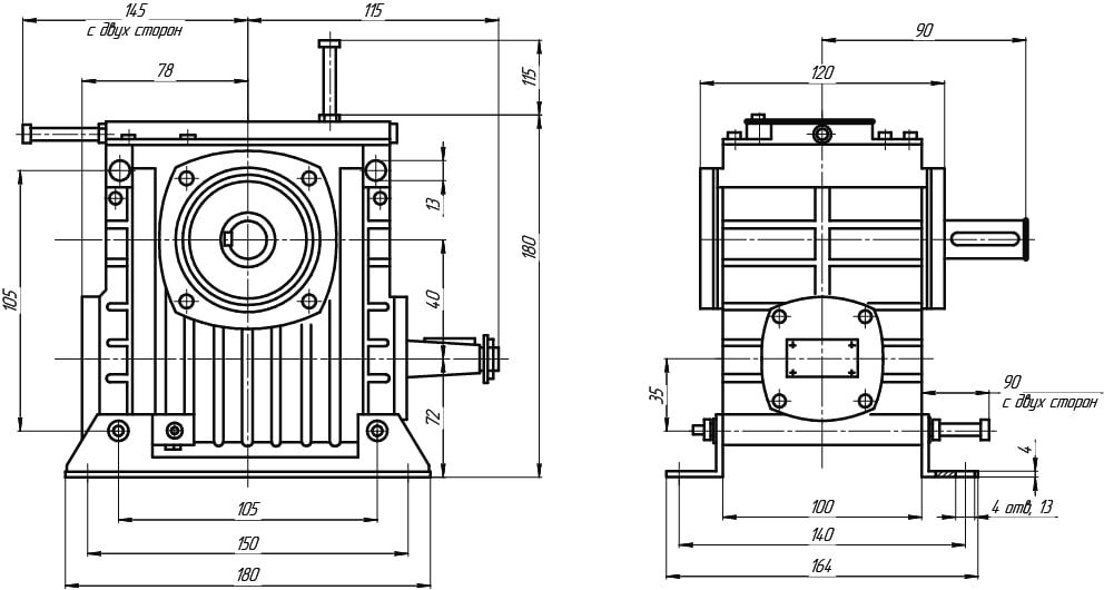
1. Модель редуктора.
2. Габарит редуктора.
3. Передаточное число.
4. Вариант сборки.
5. Вариант крепления.
6. Исполнение по схеме расположения червячной пары.

| Передаточные отношения(числа) | Крутящий момент на выходном валу, (Нм) при 1500 об | КПД,в процентах при 1500 об | Вращ. момент на входящем валу, (Нм) при 1000 об | КПД, в процентах при 1000 об | Вращ. момент на вращательном. валу, Нм при 750 об | КПД, в процентах при 750 об | Допустимая радиальная консольная нагрузка, приложенная к середине входного вала, Н | Допустимая радиальная консольная нагрузка, приложенная к середине выходного вала, Н |
| 8 | 447 | 91% | 425 | 92% | 380 | 93% | 350 | 3000 |
| 10 | 460 | 90% | 410 | 91% | 367 | 93% | ||
| 12,5 | 470 | 89% | 420 | 90% | 374 | 92% | ||
| 16 | 492 | 85% | 440 | 87% | 392 | 89% | ||
| 20 | 464 | 83% | 414 | 85% | 389 | 87% | ||
| 25 | 466 | 83% | 417 | 84% | 372 | 87% | ||
| 31,5 | 500 | 63% | 448 | 66% | 400 | 70% | ||
| 40 | 485 | 71% | 433 | 74% | 387 | 78% | ||
| 50 | 483 | 71% | 436 | 73% | 389 | 77% | ||
| 63 | 396 | 60% | 350 | 64% | 313 | 69% | ||
| 80 | 366 | 58% | 327 | 61% | 292 | 67% |




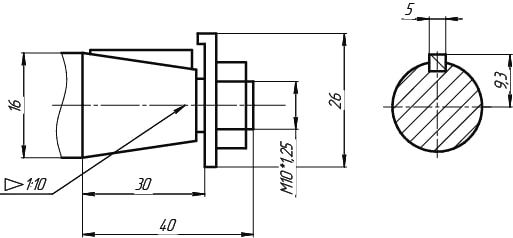
1. Модель редуктора.
2. Габарит редуктора.
3. Передаточное число.
4. Вариант сборки.
5. Вариант крепления.
6. Исполнение по схеме расположения червячной пары.

| Передаточные отношения(числа) | Крутящий момент на валу выхода, (Нм) при 1500 об | КПД,в процентах при 1500 об | Вращ. момент на валу входа, (Нм) при 1000 об | КПД, в процентах при 1000 об | Вращ. момент на входном валу, Нм при 750 | КПД, в процентах при 750 об | Допустимая радиальная консольная нагрузка, приложенная к середине входного вала, Н | Допустимая радиальная консольная нагрузка, приложенная к середине выходного вала, Н |
| 8 | 447 | 91% | 425 | 92% | 380 | 93% | 500 | 4000 |
| 10 | 460 | 90% | 410 | 91% | 367 | 93% | ||
| 12,5 | 470 | 89% | 420 | 90% | 374 | 92% | ||
| 16 | 492 | 85% | 440 | 87% | 392 | 89% | ||
| 20 | 464 | 83% | 414 | 85% | 389 | 87% | ||
| 25 | 466 | 83% | 417 | 84% | 372 | 87% | ||
| 31,5 | 500 | 63% | 448 | 66% | 400 | 70% | ||
| 40 | 485 | 71% | 433 | 74% | 387 | 78% | ||
| 50 | 483 | 71% | 436 | 73% | 389 | 77% | ||
| 63 | 396 | 60% | 350 | 64% | 313 | 69% | ||
| 80 | 366 | 58% | 327 | 61% | 292 | 67% |




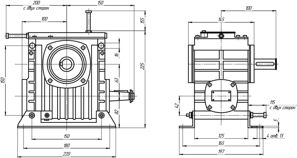
1. Модель редуктора.
2. Габарит редуктора.
3. Передаточное число.
4. Вариант сборки.
5. Вариант крепления.
6. Исполнение по схеме расположения червячной пары.

| Передаточные отношения(числа) | Крутящий момент на валу выхода, (Нм) при 1500 об | КПД,в процентах при 1500 об | Вращ. момент на валу входа, (Нм) при 1000 об | КПД, в процентах при 1000 об | Вращ. момент на входном валу, Нм при 750 об | КПД, в процентах при 750 об | Допустимая радиальная консольная нагрузка, приложенная к середине входного вала, Н | Допустимая радиальная консольная нагрузка, приложенная к середине выходного вала, Н |
| 8 | 447 | 91% | 425 | 92% | 380 | 93% | 800 | 5500 |
| 10 | 460 | 90% | 410 | 91% | 367 | 93% | ||
| 12,5 | 470 | 89% | 420 | 90% | 374 | 92% | ||
| 16 | 492 | 85% | 440 | 87% | 392 | 89% | ||
| 20 | 464 | 83% | 414 | 85% | 389 | 87% | ||
| 25 | 466 | 83% | 417 | 84% | 372 | 87% | ||
| 31,5 | 500 | 63% | 448 | 66% | 400 | 70% | ||
| 40 | 485 | 71% | 433 | 74% | 387 | 78% | ||
| 50 | 483 | 71% | 436 | 73% | 389 | 77% | ||
| 63 | 396 | 60% | 350 | 64% | 313 | 69% | ||
| 80 | 366 | 58% | 327 | 61% | 292 | 67% |




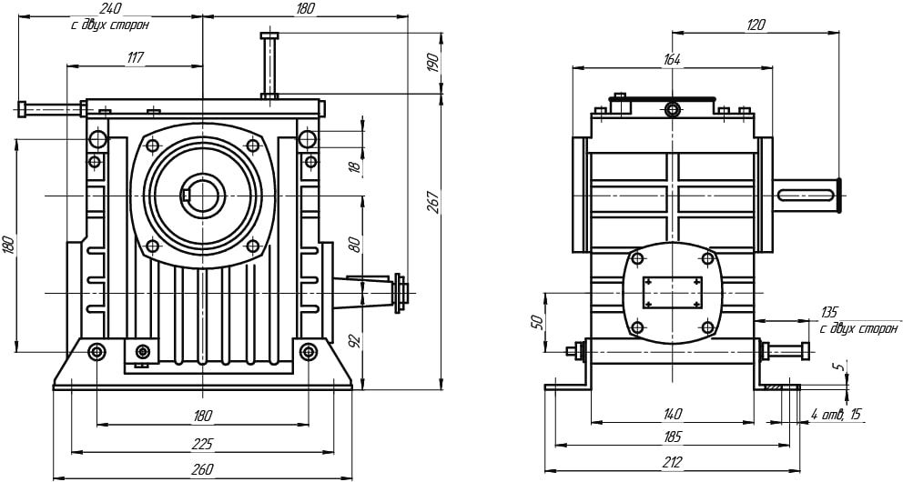
1. Модель редуктора.
2. Габарит редуктора.
3. Передаточное число.
4. Вариант сборки.
5. Вариант крепления.
6. Исполнение по схеме расположения червячной пары.

| Передаточное число | Крутящий момент на валу выхода, (Нм) при 1500 об | КПД,в процентах при 1500 об | Вращ. момент на валу входа, (Нм) при 1000 об | КПД, в процентах при 1000 об | Вращ. момент на входном валу, Нм при 750 об | КПД, в процентах при 750 об | Допустимая радиальная консольная нагрузка, приложенная к середине входного вала, Н | Допустимая радиальная консольная нагрузка, приложенная к середине выходного вала, Н |
| 8 | 826 | 91% | 738 | 92% | 659 | 93% | 1200 | 8000 |
| 10 | 800 | 91% | 712 | 92% | 636 | 93% | ||
| 12.5 | 785 | 89% | 700 | 91% | 626 | 92% | ||
| 16 | 850 | 86% | 757 | 87% | 676 | 89% | ||
| 20 | 820 | 84% | 730 | 86% | 653 | 88% | ||
| 25 | 772 | 82% | 690 | 84% | 616 | 87% | ||
| 31.5 | 1000 | 75% | 890 | 78% | 800 | 80% | ||
| 40 | 870 | 73% | 775 | 76% | 692 | 79% | ||
| 50 | 803 | 70% | 717 | 73% | 640 | 77% | ||
| 63 | 765 | 68% | 683 | 71% | 610 | 76% | ||
| 80 | 660 | 60% | 590 | 63% | 525 | 69% |


