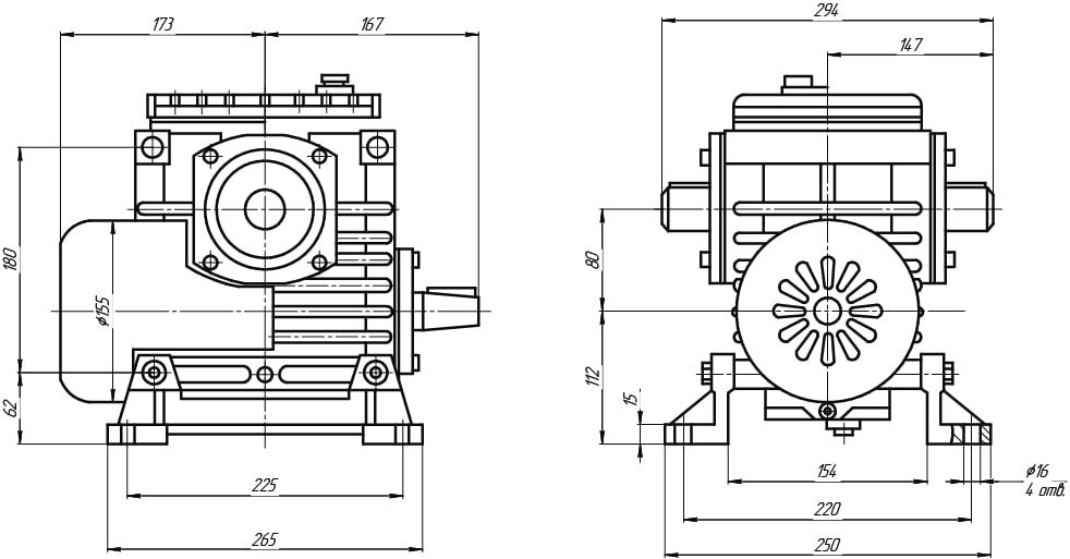
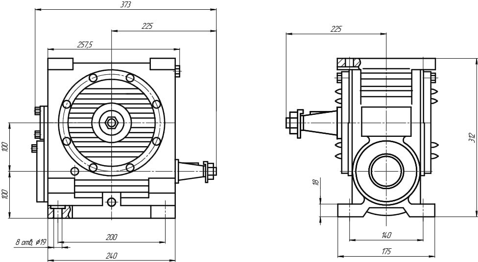
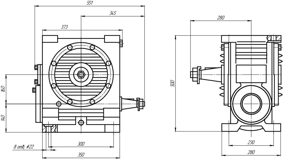
Категория: Червячные одноступенчатые редукторы




| Передаточные числа | Частота вращения входного вала, об/мин | Допускаемая радиальная нагрузка на валу | |||||||
| 750 | 1000 | 1500 | |||||||
| Номин. | Допускаемый крутящий момент на вых. валу, Нм | КПД | Допускаемый крутящий момент на вых. валу, Нм | КПД | Допускаемый крутящий момент на вых. валу, Нм | КПД | вход., Н | выход., Н | |
| 8 | 280 | 0,89 | 250 | 0,9 | 212 | 0,91 | 500 | 4000 | |
| 10 | 250 | 0,88 | 224 | 0,89 | 190 | 0,9 | |||
| 12,5 | 250 | 0,86 | 230 | 0,87 | 195 | 0,89 | |||
| 16 | 280 | 0,83 | 250 | 0,85 | 218 | 0,86 | |||
| 20 | 243 | 0,79 | 224 | 0,81 | 195 | 0,84 | |||
| 25 | 243 | 0,78 | 224 | 0,79 | 195 | 0,83 | |||
| 31,5 | 300 | 0,72 | 280 | 0,75 | 250 | 0,78 | |||
| 40 | 230 | 0,67 | 218 | 0,71 | 195 | 0,73 | |||
| 50 | 243 | 0,65 | 230 | 0,66 | 206 | 0,71 | |||
| 63 | 224 | 0,6 | 212 | 0,62 | 190 | 0,64 | |||
| 80 | 200 | 0,55 | 190 | 0,58 | 175 | 0,64 | |||


1. Без лап с привалочной плоскостью
2. На лапах со стороны червяка
3. На лапах со стороны колеса
4. На лапах со стороны, противоположной входному концу червяка
5. На лапах со стороны входного конца червяка
6. На фланце справа
7. На фланце слева
8. С реактивной штангой справа
9. С реактивной штангой слева

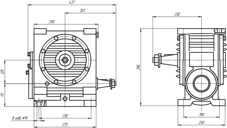
1. Модель редуктора.
2. Габарит редуктора.
3. Передаточное число
4. Вариант сборки.
5. Вариант расположения червячной пары.
6. Вариант крепления.
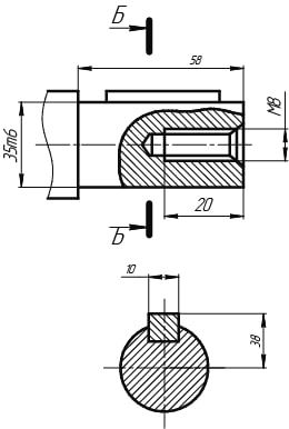
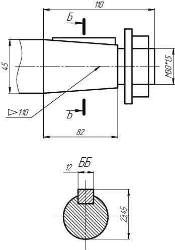
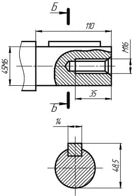
7. Исполнение валов, Цвх/Квых (вх- входной вал, вых- выходной вал),
(Ц- цилиндрический вал,
К - конический вал, К2- конический вал с наружней резьбой,
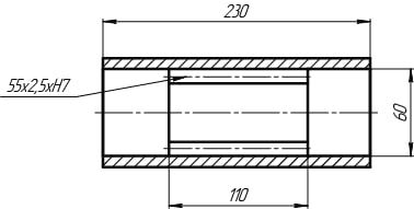
Пшл- полый шлицевой вал,
Пшп- полый вал со шпоночным пазом).





| U ном. | Ч-100 | ||||||
| U фак. | 1500мин.-1 | 1000мин.-1 | 750мин.-1 | ||||
| Мт | η | Мт | η | Мт | η | ||
| Н.м | Н.м | Н.м | |||||
| 8 | 7,75 | 380 | 0,93 | 426 | 0,92 | 477 | 0,91 |
| 10 | 10 | 367 | 0,93 | 410 | 0,91 | 460 | 0,9 |
| 12,5 | 12 | 374 | 0,92 | 420 | 0,9 | 470 | 0,89 |
| 16 | 15,5 | 392 | 0,89 | 440 | 0,87 | 492 | 0,85 |
| 20 | 20 | 389 | 0,87 | 414 | 0,85 | 464 | 0,83 |
| 25 | 24 | 372 | 0,87 | 417 | 0,84 | 466 | 0,83 |
| 31,5 | 31 | 400 | 0,7 | 448 | 0,66 | 500 | 0,63 |
| 40 | 40 | 387 | 0,78 | 433 | 0,74 | 485 | 0,71 |
| 50 | 48 | 389 | 0,77 | 436 | 0,73 | 488 | 0,71 |
| 63 | 64 | 313 | 0,69 | 350 | 0,64 | 396 | 0,6 |
| 80 | 84 | 292 | 0,69 | 327 | 0,61 | 366 | 0,58 |
| Консольная нагрузка | Рб; Н | 800 | |||||
| Рт; Н | 5500 | ||||||
| Уровень звука | ДБА | 80 | |||||
| Масса | кг | 57 (44) | |||||


1. Без лап с привалочной плоскостью
2. На лапах со стороны червяка
3. На лапах со стороны колеса
4. На лапах со стороны, противоположной входному концу червяка
5. На лапах со стороны входного конца червяка
6. На фланце справа
7. На фланце слева
8. С реактивной штангой справа
9. С реактивной штангой слева

1. Модель редуктора.
2. Габарит редуктора.
3. Передаточное число
4. Вариант сборки.
5. Вариант расположения червячной пары.
6. Вариант крепления.
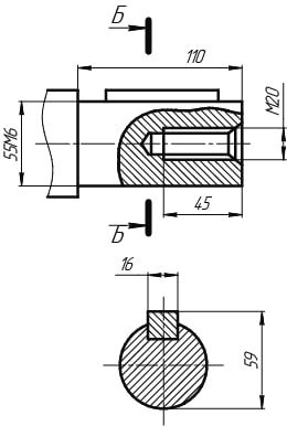
7. Исполнение валов, Цвх/Квых (вх- входной вал, вых- выходной вал),
(Ц- цилиндрический вал,
К - конический вал, К2- конический вал с наружней резьбой,
Пшл- полый шлицевой вал,
Пшп- полый вал со шпоночным пазом).





| U ном. | Ч-125 | ||||||
| U фак. | 1500мин.-1 | 1000мин.-1 | 750мин.-1 | ||||
| Мт | η | Мт | η | Мт Н.м | η | ||
| Н.м | Н.м | ||||||
| 8 | 7,75 | 659 | 0,93 | 758 | 0,92 | 826 | 0,91 |
| 10 | 10 | 636 | 0,93 | 712 | 0,92 | 800 | 0,91 |
| 12,5 | 12 | 626 | 0,92 | 700 | 0,91 | 785 | 0,89 |
| 16 | 15,5 | 676 | 0,89 | 757 | 0,87 | 850 | 0,86 |
| 20 | 20 | 653 | 0,88 | 730 | 0,86 | 820 | 0,84 |
| 25 | 24 | 616 | 0,87 | 690 | 0,84 | 772 | 0,82 |
| 31,5 | 31 | 800 | 0,81 | 890 | 0,78 | 100 | 0,75 |
| 0 | |||||||
| 40 | 40 | 692 | 0,79 | 715 | 0,76 | 870 | 0,73 |
| 50 | 48 | 640 | 0,77 | 717 | 0,73 | 803 | 0,7 |
| 63 | 64 | 610 | 0,76 | 683 | 0,71 | 765 | 0,68 |
| 80 | 84 | 525 | 0,69 | 590 | 0,63 | 660 | 0,6 |
| Консольная нагрузка | Рб; Н | 1200 | |||||
| Рт; Н | 8000 | ||||||
| Уровень звука | ДБА | 80 | |||||
| Масса | кг | 88 | |||||


1. Без лап с привалочной плоскостью
2. На лапах со стороны червяка
3. На лапах со стороны колеса
4. На лапах со стороны, противоположной входному концу червяка
5. На лапах со стороны входного конца червяка
6. На фланце справа
7. На фланце слева
8. С реактивной штангой справа
9. С реактивной штангой слева

1. Модель редуктора.
2. Габарит редуктора.
3. Передаточное число
4. Вариант сборки.
5. Вариант расположения червячной пары.
6. Вариант крепления.
7. Исполнение валов, Цвх/Квых (вх- входной вал, вых- выходной вал),
(Ц- цилиндрический вал,
К - конический вал, К2- конический вал с наружней резьбой,
Пшл- полый шлицевой вал,
Пшп- полый вал со шпоночным пазом).





| U ном. | Ч-160 | ||||||
| U фак. | 1500мин -1 | 1000мин.-1 | 750мин.-1 | ||||
| Мт Н.м | η | Мт | η | Мт | η | ||
| Н.м | Н.м | ||||||
| 8 | 7,75 | 1250 | 0,94 | 1400 | 0,93 | 1567 | 0,92 |
| 10 | 10 | 1153 | 0,93 | 1294 | 0,92 | 1450 | 0,91 |
| 12,5 | 12 | 1150 | 0,93 | 1290 | 0,91 | 1440 | 0,9 |
| 16 | 15,5 | 1390 | 0,91 | 1557 | 0,89 | 1743 | 0,88 |
| 20 | 20 | 1150 | 0,88 | 1290 | 0,86 | 1442 | 0,84 |
| 25 | 24 | 1110 | 0,87 | 1243 | 0,85 | 1392 | 0,83 |
| 31,5 | 31 | 1600 | 0,83 | 1790 | 0,82 | 2000 | 0,79 |
| 40 | 40 | 1244 | 0,79 | 1360 | 0,76 | 1522 | 0,73 |
| 50 | 48 | 1168 | 0,73 | 1310 | 0,74 | 1465 | 0,71 |
| 63 | 64 | 1033 | 0,74 | 1157 | 0,7 | 1295 | 0,66 |
| 80 | 84 | 1092 | 0,74 | 1223 | 0,69 | 1370 | 0,64 |
| Консольная нагрузка | Рб; Н | 1600 | |||||
| Рт; Н | 11000 | ||||||
| Уровень звука | ДБА | 80 | |||||
| Масса | кг | 157 | |||||


1. Без лап с привалочной плоскостью
2. На лапах со стороны червяка
3. На лапах со стороны колеса
4. На лапах со стороны, противоположной входному концу червяка
5. На лапах со стороны входного конца червяка
6. На фланце справа
7. На фланце слева
8. С реактивной штангой справа
9. С реактивной штангой слева