Категория: Червячные одноступенчатые редукторы

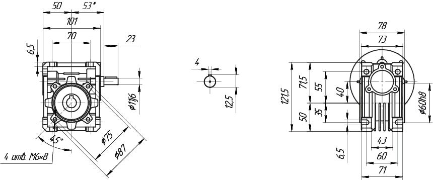
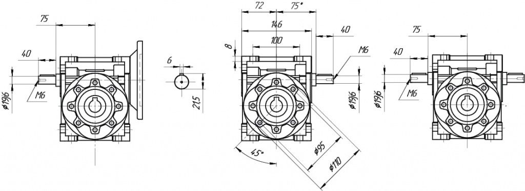
1. Модель редуктора (UD-NRV - с цельнометаллическим входным валом,

*- указанный размер ориентировочный и может отличаться от действительного.

*- указанный размер ориентировочный и может отличаться от действительного.


| d h6 | B | B1 | G1 | L | L1 | f | b1 | t1 |
| 14 | 30 | 32,5 | 63 | 102 | 128 | M5 | 5 | 16 |


| K1 | G | KG | KH | R |
| 85 | 14 | 24 | 8 | 15 |




| Мощность двигателя, кВт | Частота вращения вых. вала, об/мин, n2, 1/мин | Крутящий момент, Нм | Сервис-фактор fs | Передаточное число i | Тип мотор-редуктора | Двигатель IEC | Радиальная нагрузка, Fr2 |
| 0.06 UDM 50A4 AIS 56A4 AИР 50А4 |
186.7 | 2.6 | 6.9 | 7.5 | UD-NRV030 | UDM 50A4 AIS 56A4 АИР 50А4 |
683 |
| 140.0 | 3.3 | 5.4 | 10 | 752 | |||
| 93.3 | 4.7 | 3.8 | 15 | 861 | |||
| 70.0 | 5.9 | 3.0 | 20 | 948 | |||
| 56.0 | 6.8 | 3.0 | 25 | 1021 | |||
| 46.7 | 7.9 | 2.5 | 30 | 1085 | |||
| 35.0 | 9.7 | 1.9 | 40 | 1194 | |||
| 28.0 | 11 | 1.5 | 50 | 1286 | |||
| 23.3 | 12 | 1.3 | 60 | 1367 | |||
| 17.5 | 14 | 0.9 | 80 | 1504 | |||
| 15.0 | 18 | 0.9 | 60 | UD-NRV030 | 63А6 | 1583 | |
| 0.09 UDM 50A2 AIS 56A2 АИР 50А2 UDM 50B4 AIS 56B4 АИР 50В4 |
373.3 | 2.0 | 6.5 | 7.5 | UD-NRV030 | UDM 50F2 AIS 56A2 АИР 50А2 |
542 |
| 280 | 2.6 | 5 | 10 | 597 | |||
| 18.7 | 3.7 | 3.5 | 15 | 683 | |||
| 140 | 4.7 | 2.5 | 20 | 752 | |||
| 112 | 5.5 | 2.8 | 25 | 810 | |||
| 93.3 | 6.4 | 2.3 | 30 | 861 | |||
| 70 | 8.0 | 1.7 | 40 | 948 | |||
| 56 | 9.4 | 1.4 | 50 | 1021 | |||
| 46.7 | 10 | 1.1 | 60 | 1085 | |||
| 35 | 13 | 0.9 | 80 | 1194 | |||
| 186.7 | 3.9 | 4.6 | 7.5 | UD-NRV030 | UDM 56B4 AIS 56B4 АИР 50В4 |
683 | |
| 140.0 | 5.0 | 3.6 | 10 | 752 | |||
| 93.3 | 7.0 | 2.5 | 15 | 861 | |||
| 70.0 | 8.8 | 2.0 | 20 | 948 | |||
| 56.0 | 10 | 1.9 | 25 | 1021 | |||
| 46.7 | 12 | 1.7 | 30 | 1085 | |||
| 35.0 | 14 | 1.2 | 40 | 1194 | |||
| 0.12 UDM 50B2 AIS 56B2 АИР 50В2 UDM 50A4 AIS 63A4 АИР 56А4 |
186.7 | 5.2 | 3.4 | 7.5 | UD-NRV030 | UDM 56A4 AIS 63A4 АИР 56А4 |
683 |
| 140.0 | 6.6 | 2.7 | 10 | 752 | |||
| 93.3 | 9.3 | 1.9 | 15 | 861 | |||
| 70.0 | 12 | 1.5 | 20 | 948 | |||
| 56.0 | 14 | 1.5 | 25 | 1021 | |||
| 46.7 | 16 | 1.3 | 30 | 1085 | |||
| 35.0 | 19 | 0.9 | 40 | 1194 | |||
| 28.0 | 22 | 0.8 | 50 | 1286 | |||
| 180.0 | 5.4 | 3.7 | 5 | UD-NRV030 | 63C6 | 692 | |
| 120.0 | 7.9 | 2.5 | 7.5 | 792 | |||
| 90.0 | 10 | 2.0 | 10 | 871 | |||
| 60.0 | 14 | 1.4 | 15 | 997 | |||
| 45.0 | 18 | 1.1 | 20 | 1098 | |||
| 36.0 | 20 | 1.1 | 25 | 1183 | |||
| 30.0 | 23 | 0.9 | 30 | 1257 | |||
| 0.18 UDM 56A2 AIS 63A2 АИР 56А2 UDM 56B4 AIS 63B4 АИР 56В4 UDM 63A6 AIS 71A6 АИР 63А6 |
373.3 | 4.0 | 3.2 | 7.5 | UD-NRV030 | UDM 56A2 AIS 63A4 АИР 56А6 |
542 |
| 280 | 5.2 | 2.5 | 10 | 597 | |||
| 186.7 | 7.4 | 1.7 | 15 | 683 | |||
| 140 | 9.5 | 1.3 | 20 | 752 | |||
| 112 | 11 | 1.4 | 25 | 810 | |||
| 93.3 | 13 | 1.1 | 30 | 861 | |||
| 70 | 16 | 0.9 | 40 | 948 | |||
| 186.7 | 7.7 | 2.3 | 7.5 | UD-NRV030 | UDM 56B4 AIS 63B4 АИР 56В6 |
683 | |
| 140.0 | 10 | 1.8 | 10 | 752 | |||
| 93.3 | 14 | 1.3 | 15 | 861 | |||
| 70.0 | 18 | 1.0 | 20 | 948 | |||
| 56.0 | 20 | 0.9 | 25 | 1021 | |||
| 46.7 | 24 | 0.8 | 30 | 1085 | |||
| 0.25 UDM 56B4 AIS 63B2 АИР 56В2 UDM 63A4 AIS 71A4 АИР 63А4 UDM 63B6 AIS 71B6 АИР 63В6 |
373.3 | 5.6 | 2.3 | 7.5 | UD-NRV030 | UDM 56B2 AIS 63B2 АИР 56В2 |
542 |
| 280 | 7.2 | 1.8 | 10 | 597 | |||
| 186.7 | 10 | 1.3 | 15 | 683 | |||
| 140 | 13 | 0.9 | 20 | 752 | |||
| 112 | 15 | 1 | 25 | 810 | |||
| 93.3 | 18 | 0.8 | 30 | 861 |




1. Модель редуктора (UD-NRV - с цельнометаллическим входным валом,
UD-NRV-E - дополнительный входной цельнометаллический вал).
2. Габарит редуктора.
3. Передаточное число.
4. (PAM 28/250)
28- диаметр полого входного вала редуктора (мм),
250- наружный диаметр входного фланца редуктора (мм).
5. Фланец на выходном валу редуктора (FA;FB;FC;FD;FE).
6. Исполнение с выходным валом (SS1;SS2;DS).
7. Исполнение с реактивной штангой (А1;А2).
8. Монтажное положение (В3;В6;В7;В8;V5;V6).

*- указанный размер ориентировочный и может отличаться от действительного.
*- указанный размер ориентировочный и может отличаться от действительного.


| dh6 | B | B1 | G1 | L | L1 | f | b1 | t1 |
| 18 | 40 | 43 | 78 | 128 | 164 | M6 | 6 | 20,5 |



| Pm | Dm E8 | bm | tm |
|---|---|---|---|
| 160 | 14 | 5 | 16.3 |
| 140 | 11 | 4 | 12.8 |
| 120 | 14 | 5 | 16.3 |
| 105 | 14 | 5 | 16.3 |
| 90 | 11 | 4 | 12.8 |
| K1 | G | KG | KH | R |
| 100 | 14 | 31.5 | 10 | 18 |

| Мощность двигателя, кВт | Частота вращения вых. вала, об/мин, n2, 1/мин | Крутящий момент, Нм | Сервис-фактор fs | Передаточное число i | Тип мотор-редуктора | Двигатель IEC | Радиальная нагрузка, Fr2 |
| 0.06 UDM 50A4 AIS 56A4 AИР 50А4 |
18.0 | 18 | 2.3 | 50 | UD-NRV040 | 63А6 | 2868 |
| 15.0 | 21 | 1.9 | 60 | 3047 | |||
| 11.3 | 24 | 1.4 | 80 | 3354 | |||
| 9.0 | 27 | 1.2 | 100 | 3490 | |||
| 0.09 UDM 50A2 AIS 56A2 АИР 50А2 UDM 50B4 AIS 56B4 АИР 50В4 |
28.0 | 19 | 2.0 | 50 | UD-NRV040 | UDM 50B4 AIS 56B4 АИР 50В4 |
2475 |
| 23.3 | 21 | 1.7 | 60 | 2630 | |||
| 17.5 | 25 | 1.3 | 80 | 2895 | |||
| 14.0 | 29 | 1.0 | 100 | 3118 | |||
| 30.0 | 19 | 2.6 | 30 | UD-NRV040 | 63B6 | 2419 | |
| 22.5 | 24 | 1.9 | 40 | 2662 | |||
| 18.0 | 27 | 1.5 | 50 | 2868 | |||
| 15.0 | 31 | 1.3 | 60 | 3047 | |||
| 11.3 | 37 | 1.0 | 80 | 3354 | |||
| 9.0 | 41 | 0.8 | 100 | 3490 | |||
| 0.12 UDM 50B2 AIS 56B2 АИР 50В2 UDM 50A4 AIS 63A4 АИР 56А4 |
46.7 | 17 | 2.6 | 30 | UD-NRV040 | UDM 56A4 AIS 63A4 АИР 56А4 |
2087 |
| 35.0 | 21 | 1.9 | 40 | 2298 | |||
| 28.0 | 25 | 1.5 | 50 | 2475 | |||
| 23.3 | 28 | 1.3 | 60 | 2630 | |||
| 17.5 | 33 | 1.0 | 80 | 2895 | |||
| 14.0 | 38 | 0.8 | 100 | 3118 | |||
| 30.0 | 25 | 1.9 | 30 | UD-NRV040 | 63C6 | 2419 | |
| 22.5 | 32 | 1.4 | 40 | 2662 | |||
| 0.18 UDM 56A2 AIS 63A2 АИР 56А2 UDM 56B4 AIS 63B4 АИР 56В4 UDM 63A6 AIS 71A6 АИР 63А6 |
93.3 | 14 | 2.4 | 30 | UD-NRV040 | UDM 56A2 AIS 63A2 АИР 56А2 |
1657 |
| 70 | 17 | 1.8 | 40 | 1824 | |||
| 56 | 21 | 1.4 | 50 | 1964 | |||
| 70.0 | 19 | 2.0 | 20 | UD-NRV040 | UDM 56A4 AIS 63B4 АИР 56В4 |
1824 | |
| 56.0 | 23 | 1.7 | 25 | 1964 | |||
| 46.7 | 25 | 1.7 | 30 | 2087 | |||
| 35.0 | 32 | 1.3 | 40 | 2298 | |||
| 28.0 | 37 | 1.0 | 50 | 2475 | |||
| 23.3 | 42 | 0.8 | 60 | 2630 | |||
| 45.0 | 28 | 1.5 | 20 | UD-NRV040 | 71A6 | 2113 | |
| 36.0 | 34 | 1.3 | 25 | 2276 | |||
| 30.0 | 38 | 1.3 | 30 | 2419 | |||
| 22.5 | 47 | 1.0 | 40 | 2662 | |||
| 0.25 UDM 56B4 AIS 63B2 АИР 56В2 UDM 63A4 AIS 71A4 АИР 63А4 UDM 63B6 AIS 71B6 АИР 63В6 |
186.7 | 11 | 3.6 | 7.5 | UD-NRV040 | UDM 63A2 AIS 71A4 АИР 63А4 |
1315 |
| 140.0 | 14 | 2.8 | 10 | 1447 | |||
| 93.3 | 20 | 1.9 | 15 | 1657 | |||
| 70.0 | 26 | 1.5 | 20 | 1824 | |||
| 56.0 | 32 | 1.2 | 25 | 1964 | |||
| 46.7 | 35 | 1.3 | 30 | 2087 | |||
| 35.0 | 44 | 0.9 | 40 | 2298 | |||
| 120.0 | 17 | 2.6 | 7.5 | UD-NRV040 | UDM 63B6 AIS 71B6 АИР 63В6 |
1524 | |
| 90.0 | 22 | 2.0 | 10 | 1677 | |||
| 60.0 | 31 | 1.4 | 15 | 1920 | |||
| 45.0 | 39 | 1.1 | 20 | 2113 | |||
| 36.0 | 48 | 0.9 | 25 | 2276 | |||
| 30.0 | 53 | 0.9 | 30 | 2419 | |||
| 0.37 UDM 63A2 AIS 71A2 АИР 63А2 UDM 63B4 AIS 71B4 АИР 63В4 UDM 63A6 AIS 80A6 АИР 63А6 |
373.3 | 8.3 | 3.3 | 7.5 | UD-NRV040 | UDM 63A2 AIS 71A2 АИР 63А2 |
1044 |
| 280 | 11 | 2.6 | 10 | 1149 | |||
| 186.7 | 16 | 1.9 | 15 | 1315 | |||
| 140 | 20 | 1.4 | 20 | 1447 | |||
| 112 | 25 | 1.1 | 25 | 1559 | |||
| 186.7 | 16 | 2.4 | 7.5 | UD-NRV040 | UDM 63B4 AIS 71B4 АИР 63В4 |
1315 | |
| 140.0 | 21 | 1.9 | 10 | 1447 | |||
| 93.3 | 30 | 1.3 | 15 | 1657 | |||
| 70.0 | 39 | 1.0 | 20 | 1824 | |||
| 56.0 | 47 | 0.8 | 25 | 1964 | |||
| 46.7 | 52 | 0.8 | 30 | 2087 | |||
| 0.55 UDM 63B2 AIS 71B2 АИР 63В2 UDM71A4 AIS 80A4 АИР 71А4 UDM 71B6 AIS 80B6 АИР 71В6 |
373.3 | 12 | 2.2 | 7.5 | UD-NRV040 | UDM 63B2 AIS 71B2 АИР 63В2 |
1044 |
| 280 | 16 | 1.8 | 10 | 1149 | |||
| 186.7 | 24 | 1.3 | 15 | 1315 | |||
| 140.0 | 30 | 0.9 | 20 | 1447 | |||
| 112 | 37 | 0.8 | 25 | 1657 |

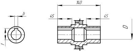
FB
FС




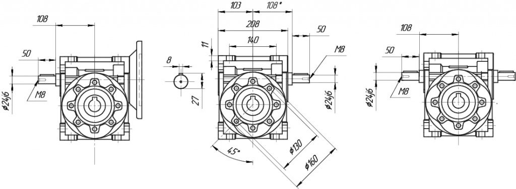
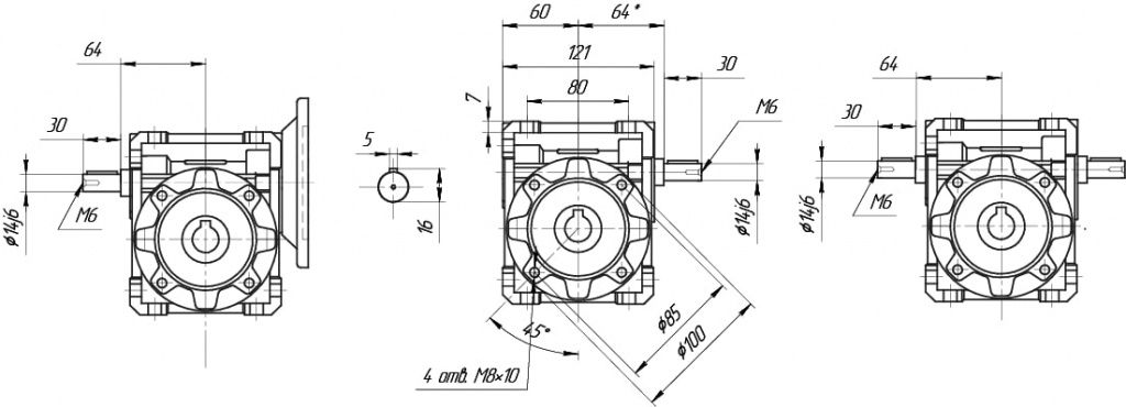
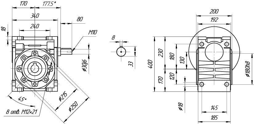
1. Модель редуктора (UD-NRV - с цельнометаллическим входным валом,
UD-NRV-E - дополнительный входной цельнометаллический вал).
2. Габарит редуктора.
3. Передаточное число.
4. (PAM 28/250)
28- диаметр полого входного вала редуктора (мм),
250- наружный диаметр входного фланца редуктора (мм).
5. Фланец на выходном валу редуктора (FA;FB;FC;FD;FE).
6. Исполнение с выходным валом (SS1;SS2;DS).
7. Исполнение с реактивной штангой (А1;А2).
8. Монтажное положение (В3;В6;В7;В8;V5;V6).

*- указанный размер ориентировочный и может отличаться от действительного.

*- указанный размер ориентировочный и может отличаться от действительного.
| Dh8 | b | t |
| 25 | 8 | 28.3 |
| 24* | 8* | 27.3* |
* - Специальное исполнение
| d h6 | B | B1 | G1 | L | L1 | f | b1 | t1 |
| 25 | 50 | 53,5 | 92 | 153 | 199 | M10 | 8 | 28 |



| K1 | G | KG | KH | R |
| 100 | 14 | 38.5 | 10 | 18 |

| Мощность двигателя, кВт | Частота вращения вых. вала, об/мин, n2, 1/мин | Крутящий момент, Нм | Сервис-фактор fs | Передаточное число i | Тип мотор-редуктора | Двигатель IEC | Радиальная нагрузка, Fr2 |
| 0.09 UDM 50A2 AIS 56A2 АИР 50А2 UDM 50B4 AIS 56B4 АИР 50В4 |
15.0 | 32 | 2.3 | 60 | UD-NRV050 | 63B6 | 4183 |
| 11.3 | 37 | 1.8 | 80 | 4604 | |||
| 9.0 | 42 | 1.3 | 100 | 4840 | |||
| 0.12 UDM 50B2 AIS 56B2 АИР 50В2 UDM 50A4 AIS 63A4 АИР 56А4 |
23.3 | 29 | 2.3 | 60 | UD-NRV050 | 63A4 | 3610 |
| 17.5 | 35 | 1.9 | 80 | 3973 | |||
| 14.0 | 39 | 1.4 | 100 | 4280 | |||
| 22.5 | 32 | 2.6 | 40 | UD-NRV050 | 63C6 | 3654 | |
| 18.0 | 38 | 2.0 | 50 | 3936 | |||
| 15.0 | 42 | 1.7 | 60 | 4183 | |||
| 11.3 | 50 | 1.4 | 80 | 4604 | |||
| 9.0 | 56 | 1.0 | 100 | 4840 | |||
| 0.18 UDM 56A2 AIS 63A2 АИР 56А2 UDM 56B4 AIS 63B4 АИР 56В4 UDM 63A6 AIS 71A6 АИР 63А6 |
46.7 | 24 | 2.1 | 60 | UD-NRV050 | UDM 56A2 AIS 63A2 АИР 56А2 |
2865 |
| 35 | 30 | 1.5 | 80 | 3153 | |||
| 28 | 34 | 1.2 | 110 | 3397 | |||
| 35.0 | 33 | 2.3 | 40 | UD-NRV050 | UDM 56B4 AIS 63B4 АИР 56В4 |
3153 | |
| 28.0 | 39 | 1.9 | 50 | 3397 | |||
| 23.3 | 44 | 1.6 | 60 | 3610 | |||
| 17.5 | 52 | 1.2 | 80 | 3973 | |||
| 14.0 | 59 | 0.9 | 100 | 4280 | |||
| 18.0 | 56 | 1.4 | 50 | UD-NRV050 | UDM 63A6 AIS 71A6 АИР 63А6 |
3936 | |
| 15.0 | 63 | 1.1 | 60 | 4183 | |||
| 11.3 | 75 | 0.9 | 80 | 4604 | |||
| 0.25 UDM 56B4 AIS 63B2 АИР 56В2 UDM 63A4 AIS 71A4 АИР 63А4 UDM 63B6 AIS 71B6 АИР 63В6 |
35 | 42 | 1.1 | 80 | UD-NRV050 | AIS 63B2 АИР 56В2 |
3153 |
| 28 | 48 | 0.8 | 100 | 3397 | |||
| 70.0 | 27 | 2.7 | 20 | UD-NRV050 | UDM 63A4 AIS 71A4 АИР 63А4 |
2503 | |
| 56.0 | 32 | 2.2 | 25 | 2696 | |||
| 46.7 | 36 | 2.3 | 30 | 2865 | |||
| 35.0 | 46 | 1.7 | 40 | 3153 | |||
| 28.0 | 54 | 1.4 | 50 | 3397 | |||
| 23.3 | 60 | 1.1 | 60 | 3610 | |||
| 17.5 | 72 | 0.9 | 80 | 3973 | |||
| 45.0 | 40 | 1.9 | 20 | UD-NRV050 | UDM 63B6 AIS 71B6 АИР 63В6 |
2900 | |
| 36.0 | 48 | 1.5 | 25 | 3124 | |||
| 30.0 | 54 | 1.7 | 30 | 3320 | |||
| 22.5 | 67 | 1.2 | 40 | 3654 | |||
| 18.0 | 78 | 1.0 | 50 | 3936 | |||
| 15.0 | 88 | 0.8 | 60 | 4183 | |||
| 0.37 UDM 63A2 AIS 71A2 АИР 63А2 UDM 63B4 AIS 71B4 АИР 63В4 UDM 63A6 AIS 80A6 АИР 63А6 |
112 | 25 | 2 | 25 | UD-NRV050 | UDM 63A2 AIS 71A2 АИР 63А2 |
2140 |
| 93.3 | 29 | 2.2 | 30 | 2274 | |||
| 70 | 37 | 1.6 | 40 | 2503 | |||
| 56 | 44 | 1.2 | 50 | 2696 | |||
| 46.7 | 50 | 1 | 60 | 2865 | |||
| 35 | 62 | 0.7 | 80 | 3153 | |||
| 140.0 | 21 | 3.3 | 10 | UD-NRV050 | UDM 63B4 AIS 71B4 АИР 63В4 |
1987 | |
| 93.3 | 31 | 2.4 | 15 | 2274 | |||
| 70.0 | 39 | 1.8 | 20 | 2503 | |||
| 56.0 | 47 | 1.5 | 25 | 2696 | |||
| 46.7 | 54 | 1.5 | 30 | 2865 | |||
| 35.0 | 68 | 1.1 | 40 | 3153 | |||
| 28.0 | 80 | 0.9 | 50 | 3397 | |||
| 23.3 | 89 | 0.8 | 60 | 3610 | |||
| 120.0 | 25 | 3.3 | 7.5 | UD-NRV050 | UDM 63A6 AIS 71A6 АИР 63А6 |
2091 | |
| 90.0 | 33 | 2.5 | 10 | 2302 | |||
| 60.0 | 47 | 1.8 | 15 | 2635 | |||
| 45.0 | 59 | 1.3 | 20 | 2900 | |||
| 36.0 | 72 | 1.0 | 25 | 3124 | |||
| 30.0 | 80 | 1.1 | 30 | 3320 | |||
| 0.55 UDM 63B2 AIS 71B2 АИР 63В2 UDM71A4 AIS 80A4 АИР 71А4 UDM 71B6 AIS 80B6 АИР 71В6 |
140 | 31 | 1.7 | 20 | UD-NRV050 | UDM 63B2 AIS 71B2 АИР 63В2 |
1987 |
| 112 | 38 | 1.4 | 25 | 2140 | |||
| 93.3 | 43 | 1.5 | 30 | 2274 | |||
| 70 | 55 | 1.1 | 40 | 2503 | |||
| 56 | 65 | 0.8 | 50 | 2696 | |||
| 46.7 | 74 | 0.7 | 60 | 2865 | |||
| 186.7 | 24 | 2.9 | 7.5 | UD-NRV050 | UDM 71A4 AIS 80A4 АИР 71A4 |
1805 | |
| 140.0 | 32 | 2.2 | 10 | 1987 | |||
| 93.3 | 46 | 1.6 | 15 | 2274 | |||
| 70.0 | 59 | 1.2 | 20 | 2503 | |||
| 56.0 | 70 | 1.0 | 25 | 2696 | |||
| 46.7 | 80 | 1.0 | 30 | 2865 | |||
| 120.0 | 38 | 2.2 | 7.5 | UD-NRV050 | UDM 71B6 AIS 80B6 АИР 71В6 |
2091 | |
| 90.0 | 49 | 1.7 | 10 | 2302 | |||
| 60.0 | 69 | 1.2 | 15 | 2635 | |||
| 45.0 | 88 | 0.9 | 20 | 2900 | |||
| 0.75 UDM 71A2 AIS 80A2 АИР 71А2 UDM 71B4 AIS 80B4 АИР 71В4 UDM 80A6 AIS 90S6 АИР 80А6 |
373.3 | 17 | 3 | 7.5 | UD-NRV050 | UDM 71A2 AIS 80A2 АИР 71А2 |
1433 |
| 280 | 22 | 2.4 | 10 | 1577 | |||
| 186.7 | 31 | 1.7 | 15 | 1805 | |||
| 140 | 41 | 1.3 | 20 | 1987 | |||
| 112 | 49 | 1 | 25 | 2140 | |||
| 93.3 | 56 | 1.1 | 30 | 2274 | |||
| 186.7 | 33 | 2.1 | 7.5 | UD-NRV050 | UDM 71B4 AIS 80B4 АИР 71В4 |
1805 | |
| 140.0 | 43 | 1.6 | 10 | 1987 | |||
| 93.3 | 62 | 1.2 | 15 | 2274 | |||
| 70.0 | 80 | 0.9 | 20 | 2503 | |||
| 1.1 UDM 71B2 AIS 80B2 АИР 71В2 UDM 80B6 AIS 90L6 АИР 80В6 UDM 80A4 AIS 90S4 АИР 80А4 |
373.3 | 25 | 2.1 | 7.5 | UD-NRV050 | UDM 71B2 AIS 80B2 АИР 71В2 |
1433 |
| 280 | 33 | 1.6 | 10 | 1577 | |||
| 186.7 | 48 | 1.2 | 15 | 1805 | |||
| 140 | 62 | 0.9 | 20 | 1987 | |||
| 1.5 UDM 80A2 AIS 90S2 АИР 80А2 UDM 80B4 AIS 90L4 АИР 80В4 UDM 90L6 AIS 100L6 АИР 90L6 |
373.3 | 34 | 1.5 | 7.5 | UD-NRV050 | UDM 80A2 AIS 90S2 АИР 80А2 |
1433 |
| 280 | 45 | 1.2 | 10 | 1577 | |||
| 186.7 | 65 | 0.9 | 15 | 1805 |

FB
FС




1. Модель редуктора (UD-NRV - с цельнометаллическим входным валом,
UD-NRV-E - дополнительный входной цельнометаллический вал).
2. Габарит редуктора.
3. Передаточное число.
4. (PAM 28/250)
28- диаметр полого входного вала редуктора (мм),
250- наружный диаметр входного фланца редуктора (мм).
5. Фланец на выходном валу редуктора (FA;FB;FC;FD;FE).
6. Исполнение с выходным валом (SS1;SS2;DS).
7. Исполнение с реактивной штангой (А1;А2).
8. Монтажное положение (В3;В6;В7;В8;V5;V6).

*- указанный размер ориентировочный и может отличаться от действительного.

*- указанный размер ориентировочный и может отличаться от действительного.

| Dh8 | b | t |
| 25 | 8 | 28.3 |
| 24* | 8* | 31.3* |
* - Специальное исполнение

| d h6 | B | B1 | G1 | L | L1 | f | b1 | t1 |
| 25 | 50 | 53,5 | 112 | 173 | 219 | M10 | 8 | 28 |
| K1 | G | KG | KH | R |
| 150 | 14 | 49 | 10 | 18 |

| Мощность двигателя, кВт | Частота вращения вых. вала, об/мин, n2, 1/мин | Крутящий момент, Нм | Сервис-фактор fs | Передаточное число i | Тип мотор-редуктора | Двигатель IEC | Радиальная нагрузка, Fr2 |
| 0.18 UDM 56A2 AIS 63A2 АИР 56А2 UDM 56B4 AIS 63B4 АИР 56В4 UDM 63A6 AIS 71A6 АИР 63А6 |
15.0 | 66 | 2.1 | 60 | UD-NRV063 | UDM 63A6 AIS 71A6 АИР 63А6 |
5467 |
| 11.3 | 79 | 1.6 | 80 | 6018 | |||
| 9.0 | 90 | 1.4 | 100 | 6270 | |||
| 0.25 UDM 56B4 AIS 63B2 АИР 56В2 UDM 63A4 AIS 71A4 АИР 63А4 UDM 63B6 AIS 71B6 АИР 63В6 |
28.0 | 55 | 2.4 | 50 | UD-NRV063 | UDM 63A4 AIS 71A4 АИР 63А4 |
4440 |
| 23.3 | 634 | 2.0 | 60 | 4719 | |||
| 17.5 | 76 | 1.6 | 80 | 5193 | |||
| 14.0 | 87 | 1.4 | 100 | 5595 | |||
| 18.0 | 81 | 1.8 | 50 | UD-NRV063 | UDM 63B6 AIS 71B6 АИР 63В6 |
5145 | |
| 15.0 | 92 | 1.5 | 60 | 5467 | |||
| 11.3 | 110 | 1.2 | 80 | 6018 | |||
| 9.0 | 125 | 1.0 | 100 | 6270 | |||
| 0.37 UDM 63A2 AIS 71A2 АИР 63А2 UDM 63B4 AIS 71B4 АИР 63В4 UDM 63A6 AIS 80A6 АИР 63А6 |
35.0 | 70 | 2.1 | 40 | UD-NRV063 | UDM 63A6 AIS 80A6 АИР 63А6 |
4122 |
| 28.0 | 82 | 1.6 | 50 | 4440 | |||
| 23.3 | 94 | 1.4 | 60 | 4719 | |||
| 17.5 | 113 | 1.1 | 80 | 5193 | |||
| 14.0 | 129 | 0.9 | 100 | 5595 | |||
| 45.0 | 60 | 2.4 | 20 | UD-NRV063 | UDM 63A6 AIS 80A6 АИР 63А6 |
3791 | |
| 36.0 | 73 | 1.9 | 25 | 4084 | |||
| 30.0 | 82 | 2.1 | 30 | 4339 | |||
| 22.5 | 102 | 1.6 | 40 | 4776 | |||
| 18.0 | 120 | 1.2 | 50 | 5145 | |||
| 15.0 | 137 | 1.0 | 60 | 5467 | |||
| 0.55 UDM 63B2 AIS 71B2 АИР 63В2 UDM71A4 AIS 80A4 АИР 71А4 UDM 71B6 AIS 80B6 АИР 71В6 |
70 | 56 | 1.9 | 40 | UD-NRV063 | UDM 63B2 AIS 71B2 АИР 63В2 |
3272 |
| 56 | 68 | 1.5 | 50 | 3524 | |||
| 46.7 | 78 | 1.2 | 60 | 3745 | |||
| 35 | 96 | 0.9 | 80 | 4122 | |||
| 28 | 111 | 0.7 | 100 | 4440 | |||
| 70.0 | 60 | 2.2 | 20 | UD-NRV063 | UDM 71A4 AIS 80A4 АИР 71А4 |
3272 | |
| 56.0 | 72 | 1.8 | 25 | 3524 | |||
| 46.7 | 82 | 1.9 | 30 | 3745 | |||
| 35.0 | 104 | 1.4 | 40 | 4122 | |||
| 28.0 | 122 | 1.1 | 50 | 4440 | |||
| 23.3 | 140 | 0.9 | 60 | 4719 | |||
| 60.0 | 70 | 2.2 | 15 | UD-NRV063 | UDM 71B6 AIS 80B6 АИР 71В6 |
3444 | |
| 45.0 | 90 | 1.6 | 20 | 3791 | |||
| 36.0 | 108 | 1.3 | 25 | 4084 | |||
| 30.0 | 123 | 1.4 | 30 | 4339 | |||
| 22.5 | 152 | 1.1 | 40 | 4776 | |||
| 0.75 UDM 71A2 AIS 80A2 АИР 71А2 UDM 71B4 AIS 80B4 АИР 71В4 UDM 80A6 AIS 90S6 АИР 80А6 |
140 | 43 | 2.3 | 20 | UD-NRV063 | UDM 71A2 AIS 80A2 АИР 71А2 |
2597 |
| 112 | 52 | 1.8 | 25 | 2797 | |||
| 93.3 | 60 | 2 | 30 | 2973 | |||
| 70 | 77 | 1.4 | 40 | 3272 | |||
| 56 | 92 | 1.1 | 50 | 3524 | |||
| 46.7 | 106 | 0.9 | 60 | 3745 | |||
| 93.3 | 63 | 2.2 | 15 | UD-NRV063 | UDM 71B4 AIS 80B4 АИР 71В4 |
2973 | |
| 70.0 | 82 | 1.6 | 20 | 3272 | |||
| 56.0 | 98 | 1.3 | 25 | 3524 | |||
| 46.7 | 112 | 1.4 | 30 | 3745 | |||
| 35.0 | 141 | 1.0 | 40 | 4122 | |||
| 120.0 | 51 | 2.9 | 7.5 | UD-NRV063 | 90S6 | 2734 | |
| 90.0 | 67 | 2.3 | 10 | 3009 | |||
| 60.0 | 96 | 1.6 | 15 | 3444 | |||
| 45.0 | 123 | 1.2 | 20 | 3791 | |||
| 36.0 | 147 | 0.9 | 25 | 4084 | |||
| 30.0 | 167 | 1.0 | 30 | 4339 | |||
| 1.1 UDM 71B2 AIS 80B2 АИР 71В2 UDM 80B6 AIS 90L6 АИР 80В6 UDM 80A4 AIS 90S4 АИР 80А4 |
186.7 | 46 | 2.1 | 15 | UD-NRV063 | UDM 71B2 AIS 80B2 АИР 71В2 |
2359 |
| 140 | 60 | 1.6 | 20 | 2597 | |||
| 112 | 72 | 1.2 | 25 | 2797 | |||
| 93.3 | 82 | 1.4 | 30 | 2973 | |||
| 70 | 104 | 1 | 40 | 3272 | |||
| 120.0 | 75 | 2.0 | 7.5 | UD-NRV063 | UDM 80B6 AIS 90L6 АИР 80В6 |
2734 | |
| 90.0 | 98 | 1.5 | 10 | 3009 | |||
| 60.0 | 140 | 1.1 | 15 | 3444 | |||
| 45.0 | 180 | 0.8 | 20 | 3791 | |||
| 186.7 | 50 | 2.6 | 7.5 | UD-NRV063 | UDM 80A4 AIS 90S4 АИР 80А4 |
2359 | |
| 140.0 | 65 | 2.0 | 10 | 2597 | |||
| 93.3 | 92 | 1.5 | 15 | 2973 | |||
| 70.0 | 120 | 1.1 | 20 | 3272 | |||
| 56.0 | 144 | 0.9 | 25 | 3524 | |||
| 46.7 | 164 | 1.0 | 30 | 3745 | |||
| 1.5 UDM 80A2 AIS 90S2 АИР 80А2 UDM 80B4 AIS 90L4 АИР 80В4 UDM 90L6 AIS 100L6 АИР 90L6 |
186.7 | 68 | 1.9 | 7.5 | UD-NRV063 | UDM 80B4 AIS 90L4 АИР 80В4 |
2359 |
| 140.0 | 88 | 1.5 | 10 | 2597 | |||
| 93.3 | 126 | 1.1 | 15 | 2973 | |||
| 70.0 | 164 | 0.8 | 20 | 3272 | |||
| 373.3 | 35 | 2.7 | 7.5 | UD-NRV063 | UDM 80A2 AIS 90S2 АИР 80А2 |
1873 | |
| 280 | 45 | 2.1 | 10 | 2061 | |||
| 186.7 | 66 | 1.6 | 15 | 2359 | |||
| 140 | 86 | 1.2 | 20 | 2597 | |||
| 112 | 105 | 0.9 | 25 | 2797 | |||
| 93.3 | 120 | 1 | 30 | 2973 | |||
| 2.2 UDM 80B2 AIS 90L2 АИР 80B2 UDM 90L4 AIS 100LA4 АИР 90L4 UDM 100L6 AIS 112M6 АИР 100L6 |
373.3 | 51 | 7.5 | 1.8 | UD-NRV063 | UDM 80B2 AIS 90L2 АИР 80В2 |
1873 |
| 280 | 66 | 10 | 1.5 | 2061 | |||
| 186.7 | 97 | 15 | 1.1 | 2359 | |||
| 186.7 | 83 | 1.5 | 7.5 | UD-NRV063 | 90L4 | 2359 | |
| 140.0 | 109 | 1.2 | 10 | 2597 | |||
| 93.3 | 156 | 0.9 | 15 | 2973 |

FB
FС
FE



1. Модель редуктора (UD-NRV - с цельнометаллическим входным валом,
UD-NRV-E - дополнительный входной цельнометаллический вал).
2. Габарит редуктора.
3. Передаточное число.
4. (PAM 28/250)
28- диаметр полого входного вала редуктора (мм),
250- наружный диаметр входного фланца редуктора (мм).
5. Фланец на выходном валу редуктора (FA;FB;FC;FD;FE).
6. Исполнение с выходным валом (SS1;SS2;DS).
7. Исполнение с реактивной штангой (А1;А2).
8. Монтажное положение (В3;В6;В7;В8;V5;V6).

*- указанный размер ориентировочный и может отличаться от действительного.

*- указанный размер ориентировочный и может отличаться от действительного.

| Dh8 | b | t |
| 28 | 8 | 31.3 |
| 35* | 10* | 38.3* |
* - Специальное исполнение

| d h6 | B | B1 | G1 | L | L1 | f | b1 | t1 |
| 28 | 60 | 63,5 | 120 | 192 | 247 | M8 | 8 | 31 |
| K1 | G | KG | KH | R |
| 200 | 25 | 47.5 | 20 | 30 |



| Мощность двигателя, кВт | Частота вращения вых. вала, об/мин, n2, 1/мин | Крутящий момент, Нм | Сервис-фактор fs | Передаточное число i | Тип мотор-редуктора | Двигатель IEC | Радиальная нагрузка, Fr2 |
| 0.25 UDM 56B4 AIS 63B2 АИР 56В2 UDM 63A4 AIS 71A4 АИР 63А4 UDM 63B6 AIS 71B6 АИР 63В6 |
17.5 | 80 | 2.3 | 80 | UD-NRV075 | AIS 71A4 АИР 63А4 |
6130 |
| 14.0 | 94 | 1.9 | 100 | 6603 | |||
| 11.3 | 116 | 1.7 | 80 | UD-NRV075 | 71В6 | 7103 | |
| 9.0 | 133 | 1.4 | 100 | 7380 | |||
| 0.37 UDM 63A2 AIS 71A2 АИР 63А2 UDM 63B4 AIS 71B4 АИР 63В4 UDM 63A6 AIS 80A6 АИР 63А6 |
23.3 | 97 | 2.0 | 60 | UD-NRV075 | UDM 63B4 AIS 71B4 АИР 63В4 |
5569 |
| 17.5 | 119 | 1.6 | 80 | 6130 | |||
| 14.0 | 139 | 1.3 | 100 | 6603 | |||
| 18.0 | 124 | 1.8 | 50 | UD-NRV075 | UDM 63A6 AIS 80A6 АИР 63А6 |
6073 | |
| 15.0 | 141 | 1.5 | 60 | 6453 | |||
| 11.3 | 172 | 1.2 | 80 | 7103 | |||
| 9.0 | 196 | 1.0 | 100 | 7380 | |||
| 0.55 UDM 63B2 AIS 71B2 АИР 63В2 UDM71A4 AIS 80A4 АИР 71А4 UDM 71B6 AIS 80B6 АИР 71В6 |
35.0 | 99 | 1.3 | 80 | UD-NRV075 | AIS 71B2 АИР 63B2 |
4865 |
| 35.0 | 108 | 2.0 | 40 | UD-NRV075 | UDM 71A4 AIS 80A4 АИР 71А4 |
4865 | |
| 28.0 | 128 | 1.6 | 50 | 5241 | |||
| 23.3 | 144 | 1.4 | 60 | 5569 | |||
| 17.5 | 177 | 1.1 | 80 | 6130 | |||
| 14.0 | 206 | 0.9 | 100 | 6603 | |||
| 30.0 | 124 | 2.0 | 30 | UD-NRV075 | UDM 71B6 AIS 80B6 АИР 71В6 |
5122 | |
| 22.5 | 156 | 1.5 | 40 | 5637 | |||
| 18.0 | 184 | 1.2 | 50 | 6073 | |||
| 15.0 | 210 | 1.0 | 60 | 6453 | |||
| 0.75 UDM 71A2 AIS 80A2 АИР 71А2 UDM 71B4 AIS 80B4 АИР 71В4 UDM 80A6 AIS 90S6 АИР 80А6 |
46.7 | 107 | 1.3 | 60 | UD-NRV075 | AIS 80A2 АИР 71А4 |
4421 |
| 28 | 159 | 0.8 | 100 | 5241 | |||
| 56.0 | 101 | 2.0 | 25 | UD-NRV075 | UDM 71B4 AIS 80B4 АИР 71В4 |
4160 | |
| 46.7 | 117 | 2.0 | 30 | 4421 | |||
| 35.0 | 147 | 1.5 | 40 | 4865 | |||
| 28.0 | 174 | 1.2 | 50 | 5241 | |||
| 23.3 | 197 | 1.0 | 60 | 5569 | |||
| 60.0 | 97 | 5.4 | 15 | UD-NRV075 | UDM 80A6 AIS 90S6 АИР 80А6 |
4065 | |
| 45.0 | 124 | 1.9 | 20 | 4474 | |||
| 36.0 | 149 | 1.4 | 25 | 4820 | |||
| 30.0 | 170 | 1.5 | 30 | 5122 | |||
| 22.5 | 213 | 1.1 | 40 | 5637 | |||
| 1.1 UDM 71B2 AIS 80B2 АИР 71В2 UDM 80B6 AIS 90L6 АИР 80В6 UDM 80A4 AIS 90S4 АИР 80А4 |
112 | 77 | 1.9 | 25 | UD-NRV075 | UDM 71B2 AIS 80B2 АИР 71В2 |
3302 |
| 93.3 | 89 | 1.9 | 30 | 3509 | |||
| 70 | 114 | 1.4 | 40 | 3862 | |||
| 56 | 137 | 1.1 | 50 | 4160 | |||
| 46.7 | 157 | 0.9 | 60 | 4421 | |||
| 90.0 | 98 | 2.3 | 10 | UD-NRV075 | UDM 80B6 AIS 90L8 АИР 80В6 |
3551 | |
| 60.0 | 142 | 1.6 | 15 | 4065 | |||
| 45.0 | 182 | 1.3 | 20 | 4474 | |||
| 36.0 | 219 | 1.0 | 25 | 4820 | |||
| 30.0 | 249 | 1.0 | 30 | 5122 | |||
| 93.3 | 96 | 2.1 | 15 | UD-NRV075 | UDM 80A4 AIS 90S4 АИР 80А4 |
3509 | |
| 70.0 | 122 | 1.7 | 20 | 3862 | |||
| 56.0 | 148 | 1.3 | 25 | 4160 | |||
| 46.7 | 171 | 1.3 | 30 | 4421 | |||
| 35.0 | 216 | 1.0 | 40 | 4865 | |||
| 1.5 UDM 80A2 AIS 90S2 АИР 80А2 UDM 80B4 AIS 90L4 АИР 80В4 UDM 90L6 AIS 100L6 АИР 90L6 |
120.0 | 103 | 2.0 | 7.5 | UD-NRV075 | UDM 90L6 AIS 100L6 АИР 90L6 |
3227 |
| 90.0 | 134 | 1.7 | 10 | 3551 | |||
| 60.0 | 193 | 1.2 | 15 | 4065 | |||
| 140.0 | 89 | 2.2 | 10 | UD-NRV075 | UDM 80B4 AIS 90L4 АИР 80В4 |
3065 | |
| 93.3 | 129 | 1.5 | 15 | 3509 | |||
| 70.0 | 166 | 1.3 | 20 | 3862 | |||
| 56.0 | 202 | 1.0 | 25 | 4160 | |||
| 46.7 | 233 | 1.0 | 30 | 4421 | |||
| 280 | 45 | 3.1 | 10 | UD-NRV075 | UDM 80A2 AIS 90S2 АИР 80А2 |
2433 | |
| 186.7 | 66 | 2.2 | 15 | 2785 | |||
| 140 | 86 | 1.8 | 20 | 3065 | |||
| 112 | 105 | 1.4 | 25 | 3302 | |||
| 93.3 | 121 | 1.4 | 30 | 3509 | |||
| 70 | 156 | 1 | 40 | 3862 | |||
| 56 | 187 | 0.8 | 50 | 4160 | |||
| 46.7 | 215 | 0.7 | 60 | 4421 | |||
| 2.2 UDM 80B2 AIS 90L2 АИР 80B2 UDM 90L4 AIS 100LA4 АИР 90L4 UDM 100L6 AIS 112M6 АИР 100L6 |
186.7 | 99 | 1.8 | 7.5 | UD-NRV075 | UDM 90L4 AIS 100LA4 АИР 90L4 |
2785 |
| 140.0 | 131 | 1.5 | 10 | 3065 | |||
| 93.3 | 189 | 1.0 | 15 | 3509 | |||
| 373.3 | 50 | 2.5 | 7.5 | UD-NRV075 | UDM 80B2 AIS 90L2 АИР 80В2 |
2210 | |
| 280 | 66 | 2.1 | 10 | 2433 | |||
| 186.7 | 97 | 1.5 | 15 | 2785 | |||
| 140 | 126 | 1.3 | 20 | 3065 | |||
| 112 | 154 | 1 | 25 | 3302 | |||
| 93.3 | 178 | 0.9 | 30 | 3509 | |||
| 3.0 UDM 90L2 AIS 100L2 АИР 90L2 UDM 100S4 AIS 100LB4 АИР 100S4 UDM 112MA6 AIS 132S6 АИР 112MA6 |
373.3 | 68 | 1.9 | 7.5 | UD-NRV075 | AIS 100L2 АИР 90L2 |
2210 |
| 280 | 90 | 1.6 | 10 | 2433 | |||
| 186.7 | 135 | 1.4 | 7.5 | UD-NRV075 | UDM 100S4 AIS 100LB4 АИР 100S4 |
2785 | |
| 140.0 | 178 | 1.1 | 10 | 3065 | |||
| 93.3 | 258 | 0.8 | 15 | 3509 | |||
| 4.0 UDM 100S2 AIS 112M2 АИР 100S2 UDM 100L4 AIS 112M4 АИР 100L4 UDM 112MB6 AIS 132MA6 АИР 112MB6 |
373.3 | 91 | 1.4 | 10 | UD-NRV075 | AIS 112M2 АИР 100S2 |
2210 |
| 280 | 120 | 1.2 | 7.5 | 2433 | |||
| 186.7 | 180 | 1.0 | 10 | UD-NRV075 | AIS 112M4 АИР 100L4 |
2785 | |
| 140.0 | 237 | 0.8 | 7.5 | 3065 |

FB



1. Модель редуктора (UD-NRV - с цельнометаллическим входным валом,
UD-NRV-E - дополнительный входной цельнометаллический вал).
2. Габарит редуктора.
3. Передаточное число.
4. (PAM 28/250)
28- диаметр полого входного вала редуктора (мм),
250- наружный диаметр входного фланца редуктора (мм).
5. Фланец на выходном валу редуктора (FA;FB;FC;FD;FE).
6. Исполнение с выходным валом (SS1;SS2;DS).
7. Исполнение с реактивной штангой (А1;А2).
8. Монтажное положение (В3;В6;В7;В8;V5;V6).

*- указанный размер ориентировочный и может отличаться от действительного.

*- указанный размер ориентировочный и может отличаться от действительного.

| Dh8 | b | t |
| 35 | 10 | 38.3 |
| 38* | 10* | 41.3* |
* - Специальное исполнение

| d h6 | B | B1 | G1 | L | L1 | f | b1 | t1 |
| 35 | 80 | 84,5 | 140 | 234 | 309 | M12 | 10 | 38 |
| K1 | G | KG | KH | R |
| 200 | 25 | 57.5 | 20 | 30 |

| Мощность двигателя, кВт | Частота вращения вых. вала, об/мин, n2, 1/мин | Крутящий момент, Нм | Сервис-фактор fs | Передаточное число i | Тип мотор-редуктора | Двигатель IEC | Радиальная нагрузка, Fr2 |
| 0.37 UDM 63A2 AIS 71A2 АИР 63А2 UDM 63B4 AIS 71B4 АИР 63В4 UDM 63A6 AIS 80A6 АИР 63А6 |
11.3 | 184 | 1.7 | 80 | UD-NRV090 | AIS 80A6 АИР 63А6 |
7859 |
| 9.0 | 212 | 1.3 | 100 | 8180 | |||
| 0.55 UDM 63B2 AIS 71B2 АИР 63В2 UDM71A4 AIS 80A4 АИР 71А4 UDM 71B6 AIS 80B6 АИР 71В6 |
17.5 | 189 | 1.5 | 80 | UD-NRV090 | AIS 80A4 АИР 71А4 |
6783 |
| 14.0 | 221 | 1.2 | 100 | 7306 | |||
| 18.0 | 196 | 2.0 | 50 | UD-NRV090 | UDM 71B6 AIS 80B6 АИР 71В6 |
6719 | |
| 15.0 | 224 | 1.6 | 60 | 7140 | |||
| 11.3 | 274 | 1.1 | 80 | 7859 | |||
| 9.0 | 315 | 0.9 | 100 | 8180 | |||
| 0.75 UDM 71A2 AIS 80A2 АИР 71А2 UDM 71B4 AIS 80B4 АИР 71В4 UDM 80A6 AIS 90S6 АИР 80А6 |
35 | 143 | 1.6 | 80 | UD-NRV090 | AIS 80A2 АИР 71А2 |
5383 |
| 28 | 169 | 1.2 | 100 | 5799 | |||
| 28.0 | 182 | 1.8 | 50 | UD-NRV090 | UDM 71B4 AIS 80B4 АИР 71В4 |
5799 | |
| 23.3 | 209 | 1.5 | 60 | 6163 | |||
| 17.5 | 258 | 1.1 | 80 | 6783 | |||
| 14.0 | 302 | 0.9 | 100 | 7306 | |||
| 30.0 | 179 | 2.6 | 30 | UD-NRV090 | UDM 80A6 AIS 90S6 АИР 80А6 |
5667 | |
| 22.5 | 226 | 1.8 | 40 | 6238 | |||
| 18.0 | 267 | 1.4 | 50 | 6719 | |||
| 15.0 | 306 | 1.1 | 60 | 7140 | |||
| 1.1 UDM 71B2 AIS 80B2 АИР 71В2 UDM 80B6 AIS 90L6 АИР 80В6 UDM 80A4 AIS 90S4 АИР 80А4 |
35 | 210 | 1.1 | 80 | UD-NRV090 | AIS 80B2 АИР 71В2 |
5383 |
| 28 | 248 | 0.8 | 100 | 5799 | |||
| 36.0 | 228 | 1.6 | 25 | UD-NRV090 | UDM 71A4 AIS 90L6 АИР 80В6 |
5333 | |
| 30.0 | 263 | 1.8 | 30 | 5667 | |||
| 22.5 | 331 | 1.2 | 40 | 6238 | |||
| 18.0 | 391 | 1.0 | 50 | 6719 | |||
| 15.0 | 448 | 0.8 | 60 | 7140 | |||
| 35.0 | 222 | 1.6 | 40 | UD-NRV090 | UDM 80A4 AIS 90S4 АИР 80А4 |
5383 | |
| 28.0 | 266 | 1.3 | 50 | 5799 | |||
| 23.3 | 307 | 1.0 | 60 | 6163 | |||
| 1.5 UDM 80A2 AIS 90S2 АИР 80А2 UDM 80B4 AIS 90L4 АИР 80В4 UDM 90L6 AIS 100L6 АИР 90L6 |
90.0 | 137 | 2.7 | 10 | UD-NRV090 | UDM 90L6 AIS 100L6 АИР 90L6 |
3929 |
| 60.0 | 198 | 2.1 | 15 | 4498 | |||
| 45.0 | 258 | 1.5 | 20 | 4951 | |||
| 36.0 | 310 | 1.2 | 25 | 5333 | |||
| 30.0 | 358 | 1.3 | 30 | 5667 | |||
| 70.0 | 170 | 2.1 | 20 | UD-NRV090 | UDM 80B4 AIS 90L4 АИР 80В4 |
4273 | |
| 56.0 | 207 | 1.6 | 25 | 4603 | |||
| 46.7 | 239 | 1.7 | 30 | 4891 | |||
| 35.0 | 303 | 1.2 | 40 | 5383 | |||
| 28.0 | 363 | 0.9 | 50 | 5799 | |||
| 23.3 | 418 | 0.8 | 60 | 6163 | |||
| 56 | 197 | 1.4 | 50 | UD-NRV090 | AIS 90S2 АИР 80А2 |
4603 | |
| 46.7 | 227 | 1.1 | 60 | 4891 | |||
| 2.2 UDM 80B2 AIS 90L2 АИР 80B2 UDM 90L4 AIS 100LA4 АИР 90L4 UDM 100L6 AIS 112M6 АИР 100L6 |
186.7 | 100 | 2.9 | 7.5 | UD-NRV090 | UDM 90L4 AIS 100LA4 АИР 90L4 |
3081 |
| 140.0 | 132 | 2.3 | 10 | 3391 | |||
| 93.3 | 191 | 1.9 | 15 | 3882 | |||
| 70.0 | 249 | 1.4 | 20 | 4273 | |||
| 56.0 | 304 | 1.1 | 25 | 4603 | |||
| 46.7 | 351 | 1.2 | 30 | 4891 | |||
| 120.0 | 154 | 2.2 | 7.5 | UD-NRV090 | UDM 100L6 AIS 112M6 АИР 100L6 |
3570 | |
| 90.0 | 201 | 1.8 | 10 | 3929 | |||
| 60.0 | 291 | 1.4 | 15 | 4498 | |||
| 45.0 | 378 | 1.0 | 20 | 4951 | |||
| 140 | 129 | 2 | 20 | UD-NRV090 | UDM 80B2 AIS 90L2 АИР 80В2 |
3391 | |
| 112 | 159 | 1.6 | 25 | 3653 | |||
| 93.3 | 185 | 1.7 | 30 | 3882 | |||
| 70 | 237 | 1.2 | 40 | 4273 | |||
| 56 | 289 | 0.9 | 50 | 4603 | |||
| 3.0 UDM 90L2 AIS 100L2 АИР 90L2 UDM 100S4 AIS 100LB4 АИР 100S4 UDM 112MA6 AIS 132S6 АИР 112MA6 |
373.3 | 70 | 3 | 7.5 | UD-NRV090 | AIS 100L2 АИР 90L2 |
2446 |
| 280 | 92 | 2.6 | 10 | 2692 | |||
| 186.7 | 137 | 2.1 | 7.5 | UD-NRV090 | UDM 100S4 AIS 100LB4 АИР 100S4 |
3081 | |
| 140.0 | 180 | 1.7 | 10 | 3391 | |||
| 93.3 | 261 | 1.4 | 15 | 3882 | |||
| 70.0 | 340 | 1.0 | 20 | 4273 | |||
| 56.0 | 414 | 0.8 | 25 | 4603 | |||
| 46.7 | 479 | 0.9 | 30 | 4891 | |||
| 4.0 UDM 100S2 AIS 112M2 АИР 100S2 UDM 100L4 AIS 112M4 АИР 100L4 UDM 112MB6 AIS 132MA6 АИР 112MB6 |
373.3 | 93 | 2.2 | 10 | UD-NRV090 | AIS 112M2 АИР 100S2 |
2446 |
| 280 | 123 | 1.9 | 7.5 | 2692 | |||
| 186.7 | 182 | 1.6 | 7.5 | UD-NRV090 | UDM 100L4 AIS 112M4 АИР 100L4 |
3081 | |
| 140.0 | 240 | 1.3 | 10 | 3391 | |||
| 93.3 | 348 | 1.0 | 15 | 3882 | |||
| 70.0 | 453 | 0.8 | 20 | 4273 |

FB
FС
FD



1. Модель редуктора (UD-NRV - с цельнометаллическим входным валом,
UD-NRV-E - дополнительный входной цельнометаллический вал).
2. Габарит редуктора.
3. Передаточное число.
4. (PAM 28/250)
28- диаметр полого входного вала редуктора (мм),
250- наружный диаметр входного фланца редуктора (мм).
5. Фланец на выходном валу редуктора (FA;FB;FC;FD;FE).
6. Исполнение с выходным валом (SS1;SS2;DS).
7. Исполнение с реактивной штангой (А1;А2).
8. Монтажное положение (В3;В6;В7;В8;V5;V6).

*- указанный размер ориентировочный и может отличаться от действительного.

*- указанный размер ориентировочный и может отличаться от действительного.


| d h6 | B | B1 | G1 | L | L1 | f | b1 | t1 |
| 42 | 80 | 84,5 | 155 | 249 | 324 | M16 | 12 | 45 |
| K1 | G | KG | KH | R |
| 250 | 30 | 62 | 25 | 35 |

| Мощность двигателя, кВт | Частота вращения вых. вала, об/мин, n2, 1/мин | Крутящий момент, Нм | Сервис-фактор fs | Передаточное число i | Тип мотор-редуктора | Двигатель IEC | Радиальная нагрузка, Fr2 |
| 0.55 UDM 63B2 AIS 71B2 АИР 63В2 UDM71A4 AIS 80A4 АИР 71А4 UDM 71B6 AIS 80B6 АИР 71В6 |
17.5 | 201 | 2.6 | 80 | UD-RV110 | AIS 80A4 АИР 71А4 |
8571 |
| 14.0 | 236 | 2.0 | 100 | 9232 | |||
| 11.3 | 293 | 1.9 | 80 | UD-RV110 | AIS 80B6 АИР 71В6 |
9931 | |
| 9.0 | 344 | 1.5 | 100 | 10320 | |||
| 0.75 UDM 71A2 AIS 80A2 АИР 71А2 UDM 71B4 AIS 80B4 АИР 71В4 UDM 80A6 AIS 90S6 АИР 80А6 |
17.5 | 274 | 1.9 | 80 | UD-RV110 | AIS 80B4 АИР 71В4 |
8571 |
| 14.0 | 322 | 1.5 | 100 | 9232 | |||
| 15.0 | 325 | 2.1 | 60 | UD-RV110 | UDM 80A6 AIS 90S6 АИР 80А6 |
9023 | |
| 11.3 | 399 | 1.4 | 80 | 9931 | |||
| 9.0 | 470 | 1.1 | 100 | 10320 | |||
| 1.1 UDM 71B2 AIS 80B2 АИР 71В2 UDM 80B6 AIS 90L6 АИР 80В6 UDM 80A4 AIS 90S4 АИР 80А4 |
22.5 | 345 | 2.3 | 40 | UD-RV110 | UDM 80B6 AIS 90L6 АИР 80В6 |
7882 |
| 18.0 | 414 | 1.8 | 50 | 8491 | |||
| 15.0 | 476 | 1.4 | 60 | 9023 | |||
| 11.3 | 586 | 1.0 | 80 | 9931 | |||
| 28.0 | 278 | 2.3 | 50 | UD-RV110 | UDM 80A4 AIS 90S4 АИР 80А4 |
7328 | |
| 23.3 | 325 | 1.9 | 60 | 7787 | |||
| 17.5 | 402 | 1.3 | 80 | 8571 | |||
| 14.0 | 473 | 1.0 | 100 | 9232 | |||
| 1.5 UDM 80A2 AIS 90S2 АИР 80А2 UDM 80B4 AIS 90L4 АИР 80В4 UDM 90L6 AIS 100L6 АИР 90L6 |
45.0 | 264 | 2.7 | 20 | UD-RV110 | UDM 90L6 AIS 100L6 АИР 90L6 |
6256 |
| 36.0 | 322 | 2.4 | 25 | 6739 | |||
| 30.0 | 363 | 2.3 | 30 | 7161 | |||
| 22.5 | 471 | 1.7 | 40 | 7882 | |||
| 18.0 | 565 | 1.3 | 50 | 8491 | |||
| 15.0 | 649 | 1.1 | 60 | 9023 | |||
| 35.0 | 315 | 2.2 | 40 | UD-RV110 | UDM 80B4 AIS 90L4 АИР 80В4 |
6803 | |
| 28.0 | 379 | 1.7 | 50 | 7328 | |||
| 23.3 | 443 | 1.4 | 60 | 7787 | |||
| 17.5 | 548 | 0.9 | 80 | 8571 | |||
| 46.7 | 236 | 2 | 60 | UD-RV110 | UDM 80A2 AIS 90S2 АИР 80А2 |
6181 | |
| 35 | 299 | 1.3 | 80 | 6803 | |||
| 28 | 358 | 1 | 100 | 7328 | |||
| 2.2 UDM 80B2 AIS 90L2 АИР 80B2 UDM 90L4 AIS 100LA4 АИР 90L4 UDM 100L6 AIS 112M6 АИР 100L6 |
70.0 | 255 | 2.5 | 20 | UD-RV110 | UDM 90L4 AIS 100LA4 АИР 90L4 |
5399 |
| 56.0 | 311 | 2.2 | 25 | 5816 | |||
| 46.7 | 355 | 2.0 | 30 | 6181 | |||
| 35.0 | 462 | 1.5 | 40 | 6803 | |||
| 28.0 | 555 | 1.2 | 50 | 7328 | |||
| 23.3 | 649 | 1.0 | 60 | 7787 | |||
| 90.0 | 203 | 3.5 | 10 | UD-RV110 | UDM 100L6 AIS 112M6 АИР 100L6 |
4965 | |
| 60.0 | 294 | 2.6 | 15 | 5684 | |||
| 45.0 | 388 | 1.9 | 20 | 6256 | |||
| 36.0 | 473 | 1.6 | 25 | 6739 | |||
| 30.0 | 532 | 1.6 | 30 | 7161 | |||
| 112 | 161 | 3.1 | 25 | UD-RV110 | UDM 80B2 AIS 90L2 АИР 80В2 |
4616 | |
| 93.3 | 187 | 3 | 30 | 4905 | |||
| 70 | 243 | 2.1 | 40 | 5399 | |||
| 56 | 296 | 1.7 | 50 | 5816 | |||
| 46.7 | 346 | 1.4 | 60 | 6181 | |||
| 3.0 UDM 90L2 AIS 100L2 АИР 90L2 UDM 100S4 AIS 100LB4 АИР 100S4 UDM 112MA6 AIS 132S6 АИР 112MA6 |
93.3 | 264 | 2.5 | 15 | UD-RV110 | UDM 100S4 AIS 100LB4 АИР 100S4 |
4905 |
| 70.0 | 348 | 1.9 | 20 | 5399 | |||
| 56.0 | 425 | 1.6 | 25 | 5816 | |||
| 46.7 | 485 | 1.5 | 30 | 6181 | |||
| 35.0 | 630 | 1.1 | 40 | 6803 | |||
| 28.0 | 757 | 0.9 | 50 | 7328 | |||
| 120.0 | 210 | 3.1 | 7.5 | UD-RV110 | UDM 112MA6 AIS 132S6 АИР 112МА6 |
4511 | |
| 90.0 | 277 | 2.5 | 10 | 4965 | |||
| 60.0 | 401 | 1.9 | 15 | 5684 | |||
| 45.0 | 528 | 1.4 | 20 | 6256 | |||
| 4.0 UDM 100S2 AIS 112M2 АИР 100S2 UDM 100L4 AIS 112M4 АИР 100L4 UDM 112MB6 AIS 132MA6 АИР 112MB6 |
140.0 | 240 | 2.5 | 10 | UD-RV110 | UDM 100L4 AIS 112M4 АИР 100L4 |
4285 |
| 93.3 | 352 | 1.9 | 15 | 4905 | |||
| 70.0 | 464 | 1.4 | 20 | 5399 | |||
| 56.0 | 566 | 1.2 | 25 | 5816 | |||
| 46.7 | 646 | 1.1 | 30 | 6181 | |||
| 120.0 | 280 | 2.3 | 7.5 | UD-RV110 | UDM 112MB6 AIS 132MA6 АИР 112МВ6 |
4511 | |
| 90.0 | 369 | 1.9 | 10 | 4965 | |||
| 60.0 | 535 | 1.4 | 15 | 5684 | |||
| 5.5 UDM 112M4 AIS 132S4 АИР 112М4 |
186.7 | 250 | 2.2 | 7.5 | UD-RV110 | UDM 112M4 AIS 132S4 АИР 112М4 |
3893 |
| 140.0 | 330 | 1.8 | 10 | 4285 | |||
| 93.3 | 484 | 1.4 | 15 | 4905 | |||
| 70.0 | 638 | 1.0 | 20 | 5399 | |||
| 7.5 UDM 132S4 AIS 132M4 АИР 132S4 |
186.7 | 341 | 1.6 | 7.5 | UD-RV110 | UDM 132S4 AIS 132M4 АИР 132S4 |
3893 |
| 140.0 | 450 | 1.3 | 10 | 4285 | |||
| 93.3 | 660 | 1.0 | 15 | 4905 |

FB



1. Модель редуктора (UD-NRV - с цельнометаллическим входным валом,UD-NRV-E - дополнительный входной цельнометаллический вал).
2. Габарит редуктора.
3. Передаточное число.
4. (PAM 28/250)
28- диаметр полого входного вала редуктора (мм),
250- наружный диаметр входного фланца редуктора (мм).
5. Фланец на выходном валу редуктора (FA;FB;FC;FD;FE).
6. Исполнение с выходным валом (SS1;SS2;DS).
7. Исполнение с реактивной штангой (А1;А2).
8. Монтажное положение (В3;В6;В7;В8;V5;V6).

*- указанный размер ориентировочный и может отличаться от действительного.

*- указанный размер ориентировочный и может отличаться от действительного.


| d h6 | B | B1 | G1 | L | L1 | f | b1 | t1 |
| 45 | 80 | 85 | 170 | 265 | 340 | M16 | 14 | 48,5 |
| K1 | G | KG | KH | R |
| 250 | 30 | 69 | 25 | 35 |

| Мощность двигателя, кВт | Частота вращения вых. вала, об/мин, n2, 1/мин | Крутящий момент, Нм | Сервис-фактор fs | Передаточное число i | Тип мотор-редуктора | Двигатель IEC | Радиальная нагрузка, Fr2 |
| 0.75 UDM 71A2 AIS 80A2 АИР 71А2 UDM 71B4 AIS 80B4 АИР 71В4 UDM 80A6 AIS 90S6 АИР 80А6 |
11.3 | 399 | 2.1 | 80 | UD-NRV130 | 90S6 | 12989 |
| 9.0 | 470 | 1.7 | 100 | 13500 | |||
| 1.1 UDM 71B2 AIS 80B2 АИР 71В2 UDM 80B6 AIS 90L6 АИР 80В6 UDM 80A4 AIS 90S4 АИР 80А4 |
11.3 | 586 | 1.4 | 80 | UD-NRV130 | AIS 90L6 АИР 80В6 |
12989 |
| 9.0 | 689 | 1.1 | 100 | 13500 | |||
| 17.5 | 408 | 2.1 | 80 | UD-NRV130 | AIS 90L4 АИР 80В4 |
11210 | |
| 14.0 | 480 | 1.5 | 100 | 12076 | |||
| 1.5 UDM 80A2 AIS 90S2 АИР 80А2 UDM 80B4 AIS 90L4 АИР 80В4 UDM 90L6 AIS 100L6 АИР 90L6 |
22.5 | 471 | 2.3 | 40 | UD-NRV130 | UDM 90L6 AIS 100L6 АИР 90L6 |
10309 |
| 18.0 | 565 | 1.8 | 50 | 11105 | |||
| 15.0 | 659 | 1.4 | 60 | 11801 | |||
| 11.3 | 799 | 1.1 | 80 | 12989 | |||
| 17.5 | 557 | 1.5 | 80 | UD-NRV130 | AIS 90L4 АИР 80В4 |
11210 | |
| 14.0 | 655 | 1.1 | 100 | 12076 | |||
| 2.2 UDM 80B2 AIS 90L2 АИР 80B2 UDM 90L4 AIS 100LA4 АИР 90L4 UDM 100L6 AIS 112M6 АИР 100L6 |
35.0 | 468 | 2.2 | 40 | UD-NRV130 | UDM 90L4 AIS 100LA4 АИР 90L4 |
8897 |
| 28.0 | 563 | 1.7 | 50 | 9584 | |||
| 23.3 | 648 | 1.4 | 60 | 10185 | |||
| 17.5 | 816 | 1.0 | 80 | 11210 | |||
| 36.0 | 473 | 2.2 | 25 | UD-NRV130 | UDM 100L6 AIS 112M6 АИР 100L6 |
8814 | |
| 30.0 | 539 | 2.1 | 30 | 9366 | |||
| 22.5 | 691 | 1.6 | 40 | 10309 | |||
| 18.0 | 829 | 1.2 | 50 | 11105 | |||
| 15.0 | 966 | 1.0 | 60 | 11801 | |||
| 35 | 444 | 1.3 | 80 | UD-NRV130 | UDM 80B2 AIS 90L2 АИР 80В2 |
8897 | |
| 28 | 525 | 1 | 100 | 9584 | |||
| 3.0 UDM 90L2 AIS 100L2 АИР 90L2 UDM 100S4 AIS 100LB4 АИР 100S4 UDM 112MA6 AIS 132S6 АИР 112MA6 |
56.0 | 430 | 2.2 | 25 | UD-NRV130 | UDM 100S4 AIS 100LB4 АИР 100S4 |
7607 |
| 46.7 | 491 | 2.1 | 30 | 8084 | |||
| 35.0 | 638 | 1.6 | 40 | 8897 | |||
| 28.0 | 767 | 1.3 | 50 | 9584 | |||
| 23.3 | 898 | 1.0 | 60 | 10185 | |||
| 17.5 | 1113 | 0.8 | 80 | 11210 | |||
| 60.0 | 406 | 3.4 | 15 | UD-NRV130 | UDM 112MA6 AIS 132S6 АИР 112МА6 |
6494 | |
| 45.0 | 528 | 2.6 | 20 | 7434 | |||
| 36.0 | 645 | 1.9 | 25 | 8182 | |||
| 30.0 | 735 | 1.6 | 30 | 8814 | |||
| 22.5 | 942 | 1.6 | 40 | 9366 | |||
| 18 | 1193 | 1.2 | 50 | 10309 | |||
| 4.0 UDM 100S2 AIS 112M2 АИР 100S2 UDM 100L4 AIS 112M4 АИР 100L4 UDM 112MB6 AIS 132MA6 АИР 112MB6 |
56.0 | 573 | 1.6 | 25 | UD-NRV130 | UDM 100L4 AIS 112M4 АИР 100L4 |
7607 |
| 46.7 | 654 | 1.6 | 30 | 8084 | |||
| 35.0 | 851 | 1.2 | 40 | 8897 | |||
| 28.0 | 1023 | 1.0 | 50 | 9584 | |||
| 23.3 | 1197 | 0.8 | 60 | 10185 | |||
| 120.0 | 283 | 3.1 | 7.5 | UD-NRV130 | UDM 112MB6 AIS 132MA6 АИР 112МВ6 |
5901 | |
| 90.0 | 369 | 2.6 | 10 | 6494 | |||
| 60.0 | 541 | 2.0 | 15 | 7434 | |||
| 45.0 | 705 | 1.5 | 20 | 8182 | |||
| 36.0 | 860 | 1.2 | 25 | 8814 | |||
| 5.5 UDM 112M4 AIS 132S4 АИР 112М4 |
140.0 | 334 | 2.5 | 10 | UD-NRV130 | UDM 112M4 AIS 132S4 АИР 112М4 |
5605 |
| 93.3 | 490 | 1.9 | 15 | 6416 | |||
| 70.0 | 638 | 1.4 | 20 | 7062 | |||
| 56.0 | 788 | 1.2 | 25 | 7607 | |||
| 46.7 | 900 | 1.2 | 30 | 8084 | |||
| 35.0 | 1171 | 0.9 | 40 | 8897 | |||
| 7.5 UDM 132S4 AIS 132M4 АИР 132S4 |
186.7 | 345 | 2.1 | 7.5 | UD-NRV130 | UDM 132S4 AIS 132M4 АИР 132S4 |
5092 |
| 140.0 | 455 | 1.8 | 10 | 5605 | |||
| 93.3 | 668 | 1.4 | 15 | 6416 | |||
| 70.0 | 880 | 1.0 | 20 | 7062 | |||
| 56.0 | 1074 | 0.9 | 25 | 7607 | |||
| 46.7 | 1227 | 0.8 | 30 | 8084 | |||
| 35.0 | 1596 | 0.7 | 40 | 8897 |




1. Модель редуктора (UD-NRV - с цельнометаллическим входным валом,UD-NRV-E - дополнительный входной цельнометаллический вал).
2. Габарит редуктора.
3. Передаточное число.
4. (PAM 28/250)
28- диаметр полого входного вала редуктора (мм),
250- наружный диаметр входного фланца редуктора (мм).
5. Фланец на выходном валу редуктора (FA;FB;FC;FD;FE).
6. Исполнение с выходным валом (SS1;SS2;DS).
7. Исполнение с реактивной штангой (А1;А2).
8. Монтажное положение (В3;В6;В7;В8;V5;V6).

*- указанный размер ориентировочный и может отличаться от действительного.
| PM | DME8 | BM | tM |
| 250 | 38 | 10 | 41,3 |
| 300 | 32 | 8 | 35,3 |
| 250 | 38 | 8 | 31,3 |

*- указанный размер ориентировочный и может отличаться от действительного.


| d h6 | B | B1 | G1 | L | L1 | f | b1 | t1 |
| 50 | 82 | 87 | 200 | 297 | 374 | M16 | 14 | 53.5 |
| K1 | G | KG | KH | R |
| 250 | 30 | 84 | 25 | 35 |

| Мощность двигателя, кВт | Частота вращения вых. вала, об/мин, n2, 1/мин | Крутящий момент, Нм | Сервис-фактор fs | Передаточное число i | Тип мотор-редуктора | Двигатель IEC | Радиальная нагрузка, Fr2 |
| 2.2 UDM 80B2 AIS 90L2 АИР 80B2 UDM 90L4 AIS 100LA4 АИР 90L4 UDM 100L6 AIS 112M6 АИР 100L6 |
28.0 | 570 | 2.5 | 50 | UD-NRV150 | UDM 90L4 AIS 100LA4 АИР 90L4 |
13103 |
| 23.3 | 657 | 1.9 | 60 | 13924 | |||
| 17.5 | 816 | 1.4 | 80 | 15325 | |||
| 14.0 | 960 | 1.0 | 100 | 16508 | |||
| 3.0 UDM 90L2 AIS 100L2 АИР 90L2 UDM 100S4 AIS 100LB4 АИР 100S4 UDM 112MA6 AIS 132S6 АИР 112MA6 |
28.0 | 778 | 1.8 | 50 | UD-NRV150 | UDM 100S4 AIS 100LB4 АИР 100S4 |
13103 |
| 23.3 | 896 | 1.4 | 60 | 13924 | |||
| 17.5 | 1113 | 1.0 | 80 | 15325 | |||
| 14.0 | 1310 | 0.8 | 100 | 16508 | |||
| 4.0 UDM 100S2 AIS 112M2 АИР 100S2 UDM 100L4 AIS 112M4 АИР 100L4 UDM 112MB6 AIS 132MA6 АИР 112MB6 |
28.0 | 1037 | 1.4 | 50 | UD-NRV150 | UDM 100L4 AIS 112M4 АИР 100L4 |
13103 |
| 23.3 | 1195 | 1.1 | 60 | 13924 | |||
| 17.5 | 1484 | 0.8 | 80 | 15325 | |||
| 5.5 UDM 112M4 AIS 132S4 АИР 112М4 |
70.0 | 645 | 2.0 | 20 | UD-NRV150 | UDM 112M4 AIS 132S4 АИР 112М4 |
9654 |
| 56.0 | 788 | 1.5 | 25 | 10400 | |||
| 46.7 | 934 | 1.3 | 30 | 11051 | |||
| 35.0 | 1171 | 1.3 | 40 | 12163 | |||
| 28.0 | 1426 | 1.0 | 50 | 13103 | |||
| 23.3 | 1643 | 0.8 | 60 | 13924 | |||
| 7.5 UDM 132S4 AIS 132M4 АИР 132S4 |
70.0 | 880 | 1.5 | 20 | UD-NRV150 | UDM 132S4 AIS 132M4 АИР 132S4 |
9654 |
| 56.0 | 1074 | 1.1 | 25 | 10400 | |||
| 46.7 | 1274 | 0.9 | 30 | 11051 | |||
| 35.0 | 1596 | 1.0 | 40 | 12163 | |||
| 11 UDM 132M4 AIS160M4 АИР 132M4 |
186.7 | 512 | 2.3 | 8 | UD-NRV150 | UDM 132M4 AIS 160M4 АИР 132M4 |
6962 |
| 140.0 | 675 | 1.8 | 10 | 7663 | |||
| 93.3 | 990 | 1.3 | 15 | 8771 | |||
| 70.0 | 1291 | 1.0 | 20 | 9654 | |||
| 56.0 | 1576 | 0.8 | 25 | 10400 | |||
| 15 UDM 160S4 AIS 160L4K АИР 160S4 |
186.7 | 698 | 1.7 | 8 | UD-NRV150 | UDM 160M4 AIS 160L4K АИР 160M4 |
6962 |
| 140.0 | 921 | 1.3 | 10 | 7663 | |||
| 93.3 | 1351 | 0.9 | 15 | 8771 | |||
| 70.0 | 1760 | 0.7 | 20 | 9654 |


