.jpg)
|
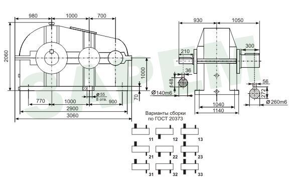
Габаритные и присоединительные размеры Назначение: Редуктор цилиндрический двухступенчатый горизонтальный А-700х1000 является приводом общего назначения, в том числе используется в приводах металлургического оборудования.
Технические характеристики
Пример условного обозначения при заказе: А-450х700- 17,775-11-У3 - редуктор цилиндрический двухступенчатый с межосевыми расстояниями 450 и 700 мм, передаточным отношением 17,775; вариантом сборки 11, климатическим исполнением У и категорией размещения 3. |