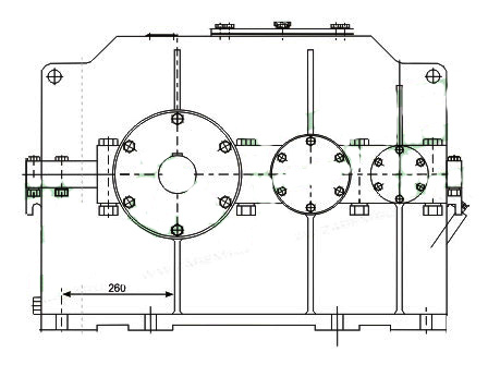
Редуктор цилиндрический двухступенчатый горизонтальный ЦДП-50


Назначение: редуктор цилиндрический двухступенчатый горизонтальный 
ЦДП-50 является приводом специального  назначения.

Технические характеристики