.jpg)
|
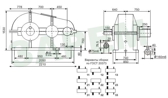
Редуктор цилиндрический двухступенчатый горизонтальный А-450х700
Габаритные и присоединительные размеры Назначение: Редуктор цилиндрический двухступенчатый горизонтальный А-450х700 является приводом общего назначения, в том числе используется в приводах металлургического оборудования.
Технические характеристики
Пример условного обозначения при заказе: А-450х700- 17,775-11-У3 - редуктор цилиндрический двухступенчатый с межосевыми расстояниями 450 и 700 мм, передаточным отношением 17,775; вариантом сборки 11, климатическим исполнением У и категорией размещения 3.
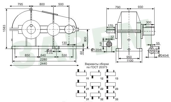
Редуктор цилиндрический двухступенчатый горизонтальный А-500х800
Габаритные и присоединительные размеры
Назначение: Редуктор цилиндрический двухступенчатый горизонтальный А-500х800 используется в приводах металлургического оборудования.
Технические характеристики
Пример условного обозначения при заказе: А-500х800- 17,.06-11-У3 - редуктор цилиндрический двухступенчатый с межосевыми расстояниями 500 и 800 мм, передаточным отношением 17,06; вариантом сборки 11, климатическим исполнением У и категорией размещения 3. |