
1. Модель редуктора
(К-исполнение на лапах со сквозными отверстиями и цельным валом,
KAB - исполнение лап со сквозными отверстиями и полым валом,
KA - исполнение лап с резьбовыми отверстиями и полым валом,
KF - исполнение на фланце с цельным валом,
KAF - исполнение на фланце с полым валом).
2. Габарит редуктора (37,47,57,67,77, 87, 97,107,127,157).
3. Исполнение с реактивным кронштейном.
4. Передаточное число.
5. Число оборотов выходного вала, об/мин.
6. Мощность электродвигателя, кВт.
7. Наличие электромагнитного тормоза у электродвигателя,
(Е- одинарный тормоз, ЕЕ- двойной тормоз,
Е(МШ)- одинарный малошумный тормоз,
ЕЕ(МШ)- двойной малошумный тормоз).
8.Тип фланца электродвигателя (В5;В14).
9. Монтажная позиция редуктора (M1, M2, M3, M4, M5, M6).
10. Сторона расположение выходного цельнометаллического вала и фланца (A, B, AB),
выходного полого вала со стяжной муфтой сторона (A, B).
11. Дополнительные опции.
Мотор-редукторы производства ООО “ПТЦ ”ПРИВОД” сохраняют общие стандарты широко популярных Европейских цилиндрических мотор-редукторов, которых придерживаются большинство известных производителей: NORD, SEW-EURODRIVE, MOTOVARIO, TOS-ZNOJMO, VARVEL и др. Благодаря унифицированным присоединительным размерам мотор-редукторы могут служить заменой вышедших из строя мотор-редукторов вышеуказанных фирм.
Нормальная эксплуатация коническо-цилиндрических редукторов/мотор-редукторов обеспечивается при входных оборотах не более 1500 об/мин.











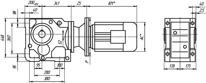
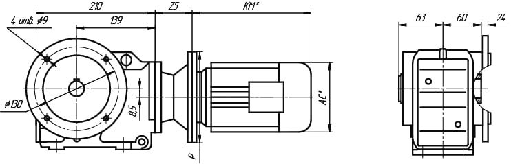
| Исполнение 1 | Исполнение 2 | Исполнение 3 | Исполнение 4 | Исполнение 5 | |
| Р, мм | 140 | 160 | 200 | 250 | - |
| Z5*, мм | 50 | 55 | 60 | 80 | - |
| KM, мм | в зависимости от смонтированного двигателя | ||||
| АС, мм | в зависимости от смонтированного двигателя | ||||
| AD, мм | в зависимости от смонтированного двигателя | ||||
Z5* Указанный размер ориентировочный и может отличаться от действительного.


*Для редукторов серии К с полым валом и стяжной муфтой необходимо указать, какая сторона A или B, является стороной отбора мощности. Стяжная муфта расположена со стороны, противоположной стороне отбора мощности.
| Мощность ,кВт | Частота вращения выходного вала, об/мин | Передаточное число | Крутящий момент, Н⋅м | Допустимая радиальная нагрузка, Н | Сервис фактор | Частота вращения эл. двигателя |
| 0,12 | 8,5 | 106,38 | 136 | 6230 | 1,5 | 900 |
| 9,2 | 97,81 | 125 | 6300 | 1,6 | ||
| 10,8 | 83,69 | 107 | 6410 | 1,9 | ||
| 12,4 | 72,54 | 92 | 6480 | 2,2 | ||
| 13,2 | 106,38 | 88 | 6500 | 2,3 | 1400 | |
| 14,3 | 97,81 | 81 | 6530 | 2,5 | ||
| 16,7 | 83,69 | 70 | 6570 | 2,9 | ||
| 19,3 | 72,54 | 60 | 6600 | 3,3 | ||
| 21 | 67,80 | 56 | 6610 | 3,5 | ||
| 24 | 58,60 | 49 | 6430 | 4,1 | ||
| 28 | 49,79 | 41 | 6130 | 4,8 | ||
| 32 | 44,46 | 37 | 5930 | 5,4 | ||
| 37 | 37,97 | 32 | 5660 | 6,3 | ||
| 39 | 35,57 | 30 | 5550 | 6,8 | ||
| 47 | 29,96 | 25 | 5270 | 8,0 | ||
| 49 | 28,83 | 24 | 5210 | 8,4 | ||
| 56 | 24,99 | 21 | 4980 | 9,6 | ||
| 60 | 23,36 | 19 | 4880 | 10 | ||
| 69 | 20,19 | 17 | 4660 | 11 | ||
| 81 | 17,15 | 14 | 4430 | 13 | ||
| 91 | 15,31 | 13 | 4280 | 14 | ||
| 106 | 13,08 | 11 | 4070 | 15 | ||
| 115 | 12,14 | 10 | 3970 | 16 | ||
| 0,18 | 8,5 | 106,38 | 210 | 5520 | 0,95 | 900 |
| 9,2 | 97,81 | 193 | 5710 | 1,05 | ||
| 10,8 | 83,69 | 165 | 5990 | 1,20 | ||
| 12,4 | 72,54 | 143 | 6170 | 1,40 | ||
| 13,2 | 106,38 | 139 | 6210 | 1,15 | 1400 | |
| 14,3 | 97,81 | 127 | 6280 | 1,55 | ||
| 16,7 | 83,69 | 109 | 6400 | 1,85 | ||
| 19,3 | 72,54 | 95 | 6470 | 2,1 | ||
| 21 | 67,80 | 88 | 6500 | 2,3 | ||
| 24 | 58,60 | 76 | 6280 | 2,6 | ||
| 28 | 49,79 | 65 | 6010 | 3,1 | ||
| 31 | 44,46 | 58 | 5830 | 3,5 | ||
| 37 | 37 | 49 | 5580 | 4,1 | ||
| 39 | 35,57 | 46 | 5480 | 4,3 | ||
| 47 | 29,96 | 39 | 5220 | 5,1 | ||
| 49 | 28,83 | 38 | 5160 | 5,3 | ||
| 56 | 24,99 | 33 | 4950 | 6,2 | ||
| 60 | 23,36 | 30 | 4850 | 6,4 | ||
| 69 | 20,19 | 26 | 4650 | 7,0 | ||
| 82 | 17,15 | 22 | 4430 | 8,1 | ||
| 91 | 15,31 | 20 | 4280 | 8,8 | ||
| 107 | 13,80 | 17 | 4080 | 9,7 | ||
| 115 | 12,14 | 16 | 3980 | 10 | ||
| 133 | 10,49 | 14 | 3810 | 12 | ||
| 157 | 157 | 12 | 3620 | 14 | ||
| 176 | 176 | 10 | 3490 | 15 | ||
| 0,25 | 10,8 | 83,69 | 225 | 5300 | 0,90 | 900 |
| 12,4 | 72,54 | 197 | 5680 | 1,0 | ||
| 13,3 | 67,80 | 184 | 6050 | 1,1 | ||
| 15,4 | 58,60 | 159 | 6230 | 1,25 | ||
| 18 | 49,79 | 135 | 5690 | 1,5 | ||
| 13,2 | 106,38 | 195 | 5860 | 1,0 | 1400 | |
| 14,3 | 97,81 | 180 | 6090 | 1,1 | ||
| 16,7 | 83,69 | 154 | 6250 | 1,3 | ||
| 19,3 | 72,54 | 133 | 6230 | 1,5 | ||
| 21 | 67,80 | 125 | 6030 | 1,6 | ||
| 24 | 58,60 | 108 | 5810 | 1,85 | ||
| 28 | 49,79 | 91 | 5650 | 2,2 | ||
| 31 | 44,46 | 82 | 5430 | 2,5 | ||
| 37 | 37,97 | 70 | 5340 | 2,9 | ||
| 39 | 35,57 | 65 | 5100 | 3,1 | ||
| 47 | 29,96 | 55 | 5050 | 3,6 | ||
| 49 | 28,83 | 53 | 4860 | 3,8 | ||
| 56 | 24,99 | 46 | 4770 | 4,4 | ||
| 60 | 23,36 | 43 | 4580 | 4,6 | ||
| 69 | 20,19 | 37 | 4370 | 5,0 | ||
| 82 | 17,15 | 32 | 4230 | 5,7 | ||
| 91 | 15,31 | 28 | 4030 | 6,2 | ||
| 107 | 13,08 | 24 | 3940 | 6,9 | ||
| 115 | 12,14 | 22 | 3780 | 7,2 | ||
| 133 | 10,49 | 19 | 3590 | 8,3 | ||
| 157 | 8,91 | 16 | 3470 | 9,8 | ||
| 176 | 7,96 | 15 | 3310 | 11 | ||
| 206 | 6,80 | 13 | 3310 | 12 | ||
| 220 | 6,37 | 12 | 3240 | 12 | ||
| 0,37 | 14,3 | 97,81 | 250 | 2520 | 0,8 | |
| 16,7 | 83,69 | 215 | 5470 | 0,95 | ||
| 19,3 | 72,54 | 186 | 5690 | 1,10 | ||
| 21 | 67,80 | 174 | 5630 | 1,15 | ||
| 24 | 58,60 | 150 | 5510 | 1,35 | ||
| 28 | 49,79 | 128 | 5350 | 1,55 | ||
| 31 | 44,46 | 114 | 5230 | 1,75 | ||
| 37 | 37,97 | 97 | 5060 | 2,1 | ||
| 39 | 35,57 | 91 | 4990 | 2,2 | ||
| 47 | 29,96 | 77 | 4800 | 2,6 | ||
| 49 | 28,83 | 74 | 4750 | 2,7 | ||
| 56 | 24,99 | 64 | 4590 | 3,1 | ||
| 60 | 23,36 | 60 | 4510 | 3,3 | ||
| 69 | 20,19 | 52 | 4350 | 3,6 | ||
| 82 | 17,15 | 44 | 4160 | 4,1 | ||
| 91 | 15,31 | 39 | 4040 | 4,5 | ||
| 107 | 13,08 | 34 | 3860 | 4,9 | ||
| 115 | 12,14 | 31 | 3780 | 5,1 | ||
| 133 | 10,49 | 27 | 3630 | 5,9 | ||
| 157 | 8,91 | 23 | 3460 | 7,0 | ||
| 176 | 7,96 | 20 | 3350 | 7,6 | ||
| 206 | 6,80 | 17 | 3190 | 8,6 | ||
| 220 | 6,37 | 16 | 3130 | 8,9 | ||
| 261 | 5,36 | 14 | 2970 | 10 | ||
| 0,55 | 24 | 58,60 | 225 | 4850 | 0,9 | |
| 28 | 49,79 | 192 | 4790 | 1,05 | ||
| 31 | 44,46 | 172 | 4740 | 1,15 | ||
| 37 | 37,97 | 147 | 4640 | 1,35 | ||
| 39 | 35,57 | 137 | 4600 | 1,45 | ||
| 47 | 29,96 | 116 | 4470 | 1,75 | ||
| 49 | 28,83 | 111 | 4440 | 1,8 | ||
| 56 | 24,99 | 97 | 4320 | 2,1 | ||
| 60 | 23,36 | 90 | 4260 | 2,2 | ||
| 69 | 20,19 | 78 | 4130 | 2,4 | ||
| 82 | 17,15 | 66 | 3980 | 2,7 | ||
| 91 | 15,31 | 59 | 3880 | 3,0 | ||
| 107 | 13,08 | 51 | 3730 | 3,3 | ||
| 115 | 12,14 | 47 | 3660 | 3,4 | ||
| 133 | 10,49 | 41 | 3520 | 4,0 | ||
| 157 | 8,91 | 34 | 3370 | 4,7 | ||
| 176 | 7,96 | 31 | 3270 | 5,1 | ||
| 206 | 6,80 | 26 | 3130 | 5,7 | ||
| 220 | 6,37 | 25 | 3070 | 5,9 | ||
| 261 | 5,36 | 21 | 2920 | 6,8 | ||
| 0,75 | 31 | 44,46 | 230 | 4170 | 0,85 | |
| 37 | 37,97 | 197 | 4150 | 1,0 | ||
| 39 | 35,57 | 185 | 4140 | 1,1 | ||
| 47 | 29,96 | 156 | 4080 | 1,3 | ||
| 49 | 28,83 | 150 | 4060 | 1,35 | ||
| 56 | 24,99 | 130 | 3990 | 1,55 | ||
| 60 | 23,36 | 121 | 3950 | 1,6 | ||
| 69 | 20,19 | 105 | 3860 | 1,75 | ||
| 82 | 17,15 | 89 | 3750 | 2,0 | ||
| 91 | 15,31 | 80 | 3670 | 2,2 | ||
| 107 | 13,08 | 68 | 3550 | 2,4 | ||
| 115 | 12,14 | 63 | 3500 | 2,5 | ||
| 133 | 10,49 | 54 | 3380 | 2,9 | ||
| 157 | 7,96 | 46 | 3250 | 3,5 | ||
| 176 | 6,80 | 41 | 3160 | 3,8 | ||
| 206 | 6,37 | 35 | 3030 | 4,2 | ||
| 220 | 5,36 | 33 | 2980 | 4,4 | ||
| 261 | 5,36 | 28 | 2840 | 5,0 | ||
| 1,1 | 47 | 29,96 | 225 | 3420 | 0,9 | |
| 56 | 24,99 | 188 | 3440 | 1,05 | ||
| 60 | 23,36 | 175 | 3440 | 1,1 | ||
| 69 | 20,19 | 152 | 3420 | 1,2 | ||
| 82 | 17,15 | 129 | 3370 | 1,4 | ||
| 91 | 15,31 | 115 | 3330 | 1,5 | ||
| 107 | 13,08 | 98 | 3260 | 1,7 | ||
| 115 | 12,14 | 91 | 3220 | 1,75 | ||
| 133 | 10,49 | 79 | 3140 | 2,0 | ||
| 157 | 8,91 | 67 | 3040 | 2,4 | ||
| 176 | 7,96 | 60 | 2970 | 2,6 | ||
| 206 | 6,80 | 51 | 2870 | 2,9 | ||
| 220 | 6,37 | 48 | 2830 | 3,0 | ||
| 261 | 5,36 | 40 | 2720 | 3,5 | ||
| 1,5 | 60 | 23,36 | 235 | 2860 | 0,8 | |
| 69 | 20,19 | 205 | 2920 | 0,9 | ||
| 82 | 17,15 | 174 | 2940 | 1,05 | ||
| 91 | 15,31 | 156 | 2950 | 1,1 | ||
| 107 | 13,08 | 133 | 2930 | 1,25 | ||
| 115 | 12,14 | 123 | 2920 | 1,3 | ||
| 133 | 10,49 | 107 | 2880 | 1,5 | ||
| 157 | 8,91 | 91 | 2820 | 1,75 | ||
| 176 | 7,96 | 81 | 2770 | 1,9 | ||
| 206 | 6,80 | 69 | 2700 | 2,2 | ||
| 220 | 6,37 | 65 | 2670 | 2,2 | ||
| 261 | 5,36 | 55 | 2580 | 2,6 | ||
| 2,2 | 107 | 13,08 | 195 | 2370 | 0,85 | |
| 133 | 10,49 | 156 | 2430 | 1,0 | ||
| 157 | 8,91 | 133 | 2440 | 1,2 | ||
| 176 | 7,96 | 119 | 2430 | 1,3 | ||
| 206 | 6,80 | 101 | 2410 | 1,5 | ||
| 220 | 6,37 | 95 | 2400 | 1,55 | ||
| 261 | 5,36 | 80 | 2350 | 1,75 | ||
| 3,0 | 157 | 8,91 | 182 | 2000 | 0,9 | |
| 176 | 7,96 | 163 | 2040 | 0,95 | ||
| 206 | 6,80 | 139 | 2080 | 1,1 | ||
| 220 | 6,37 | 130 | 2080 | 1,1 | ||
| 261 | 5,36 | 110 | 2090 | 1,3 |

Каждая из моделей имеет свои собственные варианты крепления. В частности, модели К, КА крепятся посредством лап, в то время как KF, KAF посредством использования фланцев. Подобное конструктивное исполнение и определяет в последующем его монтаж и установку в структуру оборудования.

1. Модель редуктора
(К-исполнение на лапах со сквозными отверстиями и цельным валом,
KAB - исполнение лап со сквозными отверстиями и полым валом,
KA - исполнение лап с резьбовыми отверстиями и полым валом,
KF - исполнение на фланце с цельным валом,
KAF - исполнение на фланце с полым валом).
2. Габарит редуктора (37,47,57,67,77, 87, 97,107,127,157).
3. Исполнение с реактивным кронштейном.
4. Передаточное число.
5. Число оборотов выходного вала, об/мин.
6. Мощность электродвигателя, кВт.
7. Наличие электромагнитного тормоза у электродвигателя,
(Е- одинарный тормоз, ЕЕ- двойной тормоз,
Е(МШ)- одинарный малошумный тормоз,
ЕЕ(МШ)- двойной малошумный тормоз).
8.Тип фланца электродвигателя (В5;В14).
9. Монтажная позиция редуктора (M1, M2, M3, M4, M5, M6).
10. Сторона расположение выходного цельнометаллического вала и фланца (A, B, AB),
выходного полого вала со стяжной муфтой сторона (A, B).
11. Дополнительные опции.
Мотор-редукторы производства ООО “ПТЦ ”ПРИВОД” сохраняют общие стандарты широко популярных Европейских цилиндрических мотор-редукторов, которых придерживаются большинство известных производителей: NORD, SEW-EURODRIVE, MOTOVARIO, TOS-ZNOJMO, VARVEL и др. Благодаря унифицированным присоединительным размерам мотор-редукторы могут служить заменой вышедших из строя мотор-редукторов вышеуказанных фирм.
Нормальная эксплуатация коническо-цилиндрических редукторов/мотор-редукторов обеспечивается при входных оборотах не более 1500 об/мин.










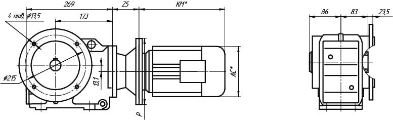
| Исполнение 1 | Исполнение 2 | Исполнение 3 | Исполнение 4 | Исполнение 5 | |
| Р, мм | 140 | 160 | 200 | 250 | - |
| Z5, мм | 50 | 55 | 60 | 80 | - |
| KM, мм | в зависимости от смонтированного двигателя | ||||
| АС, мм | в зависимости от смонтированного двигателя | ||||
| AD, мм | в зависимости от смонтированного двигателя | ||||


*Для редукторов серии К с полым валом и стяжной муфтой необходимо указать, какая сторона A или B, является стороной отбора мощности. Стяжная муфта расположена со стороны, противоположной стороне отбора мощности.
| Мощность, кВт | Частота вращения выходного вала, об/мин | Передаточное число | Крутящий момент, Нм | Допустимая радиальная нагрузка, Н | Сервис- фактор | Частота вращения эл.двигателя |
| 0,12 | 6,8 | 131,87 | 7930 | 2,4 | 900 | |
| 7,4 | 121,48 | 155 | 7990 | 2,6 | ||
| 8,6 | 104,37 | 133 | 8070 | 3 | ||
| 10,6 | 131,87 | 110 | 8140 | 3,7 | 1400 | |
| 11,5 | 121,48 | 101 | 8170 | 4 | ||
| 0,18 | 6,8 | 131,87 | 260 | 7380 | 1,55 | 900 |
| 7,4 | 121,48 | 240 | 7530 | 1,65 | ||
| 8,6 | 104,37 | 205 | 7740 | 1,95 | ||
| 9,9 | 90,86 | 180 | 7880 | 2,2 | ||
| 10,6 | 85,12 | 168 | 7930 | 2,4 | ||
| 0,18 | 13,4 | 104,37 | 136 | 8060 | 2,9 | 1400 |
| 15,4 | 90,86 | 118 | 8120 | 3,4 | ||
| 16,5 | 85,12 | 111 | 8140 | 3,6 | ||
| 0,25 | 6,8 | 131,87 | 360 | 6470 | 1,1 | 900 |
| 7,4 | 121,48 | 330 | 6780 | 1,2 | ||
| 8,6 | 104,37 | 285 | 7210 | 1,4 | ||
| 9,9 | 90,86 | 245 | 7480 | 1,6 | ||
| 10,6 | 85,12 | 230 | 7590 | 1,75 | ||
| 10,6 | 131,87 | 240 | 7510 | 1,65 | 1400 | |
| 11,5 | 121,48 | 225 | 7640 | 1,8 | ||
| 13,4 | 104,37 | 192 | 7820 | 2,1 | ||
| 15,4 | 90,86 | 167 | 7930 | 2,4 | ||
| 16,5 | 85,12 | 156 | 7980 | 2,6 | ||
| 0,37 | 8,6 | 104,37 | 410 | 5490 | 1 | 900 |
| 9,9 | 90,86 | 355 | 6480 | 1,1 | ||
| 10,6 | 85,12 | 335 | 6730 | 1,2 | ||
| 12 | 75,2 | 295 | 7100 | 1,35 | ||
| 10,6 | 131,87 | 340 | 6690 | 1,2 | 1400 | |
| 11,5 | 121,48 | 310 | 6960 | 1,3 | ||
| 13,4 | 104,37 | 265 | 7330 | 1,5 | ||
| 15,4 | 90,86 | 235 | 7580 | 1,7 | ||
| 16,5 | 85,12 | 220 | 7670 | 1,85 | ||
| 18,6 | 75,2 | 193 | 7810 | 2,1 | ||
| 20 | 69,84 | 179 | 7880 | 2,2 | ||
| 22 | 63,3 | 162 | 7960 | 2,5 | ||
| 0,55 | 13,4 | 104,37 | 405 | 5880 | 1 | |
| 15,4 | 90,86 | 350 | 6550 | 1,15 | ||
| 16,5 | 85,12 | 330 | 6790 | 1,2 | ||
| 18,6 | 75,2 | 290 | 7150 | 1,4 | ||
| 20 | 69,84 | 270 | 7310 | 1,5 | ||
| 22 | 63,3 | 245 | 7500 | 1,65 | ||
| 25 | 56,83 | 220 | 7660 | 1,8 | ||
| 29 | 48,95 | 189 | 7830 | 2,1 | ||
| 30 | 46,03 | 178 | 7880 | 2,2 | ||
| 0,75 | 18,6 | 75,2 | 390 | 6060 | 1 | |
| 20 | 69,84 | 365 | 6410 | 1,1 | ||
| 22 | 63,3 | 330 | 6790 | 1,2 | ||
| 25 | 56,83 | 295 | 7110 | 1,35 | ||
| 29 | 48,95 | 255 | 7430 | 1,55 | ||
| 30 | 46,03 | 240 | 7540 | 1,65 | ||
| 38 | 39,61 | 205 | 7740 | 1,95 | ||
| 40 | 35,39 | 184 | 7760 | 2,2 | ||
| 45 | 31,3 | 162 | 7550 | 2,5 | ||
| 1,1 | 25 | 56,83 | 425 | 3310 | 0,95 | |
| 29 | 48,95 | 365 | 6360 | 1,1 | ||
| 30 | 46,03 | 345 | 6610 | 1,15 | ||
| 38 | 39,61 | 295 | 7090 | 1,35 | ||
| 40 | 35,39 | 265 | 7090 | 1,5 | ||
| 45 | 31,3 | 235 | 6960 | 1,7 | ||
| 48 | 29,32 | 220 | 6890 | 1,8 | ||
| 1,1 | 54 | 25,91 | 194 | 6730 | 2,1 | |
| 64 | 21,81 | 164 | 6510 | 2,4 | ||
| 72 | 19,58 | 147 | 6360 | 2,7 | ||
| 1,5 | 38 | 39,61 | 400 | 5890 | 1 | |
| 40 | 35,39 | 360 | 6360 | 1,1 | ||
| 45 | 31,3 | 320 | 6310 | 1,25 | ||
| 48 | 29,32 | 300 | 6270 | 1,35 | ||
| 54 | 25,91 | 265 | 6190 | 1,5 | ||
| 64 | 21,81 | 220 | 6050 | 1,8 | ||
| 72 | 19,58 | 199 | 5950 | 2 | ||
| 83 | 16,86 | 171 | 5800 | 2,2 | ||
| 88 | 15,86 | 161 | 5730 | 2,4 | ||
| 103 | 13,65 | 139 | 5560 | 2,6 | ||
| 115 | 12,19 | 124 | 5430 | 2,8 | ||
| 125 | 11,77 | 120 | 5340 | 2,3 | ||
| 2,2 | 54 | 25,91 | 385 | 5260 | 1,05 | |
| 64 | 21,81 | 325 | 5260 | 1,25 | ||
| 72 | 19,58 | 290 | 5240 | 1,35 | ||
| 83 | 16,86 | 250 | 5190 | 1,5 | ||
| 88 | 15,86 | 235 | 5160 | 1,6 | ||
| 103 | 13,65 | 205 | 5070 | 1,75 | ||
| 115 | 12,19 | 182 | 4990 | 1,95 | ||
| 125 | 11,77 | 175 | 4890 | 1,6 | ||
| 133 | 10,56 | 157 | 4810 | 1,8 | ||
| 154 | 9,1 | 136 | 4690 | 2,1 | ||
| 3 | 72 | 19,58 | 400 | 4430 | 1 | |
| 83 | 16,86 | 345 | 4490 | 1,1 | ||
| 88 | 15,86 | 325 | 4500 | 1,15 | ||
| 103 | 13,65 | 280 | 4510 | 1,3 | ||
| 115 | 12,19 | 250 | 4490 | 1,4 | ||
| 125 | 11,77 | 240 | 4370 | 1,15 | ||
| 133 | 10,56 | 215 | 4350 | 1,3 | ||
| 154 | 9,1 | 186 | 4290 | 1,5 | ||
| 154 | 8,56 | 175 | 4270 | 1,55 | ||
| 190 | 7,36 | 151 | 4190 | 1,65 | ||
| 213 | 6,58 | 135 | 4120 | 1,8 | ||
| 241 | 5,81 | 119 | 4030 | 1,95 |

Каждая из моделей имеет свои собственные варианты крепления. В частности, модели К, КА крепятся посредством лап, в то время как KF, KAF посредством использования фланцев. Подобное конструктивное исполнение и определяет в последующем его монтаж и установку в структуру оборудования.

1. Модель редуктора
(К-исполнение на лапах со сквозными отверстиями и цельным валом,
KAB - исполнение лап со сквозными отверстиями и полым валом,
KA - исполнение лап с резьбовыми отверстиями и полым валом,
KF - исполнение на фланце с цельным валом,
KAF - исполнение на фланце с полым валом).
2. Габарит редуктора (37,47,57,67,77, 87, 97,107,127,157).
3. Исполнение с реактивным кронштейном.
4. Передаточное число.
5. Число оборотов выходного вала, об/мин.
6. Мощность электродвигателя, кВт.
7. Наличие электромагнитного тормоза у электродвигателя,
(Е- одинарный тормоз, ЕЕ- двойной тормоз,
Е(МШ)- одинарный малошумный тормоз,
ЕЕ(МШ)- двойной малошумный тормоз).
8.Тип фланца электродвигателя (В5;В14).
9. Монтажная позиция редуктора (M1, M2, M3, M4, M5, M6).
10. Сторона расположение выходного цельнометаллического вала и фланца (A, B, AB),
выходного полого вала со стяжной муфтой сторона (A, B).
11. Дополнительные опции.
Мотор-редукторы производства ООО “ПТЦ ”ПРИВОД” сохраняют общие стандарты широко популярных Европейских цилиндрических мотор-редукторов, которых придерживаются большинство известных производителей: NORD, SEW-EURODRIVE, MOTOVARIO, TOS-ZNOJMO, VARVEL и др. Благодаря унифицированным присоединительным размерам мотор-редукторы могут служить заменой вышедших из строя мотор-редукторов вышеуказанных фирм.
Нормальная эксплуатация коническо-цилиндрических редукторов/мотор-редукторов обеспечивается при входных оборотах не более 1500 об/мин.











| Исполнение 1 | Исполнение 2 | Исполнение 3 | Исполнение 4 | Исполнение 5 | |
| Р, мм | 140 | 160 | 200 | 250 | 300 |
| Z5, мм | 50 | 55 | 60 | 80 | 90 |
| KM, мм | в зависимости от смонтированного двигателя | ||||
| АС, мм | в зависимости от смонтированного двигателя | ||||
| AD, мм | в зависимости от смонтированного двигателя | ||||


*Для редукторов серии К с полым валом и стяжной муфтой необходимо указать, какая сторона A или B, является стороной отбора мощности. Стяжная муфта расположена со стороны, противоположной стороне отбора мощности.
| Мощность, кВт | Частота вращения выходного вала, об/мин | Передаточное число | Крутящий момент, Нм | Допустимая радиальная нагрузка, Н | Сервис- фактор | Частота вращения эл.двигателя |
| 0,12 | 6,2 | 145,14 | 185 | 9680 | 3,2 | 900 |
| 7,3 | 123,85 | 158 | 9760 | 3,8 | ||
| 8,3 | 108,29 | 138 | 9820 | 4,3 | ||
| 8,8 | 102,88 | 131 | 9840 | 4,6 | ||
| 10 | 90,26 | 115 | 9880 | 5,2 | ||
| 11,8 | 76,56 | 98 | 9930 | 6,2 | ||
| 9,7 | 145,14 | 121 | 9870 | 5 | 1400 | |
| 11,3 | 123,85 | 103 | 9920 | 5,8 | ||
| 13 | 108,29 | 90 | 9950 | 6,7 | ||
| 13,6 | 102,88 | 85 | 9960 | 7 | ||
| 15,5 | 90,26 | 75 | 9990 | 8 | ||
| 0,18 | 6,2 | 145,14 | 285 | 9340 | 2,1 | 900 |
| 7,3 | 123,85 | 245 | 9480 | 2,5 | ||
| 8,3 | 108,29 | 215 | 9590 | 2,8 | ||
| 8,8 | 102,88 | 205 | 9620 | 3 | ||
| 10 | 90,26 | 178 | 9700 | 3,4 | ||
| 9,7 | 145,14 | 189 | 9670 | 3,2 | 1400 | |
| 11,3 | 123,85 | 161 | 9750 | 3,7 | ||
| 13 | 108,29 | 141 | 9810 | 4,3 | ||
| 13,6 | 102,88 | 134 | 9830 | 4,5 | ||
| 15,5 | 90,26 | 118 | 9880 | 5,1 | ||
| 18,3 | 76,56 | 100 | 9920 | 6 | ||
| 0,25 | 6,2 | 145,14 | 395 | 8910 | 1,5 | 900 |
| 7,3 | 123,85 | 335 | 9150 | 1,8 | ||
| 8,3 | 108,29 | 295 | 9310 | 2 | ||
| 8,8 | 102,88 | 280 | 9360 | 2,2 | ||
| 10 | 90,26 | 245 | 9480 | 2,5 | ||
| 11,8 | 76,56 | 210 | 9610 | 2,9 | ||
| 9,7 | 145,14 | 265 | 9410 | 2,2 | 1400 | |
| 11,3 | 123,85 | 225 | 9540 | 2,6 | ||
| 13 | 108,29 | 199 | 9640 | 3 | ||
| 13,6 | 102,88 | 189 | 9670 | 3,2 | ||
| 15,5 | 90,26 | 166 | 9740 | 3,6 | ||
| 18,3 | 76,56 | 141 | 9810 | 4,3 | ||
| 0,37 | 7,3 | 123,85 | 485 | 8490 | 1,25 | 900 |
| 8,3 | 108,29 | 425 | 8770 | 1,4 | ||
| 8,8 | 102,88 | 405 | 8870 | 1,5 | ||
| 10 | 90,26 | 355 | 9070 | 1,7 | ||
| 11,8 | 76,56 | 300 | 9280 | 2 | ||
| 13 | 69,12 | 270 | 9390 | 2,2 | ||
| 9,7 | 145,14 | 370 | 9000 | 1,6 | 1400 | |
| 11,3 | 123,85 | 315 | 9220 | 1,9 | ||
| 13 | 108,29 | 275 | 9370 | 2,2 | ||
| 13,6 | 102,88 | 265 | 9420 | 2,3 | ||
| 15,5 | 90,26 | 230 | 9530 | 2,6 | ||
| 18,3 | 76,56 | 196 | 9650 | 3,1 | ||
| 20 | 69,12 | 177 | 9700 | 3,4 | ||
| 0,55 | 8,3 | 108,29 | 630 | 7360 | 0,95 | 900 |
| 8,8 | 102,88 | 600 | 7630 | 1 | ||
| 10 | 90,26 | 525 | 8220 | 1,15 | ||
| 11,8 | 76,56 | 445 | 8670 | 1,35 | ||
| 13 | 69,12 | 405 | 8870 | 1,5 | ||
| 14,8 | 60,81 | 355 | 9070 | 1,7 | ||
| 15,7 | 57,42 | 335 | 9150 | 1,8 | ||
| 11,3 | 123,85 | 480 | 8520 | 1,25 | 1400 | |
| 13 | 108,29 | 420 | 8800 | 1,45 | ||
| 0,55 | 13,6 | 102,88 | 395 | 8890 | 1,5 | |
| 15,5 | 90,26 | 350 | 9100 | 1,7 | ||
| 18,3 | 76,56 | 295 | 9300 | 2 | ||
| 20 | 69,12 | 265 | 9410 | 2,2 | ||
| 23 | 60,81 | 235 | 9520 | 2,6 | ||
| 25 | 57,42 | 220 | 9560 | 2,7 | ||
| 0,75 | 11,3 | 123,85 | 645 | 7130 | 0,35 | |
| 13 | 108,29 | 560 | 7940 | 1,05 | ||
| 13,6 | 102,88 | 535 | 8160 | 1,1 | ||
| 15,5 | 90,26 | 470 | 8570 | 1,3 | ||
| 18,3 | 76,56 | 395 | 8890 | 1,5 | ||
| 20 | 69,12 | 360 | 9060 | 1,65 | ||
| 23 | 60,81 | 315 | 9230 | 1,9 | ||
| 25 | 57,42 | 300 | 9290 | 2 | ||
| 29 | 48,89 | 255 | 9450 | 2,4 | ||
| 32 | 44,43 | 230 | 9530 | 2,6 | ||
| 1,1 | 15,5 | 90,26 | 675 | 2410 | 0,9 | |
| 18,3 | 76,56 | 575 | 7840 | 1,05 | ||
| 20 | 69,12 | 520 | 8280 | 1,15 | ||
| 23 | 60,81 | 455 | 8630 | 1,3 | ||
| 25 | 57,42 | 430 | 8750 | 1,4 | ||
| 29 | 48,89 | 365 | 9020 | 1,65 | ||
| 32 | 44,43 | 335 | 9160 | 1,8 | ||
| 36 | 38,49 | 290 | 9330 | 2,1 | ||
| 39 | 35,7 | 270 | 9400 | 2,2 | ||
| 46 | 30,28 | 225 | 9540 | 2,6 | ||
| 51 | 27,34 | 205 | 9510 | 2,9 | ||
| 58 | 24,05 | 18 | 9220 | 3,3 | ||
| 62 | 22,71 | 170 | 9090 | 3,5 | ||
| 72 | 19,34 | 145 | 8720 | 4 | ||
| 80 | 17,57 | 132 | 8510 | 4,2 | ||
| 92 | 15,22 | 114 | 8180 | 4,7 | ||
| 106 | 13,25 | 99 | 7880 | 5,1 | ||
| 117 | 11,92 | 90 | 7570 | 4,6 | ||
| 124 | 11,26 | 85 | 7450 | 4,9 | ||
| 146 | 9,59 | 72 | 7120 | 5,6 | ||
| 161 | 8,71 | 65 | 6930 | 6 | ||
| 185 | 7,55 | 57 | 6650 | 6,4 | ||
| 1,5 | 213 | 6,57 | 49 | 6380 | 7 | |
| 23 | 60,81 | 620 | 7480 | 0,95 | ||
| 25 | 57,42 | 685 | 7770 | 1,05 | ||
| 29 | 48,89 | 495 | 8430 | 1,2 | ||
| 32 | 44,43 | 450 | 8650 | 1,35 | ||
| 36 | 38,49 | 390 | 8920 | 1,55 | ||
| 39 | 35,7 | 365 | 9040 | 1,65 | ||
| 46 | 30,28 | 310 | 9190 | 1,95 | ||
| 51 | 27,34 | 280 | 9010 | 2,2 | ||
| 58 | 24,05 | 245 | 8780 | 2,5 | ||
| 62 | 22,71 | 230 | 8670 | 2,6 | ||
| 72 | 19,34 | 196 | 8360 | 2,9 | ||
| 2,2 | 32 | 44,43 | 660 | 5100 | 0,9 | |
| 36 | 38,49 | 575 | 7850 | 1,05 | ||
| 39 | 35,7 | 530 | 8080 | 1,15 | ||
| 46 | 30,28 | 450 | 8250 | 1,35 | ||
| 51 | 27,34 | 405 | 8160 | 1,45 | ||
| 58 | 24,05 | 360 | 8030 | 1,65 | ||
| 62 | 22,71 | 340 | 7970 | 1,75 | ||
| 72 | 19,34 | 290 | 7760 | 2 | ||
| 80 | 17,57 | 260 | 7630 | 2,1 | ||
| 92 | 15,22 | 225 | 7430 | 2,4 | ||
| 106 | 13,25 | 197 | 7220 | 2,6 | ||
| 117 | 11,92 | 178 | 6890 | 2,3 | ||
| 124 | 11,26 | 168 | 6810 | 2,5 | ||
| 3 | 46 | 30,28 | 620 | 7180 | 0,95 | |
| 51 | 27,34 | 560 | 7190 | 1,05 | ||
| 58 | 24,05 | 490 | 7180 | 1,2 | ||
| 62 | 22,71 | 465 | 7160 | 1,3 | ||
| 72 | 19,34 | 395 | 7080 | 1,45 | ||
| 80 | 17,57 | 360 | 7020 | 1,55 | ||
| 92 | 15,22 | 310 | 6890 | 1,7 | ||
| 106 | 13,25 | 270 | 6750 | 1,9 | ||
| 117 | 11,92 | 245 | 6420 | 1,7 | ||
| 124 | 11,26 | 230 | 6370 | 1,8 | ||
| 146 | 9,59 | 196 | 6200 | 2,1 | ||
| 161 | 8,71 | 178 | 6090 | 2,2 | ||
| 185 | 7,55 | 154 | 5920 | 2,4 | ||
| 213 | 6,57 | 134 | 5750 | 2,6 | ||
| 4 | 58 | 24,05 | 645 | 6120 | 0,95 | |
| 62 | 22,71 | 610 | 6160 | 1 | ||
| 72 | 19,34 | 520 | 6220 | 1,1 | ||
| 80 | 17,57 | 475 | 6230 | 1,15 | ||
| 92 | 15,22 | 410 | 6210 | 1,3 | ||
| 106 | 13,25 | 355 | 6150 | 1,45 | ||
| 117 | 11,92 | 320 | 5810 | 1,3 | ||
| 124 | 11,26 | 305 | 5790 | 1,35 | ||
| 146 | 9,59 | 260 | 5700 | 1,55 | ||
| 161 | 8,71 | 235 | 5640 | 1,65 | ||
| 185 | 7,55 | 205 | 5530 | 1,8 | ||
| 213 | 6,57 | 177 | 5400 | 1,95 | ||
| 5,5 | 80 | 17,57 | 645 | 5080 | 0,85 | |
| 92 | 15,22 | 560 | 5210 | 0,95 | ||
| 106 | 13,25 | 485 | 5280 | 1,05 | ||
| 117 | 11,92 | 440 | 4920 | 0,95 | ||
| 124 | 11,26 | 415 | 4950 | 1 | ||
| 146 | 9,59 | 350 | 4990 | 1,15 | ||
| 161 | 8,71 | 320 | 4990 | 1,2 | ||
| 185 | 7,55 | 275 | 4960 | 1,3 | ||
| 213 | 6,57 | 240 | 4910 | 1,45 |

Каждая из моделей имеет свои собственные варианты крепления. В частности, модели К, КА крепятся посредством лап, в то время как KF, KAF посредством использования фланцев. Подобное конструктивное исполнение и определяет в последующем его монтаж и установку в структуру оборудования.

Мотор-редукторы производства ООО “ПТЦ ”ПРИВОД” сохраняют общие стандарты широко популярных Европейских цилиндрических мотор-редукторов, которых придерживаются большинство известных производителей: NORD, SEW-EURODRIVE, MOTOVARIO, TOS-ZNOJMO, VARVEL и др. Благодаря унифицированным присоединительным размерам мотор-редукторы могут служить заменой вышедших из строя мотор-редукторов вышеуказанных фирм.











| Исполнение 1 | Исполнение 2 | Исполнение 3 | Исполнение 4 | Исполнение 5 | |
| Р, мм | 140 | 160 | 200 | 250 | 300 |
| Z5, мм | 50 | 55 | 60 | 80 | 90 |
| KM, мм | в зависимости от смонтированного двигателя | ||||
| АС, мм | в зависимости от смонтированного двигателя | ||||
| AD, мм | в зависимости от смонтированного двигателя | ||||


| Мощность, кВт | Частота вращения выходного вала, об/мин | Передаточное число | Крутящий момент, Нм | Допустимая радиальная нагрузка, Н | Сервис- фактор | Частота вращения эл.двигателя |
| 0,12 | 6,2 | 144,79 | 184 | 13000 | 4,4 | 900 |
| 0,18 | 6,2 | 144,79 | 285 | 13000 | 2,9 | |
| 7,3 | 123,54 | 245 | 13000 | 3,4 | ||
| 8,3 | 108,03 | 215 | 13000 | 3,8 | ||
| 8,8 | 102,62 | 205 | 13000 | 4 | ||
| 9,7 | 144,79 | 189 | 13000 | 4,3 | 1400 | |
| 11,3 | 123,54 | 161 | 13000 | 5,1 | ||
| 13 | 108,03 | 141 | 13000 | 5,8 | ||
| 0,25 | 5,6 | 123,54 | 435 | 12700 | 1,9 | 690 |
| 6,4 | 108,03 | 380 | 12900 | 2,2 | ||
| 6,7 | 123,54 | 360 | 12900 | 2,3 | ||
| 7,7 | 108,03 | 315 | 13000 | 2,6 | ||
| 6,2 | 102,62 | 395 | 12800 | 2,1 | 900 | |
| 7,3 | 90,04 | 335 | 13000 | 2,5 | ||
| 8,3 | 144,79 | 395 | 13000 | 2,8 | ||
| 8,8 | 123,54 | 280 | 13000 | 3 | ||
| 9,7 | 108,03 | 265 | 13000 | 3,1 | 1400 | |
| 11,3 | 102,62 | 225 | 13000 | 3,6 | ||
| 13 | 144,79 | 198 | 13000 | 4,1 | ||
| 13,7 | 123,54 | 189 | 13000 | 4,3 | ||
| 0,37 | 6,4 | 108,03 | 560 | 12100 | 1,45 | 690 |
| 6,7 | 102,62 | 535 | 12300 | 1,55 | ||
| 7,7 | 90,04 | 470 | 12600 | 1,75 | ||
| 6,2 | 123,54 | 485 | 12500 | 1,7 | 900 | |
| 7,3 | 108,03 | 425 | 12700 | 1,95 | ||
| 8,3 | 102,62 | 405 | 12800 | 2 | ||
| 8,8 | 90,04 | 355 | 13000 | 2,3 | ||
| 9,7 | 144,79 | 370 | 12900 | 2,2 | 1400 | |
| 11,3 | 123,54 | 315 | 13000 | 2,6 | ||
| 13 | 108,03 | 275 | 13000 | 3 | ||
| 15,6 | 90,04 | 230 | 13000 | 3,6 | ||
| 18,3 | 76,37 | 196 | 13000 | 4,2 | ||
| 0,55 | 7,3 | 123,54 | 720 | 11100 | 1,15 | 900 |
| 8,3 | 108,03 | 630 | 11700 | 1,3 | ||
| 8,8 | 102,62 | 600 | 11900 | 1,35 | ||
| 10 | 90,04 | 525 | 12300 | 1,55 | ||
| 11,8 | 76,37 | 445 | 12600 | 1,85 | ||
| 11,3 | 123,54 | 475 | 12500 | 1,7 | 1400 | |
| 13 | 108,03 | 415 | 12800 | 1,95 | ||
| 15,6 | 90,04 | 350 | 13000 | 2,4 | ||
| 18,3 | 76,37 | 295 | 13000 | 2,8 | ||
| 0,75 | 11,3 | 123,54 | 640 | 11700 | 1,3 | |
| 13 | 108,03 | 560 | 12100 | 1,45 | ||
| 15,6 | 90,04 | 465 | 12600 | 1,75 | ||
| 18,3 | 76,37 | 395 | 12800 | 2,1 | ||
| 20 | 68,95 | 360 | 13000 | 2,3 | ||
| 0,75 | 23 | 60,66 | 315 | 13000 | 2,6 | 1400 |
| 24 | 57,28 | 295 | 13000 | 2,8 | ||
| 13 | 108,03 | 810 | 10400 | 1 | ||
| 1,1 | 13,7 | 102,62 | 770 | 10700 | 1,05 | 1400 |
| 15,6 | 90,04 | 675 | 11400 | 1,2 | ||
| 18,3 | 76,37 | 575 | 12000 | 1,45 | ||
| 20 | 68,95 | 515 | 12300 | 1,6 | ||
| 23 | 60,66 | 455 | 12600 | 1,8 | ||
| 24 | 57,28 | 430 | 12700 | 1,9 | ||
| 29 | 48,77 | 365 | 12900 | 2,2 | ||
| 32 | 44,32 | 335 | 13000 | 2,5 | ||
| 36 | 38,39 | 290 | 13000 | 2,8 | ||
| 15,6 | 90,04 | 910 | 9370 | 0,9 | ||
| 18,3 | 76,37 | 775 | 10700 | 1,05 | ||
| 1,5 | 20 | 68,95 | 700 | 11300 | 1,15 | 1400 |
| 23 | 60,66 | 615 | 11800 | 1,35 | ||
| 24 | 57,28 | 580 | 12000 | 1,4 | ||
| 29 | 48,77 | 495 | 12400 | 1,65 | ||
| 32 | 44,32 | 450 | 12600 | 1,8 | ||
| 36 | 38,39 | 390 | 12800 | 2 | ||
| 39 | 35,62 | 360 | 12900 | 2,3 | ||
| 46 | 30,22 | 305 | 13000 | 2,7 | ||
| 51 | 27,28 | 275 | 13000 | 3 | ||
| 58 | 24 | 245 | 13000 | 3,3 | ||
| 23 | 60,66 | 900 | 9490 | 0,9 | ||
| 24 | 57,28 | 850 | 10000 | 0,95 | ||
| 29 | 48,77 | 725 | 11100 | 1,15 | ||
| 32 | 44,32 | 660 | 11500 | 1,25 | ||
| 2,2 | 36 | 38,39 | 570 | 12100 | 1,4 | 1400 |
| 39 | 35,62 | 530 | 12300 | 1,55 | ||
| 46 | 30,22 | 450 | 12600 | 1,8 | ||
| 51 | 27,28 | 405 | 12800 | 2 | ||
| 58 | 24 | 360 | 13000 | 2,2 | ||
| 62 | 22,66 | 340 | 13000 | 2,3 | ||
| 73 | 19,3 | 1285 | 13000 | 2,6 | ||
| 80 | 17,54 | 260 | 13000 | 2,8 | ||
| 92 | 15,19 | 225 | 13000 | 3,1 | ||
| 106 | 13,22 | 197 | 13000 | 3,4 | ||
| 112 | 12,48 | 186 | 13000 | 2,8 | ||
| 132 | 10,63 | 158 | 13000 | 3,2 | ||
| 145 | 9,66 | 144 | 13000 | 3,3 | ||
| 167 | 8,37 | 125 | 13000 | 3,5 | ||
| 192 | 7,28 | 109 | 12700 | 3,9 | ||
| 32 | 44,32 | 910 | 9450 | 0,9 | ||
| 3 | 36 | 38,39 | 785 | 10600 | 1 | 1400 |
| 39 | 35,62 | 730 | 11100 | 1,15 | ||
| 46 | 30,22 | 620 | 11800 | 1,35 | ||
| 51 | 27,28 | 560 | 12100 | 1,45 | ||
| 58 | 24 | 490 | 12500 | 1,65 | ||
| 62 | 22,66 | 465 | 12600 | 1,7 | ||
| 73 | 19,3 | 395 | 12800 | 1,95 | ||
| 80 | 17,54 | 360 | 13000 | 2,1 | ||
| 92 | 15,19 | 310 | 13000 | 2,2 | ||
| 106 | 13,22 | 270 | 13000 | 2,5 | ||
| 112 | 12,48 | 255 | 13000 | 2,1 | ||
| 132 | 10,63 | 220 | 13000 | 2,3 | ||
| 145 | 9,66 | 198 | 13000 | 2,4 | ||
| 4 | 46 | 30,22 | 810 | 10400 | 1 | 1400 |
| 51 | 27,28 | 735 | 11000 | 1,1 | ||
| 58 | 24 | 645 | 11600 | 1,25 | ||
| 62 | 22,66 | 610 | 11800 | 1,3 | ||
| 73 | 19,3 | 520 | 12300 | 1,45 | ||
| 80 | 17,54 | 470 | 12500 | 1,55 | ||
| 92 | 15,19 | 410 | 12800 | 1,7 | ||
| 106 | 13,22 | 355 | 13000 | 1,9 | ||
| 112 | 12,48 | 335 | 13000 | 1,6 | ||
| 132 | 10,63 | 285 | 13000 | 1,75 | ||
| 145 | 9,66 | 260 | 13000 | 1,85 | ||
| 167 | 8,37 | 225 | 13000 | 1,95 | ||
| 192 | 7,28 | 196 | 13000 | 2,1 | ||
| 5,5 | 58 | 24 | 880 | 9720 | 0,9 | 1400 |
| 62 | 22,66 | 830 | 10200 | 0,95 | ||
| 73 | 19,3 | 710 | 11200 | 1,05 | ||
| 80 | 17,54 | 645 | 11600 | 1,15 | ||
| 92 | 15,19 | 560 | 12100 | 1,25 | ||
| 106 | 13,22 | 485 | 12500 | 1,4 | ||
| 112 | 12,48 | 460 | 12600 | 1,15 | ||
| 132 | 10,63 | 390 | 12400 | 1,3 | ||
| 145 | 9,66 | 355 | 12200 | 1,35 | ||
| 167 | 8,37 | 305 | 11900 | 1,45 | ||
| 192 | 7,28 | 265 | 11600 | 1,55 |

Каждая из моделей имеет свои собственные варианты крепления. В частности, модели К, КА крепятся посредством лап, в то время как KF, KAF посредством использования фланцев. Подобное конструктивное исполнение и определяет в последующем его монтаж и установку в структуру оборудования.

1. Модель редуктора
(К-исполнение на лапах со сквозными отверстиями и цельным валом,
KAB - исполнение лап со сквозными отверстиями и полым валом,
KA - исполнение лап с резьбовыми отверстиями и полым валом,
KF - исполнение на фланце с цельным валом,
KAF - исполнение на фланце с полым валом).
2. Габарит редуктора (37,47,57,67,77, 87, 97,107,127,157).
3. Исполнение с реактивным кронштейном.
4. Передаточное число.
5. Число оборотов выходного вала, об/мин.
6. Мощность электродвигателя, кВт.
7. Наличие электромагнитного тормоза у электродвигателя,
(Е- одинарный тормоз, ЕЕ- двойной тормоз,
Е(МШ)- одинарный малошумный тормоз,
ЕЕ(МШ)- двойной малошумный тормоз).
8.Тип фланца электродвигателя (В5;В14).
9. Монтажная позиция редуктора (M1, M2, M3, M4, M5, M6).
10. Сторона расположение выходного цельнометаллического вала и фланца (A, B, AB),
выходного полого вала со стяжной муфтой сторона (A, B).
11. Дополнительные опции.
Мотор-редукторы производства ООО “ПТЦ ”ПРИВОД” сохраняют общие стандарты широко популярных Европейских цилиндрических мотор-редукторов, которых придерживаются большинство известных производителей: NORD, SEW-EURODRIVE, MOTOVARIO, TOS-ZNOJMO, VARVEL и др. Благодаря унифицированным присоединительным размерам мотор-редукторы могут служить заменой вышедших из строя мотор-редукторов вышеуказанных фирм.
Нормальная эксплуатация коническо-цилиндрических редукторов/мотор-редукторов обеспечивается при входных оборотах не более 1500 об/мин.











| Исполнение 1 | Исполнение 2 | Исполнение 3 | Исполнение 4 | Исполнение 5 | Исполнение 6 | |
| Р, мм | 140 | 160 | 200 | 250 | 300 | 350 |
| Z5, мм | 50 | 55 | 60 | 80 | 90 | 90 |
| KM, мм | в зависимости от смонтированного двигателя | |||||
| АС, мм | в зависимости от смонтированного двигателя | |||||
| AD, мм | в зависимости от смонтированного двигателя | |||||


*Для редукторов серии К с полым валом и стяжной муфтой необходимо указать, какая сторона A или B, является стороной отбора мощности. Стяжная муфта расположена со стороны, противоположной стороне отбора мощности.
| Мощность, кВт | Частота вращения выходного вала, об/мин | Передаточное число | Крутящий момент, Нм | Допустимая радиальная нагрузка, Н | Сервис- фактор | Частота вращения эл.двигателя |
| 0,25 | 4,5 | 154,02 | 540 | 19600 | 2,9 | 690 |
| 5,1 | 135,28 | 475 | 19700 | 3,3 | ||
| 5,4 | 128,52 | 450 | 19800 | 3,4 | ||
| 6,1 | 113,56 | 400 | 19900 | 3,9 | ||
| 4,7 | 192,18 | 520 | 19700 | 2,8 | 900 | |
| 5 | 179,37 | 485 | 19700 | 3 | ||
| 5,9 | 154,02 | 420 | 19800 | 3,7 | ||
| 6,7 | 135,28 | 365 | 19900 | 4,2 | ||
| 0,37 | 5,1 | 135,28 | 705 | 19300 | 2,2 | 700 |
| 5,4 | 128,52 | 670 | 19300 | 2,3 | ||
| 6,1 | 113,56 | 590 | 19500 | 2,6 | ||
| 7,1 | 97,05 | 505 | 19700 | 3,1 | ||
| 5,9 | 154,02 | 605 | 19500 | 2,6 | 900 | |
| 6,7 | 135,28 | 530 | 19600 | 2,9 | ||
| 7 | 128,52 | 505 | 19700 | 3,1 | ||
| 7,9 | 113,56 | 445 | 19800 | 3,5 | ||
| 7,3 | 192,18 | 490 | 19700 | 3 | 1400 | |
| 7,8 | 179,37 | 460 | 19800 | 3,2 | ||
| 9,1 | 154,02 | 395 | 19900 | 3,9 | ||
| 0,55 | 5,1 | 135,28 | 1040 | 18100 | 1,5 | 700 |
| 5,4 | 128,52 | 990 | 18300 | 1,55 | ||
| 6,1 | 113,56 | 880 | 18700 | 1,75 | ||
| 7,1 | 97,05 | 750 | 19100 | 2,1 | ||
| 5,9 | 154,02 | 900 | 18700 | 1,7 | 900 | |
| 6,7 | 135,28 | 790 | 19000 | 1,95 | ||
| 7 | 128,52 | 750 | 19100 | 2,1 | ||
| 7,9 | 113,56 | 665 | 19400 | 2,3 | ||
| 9,1 | 154,02 | 595 | 19500 | 2,6 | 1400 | |
| 10,4 | 135,28 | 520 | 19700 | 3 | ||
| 10,9 | 128,52 | 495 | 19700 | 3,1 | ||
| 12,3 | 113,56 | 440 | 19800 | 3,5 | ||
| 14,4 | 97,05 | 375 | 19900 | 4,1 | ||
| 0,75 | 6,7 | 135,28 | 1080 | 18000 | 1,45 | 900 |
| 7 | 128,52 | 1020 | 18200 | 1,5 | ||
| 7,9 | 113,56 | 900 | 18700 | 1,7 | ||
| 9,3 | 97,05 | 770 | 19100 | 2 | ||
| 10,1 | 88,97 | 710 | 19200 | 2,2 | ||
| 9,1 | 154,02 | 800 | 19000 | 1,95 | 1400 | |
| 10,4 | 135,28 | 700 | 19300 | 2,2 | ||
| 10,9 | 128,52 | 665 | 19300 | 2,3 | ||
| 12,3 | 113,56 | 590 | 19500 | 2,6 | ||
| 14,4 | 97,05 | 505 | 19700 | 3,1 | ||
| 1,1 | 6,7 | 135,28 | 1540 | 15400 | 1 | 900 |
| 7 | 128,52 | 1470 | 15900 | 1,05 | ||
| 7,9 | 113,56 | 1300 | 17000 | 1,2 | ||
| 9,3 | 97,05 | 1110 | 17900 | 1,4 | ||
| 10,4 | 135,28 | 1020 | 18300 | 1,55 | 1400 | |
| 10,9 | 128,52 | 960 | 18400 | 1,6 | ||
| 12,3 | 113,56 | 850 | 18800 | 1,8 | ||
| 14,4 | 97,05 | 730 | 19200 | 2,1 | ||
| 15,7 | 88,97 | 670 | 19300 | 2,3 | ||
| 18 | 78,07 | 585 | 19500 | 2,7 | ||
| 19 | 73,99 | 555 | 19600 | 2,8 | ||
| 1,5 | 7,9 | 113,56 | 1770 | 13600 | 0,9 | 900 |
| 9,3 | 97,05 | 1510 | 15700 | 1,,05 | ||
| 10 | 88,37 | 1390 | 16400 | 1,1 | ||
| 11,5 | 78,07 | 1220 | 17400 | 1,3 | ||
| 10,4 | 135,28 | 1370 | 16500 | 1,15 | 1400 | |
| 10,9 | 128,52 | 1310 | 16900 | 1,2 | ||
| 12,3 | 113,56 | 1150 | 17700 | 1,35 | ||
| 14,4 | 97,05 | 990 | 18400 | 1,55 | ||
| 15,7 | 88,97 | 900 | 18700 | 1,7 | ||
| 18 | 78,07 | 795 | 19000 | 1,95 | ||
| 19 | 73,99 | 750 | 19100 | 2,1 | ||
| 22 | 64,75 | 660 | 19400 | 2,4 | ||
| 24 | 58,34 | 595 | 19500 | 2,6 | ||
| 27 | 51,18 | 520 | 19700 | 3 | ||
| 31 | 45,16 | 460 | 19800 | 3,4 | ||
| 35 | 40,04 | 405 | 19800 | 3,8 | ||
| 2,2 | 12,3 | 113,56 | 1690 | 14300 | 0,9 | 1400 |
| 14,4 | 97,05 | 1450 | 16100 | 1,05 | ||
| 15,7 | 88,97 | 1330 | 16800 | 1,15 | ||
| 18 | 78,07 | 1160 | 17600 | 1,35 | ||
| 19 | 73,99 | 1100 | 17900 | 1,4 | ||
| 22 | 64,75 | 960 | 18400 | 1,6 | ||
| 24 | 58,34 | 870 | 18800 | 1,8 | ||
| 27 | 51,18 | 765 | 19100 | 2 | ||
| 31 | 45,16 | 685 | 19300 | 2,3 | ||
| 35 | 40,04 | 595 | 19500 | 2,6 | ||
| 40 | 35,2 | 525 | 19700 | 3 | ||
| 45 | 30,89 | 460 | 19800 | 3,4 | ||
| 48 | 29,27 | 435 | 19800 | 3,6 | ||
| 55 | 25,62 | 380 | 19900 | 4,1 | ||
| 3 | 15,7 | 88,97 | 1820 | 13100 | 0,85 | 1400 |
| 18 | 78,07 | 1600 | 15000 | 0,95 | ||
| 19 | 73,99 | 1510 | 15600 | 1 | ||
| 22 | 64,75 | 1330 | 16800 | 1,15 | ||
| 24 | 58,34 | 1190 | 17500 | 1,3 | ||
| 27 | 51,18 | 1050 | 18100 | 1,5 | ||
| 31 | 45,16 | 920 | 18600 | 1,7 | ||
| 35 | 40,04 | 820 | 18900 | 1,9 | ||
| 40 | 35,2 | 720 | 19200 | 2,2 | ||
| 45 | 30,89 | 630 | 19400 | 2,5 | ||
| 4 | 22 | 64,75 | 1740 | 13900 | 0,9 | 1400 |
| 24 | 58,34 | 1570 | 15200 | 1 | ||
| 27 | 51,18 | 1380 | 16500 | 1,15 | ||
| 31 | 45,16 | 1210 | 17400 | 1,3 | ||
| 35 | 40,04 | 1080 | 18000 | 1,45 | ||
| 40 | 35,2 | 1030 | 18200 | 1,45 | ||
| 37 | 38,39 | 950 | 18500 | 1,65 | ||
| 4 | 45 | 30,89 | 830 | 18900 | 1,85 | 1400 |
| 48 | 29,27 | 785 | 19000 | 1,95 | ||
| 55 | 25,62 | 690 | 19300 | 2,2 | ||
| 61 | 23,08 | 620 | 19500 | 2,5 | ||
| 69 | 20,25 | 545 | 19600 | 2,8 | ||
| 5,5 | 31 | 45,16 | 1660 | 14600 | 0,95 | 1400 |
| 35 | 40,04 | 1470 | 15900 | 1,05 | ||
| 45 | 30,89 | 1130 | 17800 | 1,35 | ||
| 48 | 29,27 | 1070 | 18000 | 1,45 | ||
| 55 | 25,62 | 940 | 18500 | 1,65 | ||
| 61 | 23,08 | 850 | 18800 | 1,85 | ||
| 69 | 20,25 | 745 | 19100 | 2 | ||
| 78 | 17,87 | 655 | 19400 | 2,2 | ||
| 88 | 15,84 | 580 | 19200 | 2,4 | ||
| 104 | 13,52 | 495 | 18600 | 2,7 | ||
| 113 | 12,36 | 455 | 17900 | 2,2 | ||
| 129 | 10,84 | 400 | 17400 | 2,5 | ||
| 7,5 | 45 | 30,89 | 1550 | 15400 | 1 | 1400 |
| 48 | 29,27 | 1470 | 16000 | 1,05 | ||
| 55 | 25,62 | 1280 | 17000 | 1,2 | ||
| 61 | 23,08 | 1160 | 17700 | 1,35 | ||
| 69 | 20,25 | 1010 | 18300 | 1,5 | ||
| 78 | 17,87 | 890 | 18600 | 1,6 | ||
| 88 | 15,84 | 795 | 18200 | 1,75 | ||
| 104 | 13,52 | 675 | 17800 | 2 | ||
| 113 | 12,36 | 620 | 17000 | 1,6 | ||
| 129 | 10,84 | 545 | 16700 | 1,8 | ||
| 147 | 9,56 | 480 | 16300 | 1,95 | ||
| 165 | 8,48 | 425 | 15900 | 2,1 | ||
| 194 | 7,24 | 365 | 15400 | 2,3 | ||
| 11 | 61 | 23,08 | 1680 | 14400 | 0,9 | 1400 |
| 69 | 20,25 | 1480 | 15900 | 1 | ||
| 78 | 17,87 | 1300 | 16600 | 1,1 | ||
| 88 | 15,84 | 1160 | 16500 | 1,2 | ||
| 104 | 13,52 | 990 | 16300 | 1,35 | ||
| 113 | 12,36 | 900 | 15500 | 1,1 | ||
| 129 | 10,84 | 790 | 15300 | 1,25 | ||
| 147 | 9,56 | 700 | 15100 | 1,35 | ||
| 165 | 8,48 | 620 | 14800 | 1,45 | ||
| 194 | 7,24 | 530 | 14500 | 1,55 |

Каждая из моделей имеет свои собственные варианты крепления. В частности, модели К, КА крепятся посредством лап, в то время как KF, KAF посредством использования фланцев. Подобное конструктивное исполнение и определяет в последующем его монтаж и установку в структуру оборудования.

1. Модель редуктора
(К-исполнение на лапах со сквозными отверстиями и цельным валом,
KAB - исполнение лап со сквозными отверстиями и полым валом,
KA - исполнение лап с резьбовыми отверстиями и полым валом,
KF - исполнение на фланце с цельным валом,
KAF - исполнение на фланце с полым валом).
2. Габарит редуктора (37,47,57,67,77, 87, 97,107,127,157).
3. Исполнение с реактивным кронштейном.
4. Передаточное число.
5. Число оборотов выходного вала, об/мин.
6. Мощность электродвигателя, кВт.
7. Наличие электромагнитного тормоза у электродвигателя,
(Е- одинарный тормоз, ЕЕ- двойной тормоз,
Е(МШ)- одинарный малошумный тормоз,
ЕЕ(МШ)- двойной малошумный тормоз).
8.Тип фланца электродвигателя (В5;В14).
9. Монтажная позиция редуктора (M1, M2, M3, M4, M5, M6).
10. Сторона расположение выходного цельнометаллического вала и фланца (A, B, AB),
выходного полого вала со стяжной муфтой сторона (A, B).
11. Дополнительные опции.
Мотор-редукторы производства ООО “ПТЦ ”ПРИВОД” сохраняют общие стандарты широко популярных Европейских цилиндрических мотор-редукторов, которых придерживаются большинство известных производителей: NORD, SEW-EURODRIVE, MOTOVARIO, TOS-ZNOJMO, VARVEL и др. Благодаря унифицированным присоединительным размерам мотор-редукторы могут служить заменой вышедших из строя мотор-редукторов вышеуказанных фирм.
Нормальная эксплуатация коническо-цилиндрических редукторов/мотор-редукторов обеспечивается при входных оборотах не более 1500 об/мин.











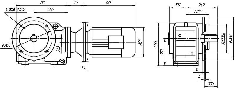
| Исполнение 1 | Исполнение 2 | Исполнение 3 | Исполнение 4 | Исполнение 5 | |
| Р, мм | 200 | 250 | 300 | 350 | - |
| Z5, мм | 70 | 80 | 90 | 125 | - |
| KM, мм | в зависимости от смонтированного двигателя | ||||
| АС, мм | в зависимости от смонтированного двигателя | ||||
| AD, мм | в зависимости от смонтированного двигателя | ||||


*Для редукторов серии К с полым валом и стяжной муфтой необходимо указать, какая сторона A или B, является стороной отбора мощности. Стяжная муфта расположена со стороны, противоположной стороне отбора мощности.
| Мощность, кВт | Частота вращения выходного вала, об/мин | Передаточное число | Крутящий момент, Нм | Допустимая радиальная нагрузка, Н | Сервис- фактор | Частота вращения эл.двигателя |
| 0,37 | 4 | 174,19 | 910 | 28800 | 3 | 700 |
| 4,3 | 164,34 | 850 | 28900 | 3,2 | ||
| 4,8 | 147,32 | 765 | 28900 | 3,5 | ||
| 4,6 | 197,37 | 775 | 28900 | 3,5 | 900 | |
| 5,2 | 174,19 | 685 | 28900 | 4 | ||
| 0,55 | 4 | 174,19 | 1350 | 28600 | 2 | 700 |
| 4,3 | 164,34 | 1270 | 28600 | 2,1 | ||
| 4,8 | 147,32 | 1140 | 28700 | 2,4 | ||
| 4,6 | 197,37 | 1150 | 28700 | 2,3 | 900 | |
| 5,2 | 174,19 | 1020 | 28800 | 2,7 | ||
| 5,5 | 164,34 | 960 | 28800 | 2,8 | ||
| 6,1 | 147,32 | 860 | 28900 | 3,1 | ||
| 0,75 | 4,8 | 147,32 | 1530 | 28500 | 1,75 | 700 |
| 5,5 | 126,91 | 1320 | 28600 | 2 | ||
| 6 | 115,82 | 1200 | 28700 | 2,2 | ||
| 6,8 | 102,71 | 1070 | 28700 | 2,5 | ||
| 5,2 | 174,19 | 1390 | 28600 | 1,95 | 900 | |
| 5,5 | 164,34 | 1310 | 28600 | 2,1 | ||
| 6,1 | 147,32 | 1170 | 28700 | 2,3 | ||
| 7,1 | 126,91 | 1010 | 28800 | 2,7 | ||
| 7,1 | 197,37 | 1020 | 28800 | 2,6 | 1400 | |
| 8 | 174,19 | 900 | 28800 | 3 | ||
| 8,5 | 164,34 | 850 | 28900 | 3,2 | ||
| 9,5 | 147,32 | 765 | 28900 | 3,5 | ||
| 1,1 | 5,2 | 174,19 | 1990 | 28100 | 1,35 | 900 |
| 5,5 | 164,34 | 1880 | 28200 | 1,45 | ||
| 6,1 | 147,32 | 1680 | 28300 | 1,6 | ||
| 7,1 | 126,91 | 1450 | 28500 | 1,85 | ||
| 8 | 174,19 | 1310 | 28600 | 2,1 | 1400 | |
| 8,5 | 164,34 | 1230 | 28700 | 2,2 | ||
| 9,5 | 147,32 | 1110 | 28700 | 2,4 | ||
| 11 | 126,91 | 950 | 28800 | 2,8 | ||
| 12,1 | 115,82 | 870 | 28800 | 3,1 | ||
| 1,5 | 6,1 | 147,32 | 2290 | 27800 | 1,2 | 900 |
| 7,1 | 126,91 | 1980 | 28100 | 1,35 | ||
| 7,8 | 115,82 | 1800 | 28200 | 1,5 | ||
| 8,8 | 102,71 | 1600 | 28400 | 1,7 | ||
| 8 | 174,19 | 1770 | 28300 | 1,55 | 1400 | |
| 8,5 | 164,34 | 1670 | 28300 | 1,6 | ||
| 9,5 | 147,32 | 1500 | 28500 | 1,8 | ||
| 11 | 126,91 | 1290 | 28600 | 2,1 | ||
| 12,1 | 115,82 | 1180 | 28700 | 2,3 | ||
| 13,6 | 102,71 | 1040 | 28800 | 2,6 | ||
| 16,2 | 86,34 | 880 | 28800 | 3,1 | ||
| 2,2 | 9,5 | 147,32 | 2200 | 27900 | 1,25 | 1400 |
| 11 | 126,91 | 1890 | 28200 | 1,45 | ||
| 12,1 | 115,82 | 1730 | 28300 | 1,55 | ||
| 13,6 | 102,71 | 1530 | 28500 | 1,75 | ||
| 16,2 | 86,34 | 1290 | 28600 | 2,1 | ||
| 17,6 | 79,34 | 1180 | 28700 | 2,3 | ||
| 20 | 70,46 | 1050 | 28800 | 2,6 | ||
| 22 | 63 | 940 | 28800 | 2,9 | ||
| 9,5 | 147,32 | 3010 | 26900 | 0,9 | ||
| 11 | 126,91 | 2600 | 27400 | 1,05 | ||
| 12,1 | 115,82 | 2370 | 27700 | 1,15 | ||
| 13,6 | 102,71 | 2100 | 28000 | 1,3 | ||
| 3 | 16,2 | 86,34 | 1770 | 28300 | 1,55 | 1400 |
| 17,6 | 79,34 | 1620 | 28400 | 1,65 | ||
| 20 | 70,46 | 1440 | 28500 | 1,85 | ||
| 22 | 63 | 1290 | 28600 | 2,1 | ||
| 25 | 56,64 | 1160 | 28700 | 2,3 | ||
| 28 | 49,16 | 1010 | 28800 | 2,7 | ||
| 32 | 44,02 | 900 | 28800 | 2,9 | ||
| 38 | 36,52 | 745 | 28400 | 3,3 | ||
| 12,1 | 115,82 | 3120 | 26700 | 0,85 | ||
| 13,6 | 102,71 | 2760 | 27200 | 1 | ||
| 16,2 | 86,34 | 2320 | 27700 | 1,15 | ||
| 17,6 | 79,34 | 2130 | 27900 | 1,25 | ||
| 20 | 70,46 | 1900 | 28200 | 1,4 | ||
| 4 | 22 | 63 | 1690 | 28300 | 1,6 | 1400 |
| 25 | 56,64 | 1520 | 28500 | 1,75 | ||
| 28 | 49,16 | 1320 | 28600 | 2 | ||
| 32 | 44,02 | 1180 | 28300 | 2,2 | ||
| 38 | 36,52 | 980 | 27300 | 2,5 | ||
| 16,2 | 86,34 | 3170 | 26600 | 0,85 | ||
| 5,5 | 17,6 | 79,34 | 2910 | 27000 | 0,95 | 1400 |
| 20 | 70,46 | 2590 | 27400 | 1,05 | ||
| 22 | 63 | 2310 | 27500 | 1,15 | ||
| 25 | 56,64 | 2080 | 27300 | 1,3 | ||
| 28 | 49,16 | 1810 | 26900 | 1,5 | ||
| 32 | 44,02 | 1620 | 26500 | 1,6 | ||
| 38 | 36,52 | 1340 | 25800 | 1,85 | ||
| 45 | 31,39 | 1150 | 25200 | 2,3 | ||
| 50 | 27,88 | 1020 | 24700 | 2,5 | ||
| 22 | 63 | 3160 | 24100 | 0,85 | ||
| 7,5 | 25 | 56,64 | 2840 | 24200 | 0,95 | 1400 |
| 28 | 49,16 | 2460 | 24200 | 1,1 | ||
| 32 | 44,02 | 2200 | 24200 | 1,2 | ||
| 38 | 36,52 | 1830 | 23900 | 1,35 | ||
| 45 | 31,39 | 1570 | 23500 | 1,7 | ||
| 50 | 27,88 | 1400 | 23200 | 1,85 | ||
| 56 | 24,92 | 1250 | 22800 | 2 | ||
| 7,5 | 63 | 22,41 | 1120 | 22500 | 2 | 1400 |
| 72 | 19,45 | 970 | 21900 | 2,4 | ||
| 81 | 17,42 | 870 | 21500 | 2,5 | ||
| 88 | 16 | 800 | 20600 | 2,2 | ||
| 97 | 14,45 | 725 | 20700 | 2,9 | ||
| 11 | 32 | 44,02 | 3210 | 20000 | 0,8 | 1400 |
| 38 | 36,52 | 2660 | 20400 | 0,95 | ||
| 45 | 31,39 | 2290 | 20600 | 1,2 | ||
| 50 | 27,88 | 2030 | 20600 | 1,3 | ||
| 56 | 24,92 | 1820 | 20500 | 1,4 | ||
| 63 | 22,41 | 1630 | 20300 | 1,4 | ||
| 72 | 19,45 | 1420 | 20100 | 1,6 | ||
| 81 | 17,42 | 1270 | 19800 | 1,75 | ||
| 88 | 16 | 1170 | 18800 | 1,55 | ||
| 97 | 14,45 | 1050 | 19400 | 2 | ||
| 112 | 12,56 | 920 | 18900 | 2,2 | ||
| 126 | 11,17 | 810 | 18000 | 1,85 | ||
| 140 | 10 | 730 | 17700 | 2,1 | ||
| 169 | 8,29 | 605 | 17100 | 2,3 | ||
| 194 | 7,21 | 525 | 16700 | 2,5 | ||
| 15 | 45 | 31,39 | 3080 | 17300 | 0,9 | 1400 |
| 50 | 2788 | 2730 | 17600 | 0,95 | ||
| 56 | 24,92 | 2440 | 17800 | 1 | ||
| 63 | 22,41 | 2200 | 18000 | 1,05 | ||
| 72 | 19,45 | 1910 | 18000 | 1,2 | ||
| 81 | 17,42 | 1710 | 18000 | 1,3 | ||
| 88 | 16 | 1570 | 16800 | 1,15 | ||
| 97 | 14,45 | 1420 | 17800 | 1,5 | ||
| 112 | 12,56 | 1230 | 17600 | 1,6 | ||
| 126 | 11,17 | 1100 | 16600 | 1,35 | ||
| 140 | 10 | 980 | 16400 | 1,55 | ||
| 169 | 8,29 | 810 | 16000 | 1,7 | ||
| 194 | 7,21 | 705 | 15700 | 1,85 | ||
| 18,5 | 56 | 24,92 | 3000 | 15600 | 0,85 | 1400 |
| 63 | 22,41 | 2700 | 15900 | 0,85 | ||
| 72 | 19,45 | 2340 | 16200 | 1 | ||
| 81 | 17,42 | 2100 | 16400 | 1,05 | ||
| 97 | 14,45 | 1740 | 16500 | 1,2 | ||
| 112 | 12,56 | 1510 | 16400 | 1,3 | ||
| 126 | 1117 | 1350 | 15400 | 1,1 | ||
| 140 | 10 | 1210 | 15300 | 1,25 | ||
| 169 | 8,29 | 1000 | 15100 | 1,4 | ||
| 194 | 7,21 | 870 | 14900 | 1,5 | ||
| 22 | 72 | 19,45 | 2790 | 14400 | 0,8 | 1400 |
| 81 | 17,42 | 2500 | 14800 | 0,9 | ||
| 97 | 14,45 | 2070 | 15100 | 1 | ||
| 112 | 12,56 | 1800 | 15300 | 1,1 | ||
| 126 | 11,17 | 1600 | 14200 | 0,95 | ||
| 140 | 10 | 1430 | 14200 | 1,05 | ||
| 169 | 8,29 | 1190 | 14300 | 1,2 | ||
| 194 | 7,21 | 1030 | 14200 | 1,25 |


1. Модель редуктора
(К-исполнение на лапах со сквозными отверстиями и цельным валом,
KAB - исполнение лап со сквозными отверстиями и полым валом,
KA - исполнение лап с резьбовыми отверстиями и полым валом,
KF - исполнение на фланце с цельным валом,
KAF - исполнение на фланце с полым валом).
2. Габарит редуктора (37,47,57,67,77, 87, 97,107,127,157).
3. Исполнение с реактивным кронштейном.
4. Передаточное число.
5. Число оборотов выходного вала, об/мин.
6. Мощность электродвигателя, кВт.
7. Наличие электромагнитного тормоза у электродвигателя,
(Е- одинарный тормоз, ЕЕ- двойной тормоз,
Е(МШ)- одинарный малошумный тормоз,
ЕЕ(МШ)- двойной малошумный тормоз).
8.Тип фланца электродвигателя (В5;В14).
9. Монтажная позиция редуктора (M1, M2, M3, M4, M5, M6).
10. Сторона расположение выходного цельнометаллического вала и фланца (A, B, AB),
выходного полого вала со стяжной муфтой сторона (A, B).
11. Дополнительные опции.
Мотор-редукторы производства ООО “ПТЦ ”ПРИВОД” сохраняют общие стандарты широко популярных Европейских цилиндрических мотор-редукторов, которых придерживаются большинство известных производителей: NORD, SEW-EURODRIVE, MOTOVARIO, TOS-ZNOJMO, VARVEL и др. Благодаря унифицированным присоединительным размерам мотор-редукторы могут служить заменой вышедших из строя мотор-редукторов вышеуказанных фирм.
Нормальная эксплуатация коническо-цилиндрических редукторов/мотор-редукторов обеспечивается при входных оборотах не более 1500 об/мин.











| Исполнение 1 | Исполнение 2 | Исполнение 3 | Исполнение 4 | Исполнение 5 | |
| Р, мм | 140 | 160 | 200 | 250 | - |
| Z5, мм | 50 | 55 | 60 | 80 | - |
| KM, мм | в зависимости от смонтированного двигателя | ||||
| АС, мм | в зависимости от смонтированного двигателя | ||||
| AD, мм | в зависимости от смонтированного двигателя | ||||


*Для редукторов серии К с полым валом и стяжной муфтой необходимо указать, какая сторона A или B, является стороной отбора мощности. Стяжная муфта расположена со стороны, противоположной стороне отбора мощности.
| Мощность, кВт | Частота вращения выходного вала, об/мин |
Передаточное число | Крутящий момент, Нм | Допустимая радиальная нагрузка, Н | Сервис- фактор | Частота вращения эл.двигателя | ||
| 0,75 | 3,9 | 176,05 | 1830 | 40000 | 2,3 | 700 | ||
| 4,5 | 153,21 | 1590 | 40000 | 2,7 | ||||
| 4,9 | 140,28 | 1460 | 40000 | 3 | ||||
| 1,1 | 3,9 | 176,05 | 2720 | 40000 | 1,6 | |||
| 4,5 | 153,21 | 2370 | 40000 | 1,8 | ||||
| 4,9 | 140,28 | 2170 | 40000 | 2 | ||||
| 5,6 | 123,93 | 1910 | 40000 | 2,2 | ||||
| 5,1 | 176,05 | 2010 | 40000 | 2,1 | 900 | |||
| 5,9 | 153,21 | 1750 | 40000 | 2,5 | ||||
| 6,4 | 140,28 | 1600 | 40000 | 2,7 | ||||
| 7,3 | 123,93 | 1420 | 40000 | 3 | ||||
| 8 | 176,05 | 1320 | 40000 | 3,3 | 1400 | |||
| 9,1 | 153,21 | 1150 | 40000 | 3,7 | ||||
| 10 | 140,28 | 1050 | 40000 | 4,1 | ||||
| 1,5 | 4,5 | 153,21 | 3140 | 40000 | 1,35 | 700 | ||
| 4,9 | 140,28 | 2870 | 40000 | 1,5 | ||||
| 5,6 | 123,93 | 2540 | 40000 | 1,7 | ||||
| 5,1 | 176,05 | 2740 | 40000 | 1,55 | 900 | |||
| 5,9 | 153,21 | 2390 | 40000 | 1,8 | ||||
| 6,4 | 140,28 | 2180 | 40000 | 1,95 | ||||
| 7,3 | 123,93 | 1930 | 40000 | 2,2 | ||||
| 8 | 176,05 | 1790 | 40000 | 2,4 | 1400 | |||
| 9,1 | 153,21 | 1560 | 40000 | 2,8 | ||||
| 10 | 140,28 | 1430 | 40000 | 3 | ||||
| 11,3 | 123,93 | 1260 | 40000 | 3,4 | ||||
| 2,2 | 5,9 | 153,21 | 3420 | 40000 | 1,25 | 900 | ||
| 6,4 | 140,28 | 3140 | 40000 | 1,35 | ||||
| 7,3 | 123,93 | 2770 | 40000 | 1,55 | ||||
| 8,6 | 105,13 | 2350 | 40000 | 1,85 | ||||
| 8 | 176,05 | 2620 | 40000 | 1,65 | 1400 | |||
| 9,1 | 153,21 | 2280 | 40000 | 1,9 | ||||
| 10 | 140,28 | 2090 | 40000 | 2,1 | ||||
| 11,3 | 123,93 | 1850 | 40000 | 2,3 | ||||
| 13,3 | 105,13 | 1570 | 40000 | 2,8 | ||||
| 14,5 | 96,8 | 1440 | 40000 | 3 | ||||
| 3 | 7,3 | 123,93 | 3780 | 40000 | 1,15 | 900 | ||
| 8,6 | 105,13 | 3200 | 40000 | 1,35 | ||||
| 9,3 | 96,8 | 2950 | 40000 | 1,45 | ||||
| 10,4 | 86,52 | 2640 | 40000 | 1,65 | ||||
| 8 | 176,05 | 3600 | 40000 | 1,2 | 1400 | |||
| 9,1 | 153,21 | 3140 | 40000 | 1,35 | ||||
| 10 | 140,28 | 2870 | 40000 | 1,5 | ||||
| 11,3 | 123,93 | 2540 | 40000 | 1,7 | ||||
| 13,3 | 105,13 | 2150 | 40000 | 2 | ||||
| 14,5 | 96,8 | 1980 | 40000 | 2,2 | ||||
| 16,2 | 86,52 | 1770 | 40000 | 2,4 | ||||
| 18 | 77,89 | 1590 | 40000 | 2,7 | ||||
| 20 | 70,5 | 1440 | 40000 | 3 | ||||
| 22 | 62,55 | 1280 | 40000 | 3,4 | ||||
| 25 | 56,55 | 1160 | 40000 | 3,7 | ||||
| 4 | 9,1 | 153,21 | 4120 | 40000 | 1,05 | 1400 | ||
| 10 | 140,28 | 3770 | 40000 | 1,15 | ||||
| 11,3 | 123,93 | 3330 | 40000 | 1,3 | ||||
| 13,3 | 105,13 | 2830 | 40000 | 1,5 | ||||
| 14,5 | 96,8 | 2600 | 40000 | 1,65 | ||||
| 16,2 | 86,52 | 2330 | 40000 | 1,85 | ||||
| 18 | 77,89 | 2100 | 40000 | 2 | ||||
| 20 | 70,54 | 1900 | 40000 | 2,3 | ||||
| 5,5 | 11,3 | 123,93 | 4550 | 40000 | 0,95 | 1400 | ||
| 13,3 | 105,13 | 3860 | 40000 | 1,1 | ||||
| 14,5 | 96,8 | 3560 | 40000 | 1,2 | ||||
| 16,2 | 86,52 | 3180 | 40000 | 1,35 | ||||
| 18 | 77,89 | 2860 | 40000 | 1,5 | ||||
| 20 | 70,54 | 2590 | 40000 | 1,65 | ||||
| 22 | 62,55 | 2300 | 40000 | 1,85 | ||||
| 25 | 56,55 | 2080 | 40000 | 2,1 | ||||
| 29 | 47,93 | 1760 | 40000 | 2,4 | ||||
| 7,5 | 14,5 | 96,8 | 4850 | 38300 | 0,9 | 1400 | ||
| 16,2 | 86,52 | 4330 | 38300 | 1 | ||||
| 18 | 77,89 | 3900 | 38100 | 1,1 | ||||
| 20 | 70,54 | 3530 | 37900 | 1,2 | ||||
| 22 | 62,55 | 3130 | 37500 | 1,35 | ||||
| 25 | 56,55 | 2830 | 37100 | 1,5 | ||||
| 29 | 47,93 | 2400 | 36400 | 1,8 | ||||
| 33 | 41,87 | 2100 | 35600 | 2 | ||||
| 37 | 38,3 | 1920 | 35100 | 2,2 | ||||
| 41 | 34,23 | 1710 | 34400 | 2,5 | ||||
| 11 | 20 | 70,54 | 5150 | 32200 | 0,85 | 1400 | ||
| 22 | 62,55 | 4560 | 32500 | |||||
| 25 | 56,55 | 4130 | 32500 | 1,05 | ||||
| 29 | 47,93 | 3500 | 32500 | 1,25 | ||||
| 33 | 41,87 | 3050 | 32200 | 1,4 | ||||
| 37 | 38,3 | 2790 | 32000 | 1,55 | ||||
| 11 | 41 | 34,23 | 2500 | 31600 | 1,7 | 1400 | ||
| 46 | 30,82 | 2250 | 31300 | 1,9 | ||||
| 51 | 27,91 | 2040 | 30800 | 2,1 | ||||
| 57 | 24,75 | 1800 | 30300 | 2,4 | ||||
| 63 | 22,37 | 1630 | 29800 | 2,6 | ||||
| 15 | 29 | 47,93 | 4700 | 28100 | 0,9 | 1400 | ||
| 33 | 41,87 | 4110 | 28400 | 1,05 | ||||
| 37 | 38,3 | 3760 | 28500 | 1,15 | ||||
| 41 | 34,23 | 3360 | 28500 | 1,3 | ||||
| 46 | 30,82 | 3020 | 28400 | 1,4 | ||||
| 51 | 27,91 | 2740 | 28300 | 1,55 | ||||
| 57 | 24,75 | 2430 | 28000 | 1,75 | ||||
| 63 | 22,37 | 2190 | 27700 | 1,95 | ||||
| 74 | 18,96 | 1860 | 27200 | 2,3 | ||||
| 90 | 16,56 | 1620 | 26600 | 2,7 | ||||
| 18,5 | 33 | 41,87 | 5050 | 25100 | 0,85 | 1400 | ||
| 46 | 30,82 | 3720 | 26000 | 1,15 | ||||
| 51 | 27,91 | 3360 | 26000 | 1,3 | ||||
| 57 | 24,75 | 2980 | 26000 | 1,45 | ||||
| 63 | 22,37 | 2700 | 25900 | 1,6 | ||||
| 74 | 18,96 | 2290 | 25700 | 1,9 | ||||
| 90 | 16,56 | 2000 | 25300 | 2,2 | ||||
| 101 | 13,85 | 1670 | 24800 | 2,6 | ||||
| 117 | 11,99 | 1450 | 24300 | 2,7 | ||||
| 22 | 46 | 30,82 | 4420 | 23500 | 0,95 | 1400 | ||
| 51 | 27,91 | 4000 | 23800 | 1,05 | ||||
| 57 | 24,75 | 3550 | 24100 | 1,2 | ||||
| 63 | 22,37 | 3210 | 24200 | 1,35 | ||||
| 74 | 18,96 | 2720 | 24100 | 1,6 | ||||
| 90 | 16,56 | 2370 | 24000 | 1,8 | ||||
| 101 | 13,85 | 1990 | 23700 | 2,2 | ||||
| 117 | 11,99 | 1720 | 23300 | 2,3 | ||||
| 135 | 10,41 | 1490 | 21800 | 1,9 | ||||
| 161 | 8,71 | 1250 | 21300 | 2,1 | ||||
| 30 | 57 | 24,75 | 4820 | 19600 | 0,9 | 1400 | ||
| 63 | 22,37 | 4360 | 20100 | 1 | ||||
| 74 | 18,96 | 3690 | 20700 | 1,15 | ||||
| 90 | 16,56 | 3230 | 21000 | 1,35 | ||||
| 101 | 13,85 | 2700 | 21200 | 1,6 | ||||
| 117 | 11,99 | 2340 | 21100 | 1,65 | ||||
| 135 | 10,41 | 2030 | 19500 | 1,4 | ||||
| 161 | 8,71 | 1700 | 19400 | 1,55 | ||||

Каждая из моделей имеет свои собственные варианты крепления. В частности, модели К, КА крепятся посредством лап, в то время как KF, KAF посредством использования фланцев. Подобное конструктивное исполнение и определяет в последующем его монтаж и установку в структуру оборудования.

1. Модель редуктора
(К-исполнение на лапах со сквозными отверстиями и цельным валом,
KAB - исполнение лап со сквозными отверстиями и полым валом,
KA - исполнение лап с резьбовыми отверстиями и полым валом,
KF - исполнение на фланце с цельным валом,
KAF - исполнение на фланце с полым валом).
2. Габарит редуктора (37,47,57,67,77, 87, 97,107,127,157).
3. Исполнение с реактивным кронштейном.
4. Передаточное число.
5. Число оборотов выходного вала, об/мин.
6. Мощность электродвигателя, кВт.
7. Наличие электромагнитного тормоза у электродвигателя,
(Е- одинарный тормоз, ЕЕ- двойной тормоз,
Е(МШ)- одинарный малошумный тормоз,
ЕЕ(МШ)- двойной малошумный тормоз).
8.Тип фланца электродвигателя (В5;В14).
9. Монтажная позиция редуктора (M1, M2, M3, M4, M5, M6).
10. Сторона расположение выходного цельнометаллического вала и фланца (A, B, AB),
выходного полого вала со стяжной муфтой сторона (A, B).
11. Дополнительные опции.
Мотор-редукторы производства ООО “ПТЦ ”ПРИВОД” сохраняют общие стандарты широко популярных Европейских цилиндрических мотор-редукторов, которых придерживаются большинство известных производителей: NORD, SEW-EURODRIVE, MOTOVARIO, TOS-ZNOJMO, VARVEL и др. Благодаря унифицированным присоединительным размерам мотор-редукторы могут служить заменой вышедших из строя мотор-редукторов вышеуказанных фирм.
Нормальная эксплуатация коническо-цилиндрических редукторов/мотор-редукторов обеспечивается при входных оборотах не более 1500 об/мин.











| Исполнение 1 | Исполнение 2 | Исполнение 3 | Исполнение 4 | Исполнение 5 | |
| Р, мм | 250 | 300 | 350 | 400 | 450 |
| Z5, мм | 80 | 90 | 125 | 145 | 160 |
| KM, мм | в зависимости от смонтированного двигателя | ||||
| АС, мм | в зависимости от смонтированного двигателя | ||||
| AD, мм | в зависимости от смонтированного двигателя | ||||


*Для редукторов серии К с полым валом и стяжной муфтой необходимо указать, какая сторона A или B, является стороной отбора мощности. Стяжная муфта расположена со стороны, противоположной стороне отбора мощности.
| Мощность, кВт | Частота вращения выходного вала, об/мин | Передаточное число | Крутящий момент, Нм | Допустимая радиальная нагрузка, Н | Сервис- фактор | Частота вращения эл.двигателя |
| 1,5 | 4,8 | 143,47 | 2940 | 65000 | 2,7 | 700 |
| 5,7 | 121,46 | 2490 | 65000 | 3,2 | ||
| 6,1 | 112,41 | 2300 | 65000 | 3,5 | ||
| 2,2 | 4,8 | 143,47 | 4310 | 65000 | 1,85 | |
| 5,7 | 121,46 | 3650 | 65000 | 2,2 | ||
| 6,1 | 112,41 | 3370 | 65000 | 2,4 | ||
| 6,9 | 100,75 | 3020 | 65000 | 2,7 | ||
| 3 | 4,8 | 143,47 | 5710 | 65000 | 1,4 | |
| 5,7 | 121,46 | 4830 | 65000 | 1,65 | ||
| 6,1 | 112,41 | 4470 | 65000 | 1,8 | ||
| 6,9 | 100,75 | 4010 | 65000 | 2 | ||
| 7,6 | 90,96 | 3620 | 65000 | 2,2 | ||
| 6,3 | 143,47 | 4370 | 65000 | 1,85 | 900 | |
| 7,4 | 121,46 | 3700 | 65000 | 2,2 | ||
| 8 | 112,41 | 3430 | 65000 | 2,3 | ||
| 8,9 | 100,75 | 3070 | 65000 | 2,6 | ||
| 9,8 | 143,47 | 2940 | 65000 | 2,7 | 400 | |
| 11,5 | 121,46 | 2490 | 65000 | 3,2 | ||
| 4 | 6,1 | 112,41 | 5960 | 65000 | 1,35 | 700 |
| 6,9 | 100,75 | 5340 | 65000 | 1,5 | ||
| 7,6 | 90,96 | 4830 | 65000 | 1,65 | ||
| 8,4 | 82,61 | 4380 | 65000 | 1,85 | ||
| 6,3 | 143,47 | 5710 | 65000 | 1,4 | 900 | |
| 7,4 | 121,46 | 4830 | 65000 | 1,65 | ||
| 8 | 112,41 | 4470 | 65000 | 1,8 | ||
| 8,9 | 100,75 | 4010 | 65000 | 2 | ||
| 9,9 | 90,96 | 3620 | 65000 | 2,2 | ||
| 9,8 | 143,47 | 3860 | 65000 | 2,1 | 1400 | |
| 11,5 | 121,46 | 3270 | 65000 | 2,5 | ||
| 12,5 | 112,41 | 3020 | 65000 | 2,7 | ||
| 14 | 100,75 | 2710 | 65000 | 3 | ||
| 15,4 | 90,96 | 2450 | 65000 | 3,3 | ||
| 17 | 82,61 | 2220 | 65000 | 3,6 | ||
| 5,5 | 19 | 73,3 | 1970 | 65000 | 4,1 | |
| 8 | 112,41 | 6150 | 65000 | 1,3 | 900 | |
| 8,9 | 100,75 | 5510 | 65000 | 1,45 | ||
| 9,9 | 90,96 | 4980 | 65000 | 1,6 | ||
| 11 | 82,61 | 4520 | 65000 | 1,75 | ||
| 9,8 | 143,47 | 5270 | 65000 | 1,5 | 1400 | |
| 11,5 | 121,46 | 4460 | 65000 | 1,8 | ||
| 12,5 | 112,41 | 4130 | 65000 | 1,95 | ||
| 14 | 100,75 | 3700 | 65000 | 2,2 | ||
| 15,4 | 90,96 | 3340 | 65000 | 2,4 | ||
| 17 | 82,61 | 3030 | 65000 | 2,6 | ||
| 7,5 | 9,8 | 143,47 | 7190 | 65000 | 1,1 | 1400 |
| 11,5 | 121,46 | 6080 | 65000 | 1,3 | ||
| 12,5 | 112,41 | 5630 | 65000 | 1,4 | ||
| 14 | 100,75 | 5050 | 65000 | 1,6 | ||
| 15,4 | 90,96 | 4560 | 64200 | 1,75 | ||
| 17 | 82,61 | 4140 | 63200 | 1,95 | ||
| 19 | 73,3 | 3670 | 61900 | 2,2 | ||
| 21 | 66,52 | 3330 | 60900 | 2,4 | ||
| 25 | 57,17 | 2860 | 59000 | 2,8 | ||
| 28 | 49,9 | 2500 | 57500 | 3,1 | ||
| 33 | 42,33 | 2120 | 55500 | 3,5 | ||
| 38 | 37 | 1850 | 53800 | 3,9 | ||
| 11 | 12,5 | 112,41 | 8200 | 58400 | 1 | 1400 |
| 14 | 100,75 | 7350 | 58300 | 1,1 | ||
| 15,4 | 90,96 | 6630 | 58000 | 1,2 | ||
| 17 | 82,61 | 6030 | 57500 | 1,35 | ||
| 19 | 73,3 | 5350 | 56900 | 1,5 | ||
| 21 | 66,52 | 4850 | 56200 | 1,65 | ||
| 25 | 57,17 | 4170 | 55100 | 1,9 | ||
| 28 | 49,9 | 3640 | 54000 | 2,2 | ||
| 33 | 42,33 | 3090 | 52500 | 2,4 | ||
| 38 | 37 | 2700 | 51200 | 2,7 | ||
| 15 | 15,4 | 90,96 | 8920 | 50900 | 0,9 | 1400 |
| 17 | 82,61 | 8110 | 51100 | 1 | ||
| 19 | 73,3 | 7190 | 51200 | 1,1 | ||
| 21 | 66,52 | 6530 | 51000 | 1,25 | ||
| 25 | 57,17 | 5610 | 50600 | 1,45 | ||
| 28 | 49,9 | 4900 | 50000 | 1,6 | ||
| 33 | 42,33 | 4150 | 49100 | 1,75 | ||
| 38 | 37 | 3630 | 48200 | 2 | ||
| 43 | 32,69 | 3210 | 47300 | 2,2 | ||
| 45 | 31,28 | 3070 | 47000 | 2,2 | ||
| 49 | 29 | 2840 | 46400 | 2,5 | ||
| 18,5 | 19 | 73,3 | 8840 | 46300 | 0,9 | 1400 |
| 21 | 66,52 | 8020 | 46600 | 1 | ||
| 25 | 57,17 | 6890 | 46800 | 1,15 | ||
| 28 | 49,9 | 6020 | 46700 | 1,3 | ||
| 33 | 42,33 | 5100 | 46300 | 1,45 | ||
| 38 | 37 | 4460 | 45700 | 1,6 | ||
| 43 | 32,69 | 3940 | 45100 | 1,85 | ||
| 45 | 31,28 | 3770 | 44900 | 1,8 | ||
| 49 | 29 | 3500 | 44400 | 2,1 | ||
| 53 | 26,32 | 3170 | 43800 | 2,3 | ||
| 62 | 22,62 | 2730 | 42700 | 2,6 | ||
| 71 | 19,74 | 2380 | 41700 | 3 | ||
| 84 | 16,75 | 2020 | 40400 | 3,5 | ||
| 22 | 25 | 57,17 | 8200 | 43000 | 1 | 1400 |
| 28 | 49,9 | 7160 | 43300 | 1,1 | ||
| 33 | 42,33 | 6070 | 43400 | 1,2 | ||
| 38 | 37 | 5310 | 43200 | 1,35 | ||
| 43 | 32,69 | 4690 | 42900 | 1,55 | ||
| 45 | 31,28 | 4490 | 42800 | 1,5 | ||
| 49 | 29 | 4160 | 42500 | 1,75 | ||
| 53 | 26,32 | 3770 | 42000 | 1,9 | ||
| 62 | 22,62 | 3240 | 41200 | 2,2 | ||
| 71 | 19,74 | 2830 | 40400 | 2,5 | ||
| 84 | 16,75 | 2400 | 39300 | 2,9 | ||
| 96 | 14,64 | 2100 | 38400 | 3,3 | ||
| 104 | 13,43 | 1930 | 36800 | 2,2 | ||
| 120 | 11,73 | 1680 | 35900 | 2,6 | ||
| 141 | 9,94 | 1430 | 34800 | 2,9 | ||
| 30 | 33 | 42,33 | 8250 | 36100 | 0,9 | 1400 |
| 38 | 37 | 7210 | 37600 | 1 | ||
| 45 | 31,28 | 6100 | 38000 | 1,1 | ||
| 49 | 29 | 5650 | 38000 | 1,25 | ||
| 53 | 26,32 | 5130 | 38000 | 1,4 | ||
| 62 | 22,62 | 4410 | 37700 | 1,65 | ||
| 71 | 19,74 | 3850 | 38400 | 1,85 | ||
| 84 | 16,75 | 3260 | 36700 | 2,2 | ||
| 96 | 14,64 | 2850 | 36100 | 2,4 | ||
| 104 | 13,43 | 2620 | 34400 | 1,65 | ||
| 120 | 11,73 | 2280 | 33800 | 1,9 | ||
| 141 | 9,94 | 1940 | 33000 | 2,2 | ||
| 162 | 8,69 | 1690 | 32200 | 2,4 | ||
| 37 | 38 | 37 | 8890 | 29000 | 0,8 | 1400 |
| 45 | 31,28 | 7520 | 33000 | 0,9 | ||
| 49 | 29 | 6970 | 34200 | 1,05 | ||
| 53 | 26,32 | 6320 | 34500 | 1,15 | ||
| 62 | 22,62 | 5440 | 34700 | 1,3 | ||
| 71 | 19,74 | 4740 | 34700 | 1,5 | ||
| 84 | 16,75 | 4020 | 34500 | 1,75 | ||
| 96 | 14,64 | 3520 | 34200 | 1,95 | ||
| 104 | 13,43 | 3230 | 32300 | 1,35 | ||
| 120 | 11,73 | 2820 | 32000 | 1,55 | ||
| 141 | 9,94 | 2390 | 31400 | 1,75 | ||
| 162 | 8,69 | 2090 | 30900 | 1,95 | ||
| 45 | 49 | 29 | 8480 | 25600 | 0,85 | 1400 |
| 53 | 26,32 | 7690 | 28300 | 0,95 | ||
| 62 | 22,62 | 6610 | 31000 | 1,1 | ||
| 71 | 19,74 | 5770 | 31700 | 1,25 | ||
| 84 | 16,75 | 4890 | 31900 | 1,45 | ||
| 96 | 14,64 | 4280 | 31900 | 1,6 | ||
| 104 | 13,43 | 3930 | 29900 | 1,1 | ||
| 120 | 11,73 | 3430 | 29900 | 1,25 | ||
| 141 | 9,94 | 2910 | 29600 | 1,45 | ||
| 162 | 8,69 | 2540 | 29300 | 1,6 |

Каждая из моделей имеет свои собственные варианты крепления. В частности, модели К, КА крепятся посредством лап, в то время как KF, KAF посредством использования фланцев. Подобное конструктивное исполнение и определяет в последующем его монтаж и установку в структуру оборудования.

1. Модель редуктора
(К-исполнение на лапах со сквозными отверстиями и цельным валом,
KA - исполнение на лапах со сквозными отверстиями и полым валом,
KF - исполнение на фланце с цельным валом,
KAF - исполнение на фланце с полым валом).
2. Габарит редуктора (37,47,57,67,77, 87, 97,107,127,157).
3. Исполнение с реактивным кронштейном.
4. Передаточное число.
5. Число оборотов выходного вала, об/мин.
6. Мощность электродвигателя, кВт.
7. Наличие электромагнитного тормоза у электродвигателя,
(Е- одинарный тормоз, ЕЕ- двойной тормоз,
Е(МШ)- одинарный малошумный тормоз,
ЕЕ(МШ)- двойной малошумный тормоз).
8.Тип фланца электродвигателя (В5;В14).
9. Монтажная позиция редуктора (M1, M2, M3, M4, M5, M6).
10. Сторона расположение выходного цельнометаллического вала и фланца (A, B, AB),
выходного полого вала со стяжной муфтой сторона (A, B).
11. Дополнительные опции.
Мотор-редукторы производства ООО “ПТЦ ”ПРИВОД” сохраняют общие стандарты широко популярных Европейских цилиндрических мотор-редукторов, которых придерживаются большинство известных производителей: NORD, SEW-EURODRIVE, MOTOVARIO, TOS-ZNOJMO, VARVEL и др. Благодаря унифицированным присоединительным размерам мотор-редукторы могут служить заменой вышедших из строя мотор-редукторов вышеуказанных фирм.
Нормальная эксплуатация коническо-цилиндрических редукторов/мотор-редукторов обеспечивается при входных оборотах не более 1500 об/мин.








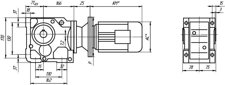
| Исполнение 1 | Исполнение 2 | Исполнение 3 | Исполнение 4 | Исполнение 5 | |
| Р, мм | 300 | 350 | 400 | 450 | 550 |
| Z5, мм | 90 | 125 | 145 | 160 | 160 |
| KM, мм | в зависимости от смонтированного двигателя | ||||
| АС, мм | в зависимости от смонтированного двигателя | ||||
| AD, мм | в зависимости от смонтированного двигателя | ||||


| Мощность, кВт | Частота вращения выходного вала, об/мин | Передаточное число | Крутящий момент, Нм | Допустимая радиальная нагрузка, Н | Сервис- фактор | Частота вращения эл.двигателя |
| 4 | 5,2 | 136,14 | 7220 | 81700 | 1,8 | 700 |
| 5,6 | 122,48 | 6500 | 81900 | 2 | ||
| 6,3 | 110,18 | 5850 | 82100 | 2,2 | ||
| 6,2 | 146,07 | 5810 | 82100 | 2,2 | 900 | |
| 6,6 | 136,14 | 5420 | 82200 | 2,4 | ||
| 7,4 | 122,48 | 4870 | 82300 | 2,7 | ||
| 8,2 | 110,18 | 4380 | 82400 | 3 | ||
| 5,5 | 5,2 | 136,14 | 10100 | 80700 | 1,3 | 700 |
| 5,6 | 122,48 | 9060 | 81100 | 1,45 | ||
| 6,3 | 110,18 | 8150 | 81400 | 1,6 | ||
| 7,7 | 89,89 | 6650 | 81900 | 1,95 | ||
| 6,6 | 136,14 | 7450 | 81600 | 1,75 | 900 | |
| 7,4 | 122,48 | 6700 | 81900 | 1,95 | ||
| 8,2 | 110,18 | 6030 | 82100 | 2,2 | ||
| 10 | 89,89 | 4920 | 82300 | 2,6 | ||
| 7,5 | 6,6 | 136,14 | 10200 | 80600 | 1,3 | |
| 7,4 | 122,48 | 9140 DR | 81000 | 1,4 | ||
| 8,2 | 110,18 | 8220 | 81400 | 1,6 | ||
| 10 | 89,89 | 6710 | 81900 | 1,95 | ||
| 9,6 | 146,07 | 7320 | 81700 | 1,8 | 1400 | |
| 10,3 | 136,14 | 6820 | 81800 | 1,9 | ||
| 11,4 | 122,48 | 6130 | 82000 | 2,1 | ||
| 12,7 | 110,18 | 5520 | 82200 | 2,4 | ||
| 15,6 | 89,89 | 4500 | 82400 | 2,9 | ||
| 17,1 | 81,98 | 4110 | 82500 | 3,2 | ||
| 19,7 | 70,95 | 3550 | 82600 | 3,7 | ||
| 11 | 10,3 | 136,14 | 9930 | 80700 | 1,3 | 1400 |
| 11,4 | 122,48 | 8930 | 81100 | 1,45 | ||
| 12,7 | 110,18 | 8040 DR | 81400 | 1,6 | ||
| 15,6 | 89,89 | 6560 | 81900 | 2 | ||
| 17,1 | 81,98 | 5980 | 82100 | 2,2 | ||
| 19,7 | 70,95 | 5180 | 82300 | 2,5 | ||
| 15 | 10,3 | 136,14 | 13400 | 79000 | 0,95 | 1400 |
| 11,4 | 122,48 | 12000 | 79700 | 1,1 | ||
| 12,7 | 110,18 | 10800 | 80300 | 1,2 | ||
| 15,6 | 89,89 | 8820 | 81200 | 1,45 | ||
| 17,1 | 81,98 | 8040 | 81400 | 1,6 | ||
| 19,7 | 70,95 | 6960 | 81600 | 1,85 | ||
| 22 | 62,6 | 6140 | 80000 | 2,1 | ||
| 26 | 54,07 | 5300 | 78000 | 2,5 | ||
| 30 | 47,82 | 4690 | 76200 | 2,8 | ||
| 18,5 | 12,7 | 110,18 | 3300 | 79000 | 1 | 1400 |
| 15,6 | 89,89 | 10800 | 79000 | 1,2 | ||
| 17,1 | 81,98 | 9890 | 78500 | 1,3 | ||
| 19,7 | 70,95 | 8560 | 77500 | 1,5 | ||
| 22 | 62,6 | 7560 | 76400 | 1,7 | ||
| 26 | 54,07 | 6520 | 74800 | 2 | ||
| 30 | 47,82 | 5770 | 73400 | 2,2 | ||
| 35 | 40,19 | 4850 | 71300 | 2,7 | ||
| 39 | 36,25 | 4370 | 69900 | 3 | ||
| 45 | 31,37 | 3780 | 68000 | 3,4 | ||
| 51 | 27,68 | 3340 | 66200 | 3,9 | 1400 | |
| 22 | 15,6 | 89,89 | 12900 | 73900 | 1 | |
| 17,1 | 81,98 | 11800 | 73800 | 1,1 | ||
| 19,7 | 70,95 | 10200 | 73400 | 1,3 | ||
| 22 | 62,6 | 8980 | 72800 | 1,45 | ||
| 26 | 54,07 | 7750 | 71700 | 1,7 | ||
| 30 | 47,82 | 6860 | 70700 | 1,9 | ||
| 35 | 40,19 | 5760 | 69000 | 2,3 | ||
| 39 | 36,25 | 5200 | 67800 | 2,5 | ||
| 45 | 31,37 | 4500 | 66200 | 2,9 | ||
| 51 | 27,68 | 3970 | 64600 | 3,3 | ||
| 59 | 23,91 | 3430 | 62800 | 3,8 | ||
| 67 | 21,15 | 3030 | 61200 | 4,3 | ||
| 30 | 19,7 | 70,95 | 13800 | 64200 | 0,95 | 1400 |
| 22 | 62,6 | 12200 | 64600 | 1,05 | ||
| 26 | 54,07 | 10500 | 64700 | 1,25 | ||
| 30 | 47,82 | 9320 | 64400 | 1,4 | ||
| 35 | 40,19 | 7830 | 63700 | 1,65 | ||
| 39 | 36,25 | 7060 | 63100 | 1,85 | ||
| 45 | 31,37 | 6110 | 62000 | 2,1 | ||
| 51 | 27,68 | 5390 | 61000 | 2,4 | ||
| 59 | 23,91 | 4660 | 59600 | 2,8 | ||
| 37 | 22 | 62,6 | 15000 | 57500 | 0,85 | 1400 |
| 26 | 54,07 | 13000 | 58500 | 1 | ||
| 30 | 47,82 | 11300 | 59000 | 1,15 | ||
| 35 | 40,19 | 9660 | 59100 | 1,35 | ||
| 39 | 36,25 | 8710 | 59000 | 1,5 | ||
| 45 | 31,37 | 7540 | 58500 | 1,7 | ||
| 51 | 27,68 | 6650 | 57800 | 1,95 | ||
| 59 | 23,91 | 5740 | 56900 | 2,3 | ||
| 67 | 21,15 | 5080 | 56000 | 2,6 | ||
| 79 | 17,77 | 4270 | 54500 | 3 | ||
| 98 | 14,35 | 3450 | 52500 | 3,5 | ||
| 109 | 12,79 | 3070 | 50200 | 2,8 | ||
| 130 | 10,74 | 2580 | 48600 | 3,1 | ||
| 161 | 8,68 | 2090 | 46600 | 3,5 | ||
| 45 | 30 | 47,82 | 14000 | 52800 | 0,95 | 1400 |
| 35 | 40,19 | 11700 | 53900 | 1,1 | ||
| 39 | 36,25 | 10600 | 54200 | 1,25 | ||
| 45 | 31,37 | 9170 | 54400 | 1,4 | ||
| 51 | 27,68 | 8090 | 54200 | 1,6 | ||
| 59 | 23,91 | 6990 | 53800 | 1,85 | ||
| 67 | 21,15 | 6180 | 53200 | 2,1 | ||
| 79 | 17,77 | 5190 | 52200 | 2,5 | ||
| 98 | 14,35 | 4190 | 50700 | 2,9 | ||
| 109 | 12,79 | 3740 | 48300 | 2,3 | ||
| 130 | 10,74 | 3140 | 47000 | 2,5 | ||
| 161 | 8,68 | 2540 | 45300 | 2,8 | ||
| 55 | 35 | 40,19 | 14300 | 47400 | 0,9 | 1400 |
| 45 | 31,37 | 11200 | 49300 | 1,15 | ||
| 51 | 27,68 | 9850 | 49700 | 1,3 | ||
| 59 | 23,91 | 8510 | 49900 | 1,55 | ||
| 67 | 21,15 | 7530 | 49800 | 1,75 | ||
| 79 | 17,77 | 6330 | 49300 | 2 | ||
| 98 | 14,35 | 5110 | 48300 | 2,4 | ||
| 109 | 12,79 | 4550 | 75900 | 1,85 | ||
| 130 | 10,74 | 3830 | 45000 | 2,1 | ||
| 161 | 8,68 | 3090 | 43600 | 2,3 | ||
| 75 | 45 | 31,37 | 15200 | 39200 | 0,85 | 1400 |
| 51 | 27,68 | 13400 | 40800 | 0,95 | ||
| 59 | 23,91 | 11600 | 42200 | 1,1 | ||
| 67 | 21,15 | 10200 | 42900 | 1,25 | ||
| 79 | 17,77 | 18600 | 43500 | 1,5 | ||
| 98 | 14,35 | 6940 | 43700 | 1,75 | ||
| 109 | 12,79 | 6190 | 41100 | 1,4 | ||
| 130 | 10,74 | 5200 | 41000 | 1,55 | ||
| 161 | 8,68 | 4200 | 40400 | 1,7 | ||
| 90 | 59 | 23,91 | 13900 | 36400 | 0,95 | 1400 |
| 67 | 21,15 | 12300 | 37800 | 1,05 | ||
| 79 | 17,77 | 10300 | 39200 | 1,25 | ||
| 98 | 14,35 | 8330 | 40200 | 1,45 | ||
| 109 | 12,79 | 7420 | 37600 | 1,15 | ||
| 130 | 10,74 | 6240 | 38000 | 1,3 | ||
| 161 | 8,68 | 5040 | 38000 | 1,45 |

Каждая из моделей имеет свои собственные варианты крепления. В частности, модели К, КА крепятся посредством лап, в то время как KF, KAF посредством использования фланцев. Подобное конструктивное исполнение и определяет в последующем его монтаж и установку в структуру оборудования.

1. Модель редуктора
(К-исполнение на лапах со сквозными отверстиями и цельным валом,
KA - исполнение на лапах со сквозными отверстиями и полым валом,
KF - исполнение на фланце с цельным валом,
KAF - исполнение на фланце с полым валом).
2. Габарит редуктора (37,47,57,67,77, 87, 97,107,127,157).
3. Исполнение с реактивным кронштейном.
4. Передаточное число.
5. Число оборотов выходного вала, об/мин.
6. Мощность электродвигателя, кВт.
7. Наличие электромагнитного тормоза у электродвигателя,
(Е- одинарный тормоз, ЕЕ- двойной тормоз,
Е(МШ)- одинарный малошумный тормоз,
ЕЕ(МШ)- двойной малошумный тормоз).
8.Тип фланца электродвигателя (В5;В14).
9. Монтажная позиция редуктора (M1, M2, M3, M4, M5, M6).
10. Сторона расположение выходного цельнометаллического вала и фланца (A, B, AB),
выходного полого вала со стяжной муфтой сторона (A, B).
11. Дополнительные опции.
Мотор-редукторы производства ООО “ПТЦ ”ПРИВОД” сохраняют общие стандарты широко популярных Европейских цилиндрических мотор-редукторов, которых придерживаются большинство известных производителей: NORD, SEW-EURODRIVE, MOTOVARIO, TOS-ZNOJMO, VARVEL и др. Благодаря унифицированным присоединительным размерам мотор-редукторы могут служить заменой вышедших из строя мотор-редукторов вышеуказанных фирм.
Нормальная эксплуатация коническо-цилиндрических редукторов/мотор-редукторов обеспечивается при входных оборотах не более 1500 об/мин.









| Исполнение 1 | Исполнение 2 | Исполнение 3 | Исполнение 4 | Исполнение 5 | |
| Р, мм | 350 | 400 | 450 | 550 | - |
| Z5, мм | 125 | 145 | 160 | 160 | - |
| KM, мм | в зависимости от смонтированного двигателя | ||||
| АС, мм | в зависимости от смонтированного двигателя | ||||
| AD, мм | в зависимости от смонтированного двигателя | ||||


*Для редукторов серии К с полым валом и стяжной муфтой необходимо указать, какая сторона A или B, является стороной отбора мощности. Стяжная муфта расположена со стороны, противоположной стороне отбора мощности.
| Мощность, кВт | Частота вращения выходного вала, об/мин | Передаточное число | Крутящий момент, Нм | Допустимая радиальная нагрузка, Н | Сервис- фактор | Частота вращения эл.двигателя |
| 5,5 | 4,6 | 150,41 | 11100 | 115000 | 1,6 | 700 |
| 5,6 | 122,39 | 9050 | 115500 | 2 | ||
| 6,9 | 100,22 | 7410 | 115900 | 2,4 | ||
| 7,5 | 91,65 | 6780 | 116000 | 2,7 | ||
| 6 | 150,41 | 11200 | 114900 | 1,6 | ||
| 7,5 | 7,4 | 122,39 | 9130 | 115500 | 1,95 | 1400 |
| 9 | 100,22 | 7480 | 115900 | 2,4 | ||
| 9,8 | 91,65 | 6840 | 116000 | 2,6 | ||
| 11,3 | 79,75 | 5950 | 116200 | 3 | ||
| 11 | 5,6 | 122,39 | 17900 | 112300 | 1 | 700 |
| 6,9 | 100,22 | 14600 | 113700 | 1,25 | ||
| 7,5 | 91,65 | 13400 | 114200 | 1,35 | ||
| 8,79 | 79,75 | 11600 | 114800 | 1,55 | ||
| 6 | 150,41 | 16500 | 112900 | 1,1 | 900 | |
| 7,4 | 122,39 | 13400 | 114200 | 1,35 | ||
| 9 | 100,22 | 11000 | 115000 | 1,65 | ||
| 9,8 | 91,65 | 10000 | 115300 | 1,8 | ||
| 11,3 | 79,75 | 8730 | 115600 | 2,1 | ||
| 9,3 | 150,41 | 11000 | 115000 | 1,65 | 1400 | |
| 11,4 | 122,39 | 8930 | 115600 | 2 | ||
| 14 | 100,22 | 7310 | 115900 | 2,5 | ||
| 15,3 | 91,65 | 6690 | 116000 | 2,7 | ||
| 15 | 7,4 | 122,39 | 18100 | 112200 | 1 | 900 |
| 9 | 100,22 | 14800 | 113700 | 1,2 | ||
| 9,8 | 91,65 | 13500 | 114100 | 1,35 | ||
| 11,3 | 79,75 | 11800 | 114800 | 1,55 | ||
| 12,8 | 70,38 | 10400 | 115200 | 1,75 | ||
| 9,3 | 150,41 | 14800 | 113700 | 1,2 | 1400 | |
| 11,4 | 122,39 | 12000 | 114700 | 1,5 | ||
| 14 | 100,22 | 9830 | 114200 | 1,85 | ||
| 15,3 | 91,65 | 8990 | 112500 | 2 | ||
| 17,6 | 79,75 | 7820 | 109600 | 2,3 | ||
| 18,5 | 9 | 100,22 | 18300 | 112100 | 1 | 900 |
| 9,8 | 91,65 | 16700 | 112800 | 1,1 | ||
| 11,3 | 79,75 | 14500 | 111500 | 1,25 | ||
| 12,8 | 70,38 | 12800 | 109900 | 1,4 | ||
| 11,4 | 122,39 | 14800 | 111600 | 1,2 | 1400 | |
| 14 | 100,22 | 12100 | 109100 | 1,5 | ||
| 15,3 | 91,65 | 11100 | 107800 | 1,65 | ||
| 17,6 | 79,75 | 9620 | 105600 | 1,85 | ||
| 20 | 70,38 | 8490 | 103400 | 2,1 | ||
| 23 | 61,02 | 7360 | 100700 | 2,5 | ||
| 26 | 54,29 | 6550 | 98500 | 2,8 | ||
| 30 | 46,79 | 5640 | 95500 | 3,2 | ||
| 37 | 38,02 | 4580 | 91300 | 3,9 | ||
| 22 | 9 | 100,22 | 21700 | 105900 | 0,85 | 900 |
| 9,8 | 91,65 | 19900 | 105900 | 0,9 | ||
| 11,3 | 79,75 | 17300 | 105500 | 1,05 | ||
| 12,8 | 70,38 | 15200 | 104600 | 1,2 | ||
| 14,8 | 61,02 | 13200 | 103300 | 1,35 | ||
| 11,4 | 122,39 | 17600 | 105500 | 1,05 | 1400 | |
| 14 | 100,22 | 14400 | 104100 | 1,25 | ||
| 15,3 | 91,65 | 13100 | 103200 | 1,35 | ||
| 17,6 | 79,75 | 11400 | 101600 | 1,55 | ||
| 20 | 70,38 | 10100 | 99800 | 1,8 | ||
| 23 | 61,02 | 8750 | 97700 | 2,1 | ||
| 26 | 54,29 | 7790 | 95800 | 2,3 | ||
| 30 | 46,79 | 6710 | 93200 | 2,7 | ||
| 37 | 38,02 | 5450 | 89400 | 3,3 | ||
| 30 | 14 | 100,22 | 19500 | 92700 | 0,9 | 1400 |
| 15,3 | 91,65 | 17900 | 92800 | 1 | ||
| 17,6 | 79,75 | 15500 | 92400 | 1,15 | ||
| 20 | 70,38 | 13700 | 91800 | 1,3 | ||
| 23 | 61,02 | 11900 | 90700 | 1,5 | ||
| 26 | 54,29 | 10600 | 89500 | 1,7 | ||
| 30 | 46,79 | 9120 | 87800 | 1,95 | ||
| 37 | 38,02 | 7410 | 85100 | 2,4 | ||
| 45 | 31,3 | 6100 | 82200 | 3 | ||
| 37 | 15,3 | 91,65 | 22000 | 83600 | 0,8 | 1400 |
| 17,6 | 79,75 | 19200 | 84500 | 0,95 | ||
| 20 | 70,38 | 16900 | 84800 | 1,05 | ||
| 23 | 61,02 | 14700 | 84600 | 1,25 | ||
| 26 | 54,29 | 13000 | 84100 | 1,4 | ||
| 30 | 46,79 | 11200 | 83200 | 1,6 | ||
| 37 | 38,02 | 9140 | 81300 | 1,95 | ||
| 45 | 31,3 | 18520 | 79100 | 2,4 | ||
| 45 | 20 | 70,38 | 20600 | 76800 | 0,85 | 1400 |
| 23 | 61,02 | 17800 | 77700 | 1 | ||
| 26 | 54,29 | 15900 | 77900 | 1,15 | ||
| 30 | 46,79 | 13700 | 77800 | 1,3 | ||
| 37 | 38,02 | 11100 | 76900 | 1,6 | ||
| 45 | 31,3 | 9150 | 75500 | 1,95 | ||
| 51 | 27,62 | 8080 | 74300 | 2,2 | ||
| 59 | 23,95 | 7000 | 72800 | 2,6 | ||
| 66 | 21,31 | 6230 | 71500 | 2,9 | ||
| 76 | 18,37 | 5370 | 69700 | 3,3 | ||
| 55 | 23 | 61,02 | 21700 | 69000 | 0,85 | 1400 |
| 26 | 54,29 | 19300 | 70200 | 0,95 | ||
| 30 | 46,79 | 16700 | 71200 | 1,1 | ||
| 37 | 38,02 | 13500 | 71500 | 1,35 | ||
| 45 | 31,3 | 11100 | 71000 | 1,6 | ||
| 51 | 27,62 | 9840 | 70400 | 1,95 | ||
| 59 | 23,95 | 8530 | 69400 | 2,1 | ||
| 66 | 21,31 | 7590 | 98400 | 2,4 | ||
| 76 | 18,37 | 6540 | 67000 | 2,8 | ||
| 94 | 14,92 | 5310 | 64800 | 3,4 | ||
| 111 | 12,65 | 4510 | 62900 | 3,8 | ||
| 75 | 37 | 38,02 | 18400 | 60800 | 1 | 1400 |
| 45 | 31,3 | 15100 | 62200 | 1,2 | ||
| 51 | 27,62 | 13400 | 62600 | 1,35 | ||
| 59 | 23,95 | 11600 | 62600 | 1,55 | ||
| 66 | 21,31 | 10300 | 62400 | 1,75 | ||
| 76 | 18,37 | 8890 | 61800 | 2 | ||
| 94 | 14,92 | 7220 | 60500 | 2,5 | ||
| 111 | 12,65 | 6120 | 59300 | 2,8 | ||
| 90 | 37 | 38,02 | 22100 | 52700 | 0,8 | 1400 |
| 45 | 31,3 | 18200 | 55500 | 1 | ||
| 51 | 27,62 | 16000 | 56700 | 1,1 | ||
| 59 | 23,95 | 13900 | 57500 | 1,3 | ||
| 66 | 21,31 | 12400 | 57900 | 1,45 | ||
| 76 | 18,37 | 10700 | 57900 | 1,7 | ||
| 94 | 14,92 | 8670 | 57400 | 2,1 | ||
| 111 | 12,65 | 7350 | 56600 | 2,3 | ||
| 110 | 59 | 23,95 | 16900 | 50800 | 1,05 | 1400 |
| 66 | 21,31 | 15100 | 51900 | 1,2 | ||
| 76 | 18,37 | 13000 | 52700 | 1,4 | ||
| 94 | 14,92 | 10600 | 53100 | 1,7 | ||
| 111 | 12,65 | 8950 | 53000 | 1,9 | ||
| 132 | 59 | 23,95 | 20300 | 43400 | 0,9 | 1400 |
| 66 | 21,31 | 18100 | 45300 | 1 | ||
| 76 | 18,37 | 15600 | 47000 | 1,15 | ||
| 94 | 14,92 | 12700 | 48500 | 1,4 | ||
| 111 | 12,65 | 10700 | 49100 | 1,6 | ||
| 160 | 76 | 18,37 | 18900 | 39800 | 0,95 | 1400 |
| 94 | 14,92 | 15400 | 42600 | 1,15 | ||
| 111 | 12,65 | 13000 | 44100 | 1,3 |

Каждая из моделей имеет свои собственные варианты крепления. В частности, модели К, КА крепятся посредством лап, в то время как KF, KAF посредством использования фланцев. Подобное конструктивное исполнение и определяет в последующем его монтаж и установку в структуру оборудования.

1. Модель редуктора
(К-исполнение на лапах со сквозными отверстиями и цельным валом).
2. Габарит редуктора (37,47,57,67,77, 87, 97,107,127,157).
3. Исполнение с реактивным кронштейном.
4. Передаточное число.
5. Число оборотов выходного вала, об/мин.
6. Мощность электродвигателя, кВт.
7. Наличие электромагнитного тормоза у электродвигателя,
(Е- одинарный тормоз, ЕЕ- двойной тормоз,
Е(МШ)- одинарный малошумный тормоз,
ЕЕ(МШ)- двойной малошумный тормоз).
8.Тип фланца электродвигателя (В5;В14).
9. Монтажная позиция редуктора (M1, M2, M3, M4, M5, M6).
10. Сторона расположение выходного цельнометаллического вала и фланца (A, B, AB),
выходного полого вала со стяжной муфтой сторона (A, B).
11. Дополнительные опции.


| Исполнение 1 | Исполнение 2 | Исполнение 3 | Исполнение 4 | Исполнение 5 | |
| Р, мм | 350 | 400 | 450 | 550 | - |
| Z5, мм | 125 | 145 | 160 | 160 | - |
| KM, мм | в зависимости от смонтированного двигателя | ||||
| АС, мм | в зависимости от смонтированного двигателя | ||||
| AD, мм | в зависимости от смонтированного двигателя | ||||


*Для редукторов серии К с полым валом и стяжной муфтой необходимо указать, какая сторона A или B, является стороной отбора мощности. Стяжная муфта расположена со стороны, противоположной стороне отбора мощности.
| Мощность, кВт | Частота вращения выходного вала, об/мин | Передаточное число | Крутящий момент, Нм | Допустимая радиальная нагрузка, Н | Сервис- фактор | Частота вращения эл.двигателя |
| 7,5 | 4,2 | 164,5 | 16400 | 150000 | 1,95 | 700 |
| 5,1 | 134,99 | 13400 | 150000 | 2,4 | ||
| 5,5 | 164,5 | 12300 | 150000 | 2,6 | 900 | |
| 6,7 | 134,99 | 10100 | 150000 | 3,2 | ||
| 11 | 5,1 | 134,99 | 19700 | 150000 | 1,6 | 700 |
| 6,3 | 109,83 | 16000 | 150000 | 2 | ||
| 5,5 | 164,5 | 18000 | 150000 | 1,8 | 900 | |
| 6,7 | 134,99 | 14800 | 150000 | 2,2 | ||
| 8,5 | 164,5 | 12000 | 150000 | 2,7 | 1400 | |
| 10,4 | 134,99 | 19850 | 150000 | 3,2 | ||
| 15 | 6,7 | 134,99 | 19900 | 150000 | 1,6 | 900 |
| 8,2 | 109,83 | 16200 | 150000 | 1,95 | ||
| 8,5 | 164,5 | 16100 | 150000 | 2 | 1400 | |
| 10,4 | 134,99 | 13200 | 150000 | 2,4 | ||
| 18,5 | 10,4 | 134,99 | 16300 | 150000 | 1,95 | 1400 |
| 12,8 | 109,83 | 13200 | 150000 | 2,4 | ||
| 16 | 87,86 | 10600 | 150000 | 3 | ||
| 22 | 10,4 | 134,99 | 19400 | 150000 | 1,65 | 1400 |
| 12,8 | 109,83 | 15700 | 150000 | 2 | ||
| 16 | 87,86 | 12600 | 150000 | 2,5 | ||
| 18 | 78,14 | 11200 | 150000 | 2,9 | ||
| 30 | 12,8 | 109,83 | 21400 | 150000 | 1,5 | 1400 |
| 16 | 87,86 | 17100 | 150000 | 1,85 | ||
| 18 | 78,14 | 15200 | 150000 | 2,1 | ||
| 21 | 68,07 | 13300 | 150000 | 2,4 | ||
| 23 | 60,74 | 11800 | 150000 | 2,7 | ||
| 37 | 12,8 | 109,83 | 26400 | 150000 | 1,2 | 1400 |
| 16 | 87,86 | 21100 | 150000 | 1,5 | ||
| 18 | 78,14 | 18800 | 150000 | 1,7 | ||
| 21 | 68,07 | 16400 | 150000 | 1,95 | ||
| 23 | 60,74 | 14600 | 150000 | 2,2 | ||
| 27 | 51,77 | 12400 | 150000 | 2,6 | ||
| 45 | 12,8 | 109,83 | 32100 | 150000 | 1 | 1400 |
| 16 | 87,86 | 25700 | 150000 | 1,25 | ||
| 18 | 78,14 | 22800 | 150000 | 1,4 | ||
| 21 | 68,07 | 19900 | 150000 | 1,6 | ||
| 23 | 60,74 | 17800 | 149000 | 1,8 | ||
| 27 | 51,77 | 15100 | 145600 | 2,1 | ||
| 33 | 42,89 | 12500 | 140600 | 2,5 | ||
| 55 | 16 | 87,86 | 31300 | 145300 | 1 | 1400 |
| 18 | 78,14 | 27800 | 144600 | 1,15 | ||
| 21 | 68,07 | 24200 | 143300 | 1,3 | ||
| 23 | 60,74 | 21600 | 141700 | 1,5 | ||
| 27 | 51,77 | 18400 | 139100 | 1,75 | ||
| 33 | 42,89 | 15300 | 135400 | 2,1 | ||
| 38 | 36,61 | 13000 | 131900 | 2,5 | ||
| 75 | 18 | 78,14 | 37800 | 126100 | 0,85 | 1400 |
| 21 | 68,07 | 32900 | 127100 | 0,95 | ||
| 23 | 60,74 | 29400 | 127300 | 1,1 | ||
| 27 | 51,77 | 25100 | 126800 | 1,3 | ||
| 33 | 42,89 | 20800 | 125200 | 1,55 | ||
| 38 | 36,61 | 17700 | 123200 | 1,8 | ||
| 43 | 32,25 | 15600 | 121300 | 2 | ||
| 49 | 28,77 | 13900 | 119300 | 2,3 | ||
| 57 | 24,52 | 11900 | 116300 | 2,7 | ||
| 90 | 21 | 68,07 | 39500 | 115100 | 0,8 | 1400 |
| 23 | 60,74 | 35300 | 116600 | 0,9 | ||
| 27 | 51,77 | 30100 | 117600 | 1,05 | ||
| 33 | 42,89 | 24900 | 117600 | 1,3 | ||
| 38 | 36,61 | 21300 | 116700 | 1,5 | ||
| 43 | 32,25 | 18700 | 115500 | 1,7 | ||
| 49 | 28,77 | 16700 | 114200 | 1,9 | ||
| 57 | 24,52 | 14200 | 111900 | 2,2 | ||
| 69 | 20,32 | 11800 | 108800 | 2,7 | ||
| 81 | 17,34 | 10100 | 106000 | 3,2 | ||
| 110 | 27 | 51,77 | 36600 | 105500 | 0,85 | 1400 |
| 33 | 42,89 | 30300 | 107500 | 1,05 | ||
| 38 | 36,61 | 25900 | 108100 | 1,25 | ||
| 43 | 32,25 | 22800 | 107900 | 1,4 | ||
| 49 | 28,77 | 20400 | 107400 | 1,55 | ||
| 57 | 24,52 | 17300 | 106100 | 1,85 | ||
| 69 | 20,32 | 14400 | 104000 | 2,2 | ||
| 81 | 17,34 | 12300 | 101800 | 2,6 | ||
| 132 | 33 | 42,89 | 36400 | 96400 | 0,9 | 1400 |
| 38 | 36,61 | 31100 | 98600 | 1,05 | ||
| 43 | 32,25 | 27400 | 99600 | 1,15 | ||
| 49 | 28,77 | 24400 | 99900 | 1,3 | ||
| 57 | 24,52 | 20800 | 99800 | 1,55 | ||
| 69 | 20,32 | 17200 | 98700 | 1,85 | ||
| 81 | 17,34 | 14700 | 97300 | 2,2 | ||
| 160 | 38 | 36,61 | 37700 | 86500 | 0,85 | 1400 |
| 57 | 24,52 | 25200 | 91700 | 1,25 | ||
| 69 | 20,32 | 20900 | 92000 | 1,55 | ||
| 81 | 17,34 | 17800 | 91600 | 1,8 | ||
| 200 | 57 | 24,52 | 31500 | 80100 | 1 | 1400 |
| 69 | 20,32 | 26100 | 82400 | 1,2 | ||
| 81 | 17,34 | 22300 | 83400 | 1,45 |

Каждая из моделей имеет свои собственные варианты крепления. В частности, модели К, КА крепятся посредством лап, в то время как KF, KAF посредством использования фланцев. Подобное конструктивное исполнение и определяет в последующем его монтаж и установку в структуру оборудования.

1. Модель редуктора
(К-исполнение на лапах со сквозными отверстиями и цельным валом).
2. Габарит редуктора (37,47,57,67,77, 87, 97,107,127,157).
3. Исполнение с реактивным кронштейном.
4. Передаточное число.
5. Число оборотов выходного вала, об/мин.
6. Мощность электродвигателя, кВт.
7. Наличие электромагнитного тормоза у электродвигателя,
(Е- одинарный тормоз, ЕЕ- двойной тормоз,
Е(МШ)- одинарный малошумный тормоз,
ЕЕ(МШ)- двойной малошумный тормоз).
8.Тип фланца электродвигателя (В5;В14).
9. Монтажная позиция редуктора (M1, M2, M3, M4, M5, M6).
10. Сторона расположение выходного цельнометаллического вала и фланца (A, B, AB),
выходного полого вала со стяжной муфтой сторона (A, B).
11. Дополнительные опции.


| Исполнение 1 | Исполнение 2 | Исполнение 3 | Исполнение 4 | Исполнение 5 | |
| Р, мм | 350 | 400 | 450 | 550 | - |
| Z5, мм | 125 | 145 | 160 | 160 | - |
| KM, мм | в зависимости от смонтированного двигателя | ||||
| АС, мм | в зависимости от смонтированного двигателя | ||||
| AD, мм | в зависимости от смонтированного двигателя | ||||


*Для редукторов серии К с полым валом и стяжной муфтой необходимо указать, какая сторона A или B, является стороной отбора мощности. Стяжная муфта расположена со стороны, противоположной стороне отбора мощности.
| Мощность, кВт | Частота вращения выходного вала, об/мин | Передаточное число | Крутящий момент, Нм | Допустимая радиальная нагрузка, Н | Сервис- фактор | Частота вращения эл.двигателя |
| 15 | 5 | 179,86 | 26600 | 190000 | 1,9 | 900 |
| 5,5 | 165,21 | 24400 | 190000 | 2 | ||
| 18,5 | 5 | 179,86 | 32800 | 190000 | 1,55 | |
| 5,5 | 165,21 | 30100 | 190000 | 1,65 | ||
| 6,2 | 144,59 | 26300 | 190000 | 1,9 | ||
| 7 | 129,69 | 23600 | 190000 | 2,1 | ||
| 7,8 | 179,86 | 21700 | 190000 | 2,3 | 1400 | |
| 8,5 | 165,21 | 19900 | 190000 | 2,5 | ||
| 9,7 | 144,59 | 17400 | 190000 | 2,9 | ||
| 10,8 | 129,69 | 15600 | 190000 | 3,2 | ||
| 22 | 5 | 179,86 | 39000 | 190000 | 1,3 | 900 |
| 5,5 | 165,21 | 35800 | 190000 | 1,4 | ||
| 6,2 | 144,59 | 31300 | 190000 | 1,6 | ||
| 7 | 129,69 | 28100 | 190000 | 1,8 | ||
| 8 | 112,6 | 24400 | 190000 | 2 | ||
| 7,8 | 179,86 | 25800 | 190000 | 1,95 | 1400 | |
| 22 | 8,5 | 165,21 | 23700 | 190000 | 2,1 | |
| 9,7 | 144,59 | 20700 | 190000 | 2,4 | ||
| 10,8 | 129,69 | 18600 | 190000 | 2,7 | ||
| 30 | 7,8 | 179,86 | 35100 | 190000 | 1,45 | 1400 |
| 8,5 | 165,21 | 32200 | 190000 | 1,55 | ||
| 9,7 | 144,59 | 28200 | 190000 | 1,75 | ||
| 10,8 | 129,69 | 25300 | 190000 | 2 | ||
| 12,5 | 112,6 | 21900 | 190000 | 2,3 | ||
| 13,7 | 102,16 | 19900 | 190000 | 2,5 | ||
| 16 | 88 | 17200 | 190000 | 2,9 | ||
| 37 | 7,8 | 179,86 | 43200 | 190000 | 1,15 | 1400 |
| 8,5 | 165,21 | 39700 | 190000 | 1,25 | ||
| 9,7 | 144,59 | 34800 | 190000 | 1,45 | ||
| 10,8 | 129,69 | 31200 | 190000 | 1,6 | ||
| 12,5 | 112,6 | 27100 | 190000 | 1,85 | ||
| 13,7 | 102,16 | 24600 | 190000 | 2 | ||
| 16 | 88 | 21200 | 190000 | 2,4 | ||
| 45 | 7,8 | 179,86 | 52600 | 190000 | 0,95 | 1400 |
| 8,5 | 165,21 | 48300 | 190000 | 1,05 | ||
| 9,7 | 144,59 | 42300 | 190000 | 1,2 | ||
| 10,8 | 129,69 | 37900 | 190000 | 1,3 | ||
| 12,5 | 112,6 | 32900 | 190000 | 1,5 | ||
| 13,7 | 102,16 | 29900 | 190000 | 1,65 | ||
| 16 | 88 | 25700 | 190000 | 1,95 | ||
| 19 | 73,96 | 21600 | 187700 | 2,3 | ||
| 55 | 9,7 | 144,59 | 51500 | 187400 | 0,95 | 1400 |
| 10,8 | 129,69 | 46200 | 190000 | 1,1 | ||
| 12,5 | 112,6 | 40100 | 177500 | 1,25 | ||
| 13,7 | 102,16 | 36400 | 187100 | 1,35 | ||
| 16 | 88 | 31300 | 184200 | 1,6 | ||
| 19 | 73,96 | 26300 | 180200 | 1,9 | ||
| 22 | 64,04 | 22800 | 176300 | 2,2 | ||
| 75 | 10,8 | 129,69 | 62800 | 164100 | 0,8 | 1400 |
| 12,5 | 112,6 | 54500 | 166100 | 0,9 | ||
| 13,7 | 102,16 | 49400 | 166600 | 1 | ||
| 16 | 88 | 42600 | 166600 | 1,15 | ||
| 19 | 73,96 | 35800 | 165300 | 1,4 | ||
| 22 | 64,04 | 31000 | 163400 | 1,6 | ||
| 26 | 53,36 | 25600 | 160100 | 1,95 | ||
| 31 | 45,5 | 22000 | 156700 | 2,3 | ||
| 90 | 13,7 | 102,16 | 59300 | 151300 | 0,85 | 1400 |
| 16 | 88 | 51100 | 153400 | 1 | ||
| 19 | 73,96 | 42900 | 154200 | 1,15 | ||
| 22 | 64,04 | 37200 | 153800 | 1,35 | ||
| 26 | 53,36 | 31000 | 15200 | 1,6 | ||
| 31 | 45,5 | 26400 | 149900 | 1,9 | ||
| 33 | 42,51 | 24700 | 148700 | 2 | ||
| 36 | 38,57 | 22400 | 146900 | 2,2 | ||
| 110 | 16 | 88 | 62300 | 136000 | 0,8 | 1400 |
| 19 | 73,96 | 52300 | 139500 | 0,95 | ||
| 22 | 64,04 | 45300 | 141000 | 1,1 | ||
| 26 | 53,36 | 37700 | 141500 | 1,3 | ||
| 31 | 45,5 | 32200 | 140800 | 1,55 | ||
| 33 | 42,51 | 30100 | 140200 | 1,65 | ||
| 36 | 38,57 | 27300 | 139100 | 1,85 | ||
| 42 | 33,23 | 23500 | 137000 | 2,1 | ||
| 50 | 27,92 | 19800 | 134000 | 2,5 | ||
| 132 | 19 | 73,96 | 62800 | 123300 | 0,8 | 1400 |
| 22 | 64,04 | 54400 | 127000 | 0,9 | ||
| 26 | 53,36 | 45300 | 129800 | 1,1 | ||
| 31 | 45,5 | 38600 | 130800 | 1,3 | ||
| 33 | 42,51 | 36100 | 130900 | 1,4 | ||
| 36 | 38,57 | 32700 | 130700 | 1,55 | ||
| 42 | 33,23 | 28200 | 129800 | 1,75 | ||
| 50 | 27,92 | 23700 | 127900 | 2,1 | ||
| 58 | 24,18 | 20500 | 125900 | 2,3 | ||
| 68 | 20,15 | 17100 | 122800 | 2,6 | ||
| 82 | 17,18 | 14600 | 119700 | 2,8 | ||
| 160 | 26 | 53,36 | 54900 | 114900 | 0,9 | 1400 |
| 31 | 45,5 | 46800 | 118100 | 1,05 | ||
| 42 | 33,23 | 34200 | 120500 | 1,45 | ||
| 50 | 27,92 | 28700 | 120100 | 1,75 | ||
| 58 | 24,18 | 24900 | 119100 | 1,9 | ||
| 68 | 20,15 | 20700 | 117200 | 2,1 | ||
| 82 | 17,18 | 17700 | 114900 | 2,3 | ||
| 200 | 31 | 45,5 | 58500 | 100000 | 0,85 | 1400 |
| 42 | 33,23 | 42700 | 107300 | 1,15 | ||
| 50 | 27,92 | 35900 | 109000 | 1,4 | ||
| 58 | 24,18 | 31100 | 109500 | 1,55 | ||
| 68 | 20,15 | 25900 | 109100 | 1,7 | ||
| 82 | 17,18 | 22100 | 108100 | 1,85 |

Каждая из моделей имеет свои собственные варианты крепления. В частности, модели К, КА крепятся посредством лап, в то время как KF, KAF посредством использования фланцев. Подобное конструктивное исполнение и определяет в последующем его монтаж и установку в структуру оборудования.